FREQCON-6 24V AC or DC Powered Isolating Signal Converter
User Manual
Whilst every effort has been taken to ensure the accuracy of this document, we accept no responsibility for damage, injury, loss, or expense resulting from errors or omissions, and reserve the right of amendment without notice.
This document may not be reproduced in any way without the prior written permission of the company.
Aug 2022
INTRODUCTION
1.1 Hardware Features
The FREQCON-6 is a Frequency to Analog Signal Converter. It supports a wide range of signal inputs, from Hall effect transducers to +-24V signals. It also produces 3 types of analog output: voltage, mA source, or mA sink.
The unit can be powered by any DC voltage between 12 and 36Vdc or 12 and 32Vac.
The instrument is packaged in a very compact 12.5mm wide enclosure which can be mounted on a standard TS35 DIN rail.
1.2 Isolation Details
The FREQCON-6 has full 3 port isolation of 1000V between the Input Stage, Output Stage, and Power Supply for functional reasons.
UNPACKING
The instrument should be carefully inspected for signs of damage that may have occurred in transit. In the unlikely case that damage has been sustained, DO NOT use the instrument, but please retain all packaging for our inspection and contact your supplier immediately.
The instrument comes with the following items as standard:
1 Freqcon-6 Isolating Signal Converter
1 Freqcon-6 User Guide
If the instrument has been factory configured the input and output details will be listed on the Serial number label on the side of the unit. If this label is blank, then the unit will be set to its default configuration which is 0-10kHz logic level input and 4-20mA source output. Please check that the details on the side label are correct, especially the power supply voltage.
If re-configuration is required, please refer to Section 4 of this manual.
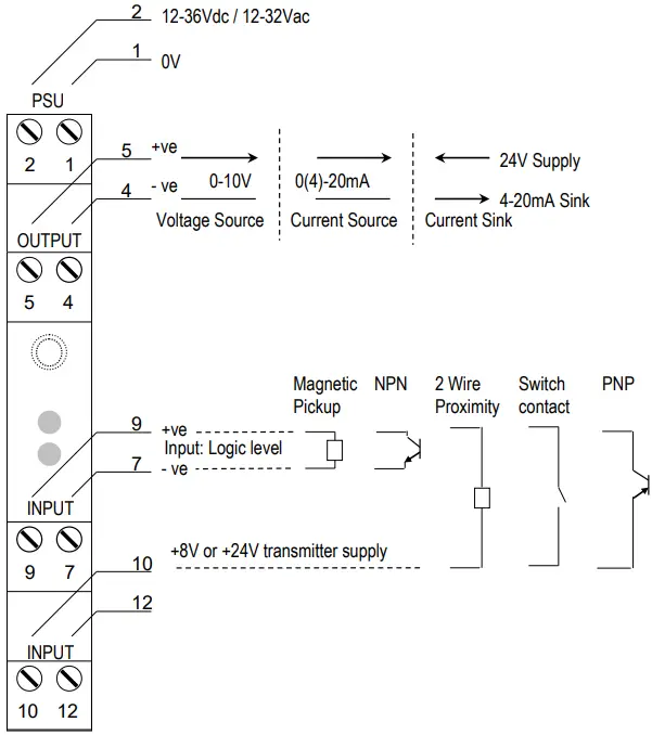
CONNECTIONS
The FREQCON is housed in a compact DIN rail mounting enclosure, with 8 terminals, arranged in 4 rows of 2 terminals. Two rows are at the top of the front panel and 2 rows are at the bottom. All the sensor input terminals are on the bottom rows and the power supply and analog outputs are on the top terminals.
The diagram below shows how to connect all the different input, output, and power supply types.

CONFIGURING THE FREQCON
WARNING!
DO NOT OPEN THE UNIT OR ADJUST SWITCHES WITH THE POWER SUPPLY, INPUT, OR OUTPUT CONNECTED
The FREQCON is an extremely versatile device that can support many different types of frequency input. The unit is configured by turning the power off, selecting the internal switch settings required, and turning the power back on.
To open the Freqcon, 2 catches just below the outer terminal blocks must be pushed in gently, one at a time. The front of the case can then be pulled and the unit will come out of the box.
There are 2 switch banks, S1 and S3, located inside the FREQCON as shown below:

Switch S1 configures the input type and range and switch S3 configures the output type, range, and a few additional functions. The switch settings are explained in the next few pages. The diagrams refer to switch positions 0 and 1, with 0 being OFF and 1 being ON. This is illustrated in the picture above.
4.1 Frequency Input
Select the range from the table below and set Switch S1 to the required values. Switches 1 to 8 control the input type, while switches 9 to 12 control the input frequency range.
| Input Frequency (Hz) | Switch S1 | |||||||||||
| 1 | 2 | 3 | 4 | 5 | 6 | 7 | 8 | 9 | 10 | 11 | 12 | |
| 0 to 0.01 0 to 0.03 0 to 0.1 0 to 0.3 | 0 1 0 1 | 0 0 1 1 | 0 0 0 0 | 0 0 0 0 | ||||||||
| 0 to 1 0 to 3 0 to 10 0 to 30 | 0 1 0 1 | 0 0 1 1 | 1 1 1 1 | 0 0 0 0 | ||||||||
| 0 to 100 0 to 300 0 to 1000 0 to 3000 | 0 1 0 1 | 0 0 1 1 | 0 0 0 0 | 1 1 1 1 | ||||||||
| 0 to 10000 0 to 30000 0 to 100000 0 to 250000 | 0 1 0 1 | 0 0 1 1 | 1 1 1 1 | 1 1 1 1 | ||||||||
WARNING!
DO NOT OPEN THE UNIT OR ADJUST SWITCHES WITH THE POWER SUPPLY, INPUT OR OUTPUT CONNECTED
Please note that PC Software is available to provide information on switch settings for your input and output requirements.
4.2 Input types
Select the range from the table below and set Switch S1 to the required values.
| Input Type | Switch S1 | |||||||||||
| 1 | 2 | 3 | 4 | 5 | 6 | 7 | 8 | 9 | 10 | 11 | 12 | |
| TTL Logic 2 Wire Proximity Switch Contact NPN transistor PNP transistor Mag Pickup | 0 0 1 0 0 1 | 0 0 1 0 0 0 | 0 0 0 0 1 0 | 0 1 0 0 0 0 | 0 0 0 0 0 0 | 0 0 0 1 0 0 | 1 1 1 1 1 0 | 0 0 0 0 0 0 | ||||
The switching threshold can be adjusted to allow smaller signals to be picked up and counted. S1 switches 5 and 7 control this. The threshold voltage in the table below indicates the voltage level at input terminal 9 that the signal must exceed for it to be counted and the frequency calculated.
| 5 | 7 | Threshold |
| Off | On | 0.25 V |
| Off | Off | 4.00 V |
| On | On | 0.10 V |
| On | On | 2.08 V |
+8V transmitter supply is always available on input 10. Switch 8 will increase the transmitter supply to +24V.
WARNING!
DO NOT OPEN THE UNIT OR ADJUST SWITCHES WITH THE POWER SUPPLY, INPUT OR OUTPUT CONNECTED
Please note that PC Software is available to provide information on switch settings for your input and output requirements.
4.3 Averaging and Stepchange Adjustment
Averaging and step change are controlled by the pots situated next to S1:
4.4 Averaging
Fully counterclockwise: Averaging off
Fully clockwise: Averaging over 45 seconds approx.
Averaging is performed by storing a running total of the previous samples, adding the new sample value to this running total, then dividing by the total number of samples to get the average. The oldest sample is then subtracted from the running total. When a step change occurs, the running total is reset to 0, so that averaging can recommence at the new level.
The pot level must be set when the power is off. The pots are read at power up.
4.5 Stepchange
Fully anticlockwise : 0%
Fully clockwise: 100%
- At 0%, a step change will occur if the change in frequency is greater than 0% of the full scale. Since this is true for every change in frequency, step change will occur instantly, negating the effects of averaging.
- At 50%, a step change will occur if the change in frequency is greater than 50% of full scale.
- At 100%, a step change will occur if the change in frequency is greater than 100 % of full scale. Since this is impossible, step change is off when this pot is fully clockwise.
Example: 0 to 10,000 Hz input range, 50% step change, average over last 100 samples.
Input is 8,000 Hz and drops to 4,000 Hz. No step change will occur because the fall was 4,000Hz which is only 40% of the full scale, the new 4000 Hz value will be averaged into the current running total.
Example 2: 0 to 10,000Hz, 50% stepchange
Input 8,000Hz drops to 2500Hz. Stepchange occurs and output changes immediately. Averaging starts again at 2500 Hz
The pot level must be set when the power is off. The pots are read at power up.
4.6 Interaction
There is an interaction between step change and averaging. If the frequency changes by more than the step change value causing a step change, the number of samples the new frequency is averaged over will be reset to 0, causing a less averaged interpretation of the input frequency for a few seconds until enough new samples have been taken to average the current reading against.
If averaging is on and step change is at 0%, averaging will not work because the step change will happen every time the frequency changes, causing the values used to calculate the average to be reset each time.
4.7 Output Configuration
Select the range from the table below and set Switch S3 to the required values.

Examples:
| Switch S3 Examples | ||||||||||||
| 1 | 2 | 3 | 4 | 5 | 6 | 7 | 8 | 9 | 10 | 11 | 12 | |
| 4-20mA Source 0-20mA Source 0-10V 4-20mA Sink | 1 1 1 1 | 0 0 0 1 | 1 1 1 0 | 0 0 0 1 | 1 1 1 0 | 0 0 1 0 | 0 0 0 0 | 0 0 0 0 | 0 0 0 0 | 0 0 0 0 | 0 0 0 0 | 0 1 1 0 |
WARNING!
DO NOT OPEN THE UNIT OR ADJUST SWITCHES WITH THE POWER SUPPLY, INPUT OR OUTPUT CONNECTED
Please note that PC Software is available to provide information on switch settings for your input and output requirements.
CALIBRATING THE FREQCON
When the unit is shipped the FREQCON will be calibrated for the input and output types and ranges noted on the side label. If this label is blank, then the unit will be calibrated for 0-10kHz logic level input and 4-20mA source output.
If the unit is re-ranged by the user, it is necessary to re-calibrate the unit to obtain maximum accuracy. The calibration is achieved by using both switches on the front panel to select the zero or span input and then using the switches as raise/lower buttons to adjust the output to the value required.
The mode the unit is in is indicated by the color of the LED:
| Green | Normal Operation |
| Red | Span Adjust |
| Yellow | Zero Adjust |
The setting of the zero and span points is non-interactive, so each point needs only be set once. A typical calibration sequence would be as follows:
| LED Colour | Mode | Action |
| Green | Normal | Apply full-scale input. Press and release both buttons together to enter span mode |
| RED | Span Adjust | Press the raise / lower buttons to adjust the output value Press and release both buttons together to return to normal mode |
| Green | Normal | Apply zero-scale input Press and release both buttons together to enter zero mode |
| YELLOW | Zero Adjust | Press the raise / lower buttons to adjust the output value Press and release both buttons together to return to normal mode |
| Green | Normal | Use product |
The unit is now calibrated and ready for use.
Note: The unit will retain the new settings on power down.
INSTALLATION
The FREQCON input and output circuits are classed as Separated Extra Low Voltage (SELV). This means that they must not be externally connected to voltages exceeding 30V ac or 60V dc, nor do they generate voltages above these limits internally. Where a higher voltage input is required a specially designed DIVIDER unit can be used to condition the input signal before connection to the process input terminals.
The FREQCON unit clips directly onto the ‘Top Hat’ (TS35) symmetrical DIN rail. Ideally, the mounting orientation should be vertical, with the power supply situated on the top face to minimize temperature rise. Good airflow around the unit will maximize the reliability of the instrument.
The use of bootlace ferrules is recommended for wiring terminations.
Do not exceed the terminal torque rating of 0.4 Nm – use an appropriate screwdriver. The unit can be removed from the DIN rail by sliding a small screwdriver into the slot at the rear of the enclosure on the lower face and gently levering the metal clip, whilst lifting the unit from the rail.
TROUBLESHOOTING
The FREQCON has some built-in self-diagnostic functions. If the LED on the front panel is flashing, then the fault mode can be found by counting the number of flashes between gaps and using the table below to locate the problem.
| No of Flashes | Nature of Fault | Corrective Action |
| 0 (Green On) | Unit Working – no suspected fault | Check Wiring and switch settings |
| 2,3,4,5,6,8,9,10,11,12 green | Hardware Error, extreme noise, poor supply | Switch off the unit, check the switch settings, and wiring, and retry. If still faulty, please contact the supplier |
| 7 green | Frequency out-of-scale burnout | Reduce frequency |
| 3 or 4 Red | The span point is too close to the zero point | Change input span value and retry |
| 3 or 4 Yellow | Zero point is too close to the spawn point | Change input zero value and retry |
| No LED | Power Failure | Check supply lines and voltage |
7.1 Incorrect Reading
- Check that Unit is configured for the correct Sensor
- Check that Input Scaling is as required.
- Check that Linearisation has not been set incorrectly.
7.2 Sensor Failure
- Check that the sensor wiring is correct.
- Check that the FREQCON is configured for the correct sensor.
- Check that frequency is not out of range.
SPECIFICATIONS ( @ 25°C)
| Operating Temperature | 0 to 55 °C |
| Operating Altitude | Sea Level to 2000m |
| Humidity | 0-90% RH |
| Power Requirements | 12 to 36Vdc 12 to 32Vac |
| Current Consumption | 110mA @ 24Vdc (NPN O/C in, 20mA out) 109mA @ 24Vdc (TTL logic in, 20mA out) |
| Transmitter Power Supply | 8V or 22V to 29V @ up to 24mA Depending on the supply voltage and load |
| Calibration accuracy | ±0.01% full scale |
| Linearity | ±0.01% full scale |
| Temperature Stability | 27ppm / °C |
| Maximum Voltage Output | 11.5 V into a minimum of 7Kohm |
| Maximum Current Output | 23.0 mA into a maximum of 1Kohm |
| Time Response (90% of a step change) | 50ms ± 10ms |
| The unit has full 3 port Isolation to 1kV between Power Supply, Input, and Output. The unit can also withstand transients of 2.5kV for 50 µsecs. | |
| Dimensions | 114.5 mm x 99mm x 12.5mm (H x D x W) |
| Mounting | DIN Rail TS35 |
| Connections | Screw Clamp with pressure plate |
| Conductor Size | 0.5 to 4.0 mm |
| Insulation Stripping | 12 mm |
| Maximum Terminal Torque | 0.4 Nm |
| Weight | Approx. 95g |
| EMC Emissions | EN50081-1:1992 |
| EMC Immunity | EN50081-2:1993 |
| LVD Standards | EN50082-1:1997 |
| Installation Category (IEC 664) | EN61010-1:1993 |
| Pollution Degree (EN61010-1:1993) | II |
| Equipment Class (IEC 536) | II |
220808



















