DUALCON-3 Mains Powered Isolating Signal Converter
User Manual
DUALCON-3 Mains Powered Isolating Signal Converter
DUALCON-3 USER MANUAL
DUALCON-3
MAINS POWERED ISOLATING SIGNAL CONVERTER
Whilst every effort has been taken to ensure the accuracy of this document, we accept no responsibility for damage, injury, loss, or expense resulting from errors or omissions, and reserve the right of amendment without notice.
This document is issued by Industrial Interface Research Ltd and may not be reproduced in any way without the prior written permission of the company.
INTRODUCTION
1.1 Hardware Features
The DUALCON-3 is a universal input Isolating Signal Converter. It can accept virtually every type of analog input signal from millivolts to 40Vdc, mA, thermocouples, RTDs, etc. It also produces 3 types of analog output; voltage, mA source, or mA sink on either of 2 analog outputs. The unit can be powered by any AC voltage between 90 and 264Vac at 50 or 60Hz. For DC voltage the DUALCON-6 is available which can be powered from any supply from 16 to 36Vdc or 18 to 32Vac.
The instrument is packaged in a very compact 17.5mm wide enclosure which can be mounted on a standard TS35 DIN rail.
1.1.1 Isolation Details
The DUALCON-3 has full 3 port isolation of 1000V between the Input Stage, Output Stage 1, Output Stage 2, and Power Supply. The process input and output are double insulated internally from the power supply for safety reasons. Additionally, the process input and output are isolated from each other for functional reasons.
UNPACKING
The instrument should be carefully inspected for signs of damage that may have occurred in transit. In the unlikely case that damage has been sustained, DO NOT use the instrument, as the safety insulation may have been compromised, but please retain all packaging for our inspection and contact your supplier immediately.
The instrument comes with the following items as standard:
1 Dualcon-3 Isolating Signal Converter
1 Dualcon-3 User Guide
If the instrument has been factory configured the input and output details will be listed on the Serial number label on the side of the unit. If this label is blank then the unit will be set to its default configuration which is 4-20mA input and 2, 420mA source outputs. Please check that the details on the side label are correct, especially the power supply voltage and frequency.
If re-configuration is required please refer to Section 4 of this manual.
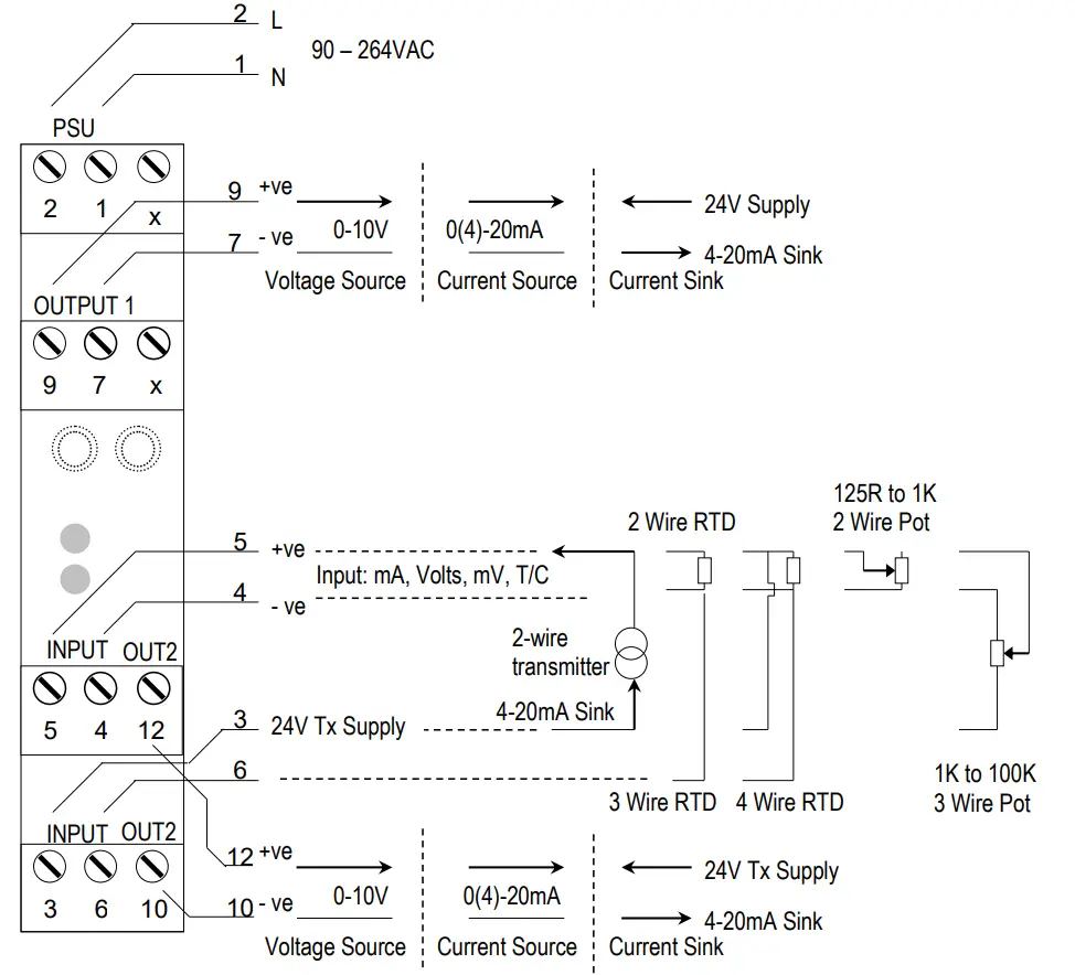
CONNECTIONS
The DUALCON is housed in a compact DIN rail mounting enclosure, with 12 terminals, arranged in 4 rows of 3 terminals. Two rows are at the top of the front panel and 2 rows are at the bottom. All the sensor input terminals are on the bottom rows together with the second analog output, and the power supply and first analog output are on the top terminals.
The diagram below shows how to connect all the different input, output, and power supply types.
CONFIGURING THE DUAL
WARNING
DO NOT OPEN THE UNIT OR ADJUST SWITCHES WITH THE POWER SUPPLY, INPUT OR OUTPUT CONNECTED
The DUALCON is an extremely versatile device that can support many different types of input. The unit is configured by turning the power off, selecting the internal switch settings required, and turning the power back on.
To open the DUALCON, 2 catches just below the outer terminal blocks must be pushed in gently, one at a time. The front of the case can then be pulled and the unit will come out of the box.
There are 4 switch banks, S1, S2, S3, and S4, located inside the DUALCON as shown below:
Switch S1 and S2 configure the input type and range and switch S3 and S4 configure the output types, ranges, and a few additional functions. The switch settings are explained in the next few pages. The diagrams refer to switch positions 0 and 1, with 0 being OFF and 1 being ON. This is illustrated in the picture above.
4.1.1 Voltage Input:
Select the range from the table below and set Switch S1 to the required values.
Then select the required setting from the table below for switch S2
WARNING!
DO NOT OPEN THE UNIT OR ADJUST SWITCHES WITH THE POWER SUPPLY, INPUT OR OUTPUT CONNECTED
Please note that PC Software is available to provide information on switch settings for your input and output requirements.
4.1.2 Current Input
Select the range from the table below and set Switch S1 to the required values.
Then select the required setting from the table below for switch S2
WARNING
DO NOT OPEN THE UNIT OR ADJUST SWITCHES WITH THE POWER SUPPLY, INPUT, OR OUTPUT CONNECTED
Please note that PC Software is available to provide information on switch settings for your input and output requirements.
4.1.3 Millivolt (mV) Input
Select the range from the table below and set Switch S1 to the required values.
And then select the required setting from the table below for switch S2
WARNING
DO NOT OPEN THE UNIT OR ADJUST SWITCHES WITH THE POWER SUPPLY, INPUT, OR OUTPUT CONNECTED
Please note that PC Software is available to provide information on switch settings for your input and output requirements.
4.1.4 Potentiometer Input
Select the range from the table below and set Switch S1 to the required values.
Then select the required setting from the table below for switch S2
WARNING
DO NOT OPEN THE UNIT OR ADJUST SWITCHES WITH THE POWER SUPPLY, INPUT, OR OUTPUT CONNECTED
Please note that PC Software is available to provide information on switch settings for your input and output requirements.
4.1.5 Thermocouple Input
Select the range from the table below and set Switch S1 to the required values.
Then select the required setting from the table below for switch S2
WARNING
DO NOT OPEN THE UNIT OR ADJUST SWITCHES WITH THE POWER SUPPLY, INPUT, OR OUTPUT CONNECTED
Please note that PC Software is available to provide information on switch settings for your input and output requirements.
4.1.6 RTD Input
Select the range from the table below and set Switch S1 to the required values.
And then select the required setting from the table below for switch S2
WARNING
DO NOT OPEN THE UNIT OR ADJUST SWITCHES WITH THE POWER SUPPLY, INPUT, OR OUTPUT CONNECTED
Please note that PC Software is available to provide information on switch settings for your input and output requirements.
4.1.7 Output Configuration
Select the range for Output 1 from the table below and set Switch S3 to the required values.
Examples:

WARNING
DO NOT OPEN THE UNIT OR ADJUST SWITCHES WITH THE POWER SUPPLY, INPUT OR OUTPUT CONNECTED
Please note that PC Software is available to provide information on switch settings for your input and output requirements.
CALIBRATING THE DUALCON
When the unit is shipped the DUALCON will be calibrated for the input and output types and ranges noted on the side label. If this label is blank then the unit will be calibrated for 4-20mA input and 2 x 4-20mA source outputs. If the unit is re-ranged by the user it is necessary to re-calibrate the unit to obtain the maximum accuracy. The calibration is achieved by using both switches on the front panel to select the zero or span to adjust mode and then using the switches as raise/lower buttons to adjust the output to the value required.
The mode the unit is in is indicated by the color of the LEDs for both channels:
Green – Normal Operation
Red-Span Adjust
Yellow – Zero Adjust
The setting of the zero and span points is non-interactive, so each point need only be set once. A typical calibration sequence would be as follows:
| LED CH1 | LED C112 | Mode | Action |
| Green | Green | Normal | Apply full-scale input. Press and release both buttons together to enter output 1 span mode |
| RED | Green | Output 1 Span Adjust | Press the raise / lower buttons to adjust the output 1 value. Press and release both buttons together to return to normal mode |
| Green | Green | Normal | Apply zero scale input Press and release both buttons together to enter output 1 zero mode |
| YELLOW | Green | Output 1 Zero Adjust | Press the raise / lower buttons to adjust the output value. Press and release both buttons together to return to normal mode |
| Green | Green | Normal | Apply full-scale input. Press and release both buttons together to enter output 2 span mode |
| Green | RED | Output 2 Span Adjust | Press the raise / lower buttons to adjust the output 2 value. Press and release both buttons together to return to normal mode |
| Green | Green | Normal | Apply zero-scale input Press and release both buttons together to enter output 2 zero mode |
| Green | YELLOW | Output 2 Zero Adjust | Press the raise / lower buttons to adjust the output 2 value. Press and release both buttons together to return to normal mode |
| Green | Green | Normal | Use product |
The unit is now calibrated and ready for use. Note: The unit will retain the new settings on power down.
When the unit is used to convert a thermocouple input it is important when calibrating to ensure that the thermocouple simulator employed is switched to automatic cold junction compensation and is at the same ambient temperature as the DUALCON. Note that this is not always easy to achieve, especially if the DUALCON is mounted in a warm cabinet. An alternative method is to use an ice point reference and an mV source.
INSTALLATION
The DUALCON’s input and output circuits are classed as Separated Extra Low Voltage (SELV). This means that they must not be externally connected to voltages exceeding 30V ac or 60V dc, nor do they generate voltages above these limits internally. Where a higher voltage input is required a specially designed DIVIDER unit can be used to condition the input signal before connection to the process input terminals.
The DUALCON unit clips directly onto the `Top Hat’ (TS35) symmetrical DIN rail. Ideally, the mounting orientation should be vertical, with the power supply situated on the top face to minimize temperature rise. Good airflow around the unit will maximize the reliability of the instrument.
The use of bootlace ferrules is recommended for wiring terminations. Do not exceed the terminal torque rating of 0.4 Nm use an appropriate screwdriver. The unit can be removed from the DIN rail by sliding a small screwdriver into the slot at the rear of the enclosure on the lower face and gently levering the metal clip, whilst lifting the unit from the rail.
Although the unit is protected by a non-resettable internal fuse, the following provisions must be made in the installation:
An anti-surge fuse with a voltage rating of 250V ac and a breaking capacity of 35A at 250V ac shall be wired in series with the supply live conductor (terminal 2). For 230V supplies, T63mA should be used and for 115V supplies, T125mA should be used. An appropriately marked or labeled switch or circuit breaker meeting the requirements of IEC947-1 and IEC947-3 shall be included in the supply installation near the equipment, within easy reach of the operator. The supply neutral (terminal 1) should be connected to the main supply neutral.
TROUBLESHOOTING
The DUALCON has some built-in self-diagnostic functions. If the LEDs on the front panel are flashing then the fault mode can be found by counting the number of flashes between gaps and using the table below to locate the problem. NOTE: Even if the LED is not lit, mains voltages could still be present ALWAYS isolate the mains supply before removing or examining the unit.
| No of Flashes | Nature of Fault | Corrective Action |
| 0 (Green On) | Unit working — no suspected fault | Check wiring and switch settings |
| 2,3,4,5,6,8,9, 10,11,12 green | Hardware error, extreme noise, poor supply | Switch off the unit, check switch settings, and wiring, and retry. If still faulty please contact the supplier |
| 7 green | RTD / Thermocouple burnout | Repair RTD, T/C, or wiring |
| 3 or 4 Red | The span point is too close to the zero point | Change input span value and retry |
| 3 or 4 Yellow | Zero point is too close to spawn point | Change input zero value and retry |
| No LED | Power Failure | Check supply lines and voltage |
7.1 Incorrect Reading
- Check that Unit is configured for the correct Sensor
- Check that Input Scaling is as required.
- Check that Linearisation has not been set incorrectly.
- Check that Thermocouples have correct compensation cables and polarity.
- Check that RTD is set for the correct option 2, 3, or 4 Wire.
- Check that RTD leads are connected to appropriate terminal pins.
7.2 Sensor Failure
- Check that the sensor wiring is correct.
- Check Thermocouple polarity.
- Check that all RTD leads are connected to the correct terminals.
- Check that the DUALCON is configured for the correct sensor.
- Check that the applied voltage is not out of range.
- Check that the applied current is not out of range.
- Check that the applied millivoltage is not out of range.
SPECIFICATIONS ( @ 25°C)
| Operating Temperature | 0 to 55 °C (Storage: -40 to +100°C) |
| Operating Altitude | Sea Level to 2000m |
| Humidity | 0-90% RH |
| Power Requirements AC Supply | 90 to 264Vac 50 or 60Hz |
| VA Rating | 2.6VA ±10% typ (20mA in & out) 4.7VA ±10% (maximum load) |
| Transmitter Power Supply | 21V to 28V @ up to 24mA Depending on the supply voltage and load |
| Calibration accuracy | ±0.05% full scale |
| Linearity | ±0.05% full scale |
| Temperature Stability | 50ppm / °C |
| Input Impedance: | |
| Current Input | 15 ohms |
| Voltage Input | 1 Mohm |
| Millivolt Input | Greater Than 10 Mohm |
| Thermocouple Burn Out Current: | 500nA Nominal |
| Cold junction compensation accuracy | ±0.5°C over the operating range |
| Maximum Voltage Output | 11.5 V into a minimum of 7Kohm |
| Maximum Current Output | 23.0 mA into a maximum of 1Kohm |
| Time Response (90% of a step change) | 50ms ±10ms |
| The unit has full 3 port Isolation to 1kV between Power Supply, Input, and Output. The unit can also withstand transients of 2.5kV for 50 µsecs. | |
| Dimensions | 114.5 mm x 99mm x 17.5mm (H x D x W) |
| Mounting | DIN Rail TS35 |
| Connections | Screw Clamp with pressure plate |
| Conductor Size | 0.5 to 4.0 mm |
| Insulation Stripping | 12 mm |
| Maximum Terminal Torque | 0.4 Nm |
| Weight | Approx. 115g |
| EMC Emissions | EN50081-2:1993 |
| EMC Immunity | EN61000-6-2:1999 |
| EMC, Voltage Fluctuations | EN61000-3-2:1995 CLASS A, EN61000-3-3:1995 |
| LVD Standards | EN61010-1:1993 |
| Installation Category (IEC 664) | II |
| Pollution Degree (EN61010-1:1993) | 2 |
| Equipment Class (IEC 536) | II |



















