Sensata ISOCON-3 Mains Powered Isolating Signal Converter

INTRODUCTION
Hardware Features
The ISOCON-3 is a universal input Isolating Signal Converter. It can accept virtually every type of analog input signal from millivolts to 40Vdc, mA, thermocouples, RTD’s, etc. It also produces 3 types of analog output; voltage, mA source, or mA sink. The unit can be powered by any AC voltage between 90 and 264Vac at 50 or 60Hz. For DC voltage the ISOCON-6 is available which can be powered from any supply from 12 to 36Vdc and 12 to 32Vac.
The instrument is packaged in a very compact 12.5mm wide enclosure which can be mounted on a standard TS35 DIN rail.
The unit can also be equipped with 1 digital output which can be either a relay or an open collector output, or a second analog output (see DUALCON-3). Note, units with the above options are housed in a 17.5mm wide box.
Isolation Details
The ISOCON-3 has full 3 port isolation of 1000V between the Input Stage, Output Stage, and Power Supply. The process input and output are double insulated internally from the power supply for safety reasons. Additionally, the process input and output are isolated from each other for functional reasons.
UNPACKING
The instrument should be carefully inspected for signs of damage that may have occurred in transit. In the unlikely case that damage has been sustained, DO NOT use the instrument, as the safety insulation may have been compromised, but please retain all packaging for our inspection and contact your supplier immediately.
The instrument comes with the following items as standard:
- 1 ISOCON-3 Isolating Signal Converter
- 1 ISOCON-3 User Guide
If the instrument has been factory configured the input and output details will be listed on the Serial number label on the side of the unit. If this label is blank then the unit will be set to its default configuration which is 4-20mA input and 4-20mA source output. Please check that the details on the side label are correct, especially the power supply voltage and frequency.
If re-configuration is required please refer to Section 4 of this manual.
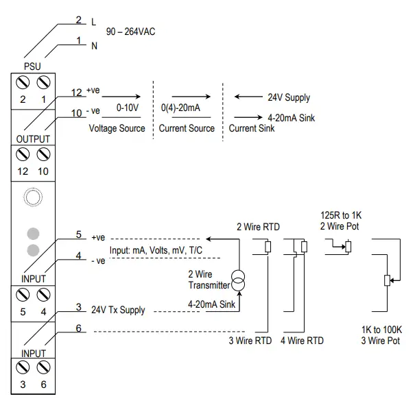
CONNECTIONS
The ISOCON is housed in a compact DIN rail mounting enclosure, with 8 terminals, arranged in 4 rows of 2 terminals. Two rows are at the top of the front panel and 2 rows are at the bottom. All the sensor input terminals are on the bottom rows and the power supply and analog outputs are on the top terminals.
The diagram below shows how to connect all the different input, output, and power supply types.
CONFIGURING THE ISKCON
WARNING
DO NOT OPEN UNIT OR ADJUST SWITCHES WITH POWER SUPPLY, INPUT OR OUTPUT CONNECTED
The ISOCON is an extremely versatile device that can support many different types of input. The unit is configured by turning the power off, selecting the internal switch settings required, and turning the power back on.
To open the ISOCON, 2 catches just below the outer terminal blocks must be pushed in gently, one at a time. The front of the case can then be pulled and the unit will come out of the box.
There are 3 switch banks, S1, S2, and S3, located inside the ISOCON as shown below:
Switch S1 and S2 configure the input type and range, and switch S3 configure the output type, range, and a few additional functions. The switch settings are explained in the next few pages. The diagrams refer to switch positions 0 and 1, with 0 being OFF and 1 being ON. This is illustrated in the picture above.
ISOCON-3 USERS GUIDE
Voltage Input
Select the range from the table below and set Switch S1 to the required values.
Then select the required setting from the table below for switch S2
WARNING
DO NOT OPEN UNIT OR ADJUST SWITCHES WITH POWER SUPPLY, INPUT OR OUTPUT CONNECTED
Please note that PC Software is available to provide information on switch settings for your input and output requirements.
Current Input
Select the range from the table below and set Switch S1 to the required values.
Then select the required setting from the table below for switch S2
WARNING
DO NOT OPEN UNIT OR ADJUST SWITCHES WITH POWER SUPPLY, INPUT OR OUTPUT CONNECTED
Please note that PC Software is available to provide information on switch settings for your input and output requirements.
Millivolt (mV) Input
Select the range from the table below and set Switch S1 to the required values.
And then select the required setting from the table below for switch S2
WARNING
DO NOT OPEN UNIT OR ADJUST SWITCHES WITH POWER SUPPLY, INPUT OR OUTPUT CONNECTED
Please note that PC Software is available to provide information on switch settings for your input and output requirements.
Potentiometer Input
Select the range from the table below and set Switch S1 to the required values
Then select the required setting from the table below for switch S2
WARNING
DO NOT OPEN UNIT OR ADJUST SWITCHES WITH POWER SUPPLY, INPUT OR OUTPUT CONNECTED
Please note that PC Software is available to provide information on switch settings for your input and output requirements.
Thermocouple Input
Select the range from the table below and set Switch S1 to the required values.
Then set switch S2 to the setting shown in the table below.
WARNING
DO NOT OPEN UNIT OR ADJUST SWITCHES WITH POWER SUPPLY, INPUT OR OUTPUT CONNECTED
Please note that PC Software is available to provide information on switch settings for your input and output requirements.
RTD Input
Select the range from the table below and set Switch S1 to the required values.
And then select the required setting from the table below for switch S2
WARNING
DO NOT OPEN UNIT OR ADJUST SWITCHES WITH POWER SUPPLY, INPUT OR OUTPUT CONNECTED
Please note that PC Software is available to provide information on switch settings for your input and output requirements.
Output Configuration
Select the range from the table below and set Switch S3 to the required values.
Examples
WARNING
DO NOT OPEN UNIT OR ADJUST SWITCHES WITH POWER SUPPLY, INPUT OR OUTPUT CONNECTED
Please note that PC Software is available to provide information on switch settings for your input and output requirements.
CALIBRATING THE ISOCON
When the unit is shipped the ISOCON will be calibrated for the input and output types and ranges noted on the side label. If this label is blank then the unit will be calibrated for 4-20mA input and 4-20mA source output.
If the unit is re-ranged by the user it is necessary to re-calibrate the unit to obtain the maximum accuracy. The calibration is achieved by using both switches on the front panel to select the zero or span input and then using the switches as raise/lower buttons to adjust the output to the value required.
The mode the unit is in is indicated by the color of the LED:
- Green – Normal Operation
- Red – Span Adjust
- Yellow – Zero Adjust
The setting of the zero and span points is non-interactive, so each point need only be set once. A typical calibration sequence would be as follows:
| LED Colour | Mode | Action |
| Green | Normal | Apply full-scale input. Press and release both buttons together to enter span mode |
| RED | Span Adjust | Press the raise / lower buttons to adjust the output value Press and release both buttons together to return to normal mode |
| Green | Normal | Apply zero scale input Press and release both buttons together to enter zero mode |
| YELLOW | Zero Adjust | Press the raise / lower buttons to adjust the output value Press and release both buttons together to return to normal mode |
| Green | Normal | Use product |
- The unit is now calibrated and ready for use.
- Note: The unit will retain the new settings on power down.
When the unit is used to convert a thermocouple input it is important when calibrating to ensure that the thermocouple simulator employed is switched to automatic cold junction compensation and is at the same ambient temperature as the ISOCON. Note that this is not always easy to achieve, especially if the ISOCON is mounted in a warm cabinet. An alternative method is to use an ice-point reference and a mV source.
INSTALLATION
The ISOCON’s input and output circuits are classed as Separated Extra Low Voltage (SELV). This means that they must not be externally connected to voltages exceeding 30V ac or 60V dc, nor do they generate voltages above these limits internally. Where a higher voltage input is required a specially designed DIVIDER unit can be used to condition the input signal before connection to the process input terminals.
The ISOCON unit clips directly onto the ‘Top Hat’ (TS35) symmetrical DIN rail. Ideally, mounting orientation should be vertical, with the power supply situated on the top face to minimize temperature rise. Good airflow around the unit will maximize the reliability of the instrument.
The use of bootlace ferrules is recommended for wiring terminations.
Do not exceed the terminal torque rating of 0.4 Nm – use an appropriate screwdriver. The unit can be removed from the DIN rail by sliding a small screwdriver into the slot at the rear of the enclosure on the lower face and gently levering the metal clip, whilst lifting the unit from the rail.
Although the unit is protected by a non-resettable internal fuse, the following provisions must be made in the installation:
An anti-surge fuse with a voltage rating of 250V ac and a breaking capacity of 35A at 250V ac shall be wired in series with the supply live conductor (terminal 2). For 230V supplies, T32mA should be used and for 115V supplies, T63mA should be used. An appropriately marked or labeled switch or circuit breaker meeting the requirements of IEC947-1 and IEC947-3 shall be included in the supply installation near the equipment, within easy reach of the operator. The supply neutral (terminal 1) should be connected to the main supply neutral.
TROUBLESHOOTING
The ISOCON has some built-in self-diagnostic functions. If the LED on the front panel is flashing then the fault mode can be found by counting the number of flashes between gaps and using the table below to locate the problem.
NOTE: Even if the LED is not lit, mains voltages could still be present – ALWAYS isolate the mains supply before removing or examining the unit.

Incorrect Reading
- Check that Unit is configured for the correct Sensor
- Check that Input Scaling is as required.
- Check that Linearisation has not been set incorrectly.
- Check that Thermocouples have correct compensation cables and polarity.
- Check that RTD is set for correct option 2, 3, or 4 Wire.
- Check that RTD leads are connected to appropriate terminal pins.
Sensor Failure
- Check that sensor wiring is correct.
- Check Thermocouple polarity.
- Check that all RTD leads are connected to the correct terminals.
- Check that the ISOCON is configured for the correct sensor.
- Check that the applied voltage is not out of range.
- Check that the applied current is not out of range.
- Check that the applied millivoltage is not out of range.
SPECIFICATIONS ( @ 25°C)
- Operating Temperature: 0 to 55 °C (Storage: –40 to +100°C)
- Operating Altitude: Sea Level to 2000m
- Humidity: 0-90% RH
- Power Requirements AC Supply: 90 to 264Vac 50 or 60Hz
- VA Rating: 1.6VA ±10% typ (20mA in & out)
- 2.8VA ±10% (maximum load, tx supply)
- Transmitter Power Supply: 21V to 28V @ up to 24mA
- Depending on supply voltage and load
- Calibration accuracy: ±0.05% full scale
- Linearity: ±0.05% full scale
- Temperature Stability: 50ppm / °C
- Input Impedance:
- Current Input: 15 ohms
- Voltage Input: 1 Mohm
- Millivolt Input: Greater Than 10 Mohm
- Thermocouple Burn Out Current: 500nA Nominal
- Cold junction compensation accuracy: ±0.5°C over operating range
- Maximum Voltage Output: 11.5 V into a minimum of 7Kohm
- Maximum Current Output: 23.0 mA into a maximum of 1Kohm
- Time Response (90% of a step change): 50ms ± 10ms
The unit has full 3 port Isolation to 1kV between Power Supply, Input, and Output. The unit can also withstand transients of 2.5kV for 50 μsecs.
- Dimensions: 114.5 mm x 99mm x 12.5mm (HxDxW)
- Mounting: DIN Rail TS35
- Connections: Screw Clamp with pressure plate
- Conductor Size: 0.5 to 4.0 mm
- Insulation Stripping: 12 mm
- Maximum Terminal Torque: 0.4 Nm
- Weight Approx: 95g
- EMC Emissions
- EN50081-2:1993
- EMC Immunity
- EN61000-6-2:1999
- EMC, Voltage Fluctuations
- EN61000-3-2:1995 CLASS A
- EN61000-3-3:1995
- LVD Standards: EN61010-1:1993
- Installation Category (IEC 664): II
- Pollution Degree (EN61010-1:1993): 2
- Equipment Class (IEC 536): II





















