HART Transmitter Power Supply, Input Isolator
LB3002A2
LB3002A2 HART Transmitter Power Supply Input Isolator
- 1-channel
- Power supply for 2- or 3-wire transmitters with 4 mA … 20 mA
- Installation in Zone 2 or safe area
- Supply circuit 15 V (20 mA)
- Input from active signals of 4-wire transmitters
- HART communication via field bus or service bus
- HART communication also for separately powered devices
- Simulation mode for service operations (forcing)
- Line fault detection (LFD) and Live Zero monitoring
- Permanently self-monitoring
- Module can be exchanged under voltage
![]()
Function
The transmitter power supply feeds 2- and 3-wire transmitters.
Active signals from separately powered field devices and 4-wire transmitters can be connected.
Open circuit, short circuit, and Live Zero status are detected.
The input is galvanically isolated from the bus and the power supply.
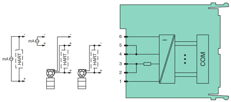
Connection

Zone 2
Technical Data
| Slots | |
| Occupied slots | 1 |
| Supply | |
| Connection | backplane bus |
| Rated voltage Ur | 12 V DC , only in connection with the power supplies LB9*** |
| Power dissipation | 0.75 W |
| Power consumption | 1.1 W |
| Internal bus | |
| Connection | backplane bus |
| Interface | manufacturer-specific bus to standard com unit |
| Analog input | |
| Number of channels | 1 |
| Suitable field devices | |
| Field device | pressure converter |
| Field device [2] | flow converter |
| Field device [3] | level converter |
| Field device [4] | Temperature Converter |
| Field device interface | |
| Connection | 2-wire transmitter |
| Connection [2] | 3-wire transmitter |
| Connection [3] | 4-wire transmitter |
| Connection | 2-wire transmitter (HART): supply circuit: 2/3+, 4/53-wire transmitter (HART): supply circuit: 2/3+, 6measuring circuit: 4/5+, 64-wire transmitter (separately powered): measuring circuit: 4/5+, 6HART measuring circuit: 1+, 6- |
| Transmitter supply voltage | min. 15 V at 20 mA ; 21.5 V at 4 mA |
| Input resistance | 15 Ω (terminals 5, 6) <P></P> 236 Ω (terminals 1, 6) HART |
| Line fault detection | can be switched on/off for each channel via configuration tool , configurable via configuration tool |
| Short-circuit | factory setting: > 22 mA configurable between 0 … 26 mA |
| Open-circuit | factory setting: < 1 mA configurable between 0 … 26 mA |
| HART communication | yes |
| HART secondary variable | yes |
| Transfer characteristics | |
| Deviation | |
| After calibration | 0.1 % of the signal range at 20 °C (68 °F) |
| Influence of ambient temperature | 0.1 %/10 K of the signal range |
| Resolution | 12 Bit (0 … 26 mA) |
| Refresh time | 100 ms |
| Indicators/settings | |
| LED indication | Power LED (P) green: supply Diagnostic LED (I) red: module fault , red flashing: communication error , white: fixed parameter set (parameters from com unit are ignored) , white flashing: requests parameters from com unit Status LED (1) red: line fault (lead breakage or short circuit) Status LED (2) yellow: Live Zero monitoring |
| Coding | optional mechanical coding via front socket |
| Directive conformity | |
| Electromagnetic compatibility | |
| Directive 2014/30/EU | EN 61326-1:2013 |
| Conformity | |
| Electromagnetic compatibility | NE 21:2007 |
| Degree of protection | IEC 60529:2000 |
| Environmental test | EN 60068-2-14:2009 |
| Shock resistance | EN 60068-2-27:2009 |
| Vibration resistance | EN 60068-2-6:2008 |
| Damaging gas | EN 60068-2-42:2003 |
| Relative humidity | EN 60068-2-78:2001 |
| Ambient conditions | |
| Ambient temperature | -40 … 60 °C (-40 … 140 °F) , 70 °C (non-Ex) |
| Storage temperature | -40 … 85 °C (-40 … 185 °F) |
| Relative humidity | 95 % non-condensing |
| Shock resistance | shock type I, shock duration 11 ms, shock amplitude 15 g, number of shocks 18 |
| Vibration resistance | frequency range 10 … 150 Hz; transition frequency: 57.56 Hz, amplitude/acceleration ± 0.075 mm/1 g; 10 cycles frequency range 5 … 100 Hz; transition frequency: 13.2 Hz amplitude/acceleration ± 1 mm/0.7 g; 90 minutes at each resonance |
| Damaging gas | designed for operation in environmental conditions acc. to ISA-S71.04-1985, severity level G3 |
| Mechanical specifications | |
| Degree of protection | IP20 when mounted on backplane |
| Connection | removable front connector with screw flange (accessory) wiring connection via spring terminals (0.14 … 1.5 mm 2 ) or screw terminals (0.08 … 1.5 mm 2 ) |
| Mass | approx. 90 g |
| Dimensions | 16 x 100 x 102 mm (0.63 x 3.9 x 4 inch) |
| Data for application in connection with hazardous areas | |
| Certificate | BVS 13 ATEX E 038 X |
| Marking | 1 II 3 G Ex nA [ic] IIC T4 Gc |
| Galvanic isolation | |
| Input/power supply, internal bus | safe electrical isolation acc. to EN 60079-11, voltage peak value 375 V |
| Directive conformity | |
| Directive 2014/34/EU | EN IEC 60079-0:2018+AC:2020 EN 60079-11:2012 EN 60079-15:2010 |
| International approvals | |
| ATEX approval | BVS 13 ATEX E 038X |
| IECEx approval | BVS 13.0043X |
| Approved for | Ex nA [ic] IIC T4 Gc |
| General information | |
| System information | The module has to be mounted in appropriate backplanes (LB9***) in Zone 2 or outside hazardous areas. Here, observe the corresponding declaration of conformity. For use in hazardous areas (e. g. Zone 2 or Zone 22) the module must be installed in an appropriate enclosure. |
| Supplementary information | EC-Type Examination Certificate, Statement of Conformity, Declaration of Conformity, Attestation of Conformity and instructions have to be observed where applicable. For information see www.pepperl-fuchs.com. |
Assembly
Front view

Refer to “General Notes Relating to Pepperl+Fuchs Product Information”.
| Pepperl+Fuchs Group www.pepperl-fuchs.com | USA: +1 330 486 0002 [email protected] |
| Germany: +49 621 776 2222 [email protected] | Singapore: +65 6779 9091 [email protected] |
Release date: 2021-12-01 Date of issue:
2021-12-01 Filename: 254699_eng.pdf



















