
Owner’s Manual

Digital Input
FB1208B
![]()
FB1208B Digital Input
- 8-channel
- Inputs Ex ia
- Installation in suitable enclosures in Zone 1
- Module can be exchanged under voltage (hot swap)
- Dry contact or NAMUR inputs
- Positive or negative logic selectable
- Simulation mode for service operations (forcing)
- Line fault detection (LFD)
- Permanently self-monitoring
- On/Off delay
Function
The device accepts digital input signals of NAMUR sensors or mechanical contacts from the hazardous area.
Open or short circuit line fault alarms are detected.
The inputs are galvanically isolated from the bus and the power supply (EN 60079-11).
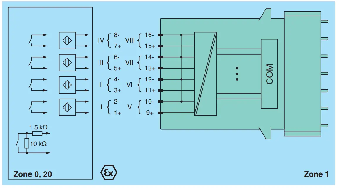
Connection

Technical Data
| Slots | |
| Occupied slots | 2 |
| Supply | |
| Connection | backplane bus |
| Rated voltage | Ur 12 V DC , only in connection with the power supplies FB92** |
| Power dissipation | 0.95 W |
| Power consumption | 0.95 W |
| Internal bus | |
| Connection | backplane bus |
| Interface | manufacturer-specific bus to standard com unit |
| Digital input | |
| Number of channels | 8 |
Technical Data
| Sensor interface | |
| Connection | NAMUR sensor |
| Connection [2] | volt-free contact |
| Connection | channel I: 1+, 2-; channel II: 3+, 4-; channel III: 5+, 6-; channel IV: 7+, 8-; channel V: 9+, 10-; channel VI: 11+, 12-; channel VII: 13+, 14-; channel VIII: 15+, 16- |
| Rated values | acc. to EN 60947-5-6 (NAMUR) |
| Switching point/switching | 1.2 … 2.1 mA / ± 0.2 mA |
| Internal resistor | Ri 1 kΩ |
| Line fault detection | can be switched on/off for each channel via configuration tool |
| Connection | mechanical switch with additional resistors (see connection diagram) proximity switches without additional wiring |
| Short-circuit | < 360 Ω |
| Open-circuit | < 0.35 mA |
| Minimum pulse duration | 1 ms |
| Indicators/settings | |
| LED indication | LED green: supply LED red: line fault |
| Coding | optional mechanical coding via front socket |
| Directive conformity | |
| Electromagnetic compatibility | |
| Directive 2014/30/EU | EN 61326-1:2013 |
| Conformity | |
| Electromagnetic compatibility | NE 21 |
| Degree of protection | IEC 60529 |
| Environmental test | EN 60068-2-14 |
| Shock resistance | EN 60068-2-27 |
| Vibration resistance | EN 60068-2-6 |
| Damaging gas | EN 60068-2-42 |
| Relative humidity | EN 60068-2-78 |
| Ambient conditions | |
| Ambient temperature | -20 … 60 °C (-4 … 140 °F) |
| Storage temperature | -25 … 85 °C (-13 … 185 °F) |
| Relative humidity | 95 % non-condensing |
| Shock resistance | shock type I, shock duration 11 ms, shock amplitude 15 g, number of shocks 18 |
| Vibration resistance | frequency range 10 … 150 Hz; transition frequency: 57.56 Hz, amplitude/acceleration ± 0.075 mm/1 g; 10 cycles frequency range 5 … 100 Hz; transition frequency: 13.2 Hz amplitude/acceleration ± 1 mm/0.7 g; 90 minutes at each resonance |
| Damaging gas | designed for operation in environmental conditions acc. to ISA-S71.04-1985, severity level G3 |
| Mechanical specifications | |
| Degree of protection | IP20 (module) , a separate housing is required acc. to the system description |
| Connection | removable front connector with screw flange (accessory) wiring connection via spring terminals (0.14 … 1.5 mm2) or screw terminals (0.08 … 1.5 mm2) |
| Mass | approx. 750 g |
| Dimensions | 57 x 107 x 132 mm (2.2 x 4.2 x 5.2 inch) |
| Data for application in connection with hazardous areas | |
| EU-type examination certificate | PTB 97 ATEX 1074 U |
| Marking | |
| Input | |
| Voltage | Uo 15.3 V |
| Current | Io 16.1 mA |
| Power | Po 61.8 mW (linear characteristic) |
| Galvanic isolation | |
| Input/power supply, internal bus | safe electrical isolation acc. to EN 60079-11, voltage peak value 375 V |
| Directive conformity | |
| Directive 2014/34/EU | EN IEC 60079-0:2018+AC:2020 EN 60079-1:2014 EN 60079-11:2012 |
| International approvals | |
| ATEX approval | PTB 97 ATEX 1075 ; PTB 97 ATEX 1074 U |
| General information | |
| System information | The module has to be mounted in appropriate backplanes and housings (FB92**) in Zone 1, 2, 21, 22 or outside hazardous areas (gas or dust). Here, observe the corresponding EC-type examination certificate. |
| Supplementary information | EC-Type Examination Certificate, Statement of Conformity, Declaration of Conformity, Attestation of Conformity and instructions have to be observed where applicable. For information see www.pepperl-fuchs.com. |
Assembly
Front view

Accessories
| FB9224* | Field Unit |
| FB9225* | Redundancy Field Unit |
| FB9248* | Field Unit |

Refer to “General Notes Relating to Pepperl+Fuchs Product Information”.
Pepperl+Fuchs Group
www.pepperl-fuchs.com
USA: +1 330 486 0002
[email protected]
Germany: +49 621 776 2222
[email protected]
Singapore: +65 6779 9091
[email protected]


















