AIPULNION
AC / DC Converter
User Guide

Typical Features
- Wide input voltage range:85-265VAC/120-380VDC
- No-load power consumption≤0.2W
- Transfer efficiency:86%(typ.)
- Switching frequency: 65KHz(typ.)
- Protection: Short Circuit, Over Current, Over Voltage
- Isolation voltage: 3000VAC
- Safety Class:CLASS II
Application Field
FA15-220SXXY2—a compact size, high efficient power converter offered by Aipu.
It features universal input voltage, DC and AC dual-use, low ripple, low temperature rise, low power consumption,
high efficiency, high reliability, safer isolation. It widely used in industrial, office power and home applications.
Typical Product List

Note:
- Due to space limitations, above is only a part of our product list, please contact our sales team for more items.
- Due to the instrument deviation of the test equipment, the minimum efficiency is -2% of the typical value .
- The typical output efficiency is based on that product is full loaded and burned-in after half an hour.
Input Specification



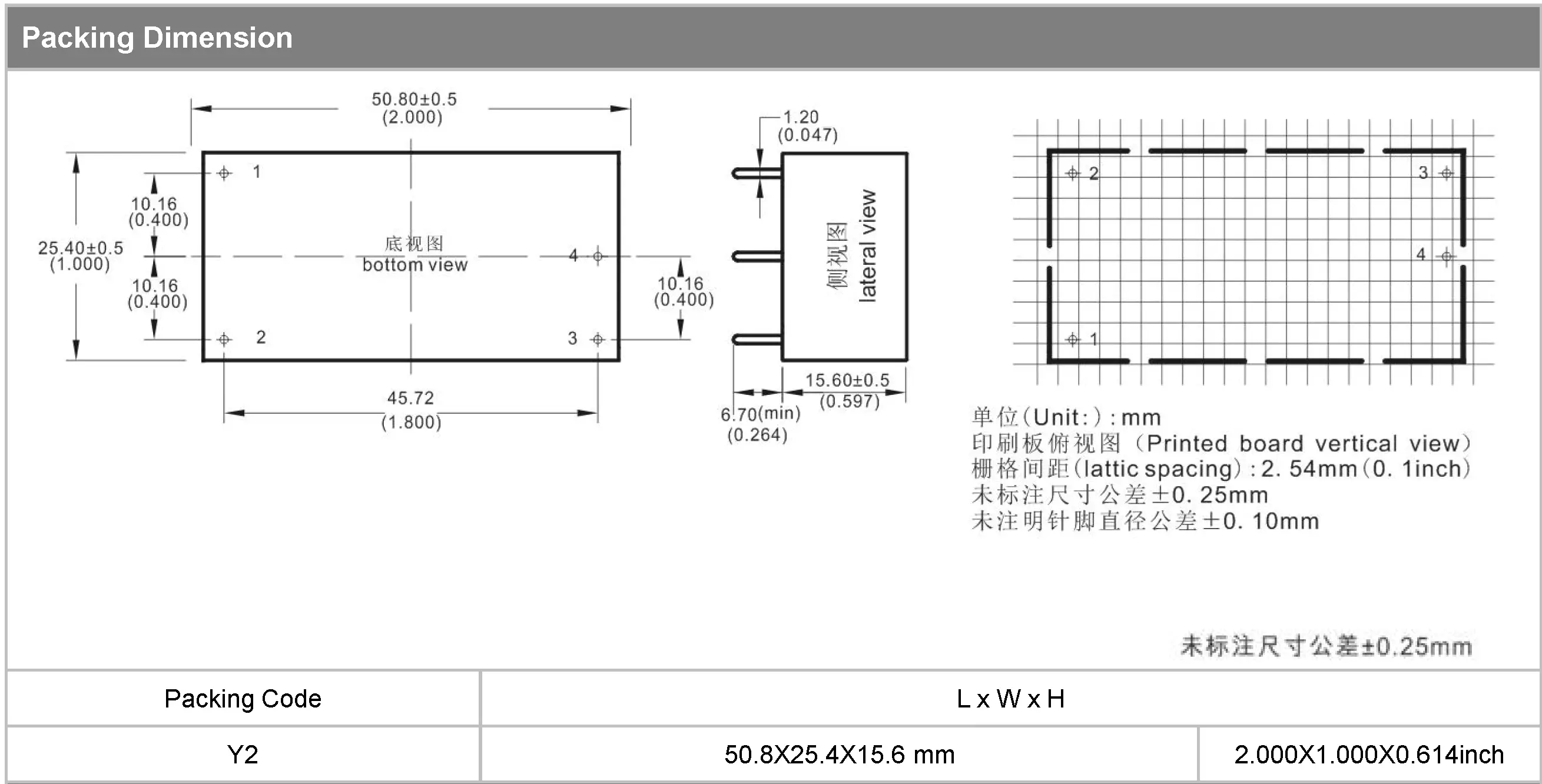
Packing Dimension

Pin Definition

Note: If the definition of pin is not in accordance with the model selection manual, please refer to the label on actual item.
Ripple& Noise Test: (Twisted Pair Method 20MHZ bandwidth)
Test Method:
- 12# twisted pair to connect, Oscilloscope bandwidth set as 20MHz, 100M bandwidth probe, terminated with 0.1uF polypropylene capacitor and 10uF high frequency low resistance electrolytic capacitor in parallel, oscilloscope set as Sample pattern.
- Input terminal connect to power supply, output terminal connect to electronic load through jig plate, Use 30cm±2 cm sampling line. Power line selected from corresponding diameter wire with insulation according to the flow of output current.

Product Characteristic Curve

Note:
- Input Voltage should be derated base on Input Voltage Derating Curve when it is 85~100VAC/ 240~265VAC/ 120~140VDC/ 340~380VDC.
- Our product is suitable to use under natural air cooling environment, if use it under closed condition, please contact with us.
Application Design Referenced

Note:
- FUSE: necessary, suggest 1A/300V, slow fusing;
- NTC1 is thermistors, suggest model: 5D-11, to prevent the module from damage when lightning surge.
- MOV is piezoresistance, suggest model: 14D561K,to prevent the module from damage when lightning surge.
- CX1 is X capacitor, suggest model: 0.22uF,250V;
- LF1 is common mode inductance, suggested value above 3mH; TVS1 is to protect the post-stage circuit when the module is abnormal ,recommended 600W type.
- 5V output recommend: SMBJ7.0A,
- 9V output recommend: SMBJ12.0A,
- 12V output recommend: SMBJ20A,
- 15V output recommend : SMBJ20.0A,
- 24V output recommend: SMBJ30.0A,
- 48V output recommend: SMBJ64A
Note :
- The product should be used under the specification range, otherwise it will cause permanent damage to it.
- Product’s input terminal should connect to fuse;
- If the product is not worked under the load range(below the minimum load or beyond the load range), we cannot ensure that the performance of product is in accordance with all the indexes in this manual;
- Unless otherwise specified, data in this datasheet are tested under conditions of Ta=25℃, humidity<75% when inputting nominal voltage and outputting rated load(pure resistance load);
- All index testing methods in this datasheet are based on our Company’s corporate standards
- The performance indexes of the product models listed in this manual are as above, but some indexes of non-standard model products will exceed the above-mentioned requirements, please directly contact our technician for specific information;
- We can provide customized product service;
Guangzhou Aipu Electron Technology Co., Ltd
Add: B Building ,No.4 Courtyard, Qixing Gang, Shiliu Gang, Haizhu Dis, GZ,CN
Email: [email protected]
Tel: 86-20-84206763
Fax: 86-20-84206762
HOTLINE: 400-811-8032
Website: http://en.aipulnion.com/
Guangzhou Aipu Electron Technology Co., Ltd reserves the copyright and right of final interpretation.
Versions: A/0 Date:2019-01-24 Page 1 of 6
















