Sensata IWT-128 Series 24V AC or DC IWT Transmitter And Bus Co-Ordinator with 128 Channels

IWT-128 Series
24V AC or DC POWERED IWT TRANSMITTER AND BUS CO-ORDINATOR with 128 channels

Whilst every effort has been taken to ensure the accuracy of this document, we accept no responsibility for damage, injury, loss, or expense resulting from errors or omissions, and reserve the right of amendment without notice.
Information for users
This equipment has been tested and found to comply with the limits for a Class B device, pursuant to part 15 of the FCC Rules. These limits are designed to provide reasonable protection against harmful interference in a residential installation. This equipment generates uses and can radiate radio frequency energy, and if not installed and used in accordance with the instructions, may cause harmful interference to radio communications. However, there is no guarantee that interference will not occur in a particular installation. If this equipment does cause harmful interference to radio or television reception, which can be determined by turning the equipment off and on, the user is encouraged to try to correct the interference by one or more of the following measures:
- Reorient or relocate the receiving antenna
- Increase the separation between the equipment and receiver
- Connect the equipment into an outlet on a circuit different from that which the receiver is connected
- Consult the dealer or an experienced radio/TV technician for help
Caution: To satisfy FCC RF Exposure requirements for mobile and base station transmission devices, a separation distance of 20cm or more should be maintained between the antenna of this device and persons during operation. To ensure compliance operation at closer than this distance is not recommended. The antenna used for this transmitter must not be co-located or operating in conjunction with any other antenna or transmitter. No other antenna may be used with this equipment other than the antenna supplied with this equipment.
This document may not be reproduced in any way without the prior written permission of the company.
INTRODUCTION
Safety Information
This manual contains information that must be observed in the interest of your safety and to avoid damage to assets. Please read this manual before installing and commissioning the device and keep the manual in an accessible location for all users.
Contains FCC ID: W70MRF24J40MDME
Caution: To satisfy FCC RF Exposure requirements for mobile and base station transmission devices, a separation distance of 20 cm or more should be maintained between the antenna of this device and persons during operation. To ensure compliance operation at closer than this distance is not recommended. The antenna used for this transmitter must not be co-located or operating in conjunction with any other antenna or transmitter. No other antenna may be used with this equipment other than the PCB antenna supplied with this equipment.
Please see the Certifications section for more information on RF Exposure Compliance
Hardware Features
The IWT-128 Transmitter module allows almost any number of analog or digital input values to be wirelessly transmitted to a remote receiver with either analog 4-20 mA, 0-10 V, Ethernet, RS-485, or RS-232 outputs.
It can produce 2 types of analog output: voltage and mA source. It provides local control over analog and digital output Isoslice units.
A built-in display allows local monitoring of the individual inputs and outputs and displays menu options when the unit is configured.
The unit can be powered by a DC voltage between 16 and 36 V dc or 16 and
32 V ac.
The instrument is packaged in a compact 22.5 mm wide enclosure which can be mounted on a standard TS35 DIN-rail.
The system can be expanded through the use of optional Isoslice I/O modules. These modules connect automatically via the DIN rail-mounted bus connector, allowing the easy addition and removal of extra I/O.
Isolation Details
The IWT-128 has full 3 port isolation of 1000 V between the Output Stage and Power Supply for functional reasons.
UNPACKING
The instrument should be carefully inspected for signs of damage that may have occurred in transit. In the unlikely case that damage has been sustained, DO NOT use the instrument, but please retain all packaging for our inspection and contact your supplier immediately.
QUICK START GUIDE
There are several different ways the IWT-128 can be used, here we show a QUICK START example.
Example 1
A standard IWT-128 gathers data from 3 Isoslice-2 units and sends this data every two seconds to the remote receiver,
The standard IWT-128 has no inputs or outputs, so it does not have or need its channel number.
Refer to the Isoslice-2 installation instructions to allocate channel numbers using the internal dip switches.
Fit the IWT-128 and the Isoslice-2 units onto the din rail.
Connect up the inputs to the Isoslice-2 units.
Connect up the power to the IWT-128 and switch it on (see section 4).
The IWT-128 will scan the bus, identify the Isoslice-2 units and commence reading them, and sending data to the remote receiver every two seconds.
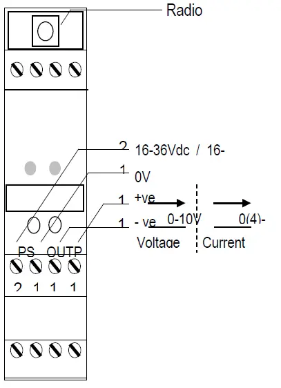
CONNECTIONS
The IWT-128 is housed in a compact DIN rail mounting enclosure, with terminals, arranged in 4 rows. The Communications ports are on the top and the power supply and analog output are on the bottom rows.
The diagram below shows how to connect to an IWT-128 with an analog output.
CONFIGURING THE IWT-128
Output Stage
| Output Type | S4 Position | |
| mA Source | Off | |
| Voltage | On |

! WARNING !
DO NOT OPEN UNIT OR ADJUST SWITCHES WITH POWER SUPPLY, INPUT OR OUTPUT CONNECTED
Radio Network Selection
Use the 4-way dip switch to select the Network to join. The dip switch must be changed when the power to the IWT-128 is off.
| 1 2 3 4 | Network | Pan Id | RF | 1 2 3 4 | Network | Pan Id | RF |
| 0 0 0 0 | 1 | 6000 | 21 | 0 0 0 1 | 9 | 6008 | 14 |
| 0 0 1 0 | 2 | 6001 | 22 | 0 0 1 1 | 10 | 6009 | 15 |
| 0 1 0 0 | 3 | 6002 | 23 | 0 1 0 1 | 11 | 600A | 16 |
| 0 1 1 0 | 4 | 6003 | 24 | 0 1 1 1 | 12 | 600B | 17 |
| 1 0 0 0 | 5 | 6004 | 25 | 1 0 0 1 | 13 | 600C | 18 |
| 1 0 1 0 | 6 | 6005 | 11 | 1 0 1 1 | 14 | 600D | 19 |
| 1 1 0 0 | 7 | 6006 | 12 | 1 1 0 1 | 15 | 600E | 20 |
| 1 1 1 0 | 8 | 6007 | 13 | 1 1 1 1 | 16 | 600F | 21 |
If the radio stops receiving acknowledgments, it will reset after 10 attempts.
CALIBRATING THE IWT-128
When the unit is shipped the IWT-128 will be calibrated for the output type and range noted on the side label if it is fitted. If this label is blank then the unit will be calibrated for 4-20 mA output.
The display is used to show scaled values of the inputs and outputs in the system, or ON and OFF for digital inputs and outputs. The left button scrolls through the available channels, and the right button scrolls through the available parameters. Whilst the button is held down, the channel number is shown on the left of the screen, and the parameter is shown on the right. The led on the display will flash every 3 seconds to indicate to the user that the unit is operating. The display can be configured to remain on all the time or switch off after 15 minutes.
Data is sent to the remote receiver for each channel at the TRANSMIT time rate.
To access the main menu push and hold both buttons until OK is displayed.
These are the main menu options, use raise and lower buttons to cycle through:
| (sec 6.2) (sec 6.3) | 6. DZ zero 7. VIEW DSV | (sec 6.4) (sec 6.5) |
| 3. OUT ZERO | (sec 6.3) | 8. DISPLAY time | (sec 6.6) |
| 4. DSV Cc Pp | (sec 6.4) | 9. AGE age | (sec 6.7) |
| 5. DS span | (sec 6.4) | 10. TRANSMIT time | (sec 6.8) |
Note that menu options 1,2,3 are only available when the output is fitted.
To access the sub-menu of one of the main menu options, use raise or lower to cycle to the option required then push and release both buttons. Change the parameter as required.
T o return to the main menu, push and release both buttons.
To exit from the main menu and return to run mode, press and hold both buttons for 2 seconds until OK is displayed on the screen.
After two minutes of inactivity from the front buttons when the main menu (or a sub-menu) had been accessed, a timeout will occur and the unit will automatically return to run mode.
Select IWT-128 Channel (1. CHANNEL)
If the IWT-128 has an output it must be allocated a channel number on the system, so that its data values can be identified correctly by the remote receiver.
The channel number chosen must not be a duplicate of any other device within the system.
Channel numbers can be selected between 1 and 128. By default, the channel number is 12. (The IWR-Port will automatically add channels as it receives data from remote units. If the IWT-
128 channel is changed when the remote receiver is operating, power cycle the remote receiver to remove data from the now unused channel).
Output Span and Output Zero (2. OUT SPAN and 3. OUT ZERO)
The output span and output zero values are learned if there is an output fitted to the IWT-128.
| Display | Action |
| 2.OUT SPAN | Press and release both buttons together |
| OS | Press raise/lower buttons to adjust output value until correct |
| OS | The tick will appear when a valid value has been learned Press and release both buttons together to go to the main menu |
| 2.OUT SPAN | Push the raise button once to change the menu item |
| 3.OUT ZERO | Press and release both buttons together |
| OZ | Press raise/lower buttons to adjust output value until correct |
| OZ | The tick will appear when a valid value has been learned Press and release both buttons together to go to the main menu |
| 3.OUT ZERO |
Display Scaling Values Adjust (4. DSV Cc Pp, 5. DS span, 6. DZ zero)
The display can show a scaled numerical value for each parameter of each channel. Scaling values can be adjusted between –999 and 9999. The default scaling values are 0 to 100. For all channels, all 8 parameters can be changed even if the channel is not used, or the parameter is an output.
Example: To change the scaling of channel 3 parameter 2, from 0 – 100 to 4 – 20:
| Display | Action |
| 4.DSV C1 P1 | C1 P1 is channel 1 parameter 1 Press and release both buttons together |
| 01 1 | Press the lower button to choose the channel (on left: 1 to 32) |
| 03 1 | Press the raise button to choose a parameter (on right: 1 to 8) |
| 03 2 | Press and release both buttons together |
| 4.DSV C3 P2 | C3 P2 is channel 3, parameter 2 Push the raise button once to change the menu item |
| 5.DS 100 | Display Span value is 100 Press and release both buttons together |
| 100 | Press raise/lower buttons to adjust display span value |
| 20 | Press and release both buttons together |
| 5.DS 20 | Display Span value is now 20 Push the raise button once to change the menu item |
| 6.DZ 0 | Display Zero value is 0 Press and release both buttons together |
| 0 | Press raise/lower buttons to adjust display zero value |
| 4 | Press and release both buttons together |
| 6.DZ 4 | Display Zero value is now 4 |
4.DSV Cc Pp is used to select the channel and parameter that need display values changing, where c represents the channel and p indicates the parameter.
To select a different channel or parameter enter the submenu. The display will show the channel on the left and the parameter on the right. The lower button increases the channel (1 to 32) and the raise button increases the parameter (1 to 8).
For the channel and parameter chosen in menu 3:
5. DS span indicates what the display span value is (span is –999 to 9999) To change the display span value enter the sub-menu and adjust it.
6. DZ zero indicates what the display zero value is (zero is –999 to 9999) To change the display zero value enter the sub-menu and adjust it.
View Display Scaling Values (7.VIEW DSV)
To view all eight parameter scaling values of a particular channel, enter this sub-menu. The first channel shown will be the one selected in 4.DSV Cc Pp. The scaling values will be shown in a scrolling message in this format:
e.g. for channel 3:
C3.P1 100,0 P2 20,4 P3 100,0 P4 100,0 P5 100,0 P6 100,0 P7 100,0 P8 100,0
The channel being viewed can be changed using the lower or raise buttons, each press will cause the scrolling message to begin again, this time for a different channel.
Display Timer (8.DISPLAY display)
Choose if the display remains on all the time or switches off 15 minutes after a button was last pressed.
ON Select this to make the display stay on all the time
15 Select this to make the display switch off after 15 minute
Age Select (9.AGE age)
The age of a parameter can be counted in seconds or minutes, which will depend on the update of the wireless sensors concerned. Use this menu to select between
SEC select this to count in seconds
MIN select this to count in minutes
Transmit Time Period (10.TRANSMIT time)
The update rate for the IWT-128 to transmit data to the IWR-Port can be varied in 0.5-second increments from every 2 seconds to every 127.5 seconds.
The default is every 2 seconds.
ISOSLICE BUS
If the IWT-128 has an output fitted, it will need to have its own channel number in the range 1 to 128 (see section 6.2). This channel number must not exist elsewhere in the system.
Isoslice units connected to the IWT-128 must-have channel numbers that exist nowhere else within the system.
The Isoslice units are powered by the Din rail mounted bus connectors.
The IWT-128 will scan the bus when it powers up to find Isoslice units that are attached.
Each Isoslice is read twice a second.
If an Isoslice unit needs to be added to the bus, first switch the power off, add the new Isoslice unit and switch the power on again.
Channels are allocated to wireless devices and Isoslice units within the system, the channels must not be duplicated.
If scaling data is entered on an IWT-128 that has an Isoslice bus, it will be local to the display of the IWT-128. The same information would need to be entered on the IWR-Port as well.
INSTALLATION
The IWT-128’s output circuit is classed as Separated Extra Low Voltage (SELV). This means that they must not be externally connected to voltages exceeding 30 V ac or 60 V dc, nor do they generate voltages above these limits internally. Where a higher voltage input is required a specially designed DIVIDER unit can be used to condition the input signal before connection to the process input terminals.
The IWT-128 unit clips directly onto the ‘Top Hat’ (TS35) symmetrical DIN rail. Ideally, the mounting orientation should be vertical. Good airflow around the unit will maximize the reliability of the instrument.
The use of ferrules is recommended for wiring terminations.
Do not exceed terminal torque rating of 0.4 Nm – use an appropriate screwdriver. The unit can be removed from the DIN rail by sliding a small screwdriver into the slot at the rear of the enclosure on the lower face and gently levering the metal clip, whilst lifting the unit from the rail.
TROUBLESHOOTING
The IWT-128 has some built-in self-diagnostic functions. Errors encountered will be displayed on the screen.
- E 1 The input value is not available
- ERR1 The radio module did not reset correctly. Switch power off for 10 seconds.
- ERR2 Eeprom Error: Stored data has been corrupted. Push and release both buttons then recalibrate the output options and values.
- E 4 The input value is currently unavailable
- E 8 There is no data available
Incorrect Reading
- Check that Unit is configured for the correct Sensor
- Check that Input Scaling is as required.
- Check that Linearization has been set correctly.
- Check that Thermocouples have correct compensation cables and polarity.
- Check that RTD is set for correct option 2, 3, or 4 Wire.
- Check that RTD leads are connected to appropriate terminal pins.
Sensor Failure
- Check that sensor wiring is correct.
- Check Thermocouple polarity.
- Check that all RTD leads are connected to the correct terminals.
- Check that the IWT-128 is configured for the correct sensor.
- Check that the applied voltage is not out of range.
- Check that the applied current is not out of range.
- Check that applied millivoltage is not out of range.
CERTIFICATIONS
United States FCC
This equipment has been tested and found to comply with the limits for a Class B device, pursuant to part 15 of the FCC Rules. These limits are designed to provide reasonable protection against harmful interference in a residential installation. This equipment generates, uses, and can radiate radio frequency energy, and if not installed and used in accordance with the instructions, may cause harmful interference to radio communications. However, there is no guarantee that interference will not occur in a particular installation. If this equipment does cause harmful interference to radio or television reception, which can be determined by turning the equipment off and on, the user is encouraged to try to correct the interference by one or more of the following measures:
- Reorient or relocate the receiving antenna
- Increase the separation between the equipment and receiver
- Connect the equipment into an outlet on a circuit different from that which the receiver is connected
- Consult the dealer or an experienced radio/TV technician for help
Warning: Changes or modifications not expressly approved by Cynergy3 could void the user’s authority to operate the equipment.
RF Exposure
Contains FCC ID: W70MRF24J40MDME
In this equipment, the antenna supplied is a PCB antenna and an alternative antenna must not be used.
Caution: To satisfy FCC RF Exposure requirements for mobile and base station transmission devices, a separation distance of 20cm or more should be maintained between the antenna of this device and persons during operation. To ensure compliance operation at closer than this distance is not recommended. The antenna used for this transmitter must not be co-located or operating in conjunction with any other antenna or transmitter. No other antenna may be used with this equipment other than the PCB antenna supplied with this equipment.
Canada (IC) – English
This device complies with Industry Canada license-exempt RSS standard(s). Operation is subject to the following two conditions: (1) this device may not cause interference, and (2) this device must accept any interference, including interference that may cause undesired operation of the device.
Under Industry Canada regulations, this radio transmitter may only operate using an antenna of the type and maximum (or lesser) gain approved for the transmitter by Industry Canada. To reduce potential radio interference to other users, the antenna type and its gain should be so chosen that the equivalent isotropically radiated power (e.i.r.p.) is not more than that necessary for successful communication.
Europe
The MRF24J40MD/ME wireless module used in this equipment has been tested and is in conformity with the essential requirements and other relevant requirements of the RED Directive 2014/53/EU. That module is in conformity with the following standards and/or other normative documents:
| Certification | Standards | Article |
| Safety | EN60950-1-2006 / A11:2009 / A1:2010 / A12:2011 / A2:2013 | (3.1(a)) |
| Health | EN 300 328 V2.1.1 / EN 62479:2010 | (3.1(a)) |
| EMC | EN 301 489-1 V2.1.1 EN 301 489-1 V2.2.0 EN 301 489-17 V3.1.1 EN 301 489-17 V3.2.0 | (3.1(b)) |
| Radio | EN 300 328 V2.1.1 | (3.2) |
SPECIFICATIONS (@ 25°C)
- Operating Temperature 0 to 55 °C
- Operating Altitude Sea Level to 2000 m
- Humidity 0-90% RH
- Power Requirements DC Supply 16 to 30 V dc
- Current Consumption 120 mA @ 24 V dc (20 mA in & out)
- Calibration accuracy ±0.05% full scale
- Linearity ±0.05% full scale
- Temperature Stability 50ppm / °C
- Maximum Voltage Output 11.5 V into a minimum of 7Kohm
- Maximum Current Output 23.0 mA into a maximum of 1Kohm
The unit has full 3 port Isolation to 1kV between Power Supply, Input, and Output.
The unit can also withstand transients of 2.5kV for 50 μsecs.
- Dimensions 114.5 mm x 99 mm x 22.5 mm (H x D x W)
- Mounting DIN Rail TS35
Connections Screw Clamp with pressure plate
- Conductor Size 0.5 to 4.0 mm
- Insulation Stripping 12 mm
- Maximum Terminal Torque 0.4 Nm
- Weight Approx. 140 g
- EMC Emissions BS EN61326
- LVD Standards EN61010-1
- Installation Category (IEC 664) II
- Pollution Degree (EN61010-1) 2
- Equipment Class (IEC 536) II
Sensata Technologies, Inc. (“Sensata”) data sheets are solely intended to assist designers (“Buyers”) who are developing systems that incorporate Sensata products (also referred to herein as “components”). Buyer understands and agrees that Buyer remains responsible for using its independent analysis, evaluation and judgment in designing Buyer’s systems and products. Sensata data sheets have been created using standard laboratory conditions and engineering practices. Sensata has not conducted any testing other than that specifically described in the published documentation for a particular data sheet. Sensata may make corrections, enhancements, improvements and other changes to its data sheets or components without notice.
Buyers are authorized to use Sensata data sheets with the Sensata component(s) identified in each particular data sheet. HOWEVER, NO OTHER LICENSE, EXPRESS OR IMPLIED, BY ESTOPPEL OR OTHERWISE TO ANY OTHER SENSATA INTELLECTUAL PROPERTY RIGHT, AND NO LICENSE TO ANY THIRD PARTY TECHNOLOGY OR INTELLECTUAL PROPERTY RIGHT, IS GRANTED HEREIN. SENSATA DATA SHEETS
ARE PROVIDED “AS IS”. SENSATA MAKES NO WARRANTIES OR REPRESENTATIONS WITH REGARD TO THE DATA SHEETS OR USE OF THE DATA SHEETS, EXPRESS, IMPLIED OR STATUTORY, INCLUDING ACCURACY OR COMPLETENESS. SENSATA DISCLAIMS ANY WARRANTY
OF TITLE AND ANY IMPLIED WARRANTIES OF MERCHANTABILITY, FITNESS FOR A PARTICULAR PURPOSE, QUIET ENJOYMENT, QUIET POSSESSION, AND NON-INFRINGEMENT OF ANY THIRD PARTY INTELLECTUAL PROPERTY RIGHTS WITH REGARD TO SENSATA DATA SHEETS OR USE THEREOF.
All products are sold subject to Sensata’s terms and conditions of sale supplied at www.sensata.com SENSATA ASSUMES NO LIABILITY
FOR APPLICATIONS ASSISTANCE OR THE DESIGN OF BUYERS’ PRODUCTS. BUYER ACKNOWLEDGES AND AGREES THAT IT IS SOLELY
RESPONSIBLE FOR COMPLIANCE WITH ALL LEGAL, REGULATORY AND SAFETY-RELATED REQUIREMENTS CONCERNING ITS PRODUCTS, AND ANY USE OF SENSATA COMPONENTS IN ITS APPLICATIONS, NOTWITHSTANDING ANY APPLICATIONS-RELATED INFORMATION OR SUPPORT THAT MAY BE PROVIDED BY SENSATA.
Mailing Address: Sensata Technologies, Inc., 529 Pleasant Street, Attleboro, MA 02703, USA.
CONTACT US EUROPE
+44 (0)1202 897969
[email protected]
Cynergy3 Components Ltd.
7 Cobham Road,
Ferndown Industrial Estate,
Wimborne, Dorset,
BH21 7PE, United Kingdom
USA
+1 310 561 8092 / +1 866 258 5057
[email protected]



















