muRata NDL Series Isolated 2W Wide Input Single Output DC-DC Converters

FEATURES
- RoHS compliant
- 2:1 wide range voltage input
- Continuous short circuit protection with current foldback
- Operating temperature range -40ºC to 85ºC
- 0.75% regulation
- 1kVDC isolation
- Efficiency to 83%
- Power density 0.9W/cm3
- 5V, 12V & 24V nominal inputs
- 5V, 9V, 12V & 15V outputs
- No electrolytic capacitors
- Fully encapsulated
- External control
- Low noise
DESCRIPTION
The NDL series is a range of high performance miniature DC-DC converters having regulated outputs over the wide temperature range of -40ºC to 85ºC. The input voltage range is 2:1 with the output power at 2 watts and the input to output isolation is 1kVDC. Continuous short circuit protection, external control and extremely small SIP packaging provide state of the art functionality. Nominal input voltages of 5, 12, 24 and 48V with output voltages of 5, 9,12 and 15V are available as standard with custom parts on request. The plastic case is rated to UL94V-0 with encapsulant to UL94V-1.
SELECTION GUIDE
| Order Code | Input Voltage | Rated Output Voltage | Output Current 1 | Input Current 2 | Efficiency | Isolation Capacitance |
MTTF 4 | Recommended Alternative | |
| Min Load 3 | Full Load | Full Load | |||||||
| V (nom.) | V | mA | mA | mA | % | pF | kHrs | ||
| NDL0505SC | 5 | 5 | 100 | 400 | 606 | 66 | 26 | 2015 | |
| NDL0509SC | 5 | 9 | 55 | 222 | 558 | 71 | 27 | 1998 | |
| NDL1205SC | 12 | 5 | 100 | 400 | 228 | 73 | 39 | 1994 | |
| NDL2405SC | 24 | 5 | 100 | 400 | 112 | 74 | 37 | 1722 | |
| NDL2409SC | 24 | 9 | 55 | 222 | 102 | 81 | 40 | 1711 | |
| NDL2412SC | 24 | 12 | 42 | 167 | 100 | 83 | 51 | 1696 | |
| NDL2415SC | 24 | 15 | 33 | 134 | 100 | 83 | 58 | 1685 | |
| NDL1212SC | 12 | 12 | 42 | 167 | 208 | 80 | 47 | 1961 | NCS3S1212SC |
| NDL1215SC | 12 | 15 | 33 | 134 | 206 | 81 | 47 | 1947 | NCS3S1215SC |
| NDL4805SC | 48 | 5 | 100 | 400 | 57 | 73 | 39 | 1719 | NCS3S4805SC |
| NDL4815SC | 48 | 15 | 33 | 134 | 51 | 82 | 65 | 1683 | NCS3S4815SC |
| NDL0512SC | 5 | 12 | 42 | 167 | 559 | 71 | 26 | 1980 | Contact Murata |
| NDL0515SC | 5 | 15 | 33 | 134 | 549 | 73 | 27 | 1965 | Contact Murata |
| NDL1209SC | 12 | 9 | 55 | 222 | 211 | 79 | 38 | 1981 | Contact Murata |
| NDL4809SC | 48 | 9 | 55 | 222 | 52 | 80 | 40 | 1709 | Contact Murata |
| NDL4812SC | 48 | 12 | 42 | 167 | 51 | 81 | 53 | 1694 | NCS3S4812SC |
CHARACTERISTICS
INPUT CHARACTERISTICS
| Parameter | Conditions | Min. | Typ. | Max. | Units |
| Voltage range | All NDL05 types | 4.5 | 5 | 9 | VDC |
| All NDL12 types | 9 | 12 | 18 | ||
| All NDL24 types | 18 | 24 | 36 | ||
| All NDL48 types | 36 | 48 | 72 | ||
| Reflected ripple current | All NDL05 types with 100μF at input | 250 | mA p-p | ||
| All NDL12 types with 100μF at input | 150 | ||||
| All NDL24 types with 10μF at input | 300 | 380 | |||
| All NDL48 types with 10μF at input | 140 | 170 |
- Refer to power derating graph for operating of 5V input types at 4.5 to 6V.
- Measured at full load with external input/output capacitors.
- Please refer to minimum load application notes section on page 3.
- Calculated using MIL-HDBK-217F with nominal input voltage at full load.
All specifications typical at TA=25°C, nominal input voltage and rated output current unless otherwise specified.
OUTPUT CHARACTERISTICS
| Parameter | Conditions 1 | Typ. | Max. | Units |
| Voltage set point accuracy | All NDL05/12 input types with external input/output capacitors | ±1 | ±3 | % |
| All NDL24/48 input types with external input/output capacitors | ±2 | ±5 | ||
| Line regulation | All NDL05/12 input types, low line to high line with external input/output capacitors | 0.05 | 0.5 | % |
| All NDL24/48 input types, low line to high line with external input/output capacitors | 0.04 | 0.4 | ||
| Load regulation | All NDL05/12 input types, minimum load to rated load with external input/output capacitors | 0.2 | 0.75 | % |
| All NDL24/48 input types, minimum load to rated load with external input/output capacitors | 0.2 | 0.75 | ||
| Ripple | B/W = 20MHz to 300kHz with external input/output capacitors | 5 | 10 | mV rms |
| Noise | All NDL05 input types, B/W =DC to 20MHz with external input/output capacitors | 50 | 100 | mV p-p |
| All NDL12 input types, B/W =DC to 20MHz with external input/output capacitors | 110 | 170 | ||
| All NDL24/48 input types, B/W =DC to 20MHz with external input/output capacitors | 50 | 100 | ||
| Shutdown power | +VIN nominal | 2.8 | mW |
ISOLATION CHARACTERISTICS
| Parameter | Conditions | Min. | Typ. | Max. | Units |
| Isolation test voltage | Flash tested for 1 second | 1000 | VDC | ||
| Resistance | VISO = 1000VDC | 1 | GΩ |
GENERAL CHARACTERISTICS
| Parameter | Conditions | Min. | Typ. | Max. | Units |
| Control pin (CTRL) input current | Please refer to control pin application note | 6 | 10 | 15 | mA |
| Switching frequency | Max. rated load to Min. rated load, VIN Min. to VIN. Max. | 100 | 600 | kHz |
TEMPERATURE CHARACTERISTICS
| Parameter | Conditions | Min. | Typ. | Max. | Units |
| Operation | -40 | 85 | ºC | ||
| Storage | -50 | 130 | |||
| Cooling | Free air convection | ||||
ABSOLUTE MAXIMUM RATINGS
| Short-circuit protection | Continuous |
| Lead temperature 1.5mm from case for 10 seconds | 260°C |
| Wave Solder | Wave Solder profile not to exceed the profile recommended in IEC 61760-1 Section 6.1.3. Please refer to application notes for further information. |
| Control pin input current | 15mA |
| Input voltage 05 types | 10V |
| Input voltage 12 types | 20V |
| Input voltage 24 types | 40V |
| Input voltage 48 types | 80V |
TECHNICAL NOTES
ISOLATION VOLTAGE
‘Hi Pot Test’, ‘Flash Tested’, ‘Withstand Voltage’, ‘Proof Voltage’, ‘Dielectric Withstand Voltage’ & ‘Isolation Test Voltage’ are all terms that relate to the same thing, a test voltage, applied for a specified time, across a component designed to provide electrical isolation, to verify the integrity of that isolation. Murata Power Solutions NDL series of DC-DC converters are all 100% production tested at their stated isolation voltage. This is 1kVDC for 1 second. A question commonly asked is, “What is the continuous voltage that can be applied across the part in normal operation?” For a part holding no specific agency approvals, such as the NDL series, both input and output should normally be maintained within SELV limits i.e. less than 42.4V peak, or 60VDC. The isolation test voltage represents a measure of immunity to transient voltages and the part should never be used as an element of a safety isolation system. The part could be expected to function correctly with several hundred volts offset applied continuously across the isolation barrier; but then the circuitry on both sides of the barrier must be regarded as operating at an unsafe voltage and further isolation/insulation systems must form a barrier between these circuits and any user-accessible circuitry according to safety standard requirements.
REPEATED HIGH-VOLTAGE ISOLATION TESTING
It is well known that repeated high-voltage isolation testing of a barrier component can actually degrade isolation capability, to a lesser or greater degree depending on materials, construction and environment. The NDL series has an EI ferrite core, with no additional insulation between primary and secondary windings of enamelled wire. While parts can be expected to withstand several times the stated test voltage, the isolation capability does depend on the wire insulation. Any material, including this enamel (typically polyurethane) is susceptible to eventual chemical degradation when subject to very high applied voltages thus implying that the number of tests should be strictly limited. We therefore strongly advise against repeated high voltage isolation testing, but if it is absolutely required, that the voltage be reduced by 20% from specified test voltage. This consideration equally applies to agency recognised parts rated for better than functional isolation where the wire enamel insulation is always supplemented by a further insulation system of physical spacing or barriers.
RoHS COMPLIANT INFORMATION
This series is compatible with RoHS soldering systems with a peak wave solder temperature of 260ºC for 10 seconds. Please refer to application notes for further information. The pin termination finish on this product series is Tin Plate, Hot Dipped over Matte Tin with Nickel Preplate. The series is backward compatible with Sn/Pb soldering systems.
For further information, please visit www.murata-ps.com/rohs.
PART NUMBER STRUCTURE
APPLICATION NOTES+
External capacitance
Although these converters will work without external capacitors, they are necessary in order to guarantee the full parametric performance over the full line and load range. All parts have been tested and characterized using the following values and test circuit.
| Value | ||
| Input Voltage (V) | CIN | COUT |
| 5 & 12 | 100μF, 25V | 100μF, 25V |
| 24 & 48 | 10μF, 200V | 100μF, 25V |
Test circuit

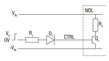
Control Pin The NDL converters have a shutdown feature which enables the user to put the converter into a low power state. The control pin connects directly to the base of an internal transistor, and the switch off mechanism for the NDL works by forward biasing this NPN transistor. If the pin is left open (high impedance), the converter will be ON (there is no allowed low state for this pin), but once a control voltage is applied with sufficient drive current, the converter will be switched OFF. A suitable application circuit is shown below.

Pin 8 (CS)
This pin provides a connection point to the main reservoir capacitor. Additional capacitance can be added from this pin to pin 7. Any lower ESR capacitor will remove ripple and noise to some degree. The benefit of this access point over simple additional output capacitance is that it precedes the output filter inductor. Maximum values of external capacitance will be dependent on the output voltage, the loading of the converter and the desired ripple figure. Values can be up to 100μF.
Minimum load
The minimum load for correct operation is 25% of the full rated load across the specified input voltage range. Lower loads may cause a significant increase in output ripple and may cause the output voltage to exceed its specifification transiently during power-down when the input voltage also falls below its rated minimum.
NDL05 POWER DERATING CURVE
PACKAGE SPECIFICATIONS
MECHANICAL DIMENSIONS
PIN CONNECTIONS

TUBE OUTLINE DIMENSIONS
RECOMMENDED FOOTPRINT DETAILS
DISCLAIMER
Unless otherwise stated in the datasheet, all products are designed for standard commercial and industrial applications and NOT for safety-critical and/or life-critical applications. Particularly for safety-critical and/or life-critical applications, i.e. applications that may directly endanger or cause the loss of life, inflict bodily harm and/or loss or severe damage to equipment/property, and severely harm the environment, a prior explicit written approval from Murata is strictly required. Any use of Murata standard products for any safety-critical, life-critical or any related applications without any prior explicit written approval from Murata shall be deemed unauthorised use.
These applications include but are not limited to:
- Aircraft equipment
- Aerospace equipment
- Undersea equipment
- Power plant control equipment
- Medical equipment
- Transportation equipment ( automobiles, trains, ships, etc.)
- Traffic signal equipment
- Disaster prevention / crime prevention equipment
- Data Processing equipment
Murata makes no express or implied warranty, representation, or guarantee of suitability, fitness for any particular use/purpose and/or compatibility with any application or device of the buyer, nor does Murata assume any liability whatsoever arising out of unauthorised use of any Murata product for the application of the buyer. The suitability, fitness for any particular use/purpose and/or compatibility of Murata product with any application or device of the buyer remain to be the responsibility and liability of the buyer. Buyer represents and agrees that it has all the necessary expertise to create and implement safeguards that anticipate dangerous consequences of failures, monitor failures and their consequences, lessen the likelihood of failures that might cause harm, and take appropriate remedial actions. Buyer will fully indemnify and hold Murata, its affiliated companies, and its representatives harmless against any damages arising out of unauthorised use of any Murata products in any safety-critical and/ or life-critical applications. Remark: Murata in this section refers to Murata Manufacturing Company and its affiliated companies worldwide including, but not limited to, Murata Power Solutions.
This product is subject to the following operating requirements and the Life and Safety Critical Application Sales Policy: Refer to: https://www.murata.com/en-eu/products/power/requirements.
Murata Power Solutions (Milton Keynes) Ltd. makes no representation that the use of its products in the circuits described herein, or the use of other technical information contained herein, will not infringe upon existing or future patent rights. The descriptions contained herein do not imply the granting of licenses to make, use, or sell equipment constructed in accordance therewith. Specifications are subject to change without notice.




















