MEAN WELL SD-15 Series 15W Single Output DC-DC Converter

Features
- 2:1 wide input range
- Protections: Short circuit/Over load /Voltage
- Built-in EMI filter, low ripple noise
- 100% full load burn-in test
- Lowcost
- High reliability
- 2 years warranty
SPECIFICATION
| Model | Output Voltage | Rated Current | Rated Power | Ripple & Noise (max.) | Voltage Adjustment Range | Voltage Tolerance | Line Regulation | Load Regulation | Setup, Rise, Hold Up Time | Voltage Range | Efficiency (Typ.) | DC Current (Typ.) | Overload Protection | Over Voltage Protection | Working Temperature | Working Humidity | Storage Temperature, Humidity | Temperature Coefficient | Vibration |
|---|---|---|---|---|---|---|---|---|---|---|---|---|---|---|---|---|---|---|---|
| SD-15A-05 | 5V | 3A | 15W | 100mVp-p | 0 ~ 3A | +/- 10% | +/- 1% | +/- 1% | 2.5s, 25ms,— | 9.2 ~ 18VDC | 68% | 1.9A/12VDC | 105 ~ 160% rated output power | Shut off o/p voltage, clamping by zener diode | -10 ~ +60 (Refer to Derating Curve) | 10 ~ 500Hz, 2G 10min./1cycle, 60min.each along X, Y, Z axes | |||
| SD-15B-05 | 5V | 1.25A | 15W | 120mVp-p | 0 ~ 1.25A | +/- 10% | +/- 1% | +/- 1% | 2.5s, 25ms,— | 18 ~ 36VDC | 76% | 0.9A/24VDC | 105 ~ 160% rated output power | Shut off o/p voltage, clamping by zener diode | -10 ~ +60 (Refer to Derating Curve) | 10 ~ 500Hz, 2G 10min./1cycle, 60min.each along X, Y, Z axes | |||
| SD-15C-05 | 5V | 0.625A | 15W | 150mVp-p | 0 ~ 0.625A | +/- 10% | +/- 1% | +/- 1% | 2.5s, 25ms,— | 36 ~ 72VDC | 75% | 0.45A/48VDC | 105 ~ 160% rated output power | Shut off o/p voltage, clamping by zener diode | -10 ~ +60 (Refer to Derating Curve) | 10 ~ 500Hz, 2G 10min./1cycle, 60min.each along X, Y, Z axes | |||
| SD-15A-12 | 12V | 1.25A | 15W | 120mVp-p | 0 ~ 1.25A | +/- 10% | +/- 1% | +/- 1% | 2.5s, 25ms,— | 9.2 ~ 18VDC | 72% | 0.9A/24VDC | 105 ~ 160% rated output power | Shut off o/p voltage, clamping by zener diode | -10 ~ +60 (Refer to Derating Curve) | 10 ~ 500Hz, 2G 10min./1cycle, 60min.each along X, Y, Z axes | |||
| SD-15B-12 | 12V | 0.625A | 15W | 150mVp-p | 0 ~ 0.625A | +/- 10% | +/- 1% | +/- 1% | 2.5s, 25ms,— | 18 ~ 36VDC | 76% | 0.45A/48VDC | 105 ~ 160% rated output power | Shut off o/p voltage, clamping by zener diode | -10 ~ +60 (Refer to Derating Curve) | 10 ~ 500Hz, 2G 10min./1cycle, 60min.each along X, Y, Z axes | |||
| SD-15C-12 | 12V | 0.625A | 15W | 150mVp-p | 0 ~ 0.625A | +/- 10% | +/- 1% | +/- 1% | 2.5s, 25ms,— | 36 ~ 72VDC | 79% | 0.45A/48VDC | 105 ~ 160% rated output power | Shut off o/p voltage, clamping by zener diode | -10 ~ +60 (Refer to Derating Curve) | 10 ~ 500Hz, 2G 10min./1cycle, 60min.each along X, Y, Z axes | |||
| SD-15A-24 | 24V | 0.625A | 15W | 150mVp-p | 0 ~ 0.625A | +/- 10% | +/- 1% | +/- 1% | 2.5s, 25ms,— | 9.2 ~ 18VDC | 70% | 0.45A/48VDC | 105 ~ 160% rated output power | Shut off o/p voltage, clamping by zener diode | -10 ~ +60 (Refer to Derating Curve) | 10 ~ 500Hz, 2G 10min./1cycle, 60min.each along X, Y, Z axes | |||
| SD-15B-24 | 24V | 0.625A | 15W | 150mVp-p | 0 ~ 0.625A | +/- 10% | +/- 1% | +/- 1% | 2.5s, 25ms,— | 18 ~ 36VDC | 77% | 0.45A/48VDC | 105 ~ 160% rated output power | Shut off o/p voltage, clamping by zener diode | -10 ~ +60 (Refer to Derating Curve) |
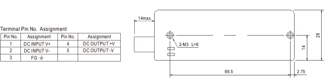
Mechanical Specification


Block Diagram

Derating Curve



















