MEAN WELL LRS-450 Series 450W Single Output Switching Power Supply

Featuress
- MEAN WELL patent pending
(Application number CN202220241473.0, CN2022300605 11.8) - AC input range selectable by switch
- Withstand 300VAC surge input for 5 second
- Protections: Short circuit/ Overload/Over voltage/
- Over temperature
- Forced air cooling
- Built-in cooling Fan ON-OFF control
- 1U low profile
- Withstand 5G vibration test
- High operating temperature up to 70’C
- Operating altitude up to 5000 meters (Note.10)
- 3 years warranty
- MTBF>1KK hrs
Applications
Industrial automation machinery Industrial control system Mechanical and electrical equipment Electronic instruments, equipments or apparatus
GTIN CODE
MW Search: hitps:/www.meanwel.com/serviceGTIN. aspx
Description
LRS-450 series is a 450W single-output enclosed type power supply with 35mm of low profile design. Adopting the input of 115VAC or 230VAC (select by switch), the entire series provides an output voltage line of 5V, 12V, 15V, 24V, 36V and 48V. In addition to the high efficiency up to 92%, with the built-in long life fan LRS-450 can work under -20-+70C with full load. LRS-450 has the complete protection functions and 5G anti-vibration capability: It is complied with complete international safety regulations LRS-450 series seves as a high price-to-performance power supply solution for various industrial applications.
Model Encoding
SPECIFICATION
| MODEL | LRS-450-5 | LRS-450-12 | LRS-450-15 | LRS-450-24 | LRS-450-36 | LRS-450-48 | |
|
OUTPUT | DC VOLTAGE | 5V | 12V | 15V | 24V | 36V | 48V |
| RATED CURRENT | 75A | 37.5A | 30A | 18.8A | 12.5A | 9.4A | |
| CURRENT RANGE | 0 ~ 75A | 0 ~ 37.5A | 0 ~ 30A | 0 ~ 18.8A | 0 ~ 12.5A | 0 ~ 9.4A | |
| RATED POWER | 375W | 450W | 450W | 451.2W | 450W | 451.2W | |
| RIPPLE & NOISE (max.) Note.2 | 200mVp-p | 200mVp-p | 200mVp-p | 240mVp-p | 360mVp-p | 360mVp-p | |
| VOLTAGE ADJ. RANGE Note.3 | 4.75 ~ 5.5V | 11.4 ~ 13.2V | 14.25 ~ 16.5V | 22.8 ~ 26.4V | 34.2 ~ 39.6V | 45.6 ~ 52.8V | |
| VOLTAGE TOLERANCE Note.4 | ±2.0% | ±1.5% | ±1.0% | ±1.0% | ±1.0% | ±1.0% | |
| LINE REGULATION Note.5 | ±0.5% | ±0.5% | ±0.5% | ±0.5% | ±0.5% | ±0.5% | |
| LOAD REGULATION Note.6 | ±2.0% | ±1.0% | ±0.5% | ±0.5% | ±0.5% | ±0.5% | |
| SETUP, RISE TIME Note.7 | 1500ms, 50ms/230VAC 1500ms,50ms/115VAC at full load | ||||||
| HOLD UP TIME (Typ.) | 16ms/230VAC 12ms/115VAC at full load | ||||||
|
INPUT | VOLTAGE RANGE Note.8 | 90 ~ 132VAC / 180 ~ 264VAC by switch 255 ~ 370VDC (swith on 230VAC) | |||||
| FREQUENCY RANGE | 47 ~ 63Hz | ||||||
| EFFICIENCY (Typ.) | 87% | 90% | 90% | 91% | 92% | 92% | |
| AC CURRENT (Typ.) | 10A/115VAC 6A/230VAC | ||||||
| INRUSH CURRENT (Typ.) | 35A/115VAC 60A/230VAC | ||||||
| LEAKAGE CURRENT | <2mA / 240VAC | ||||||
|
PROTECTION (Note.9) | OVER LOAD | 105 ~ 150% rated output power | |||||
| Constant current limiting, unit will shutdown after 3 sec. re-power on to recover | |||||||
| OVER VOLTAGE | 5.75 ~ 6.75V | 13.8 ~ 16.2V | 18 ~ 21V | 27.6 ~ 32.4V | 41.4 ~ 48.6V | 55.2 ~ 64.8V | |
| Protection type : Shut down o/p voltage, re-power on to recover | |||||||
| OVER TEMPERATURE | Shut down o/p voltage, re-power on to recover | ||||||
| FUNCTION | FAN ON/OFF CONTROL (Typ.) | RTH3≧50℃ FAN ON, ≦40℃ FAN OFF | |||||
|
ENVIRONMENT | WORKING TEMP. | -20 ~ +70℃ (Refer to “Derating Curve”) | |||||
| WORKING HUMIDITY | 20 ~ 90% RH non-condensing | ||||||
| STORAGE TEMP., HUMIDITY | -40 ~ +85℃, 10 ~ 95% RH | ||||||
| TEMP. COEFFICIENT | ±0.03%/℃ (0 ~ 50℃) | ||||||
| VIBRATION | 10 ~ 500Hz, 5G 10min./1cycle, 60min. each along X, Y, Z axes | ||||||
|
SAFETY | SAFETY STANDARDS | BS IEC/UL 62368-1, EAC TP TC 004,AS/NZS62368.1 approved, BIS IS13252(Part1):2010/IEC60950-1:2005(except for 48V)(pending),BSMI CNS15598-1(pending) | |||||
| WITHSTAND VOLTAGE | I/P-O/P:3KVAC I/P-FG:2KVAC O/P-FG:0.5KVAC | ||||||
| ISOLATION RESISTANCE | I/P-O/P, I/P-FG, O/P-FG:100M Ohms/500VDC / 25℃/ 70% RH | ||||||
| EMC EMISSION | Compliance to EAC TP TC 020, BSMI CNS15936(pending) | ||||||
| EMC IMMUNITY | Compliance to EAC TP TC 020 | ||||||
| OTHERS | MTBF | 1508.9K hrs min. Telcordia SR-332(Bellcore) ; 252.2K hrs min. MIL-HDBK-217F (25℃) | |||||
| DIMENSION | 225*124*35mm (L*W*H) | ||||||
| PACKING | 0.85Kg/15pcs/14.11Kg/0.85CUFT | ||||||
| NOTE | 1. All parameters NOT specially mentioned are measured at 230VAC input, rated load and 25℃ of ambient temperature. 2. Ripple & noise are measured at 20MHz of bandwidth by using a 12″ twisted pair-wire terminated with a 0.1uf & 47uf parallel capacitor. 3. Voltage adjustment can only be operated within the input range of 100~120VAC or 200-240VAC. If the voltage adjustment is performed outside this range, it may cause abnormal output. 4. Tolerance : includes set up tolerance, line regulation and load regulation. 5. Line regulation is measured from low line to high line at rated load. 6. Load regulation is measured from 0% to 100% rated load. 7. Length of set up time is measured at cold start. Turning the power supply on/off frequently may lead to increase of the set up time. 8. Derating may be needed under low input voltages. Please refer to”Static Characteristics” sections for details. 9. Once protections are triggered, 3min(Typ.) of cold down time is required before restart. 10. The ambient temperature derating of 5℃/1000m is needed for operating altitude greater than 2000m(6500ft). 11. This power supply does not meet the harmonic current requirements outlined by EN61000-3-2. Please do not use this power supply under the following conditions: a) the end-devices is used within the European Union, and b) the end-devices is connected to public mains supply with 220Vac or greater rated nominal voltage, and c) the power supply is: – installed in end-devices with average or continuous input power greater than 75W, or – belong to part of a lighting system Exception: Power supplies used within the following end-devices do not need to fulfill EN61000-3-2 a) professional equipment with a total rated input power greater than 1000W; b) symmetrically controlled heating elements with a rated power less than or equal to 200W ※ Product Liability Disclaimer:For detailed information, please refer to https://www.meanwell.com/serviceDisclaimer.aspx | ||||||
Block Diagram
Derating Curve
Static Characteristics
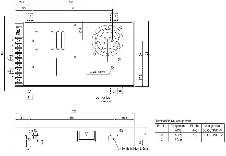
Mechanical Specification
Installation Manual
Please refer to : http://www.meanwell.com/manual.html





















