MEAN WELL RSP-750 Series 750W Power Supply with Single Output

Features
- Universal AC input / Full range
- Built-in active PFC function
- High efficiency up to 92%
- Forced air cooling by built-in DC fan
- Output voltage and constant current level programmable
- Built-in remote ON-OFF control/ remote sense auxiliary power/ DC OK signal
- Protections: Short circuit/Overload/Over voltage/Over temperature
- Optional conformal coating
- 5 years warranty
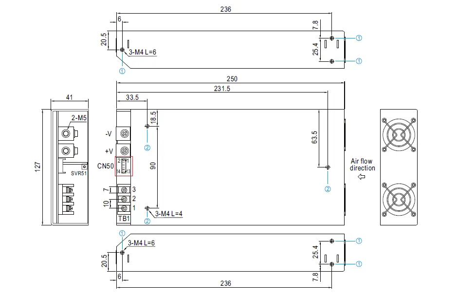
Dimension

Applications
- Factory control or automation apparatus
- Test and measurement instrument
- Laser related machine
- Burn-in facility
- RF application
GTIN CODE
MW Search: https://www.meanwell.comiserviceGTIN.aspx
Description
RSP-750 is a 750W single output enclosed type AC/DC power supply. This series operates for 90-264 VAC nput voltage and offers the models with the DC output mostly demanded from the industry. Each model is cooled by the built-in fan with fan speed control, working for the temperature up to 70C. Moreover, RSP-750 provides vast design flexibility by equipping various built-in functions such as the output programming, remote ON-OFF control, auxiliary power, etc.
Model Encoding/ Order Information
SPECIFICATION
| MODEL | RSP-750-5 | RSP-750-12 | RSP-750-15 | RSP-750-24 | RSP-750-27 | RSP-750-48 | |
|
OUTPUT | DC VOLTAGE | 5V | 12V | 15V | 24V | 27V | 48V |
| RATED CURRENT | 100A | 62.5A | 50A | 31.3A | 27.8A | 15.7A | |
| CURRENT RANGE | 0 ~ 100A | 0 ~ 62.5A | 0 ~ 50A | 0 ~ 31.3A | 0 ~ 27.8A | 0 ~ 15.7A | |
| RATED POWER | 500W | 750W | 750W | 751.2W | 750.6W | 753.6W | |
| RIPPLE & NOISE (max.) Note.2 | 150mVp-p | 150mVp-p | 150mVp-p | 150mVp-p | 150mVp-p | 150mVp-p | |
| VOLTAGE ADJ. RANGE | 4.75 ~ 5.5V | 10 ~ 13.5V | 13.5 ~ 16.5V | 20 ~ 26.4V | 24 ~ 30V | 43 ~ 55V | |
| VOLTAGE TOLERANCE Note.3 | ±2.0% | ±1.0% | ±1.0% | ±1.0% | ±1.0% | ±1.0% | |
| LINE REGULATION | ±0.5% | ±0.5% | ±0.5% | ±0.5% | ±0.5% | ±0.5% | |
| LOAD REGULATION | ±2.0% | ±0.5% | ±0.5% | ±0.5% | ±0.5% | ±0.5% | |
| SETUP, RISE TIME | 1000ms, 50ms at full load | ||||||
| HOLD UP TIME (Typ.) | 16ms/230VAC 16ms/115VAC at full load | ||||||
|
INPUT | VOLTAGE RANGE Note.4 | 90 ~ 264VAC 127 ~ 370VDC | |||||
| FREQUENCY RANGE | 47 ~ 63Hz | ||||||
| POWER FACTOR (Typ.) | 0.97/230VAC 0.98/115VAC at full load | ||||||
| EFFICIENCY (Typ.) | 82% | 87% | 89% | 90.5% | 90.5% | 92% | |
| AC CURRENT (Typ.) | 5V : 5.6A/115VAC 2.8A/230VAC 12V~48V : 8.2A/115VAC 3.9A/230VAC | ||||||
| INRUSH CURRENT (Typ.) | 25A/115VAC 40A/230VAC | ||||||
| LEAKAGE CURRENT | <2.0mA / 240VAC | ||||||
|
PROTECTION | OVERLOAD | 105 ~ 125% rated output power | |||||
| Protection type : Constant current limiting, recovers automatically after fault condition is removed | |||||||
| OVER VOLTAGE (OVP) | 5.75 ~ 6.75V | 13.8 ~ 16.8V | 17 ~ 20.5V | 27.6 ~ 32.4V | 31 ~ 36.5V | 56.6 ~ 66.2V | |
| Protection type : Shut down o/p voltage, re-power on to recover | |||||||
| OVER TEMPERATURE | Shut down o/p voltage, recovers automatically after temperature goes down | ||||||
|
FUNCTION | OUTPUT VOLTAGE PROGRAMMABLE(PV) | Adjustment of output voltage is allowable to 40 ~ 110% of nominal output voltage. Please refer to the Function Manual. | |||||
| CONSTANT CURRENT LEVEL PROGRAMMABLE(PC) | Adjustment of constant current level is allowable to 40 ~ 110% of rated current. Please refer to the Function Manual. | ||||||
| AUXILIARY POWER | 12V @ 0.1A ; tolerance : ±10% | ||||||
| REMOTE ON-OFF CONTROL | Power on : short between Remote ON-OFF(pin13) & 12V-AUX(pin14) on CN50 Power off : open between Remote ON-OFF(pin13) & 12-AUX(pin14) on CN50 | ||||||
| DC OK SIGNAL | The TTL signal out, power supply turn on = 0 ~ 1V ; power supply turn off = 3.3 ~ 5.6V | ||||||
|
ENVIRONMENT | WORKING TEMP. | -30 ~ +70℃ (Refer to “Derating Curve”) | |||||
| WORKING HUMIDITY | 20 ~ 90% RH non-condensing | ||||||
| STORAGE TEMP., HUMIDITY | -40 ~ +85℃, 10 ~ 95% RH non-condensing | ||||||
| TEMP. COEFFICIENT | ±0.03%/℃ (0 ~ 50℃) | ||||||
| VIBRATION | 10 ~ 500Hz, 2G 10min./1cycle, 60min. each along X, Y, Z axes | ||||||
|
SAFETY & EMC (Note 7) | SAFETY STANDARDS | UL62368-1, CSA C22.2 No. 62368-1, TUV BS EN/EN62368-1, CCC GB4943.1, BSMI CNS14336-1, AS/NZS62368.1, EAC TP TC 004 approved | |||||
| WITHSTAND VOLTAGE | I/P-O/P:3KVAC I/P-FG:2KVAC O/P-FG:0.5KVAC | ||||||
| ISOLATION RESISTANCE | I/P-O/P, I/P-FG, O/P-FG:100M Ohms / 500VDC / 25℃/ 70% RH | ||||||
|
EMC EMISSION | Parameter | Standard | Test Level / Note | ||||
| Conducted | BS EN/EN55032 (CISPR32) | Class B | |||||
| Radiated | BS EN/EN55032 (CISPR32) | Class B | |||||
| Harmonic Current | BS EN/EN61000-3-2 | —– | |||||
| Voltage Flicker | BS EN/EN61000-3-3 | —– | |||||
|
EMC IMMUNITY | BS EN/EN55035, BS EN/EN61000-6-2, CCC GB17625.1,GB/T9254, BSMI CNS13438 | ||||||
| Parameter | Standard | Test Level / Note | |||||
| ESD | BS EN/EN61000-4-2 | Level 3, 8KV air ; Level 2, 4KV contact | |||||
| Radiated | BS EN/EN61000-4-3 | Level 3 | |||||
| EFT / Burst | BS EN/EN61000-4-4 | Level 3 | |||||
| Surge | BS EN/EN61000-4-5 | Level 4, 4KV/Line-Earth ; Level 3, 2KV/Line-Line | |||||
| Conducted | BS EN/EN61000-4-6 | Level 3 | |||||
| Magnetic Field | BS EN/EN61000-4-8 | Level 4 | |||||
| Voltage Dips and Interruptions | BS EN/EN61000-4-11 | >95% dip 0.5 periods, 30% dip 25 periods, >95% interruptions 250 periods | |||||
| OTHERS | MTBF | 1036.8K hrs min. Telcordia SR-332 (Bellcore) ; 109.2K hrs min. MIL-HDBK-217F (25℃) | |||||
| DIMENSION | 250*127*41mm (L*W*H) | ||||||
| PACKING | 1.64Kg; 6pcs/10.8Kg/1.1CUFT | ||||||
| NOTE | 1. All parameters NOT specially mentioned are measured at 230VAC input, rated load and 25℃ of ambient temperature. 2. Ripple & noise are measured at 20MHz of bandwidth by using a 12″ twisted pair-wire terminated with a 0.1uf & 47uf parallel capacitor. 3. Tolerance : includes set up tolerance, line regulation and load regulation. 4. Derating may be needed under low input voltages. Please check the derating curve for more details. 5. There is high possibility to trigger the floating over voltage protection when PV voltage is trimmed from a high voltage level to a lower voltage level at light load or no load condition. It is suggested that turn off the power supply and set PV voltage to the lowest level, then adjust output voltage to a desired value. 6. Strongly recommended that external output capacitance should not exceed 5000uF. (Only for: RSP-750-5) 7. The power supply is considered a component which will be installed into a final equipment. All the EMC tests are been executed by mounting the unit on a 720mm*360mm metal plate with 1mm of thickness. The final equipment must be re-confirmed that it still meets EMC directives. For guidance on how to perform these EMC tests, please refer to “EMI testing of component power supplies.” (as available on http://www.meanwell.com) 8. The ambient temperature derating of 3.5℃/1000m with fanless models and of 5℃/1000m with fan models for operating altitude higher than 2000m(6500ft). ※ Product Liability Disclaimer:For detailed information, please refer to https://www.meanwell.com/serviceDisclaimer.aspx | ||||||
Block Diagram
Static Characteristics
| MODEL INPUT | 5V | 12V | 15V |
| 100~264VAC | 500W 100A | 750W 62.5A | 750W 50A |
| 90VAC | 450W 90A | 675W 56.25A | 675W 45A |
| MODEL INPUT | 24V | 27V | 48V |
| 100~264VAC | 751.2W 31.3A | 750.6W 27.8A | 753.6W 15.7A |
| 90VAC | 676.08W 28.17A | 675.54W 25.02A | 678.24W 14.13A |
Derating Curve
Efficiency vs Load (48V Model)
Function Manual
Remote Sense
The remote sensing compensates voltage drop on the load wiring up to 0.5V.
The +S signal should be connected to the positive terminal of the load whereas-S signal to the negative terminal.
By factory default, on CN50, Remote ON-OFF (pin13) and 12V-AUX (pin14), PV(pin5) and PS (pin6), and PC (pin7) and PO (pin8, respectively, are shorted when shipped. The power supply wll have no output if the shorting connector is not assembled unless certain functin needs to be activated.
Remote ON-OFF
The power supply can be turned ON/OFF by using the “Remote ON-OFF” function.
| Between Remote ON-OFF(pin13) and 12V-AUX(pin14) | Power Supply Status |
| SW close (Short) | ON |
| SW open (Open) | OFF |
When multiple power supplies need to turn ON/OFF simultaneously by Remote ON-OFF control, -S & -V on CN50, as well as +S & +V, on each power supply should be connected
Output Voltage Programming (or, PV / remote voltage programming / remote adjust / margin programming / dynamic voltage trim)
In addition to the adjustment via the built-in potentiometer, the output voltage can be trimmed to 40~110% of the nominal voltage by applying EXTERNAL VOLTAGE
If EXTERNAL VOLTAGE (VDC) <0.5V,the power supply may enter under voltage protection; it needs to be restarted to work.
Caution: By factory default, the Output Voltage Programming is not activated, and PV (pin5) and PS(pin6) are shorted by connector. Whenever this function is not needed to activate, as assumed in other sections’ diagrams, please keep PV (pin5) and PS(pin6) shorted ; other wise, the power supply will have no output.
Constant Current Level Programming (or, PC / remote current programming / dynamic current trim)
The constant current level can be trimmed to 40~110% of the rated current by applying EXTERNAL VOLTAGE.
Caution: By factory default, the Output Current Programming is not activated, and PC(pin7) and PO(pin8) are shorted by connector. Whenever this function is not needed to activate, as assumed in other sections’ diagrams, please keep PC(pin7) and PO(pin8) shorted ; otherwise, the power supply will have no output.
DC_OK signal
“DC_OK” is an open collector signal. It indicates the output ※ status of the power supply. It can operate in two ways : One is sinking current from external TTL signal ; the other is sending out a TTL voltage signal.
- Sinking current from external TTL signal: The maximum sink current is 10mA and the maximum external voltage is 5.6V.
- Sending out TTL voltage signal
Between DC- OK(pin9) and GND(pin10&11) Output Status 0 ~ 1V Power supply ON 3.3 ~ 5.6V Power supply OFF 
Mechanical Specification
Mounting Instruction
| Hole No. | Recommended Screw Size | MAX. Penetration Depth L | Recommended mounting torque |
| 1 | M4 | 6mm | 7~11Kgf-cm |
| 2 | M4 | 4mm | 7~11Kgf-cm |

Control Pin No. Assignment (CN50) : HRS DF11-14DP-2DS or equivalent
| Mating Housing | HRS DF11-14DS or equivalent |
| Terminal | HRS DF11-**SC or equivalent |
| Pin No. | Function | Description |
| 1 | +S | Positive sensing for remote sense. |
| 2 | +VS | +V Signal. The +VS should be connected to the +S to reduce the noise when “output voltage programming” function is in use. |
| 3 | -S | Negative sensing for remote sense. |
| 4 | -VS | -V Signal. The -VS should be connected to the -S to reduce the noise when “output voltage programming” function is in use. |
| 5 | PV | Connect to external DC voltage source for output voltage programming, referenced to pin 10,11 (GND). |
| 6 | PS | Reference pin regarding output voltage programming. Please refer to the Function Manual. |
| 7 | PC | Connect to external DC voltage source for output current programming. |
| 8 | PO | Reference pin regarding output current programming. Please refer to the Function Manual. |
| 9 | DC_OK | Open collector signal, referenced to pin10,11(GND). Low when PSU turns on. The maximum sink current is 10mA and the maximum external voltage is 5.6V. |
| 10,11 | GND | These pins connect to the negative terminal (-V). Return for DC_OK Signal output. |
| 12 | G-AUX | Auxiliary voltage output ground. The signal return is isolated from the output terminals (+V & -V). |
| 13 | REMOTE ON-OFF | Turns the output on and off by electrical or dry contact between pin 13 ( ON/OFF) and pin 14 (12V-AUX). Short: Power ON, Open: Power OFF. |
| 14 | 12V-AUX | Auxiliary voltage output, 10.8~13.2V, referenced to pin 12(G-AUX). The maximum load current is 0.1A. This output is not controlled by the “remote ON/OFF control”. |
AC Input Terminal Pin No. Assignment
DC Output Terminal Pin No. Assignment
Installation Manual
Please refer to : http://www.meanwell.com/manual.html
File Name: RSP-750-SPEC 2022-08-08























