SE-450 Series 450W Single Output Power Supply
Owner’s Manual
SE-450 Series 450W Single Output Power Supply
450W Single Output Power Supply
GTIN CODE
MW Search https://www.meanwell.com/serviceGTIN.aspx
Features :
- AC input active surge current limiting
- AC input range selected by switch
- Protections: Short circuit/Overload/Over voltage/Over temperature
- Forced air cooling by built-in DC ball bearing fan
- Built-in remote sense function
- LED indicator for power on
- UL approved
- 2 years warranty
SPECIFICATION
| MODEL | SE-450-3.3 | SE-450-5 | SE-450-12 | SE-450-15 | SE-450-24 | SE-450-36 | SE-450-48 | |
|
OUTPUT | DC VOLTAGE | 3.3V | 5V | 12V | 15V | 24V | 36V | 48V |
| RATED CURRENT | 75A | 75A | 37.5A | 30A | 18.8A | 12.5A | 9.4A | |
| CURRENT RANGE | 0 ~ 75A | 0 ~ 75A | 0 ~ 37.5A | 0 ~ 30A | 0 ~ 18.8A | 0 ~ 12.5A | 0 ~ 9.4A | |
| RATED POWER | 247.5W | 375W | 450W | 450W | 451.2W | 450W | 451.2W | |
| RIPPLE & NOISE (max.) Note.2 | 200mVp-p | 200mVp-p | 200mVp-p | 200mVp-p | 200mVp-p | 200mVp-p | 200mVp-p | |
| VOLTAGE ADJ. RANGE | 2.97 ~ 3.63V | 4.5 ~ 5.5V | 10.8 ~ 13.5V | 13.5 ~ 16.5V | 21.6 ~ 28.5V | 32.4 ~ 39.6V | 43.2 ~ 52.8V | |
| VOLTAGE TOLERANCE Note.3 | ±3.0% | ±3.0% | ±1.0% | ±1.0% | ±1.5% | ±1.0% | ±1.0% | |
| LINE REGULATION | ±0.5% | ±0.5% | ±0.3% | ±0.3% | ±0.2% | ±0.2% | ±0.2% | |
| LOAD REGULATION | ±2.0% | ±2.0% | ±0.5% | ±0.5% | ±0.5% | ±0.5% | ±0.5% | |
| SETUP, RISE TIME | 1500ms, 50ms/230VAC 1500ms, 50ms/115VAC at full load | |||||||
| HOLD UP TIME (Typ.) | 16ms/230VAC 12ms/115VAC at full load | |||||||
|
INPUT | VOLTAGE RANGE | 90 ~ 132VAC/180 ~ 264VAC selected by SW 254 ~ 370VDC | ||||||
| FREQUENCY RANGE | 47 ~ 63Hz | |||||||
| EFFICIENCY (Typ.) | 74% | 78% | 83% | 84% | 86% | 86% | 88% | |
| AC CURRENT (Typ.) | 10A/115VAC 6A/230VAC | |||||||
| INRUSH CURRENT (Typ.) | 35A/115VAC 55A/230VAC | |||||||
| LEAKAGE CURRENT | <2.5mA/240VAC | |||||||
|
PROTECTION | OVERLOAD | 105 ~ 150% rated output power | ||||||
| Protection type : Shut down o/p voltage, re-power on to recovery | ||||||||
| OVER VOLTAGE | 3.8 ~ 4.6V | 5.75 ~ 6.75V | 13.8 ~ 16.2V | 18 ~ 21V | 32 ~ 36V | 45 ~ 52V | 57.6 ~ 67.2V | |
| Protection type : Shut down o/p voltage, re-power on to recovery | ||||||||
| OVER TEMPERATURE | Shut down o/p voltage, recovers automatically after temperature goes down | |||||||
| ENVIRONMENT | WORKING TEMP. | -10 ~ +60℃ (Refer to “Derating Curve”) | ||||||
| WORKING HUMIDITY | 20 ~ 90% RH non-condensing | |||||||
| STORAGE TEMP., HUMIDITY | -40 ~ +85℃,10 ~ 95% RH | |||||||
| TEMP. COEFFICIENT | ±0.05%/℃ (0 ~ 50℃) | |||||||
| VIBRATION | 10 ~ 500Hz, 2G 10min./1cycle, 60min. each along X, Y, Z axes | |||||||
| SAFETY | SAFETY STANDARDS | UL62368-1, EAC TP TC 004, BSMI CNS14336-1 approved; Design refer to BS EN/EN62368-1 | ||||||
| WITHSTAND VOLTAGE | I/P-O/P:3KVAC I/P-FG:2KVAC O/P-FG:0.5KVAC | |||||||
| ISOLATION RESISTANCE | I/P-O/P, I/P-FG, O/P-FG:100M Ohms / 500VDC / 25℃/ 70% RH | |||||||
| OTHERS | MTBF | 1557.5 K hrs min. Telcordia SR-332 (Bellcore) ; 224.1K hrs min. MIL-HDBK-217F (25℃) | ||||||
| DIMENSION | 225*124*50mm (L*W*H) | |||||||
| PACKING | 1.25Kg;12PCS/16Kg/1CUFT | |||||||
| NOTE | 1. All parameters NOT specially mentioned are measured at 230VAC input, rated load and 25℃ of ambient temperature. 2. Ripple & noise are measured at 20MHz of bandwidth by using a 12″ twisted pair-wire terminated with a 0.1uf & 47uf parallel capacitor. 3. Tolerance : includes set up tolerance, line regulation and load regulation. 4. The ambient temperature derating of 3.5℃/1000m with fanless models and of 5℃/1000m with fan models for operating altitude higher than 2000m(6500ft). 5. This power supply does not meet the harmonic current requirements outlined by BS EN/EN61000-3-2. Please do not use this power supply under the following conditions: a) the end-devices is used within the European Union, and b) the end-devices is connected to public mains supply with 220Vac or greater rated nominal voltage, and c) the power supply is: – installed in end-devices with average or continuous input power greater than 75W, or – belong to part of a lighting system Exception: Power supplies used within the following end-devices do not need to fulfill BS EN/EN61000-3-2 a) professional equipment with a total rated input power greater than 1000W; b) symmetrically controlled heating elements with a rated power less than or equal to 200W ※ Product Liability Disclaimer:For detailed information, please refer to https://www.meanwell.com/serviceDisclaimer.aspx | |||||||
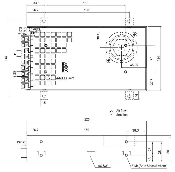
Mechanical Specification
Case No. 986A
Unit: mm

Terminal Pin No. Assignment:
| Pin No. | Assignment | Pin No. | Assignment |
| 1 | AC/L | 4-6 | DC OUTPUT -V |
| 2 | AC/N | 7-9 | DC OUTPUT +V |
| 3 | FG |
Function Connector(CN102):
HRS DF11-4DP-2DS or equivalent
| Pin No. | Status | Mating Housing | Terminal |
| 1,3 | +S | HRS DF11-4DS or equivalent | HRS DF11-‘SC or equivalent |
| 2,4 | -S |
Block Diagram

Derating Curve

Static Characteristics 
https://www.meanwell.com/Upload/PDF/Enclosed_Type_EN.pdf

![]()



















