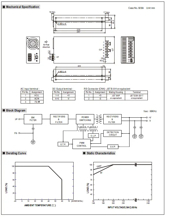
MEAN WELL SE-600 600W Single Output Power Supply
Features:
- AC input active surge curent limiting
- AC input range selected by switch
- Protections:Short circuit/Overload
- Over voltage/Over temperature
- Forced air cooling by built-in DC fan
- High power density 4.9win
- Built-in remote sense function
- UL approved
- Low cost
- 2 years warranty
Specifications
- All parameters NO specialy mentoned are measured at 230vACinput, rated load and 25Co ambient temperature.
- Ripple & noise are measured at 20MHz of bandwidth by using a 12″ twisted pair-wire terminated with a 0.1uf & 47uf parallel capacitor.
- olerance: includes set up tolerance, line regulation and load regulation.
- The ambient temperature derating of 3.5T1000m with fanless models and of 5’U100m with fan models for operating altitude higher than 2000m(6500ft).
- This power supply does not meet the harmonic current requirements Outlined by BS ENEN61000-3-2. Please do not use this power supply end-devices is used within the European Union, an
- the end-devices is connected to public mains supply with 220Vac or greater rated nominal voltage, and C Tne power suppiy Is
- installed in end-devices with average or continuous input power greater than 75W, or belong to part of a lighting system wer supplies used within the following end-devices do not need to fulfl Bs EN/EN6 1000-3-2
- professional equipment with a total rated input power greater than 1000W;
- symmetrically controlled heating elements with a rated power less than or equal to 200W Product .
























