WELL SHP-10K Series 10KW 3W High Efficiency Digital Power Supply
Owner’s Manual
Forced-air cooling: Blank type

Features
- 3ψ 3-wire without Neutral / 340~530VAC wide input range
- High efficiency up to 97%
- Water / forced air cooling selectable
- Built-in CANBus/Optional PMBus/MODBus-RTU/RS-485 protocol
- Output voltage and constant current level programmable
- Active current sharing up to 4 units(40KW)
- Built-in remote ON-OFF control / Auxilary power / Alarm signal
- Protections: Short circuit / Overload / Over voltage / Over temperature / Fan fail 5 years warranty
Water cooling: L type
https://www.meanwell.com/webapp/product/search.aspx?prod=SHP-10K&pdf=U0hQLTEwSy1FLnBkZg==&a=4
Applications
- Energy power system for automation
- U.V or laser diode application
- Electrolysis system
- Laser processing machine
- Burn-in facility
- RF application
- EV charging station
GTIN CODE
MW Search: https://www.meanwell.com/serviceGTlN.aspx
Description
SHP-10K is a 10KW 3ψ 3W input AC/DC power supply. This series operates for the wide range three phase AC input (3 phase 3 wire / 340~530VAC) neutral is not needed, and offers the models with DC outputs (55V/115V/230V/380V) that mostly demanded by various industries. Two types of cooling methods, forced air and water cooling, that can be working at ambient temperature up to 70℃. Moreover, SHP-10K provides vast design flexibility by equipping various built-in functions such as output programming, active current sharing, remote ON-OFF control, auxiliary power, and communication protocols, that will not only satisfy marker demand, but also enhance automation purpose.
Model Encoding
| Type | Communication Protocol | Note |
| Blank | CANBus | ln Stock |
| -PM | PMBus | By request |
| -MOD | MODBus-RTU/RS-485 | By request |
SPECIFICATION
| MODEL | SHP-10K-55 | SHP-10K-115 | SHP-10K-230 | SHP-10K-380 | |||
| OUTPUT | DC VOLTAGE (factory default) | 55V | 115V | 230V | 380V | ||
| CURRENT (factory default) | 131A | 87A | 43.5A | 26.3A | |||
| CURRENT RANGE | 0 ~ 150A | 0 ~ 87A | 0 ~ 46.3A | 0 ~ 30A | |||
| RATED POWER (max.) | 7200W | 10000W | 10000W | 10000W | |||
| FULL POWER VOLTAGE RANGE | 48 ~ 57.6V | 115 ~ 138V | 216 ~ 260V | 334 ~ 400V | |||
| RIPPLE & NOISE (max.) Note.2 | 0.3Vp-p | 0.6Vp-p | 1Vp-p | 1Vp-p | |||
| VOLTAGE ADJ. RANGE | 39 ~ 57.6V | 90 ~ 138V | 170 ~ 260V | 260 ~ 400V | |||
| Can be adjusted via built-in potentiometer | |||||||
| VOLTAGE TOLERANCE Note.3 | ±1.0% | ±1.0% | ±1.0% | ±1.0% | |||
| LINE REGULATION | ±0.5% | ±0.5% | ±0.5% | ±0.5% | |||
| LOAD REGULATION | ±0.5% | ±0.5% | ±0.5% | ±0.5% | |||
| SETUP, RISE TIME | 3000ms, 100ms at full load | ||||||
| HOLD UP TIME (Typ.) | 25ms / 400VAC at 75% load 20ms / 400VAC at full load | ||||||
| INPUT | VOLTAGE RANGE Note.4 | 3ψ 3-wire / 340 ~ 530VAC | |||||
| FREQUENCY RANGE | 47 ~ 63Hz | ||||||
| POWER FACTOR (Typ.) | ≧0.98/400VAC/480VAC at full load | ||||||
| EFFICIENCY (Typ.) Note.6 | 94.5% | 96% | 96.5% | 96.5% | |||
| AC CURRENT (Typ.) | 11.2A/400VAC 9.5A/480VAC | 15.7A/400VAC 13A/480VAC | |||||
| INRUSH CURRENT (Typ.) | 40A/400VAC 65A/480VAC | ||||||
| LEAKAGE CURRENT | <6.5mA peak / 530VAC | ||||||
| PROTECTION | OVER LOAD | 100 ~ 105% of rated current | |||||
| Protection type : Constant current limiting, unit will shutdown after 5 sec. re-power on to recover | |||||||
| OVER VOLTAGE | 60.5 ~ 69.1V | 145 ~ 166V | 273 ~ 312V | 420 ~ 480V | |||
| Protection type : Shut down o/p voltage, re-power on to recover | |||||||
| OVER TEMPERATURE | Shut down o/p voltage, recovers automatically after temperature goes down | ||||||
| FUNCTION | CURRENT SHARING | Up to 4 units. Please refer to the Function Manual | |||||
| OUTPUT VOLTAGE PROGRAMMABLE | Adjustment of output voltage is allowable between 50 ~ 120% of nominal output voltage. Please refer to the PV curve Function Manual | ||||||
| CONSTANT CURRENT LEVEL PROGRAMMABLE | Adjustment of constant current level is allowable between 20 ~ 100% of rated current. Please refer to the PC curve Function Manual | ||||||
| AUXILIARY POWER(AUX) | 12V@1A tolerance±5%, ripple 150mVp-p | ||||||
| REMOTE ON-OFF CONTROL | Please refer to the Function Manual. | ||||||
| ALARM SIGNAL OUTPUT | AC-OK, DC-OK, Fan Fail. Please refer to the Function Manual. | ||||||
| DC-OK SIGNAL | The TTL signal output, PSU turn on = -0.5 ~ 0.5V ; PSU turn off = 3.5 ~ 5.5V. Please refer to the Function Manual | ||||||
| ENVIRONMENT | WORKING TEMP. | -30 ~ +70℃ (Refer to “Derating Curve”) | |||||
| WORKING HUMIDITY | 20 ~ 90% RH non-condensing | ||||||
| STORAGE TEMP., HUMIDITY | -40 ~ +85℃, 10 ~ 95% RH non-condensing | ||||||
| TEMP. COEFFICIENT | ±0.03%/℃ (0 ~ 50℃) | ||||||
| VIBRATION | 10 ~ 500Hz, 2G 10min./1cycle, 60min. each along X, Y, Z axes | ||||||
| SAFETY & EMC (Note 5,7) | SAFETY STANDARDS | UL62368-1, CAN/CSA C22.2 No. 62368-1, TUV BS EN/EN62368-1, EAC TP TC 004 approved | |||||
| WITHSTAND VOLTAGE | I/P-O/P:3.75KVAC I/P-FG:2KVAC O/P-FG:1.25KVAC | ||||||
| ISOLATION RESISTANCE | I/P-O/P, I/P-FG, O/P-FG:100M Ohms / 500VDC / 25℃/ 70% RH | ||||||
|
EMC EMISSION | Parameter | Standard | Test Level / Note | ||||
| Conducted | BS EN/EN55032 (CISPR32) / EN55011 (CISPR11) | Class B | |||||
| Radiated | BS EN/EN55032 (CISPR32) / EN55011 (CISPR11) | Class A | |||||
| Harmonic Current | BS EN/EN61000-3-2 | —– | |||||
| Voltage Flicker | BS EN/EN61000-3-3 | —– | |||||
| EMC IMMUNITY | EN55024 , EN61204-3, EN61000-6-2 | ||||||
| Parameter | Standard | Test Level / Note | |||||
| ESD | BS EN/EN61000-4-2 | Level 3, 8KV air ; Level 2, 4KV contact | |||||
| Radiated | BS EN/EN61000-4-3 | Level 3 | |||||
| EFT / Burst | BS EN/EN61000-4-4 | Level 3 | |||||
| Surge | BS EN/EN61000-4-5 | Level 4, 4KV/Line-Earth ; Level 3, 2KV/Line-Line | |||||
| Conducted | BS EN/EN61000-4-6 | Level 3 | |||||
| Magnetic Field | BS EN/EN61000-4-8 | Level 4 | |||||
| Voltage Dips and Interruptions | BS EN/EN61000-4-11 | >95% dip 0.5 periods, 30% dip 25 periods, >95% interruptions 250 periods | |||||
| OTHERS | MTBF | 281.2K hrs min. Telcordia SR-332 (Bellcore) ; 28K hrs min. MIL-HDBK-217F (25℃) | |||||
| DIMENSION | SHP-10K: 460*211*83.5mm (L*W*H) SHP-10K-L: 460*216*83.5mm (L*W*H) | ||||||
| PACKING | SHP-10K: 11.9Kg; 1pcs/11.9Kg/1.25CUFT SHP-10K-L: 11.9Kg; 1pcs/11.9Kg/1.1CUFT | ||||||
| NOTE | 1. All parameters NOT specially mentioned are measured at 400VAC input, rated load and 25℃ of ambient temperature. 2. Ripple & noise are measured at 20MHz of bandwidth by using a 12″ twisted pair-wire terminated with a 0.1uf & 47uf parallel capacitor. 3. Tolerance :includes set up tolerance, line regulation and load regulation. 4. Derating may be needed under low input voltages. Please check the derating curve for more details. 5. Additional EMI filter is needed to meet regulations of EMC conducted and radiated emission. Characteristics of EMI filter please refer to the table, Minimum Insertion Loss. 6. The efficiency is measured at 480VAC input. 7. The power supply is considered a component which will be installed into a final equipment. All the EMC tests are been executed by mounting the unit on a 600mm*900mm metal plate with 1mm of thickness. The final equipment must be re-confirmed that it still meets EMC directives. For guidance on how to perform these EMC tests, please refer to “EMI testing of component power supplies.” (as available on http://www.meanwell.com) 8. The ambient temperature derating of 3.5℃/1000m with fanless models and of 5℃/1000m with fan models for operating altitude higher than 2000m(6500ft). 9. If use PV signal to adjust Vo, under certain operations conditions, ripple noise of Vo might slightly go over rating defined in this specification. 10.Under light load condition, output voltage ripple will exceed specification. The behavior can be minimized by increasing the load. ※ Product Liability Disclaimer:For detailed information, please refer to https://www.meanwell.com/serviceDisclaimer.aspx | ||||||
BLOCK DIAGRAM

DERATING CURVE


STATIC CHARACTERISTICS
EFFICIENCY VS LOAD (380V MODEL)
AC Power Connection

Function Manual
1. Output Voltage Programming (or, PV / remote voltage programming / remote adjust / margin programming / dynamic voltage trim)
Default by potentiometer (SVR)

Have the DIP switch position-3 set as
Output voltage can be trimmed by SVR
By Output Voltage Programming
Have the DIP switch position-3 set as
The output voltage can be trimmed to 50~120% by applying EXTERNAL VOLTAGE between PV+ and PV- on


2.Constant Current Programming (or, PC / remote current programming / dynamic current trim)
(1)Default Overload Protection(OLP) value
(a)Have the DIP switch position-2 set as
(b)Output current is set default value.
(2)By Constant Current Level Programming
(a)Have the DIP switch position-2 set as
(b)The constant current level can be trimmed to 20~100% of the rated current by applying EXTERNAL VOLTAGE between PC+ PC- and on CN53.

※ Under PC function at wattage < 4KW, the power supply might enter burst mode and cause output unstable, please increase the load to minimized the effect.
※ Ac uto de-rating function overed by over temperature protection, works either in PC mode or under control by communication protocol.
T : Maximum ambient temperature of full load. 1(Typ.) T 2(Typ.) ℃ : T1+5
The rated current should change with the Output Voltage Programming accordingly.
3.DA, DB signal and parallel control function
(1)Non-parallel operation
(a)set the DIP switch of postion-1 as
(b) By default, non-parallel operation
(2)Default parallel operation
(a)set the DIP switch of postion-1 as
(b)PSUs are configured in parallel operation.
4.Remote ON-OFF Control
※ The power supply can be turned ON-OFF by using the “Remote ON-OFF” function.
| Between Remote ON-OFF(CN86 pin1) and 5V-AUX(CN86 pin2) | Output Status |
| Switch close (Short) | power supply ON |
| Switch open (Open) | power supply OFF |
Table 4.1
5.Alarm Signal Output
※ There are 4 alarm signals, DC-OK, T-ALARM, Fan Fail and AC-OK, in TTL signal form, on CN86. These signals are isolated from output.
| DC-OK & T-ALARM & Fan Fail Signal | Power Supply Status |
| “High” >3.5~5.5V | OFF |
| “Low” <-0.5~0.5V | ON |
| AC-OK Signal | Power Supply Status |
| “High” >3.5~5.5V | ON |
| “Low” <-0.5~0.5V | OFF |
※ DC OK might mis-triggered when the voltage difference between PSU and the load, please minimized the unnecessary voltage difference.
6.Current Sharing
SHP-10K has the built-in active current sharing function and can be connected in parallel, up to 4 units, to provide higher output power as exhibited below :
※ The power supplies should be paralleled using short and large diameter wiring and then connected to the load.
※ In parallel connection, power supply with the highest output Voltage will be the master unit and its Vout will be the DC bus voltage.
※ The total output current must not exceed the value determined by the following equation:
Maximum output current at parallel operation=(Rated current per unit) (Number of unit) 0.95××
※ When the total output current is less than 5% of the total rated current, or say (5% of Rated current per unit) (Number of unit)
× the current shared among units may not be balanced.
※ Under parallel operation ripple of the output voltage may be higher than the SPEC at light load condition. It will go back to normal ripple level once the output load is more than 5%.
※ CN53/SW1 Function pin connection
| Parallel | PSU1 | PSU2 | PSU3 | PSU4 | ||||
| CN53 | SW1 PIN1 | CN53 | SW1 PIN1 | CN53 | SW1 PIN1 | CN53 | SW1 PIN1 | |
| 1 unit | X | ON | ∣ | ∣ | ∣ | ∣ | ∣ | ∣ |
| 2 unit | V | ON | V | ON | ∣ | ∣ | ∣ | ∣ |
| 3 unit | V | ON | V | OFF | V | ON | ∣ | ∣ |
| 4 unit | V | ON | V | OFF | V | OFF | V | ON |
(V : CN53 connected ; X : CN53 not connected.)

◎ DA,DB are connected mutually in parallel.
Mechanical Specification
※ Forced-Air Cooling (Blank type)
※ Water Cooling (L type)
※ Control Pin No. Assignment (3) CN5 : HRS DF11-10DP-2DS or equivalent![]()
| Mating Housing | HRS DF11-10DS or equivalent |
| Terminal | HRS DF11-**SC or equivalent |
| Pin No. | Function | Description |
| 1,2 | -V(Signal) | Negative output voltage signal. It is for local sense and certain function reference; it cannot be connected directly to the load. |
| 3,4 | PV+ | Connection for output voltage programming. (Note) |
| 5,6 | PC+ | Connection for constant current level programming. (Note) |
| 7,8 | DB | Differential digital signal for parallel control. (Note) |
| 9,10 | DA | Differential digital signal for parallel control. (Note) |
Note: Non-isolated signal, referenced to [-V(Signal)].
※ Control Pin No. Assignment ()CN86 : HRS DF11-18DP-2DS or equivalent
![]()
| Mating Housing | HRS DF11-18DS or equivalent |
| Terminal | HRS DF11-**SC or equivalent |
| Pin No. | Function | Description |
| 1 | Remote ON-OFF | The unit can turn the output ON/OFF by dry contact between Remote ON/OFF and +5-AUX.(Note) Short (4.5 ~ 5.5V) : Power ON ; Open(0 ~ 0.5V) : Power OFF ; The maximum input voltage is 5.5V |
| 2 | +5V-AUX | Auxiliary voltage output, 4.5~5.5V, referenced to GND-AUX (pin 4,6,8,10,17,18) only for Remote ON/OFF used. This output is not controlled by the Remote ON/OFF control. |
| 3 | T-ALARM | High (3.5 ~ 5.5V) : When the internal temperature exceeds the limit of temperature alarm. Low (-0.5 ~ 0.5V) : When the internal temperature is normal. The maximum sourcing current is 10mA and only for output.(Note) |
| 4,6,8,10 | GND-AUX | Auxiliary voltage output GND. The signal return is isolated from the output terminals (+V & -V). |
| 5 | Fan Fail | High(3.5~5.5V):When the fan fail. Low(-0.5~0.5V):When the fan works normally. The maximum sourcing current is 10mA and only for output.(Note) |
| 7 | DC-OK | High(3.5 ~ 5.5V) : When Vout≦80%±6%. Low(-0.5 ~ 0.5V) : When Vout≧80%±6%. The maximum sourcing current is 10mA and only for output.(Note) |
| 9 | AC-OK | High (3.5 ~ 5.5V): When AC input ≧335±1.5%Vac, PSU works normally. Low (-0.5 ~ 0.5V): When AC input ≦320±1.5%Vac, PSU shut down. The maximum sourcing current is 10mA and only for output.(Note) |
| 11,12 | SCL/CANL/ DATA- | For PMBus model: Serial Clock used in the PMBus interface.(Note) |
| For CANBus model: Data line used in CANBus interface.(Note) | ||
| For MODBus model: Data line used in MODBus interface.(Note) | ||
| 13,14 | SDA/CANH/ DATA+ | For PMBus model: Serial Data used in the PMBus interface.(Note) |
| For CANBus model: Data line used in CANBus interface.(Note) | ||
| For MODBus model: Data line used in MODBus interface.(Note) | ||
| 15,16 | +12V-AUX | Auxiliary voltage output, 11.4~12.6V, referenced to GND-AUX (pin17 & 18). The maximum load current is 1A. This output is not controlled by “Remote ON-OFF”. |
| 17,18 | GND-AUX | Auxiliary voltage output GND. The signal return is isolated from the output terminals(+V & -V). |
※ LED Status Indicators
| LED | Description |
| Green(LED1) | LED on when output voltage is OK |
| Red(LED2) | LED on when any protection occurs |
※AC Input Terminal Pin No. Assignment (TB1)
| Pin No. | Assignment | Diagram | Maximum mounting torque |
| 1 | FG | 18Kgf-cm | |
| 2 | AC/L1 | ||
| 3 | AC/L2 | ||
| 4 | AC/L3 |
※DIP Switch Position Assignment(DIP-SW1): Please refer to the Function Manual.
| Pin No. | Assignment | Diagram |
| 1 | DA,DB Signal and paralled control function | ON DIP-SW PIN2:PC OFF DIP-SW PIN3:PV |
| 2 | Output Current Programming (PC) | |
| 3 | Output Voltage Programming (PV) |
※DIP Switch Position Assignment(DIP-SW81): Please refer to the Function Manual.
| Pin No. | Function | Description |
| 1 | A0 | PMBus/CANBus/MODBus interface address switch. (Max. 8 address) |
| 2 | A1 | |
| 3 | A2 | |
| 4 | RL | Termination resistors(120Ω) for communication.(CANBUS、MODBUS) |
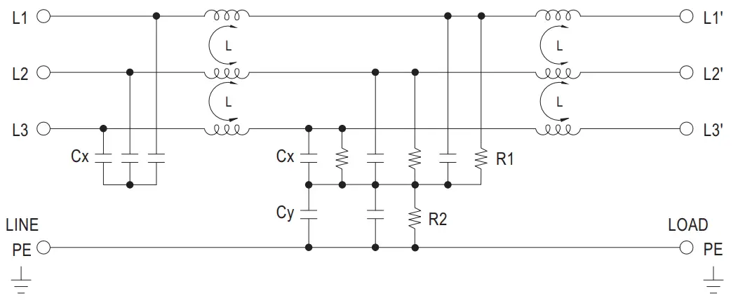
GUIDANCE OF ADDITIONAL FILTER
1.Schematic
2.Minimum insertion loss (In dB at 50Ω system): Filter model FN3288-20-33-C35-R65 or equivalent
| FREQ. MHz | 0.01 | 0.05 | 0.10 | 0.15 | 0.50 | 1.0 | 5.0 | 10 | 30 |
| COM. MODE dB | 20 | 47 | 61 | 66 | 100 | 83 | 62 | 49 | 30 |
| DIF. MODE dB | 13 | 16 | 47 | 58 | 87 | 86 | 80 | 79 | 65 |
Minimum Impedance: Core model 4A11 or equivalent
| FREQ. MHz | 10 | 20 | 30 | 50 | 60 | 80 | 90 | 100 | 120 |
| Z(Ω) | 70.5 | 93.7 | 111 | 136 | 145 | 156 | 160 | 166 | 180 |
4.Configration
1.Suitable for water cooling (L type)
Ambient temperature: 50℃
Inlet temperature 5~15- ℃
Flow rate (minimum)- 4~ 10LPM
Humidity: 20~90% RH non-condensing
Pressure drop 6 psi (minimum) , pressure inlet 80 psi (maximum)
If optional cold plate is in need, please contact MEAN WELL for details. Ordering No.:HS-684

2.With 85CFM forced air (L type)

Installation Manual
Please refer to : http://www.meanwell.com/manual.html
File Name:SHP-10K-SPEC 2022-07-27

















