MEAN WELL HRP-300N3 Series 300W Ultra-High Peak Power Supply

Product Information
The HRP-300N3 series is a 300W ultra-high peak power supply with four different models that provide DC voltage of 12V, 24V, 36V, and 48V. The power supply has a voltage adjustment range of 10.2V to 13.8V and can operate at an input voltage range of 85VAC to 264VAC and 120VDC to 370VDC. It has overcurrent, overvoltage, and over-temperature protection, and is compliant with various safety and EMC standards such as AS/NZS 62368.1, UL62368-1, TUV BS EN/EN62368-1, EAC TP TC 004.
Product Specifications
| Model | Rated current | Output current range | Ripple & noise (max.) | Line regulation | Load regulation | Efficiency (typ.) |
|---|---|---|---|---|---|---|
| HRP-300N3-12 | 27A | 0 ~ 27A | 120mVp-p | N/A | 150mVp-p (0 ~ 14A), 250mVp-p (0 ~ 9A), 250mVp-p (0 ~ 7A) | 88% |
| HRP-300N3-24 | 14A | 0 ~ 14A | 120mVp-p | N/A | 150mVp-p (0 ~ 14A), 250mVp-p (0 ~ 9A), 250mVp-p (0 ~ 7A) | 87% |
| HRP-300N3-36 | 9A | 0 ~ 9A | 120mVp-p | N/A | 150mVp-p (0 ~ 14A), 250mVp-p (0 ~ 9A), 250mVp-p (0 ~ 7A) | 88% |
| HRP-300N3-48 | 7A | 0 ~ 7A | 120mVp-p | N/A | 150mVp-p (0 ~ 14A), 250mVp-p (0 ~ 9A), 250mVp-p (0 ~ 7A) | 89% |
Product Usage Instructions
The HRP-300N3 series power supply is designed for industrial use and requires proper installation and handling. Here are some guidelines for product usage:
- Ensure that the input voltage range and frequency are compatible with the power supply specifications.
- Connect the AC input and DC output terminals securely and properly according to the product manual.
- Make sure that the load current does not exceed the rated current of the power supply model being used.
- Monitor the DC output voltage periodically and adjust if necessary within the voltage adjustment range.
- Ensure that the power supply is installed in a well-ventilated area and that the ambient temperature and humidity levels are within the specified range.
- Follow all safety guidelines and product warnings provided in the user manual.
For any issues or further assistance, please refer to the product manual or contact the manufacturer’s customer support.
User’s Manual



Features
- Universal AC input/ Full range
- Withstand 300VAC surge input for 5 seconds
- 350% peak power capability
- Built-in constant current limiting circuit
- Protections: Short circuit/ Overload/ Over voltage Over temperature
- Built-in cooling fan ON-OFF control Built-in DC OK signal
- Built-in remote sense function
- Withstand 5G vibration
- Oprating altitude up to 5000 meters(Note.5)
- Output votage adjustable +15%{Avg.)
- 1U low profile 41mm
- 5 years warranty
Applications
- Industrial automation machinery
- Industrial control system
- Mechanical and electrical equip me
- Diagnostic or biological facilities
- Test or measurement systems
- Telecommunication equipment
GTIN CODE MW Search:
https://www.meanwell.com/serviceGTIN.aspx
Description
HRP-300N3 series is a 300W single output AC/DC ultra-high peak power supply. This series operates at 85-264VAC input voltage and offers the models with the DC output mostly demanded from the industry. Each model is cooled by the built-in fan with fan ON-OFF control, working for the temperature up to 70C. Moreover, HRP-300N3 can provide 350% short-duration peak power for motor applications and electromechanical loads requiring much higher power during start-up.
Model Encoding

| MODEL | HRP-300N3-12 | HRP-300N3-24 | HRP-300N3-36 | HRP-300N3-48 | |||
| OUTPUT | DC VOLTAGE | 12V | 24V | 36V | 48V | ||
| RATED CURRENT | 27A | 14A | 9A | 7A | |||
| CURRENT RANGE | 0 ~ 27A | 0 ~ 14A | 0 ~ 9A | 0 ~ 7A | |||
| RATED POWER | 324W | 336W | 324W | 336W | |||
| RIPPLE & NOISE (max.) Note.2 | 120mVp-p | 150mVp-p | 250mVp-p | 250mVp-p | |||
| VOLTAGE ADJ. RANGE | 10.2 ~ 13.8V | 21.6 ~ 28.8V | 28.8 ~ 39.6V | 40.8 ~ 55.2V | |||
| VOLTAGE TOLERANCE Note.3 | ±1.0% | ±1.0% | ±1.0% | ±1.0% | |||
| LINE REGULATION | ±0.3% | ±0.2% | ±0.2% | ±0.2% | |||
| LOAD REGULATION | ±0.5% | ±0.5% | ±0.5% | ±0.5% | |||
| SETUP, RISE TIME | 1000ms, 50ms/230VAC 2500ms, 50ms/115VAC at full load | ||||||
| HOLD UP TIME (Typ.) | 16ms/230VAC 16ms/115VAC at full load | ||||||
| INPUT | VOLTAGE RANGE Note.4 | 85 ~ 264VAC 120 ~ 370VDC | |||||
| FREQUENCY RANGE | 47 ~ 63Hz | ||||||
| POWER FACTOR (Typ.) | PF>0.95/230VAC PF>0.99/115VAC at full load | ||||||
| EFFICIENCY (Typ.) | 88% | 87% | 88% | 89% | |||
| AC CURRENT (Typ.) | 3.5A/115VAC 1.8A/230VAC | ||||||
| INRUSH CURRENT (Typ.) | 35A/115VAC 75A/230VAC | ||||||
| LEAKAGE CURRENT | <2mA / 240VAC | ||||||
|
PROTECTION | OVERLOAD | Output power >105% rated for more than 5 seconds then shut down o/p voltage, re-power on to recover | |||||
| Constant current limiting for output power >380%(1140W) rated for more than 5 seconds and then shut down o/p voltage, re-power on to recover | |||||||
| OVER VOLTAGE | 14.4 ~ 16.8V | 30 ~ 34.8V | 41.4 ~ 48.6V | 57.6 ~ 67.2V | |||
| Protection type : Shut down o/p voltage, re-power on to recover | |||||||
| OVER TEMPERATURE | TSW1:Shut down o/p voltage, recovers automatically after temperature goes down RTH3: Shut down o/p voltage, re-power on to recover | ||||||
| FUNCTION | DC OK SIGNAL | PSU turns on : 3.3 ~ 5.6V ; PSU turns off : 0 ~ 1V | |||||
| FAN CONTROL (Typ.) | Load 35±15% or RTH2≧50℃ Fan on | ||||||
| ENVIRONMENT | WORKING TEMP. | -40 ~ +70℃ (Refer to “Derating Curve”) | |||||
| WORKING HUMIDITY | 20 ~ 90% RH non-condensing | ||||||
| STORAGE TEMP., HUMIDITY | -40 ~ +85℃, 10 ~ 95% RH non-condensing | ||||||
| TEMP. COEFFICIENT | ± 0.03%/ ℃ (0 ~ 50℃) | ||||||
| VIBRATION | 10 ~ 500Hz, 5G 10min./1cycle, 60min. each along X, Y, Z axes | ||||||
| OPERATING ALTITUDE Note.5 | 5000 meters | ||||||
| SAFETY & EMC (Note 6) | SAFETY STANDARDS | UL62368-1, TUV BS EN/EN62368-1, EAC TP TC 004, AS/NZS 62368.1 approved | |||||
| WITHSTAND VOLTAGE | I/P-O/P:3KVAC I/P-FG:2KVAC O/P-FG:0.5KVAC | ||||||
| ISOLATION RESISTANCE | I/P-O/P, I/P-FG, O/P-FG:100M Ohms / 500VDC / 25℃/ 70% RH | ||||||
| EMC EMISSION | Parameter | Standard | Test Level / Note | ||||
| Conducted | BS EN/EN55032 | Class B | |||||
| Radiated | BS EN/EN55032 | Class B | |||||
| Harmonic current | BS EN/EN61000-3-2 | Class A | |||||
| Voltage Flicker | BS EN/EN61000-3-3 | —– | |||||
| EMC IMMUNITY | BS EN/EN55035 , BS EN/EN61000-6-2(BS EN/EN50082-2) | ||||||
| Parameter | Standard | Test Level / Note | |||||
| ESD | BS EN/EN61000-4-2 | Level 3, 8KV air; Level 2, 4KV contact | |||||
| RF field | BS EN/EN61000-4-3 | Level 3, 10V/m | |||||
| EFT/ Burst | BS EN/EN61000-4-4 | Level 3, 2KV | |||||
| Surge | BS EN/EN61000-4-5 | Level 4, 4KV/Line-FG; 2KV/Line-Line | |||||
| Conducted | BS EN/EN61000-4-6 | Level 3, 10V | |||||
| Magnetic Field | BS EN/EN61000-4-8 | Level 4, 30A/m | |||||
| Voltage Dips and Interruptions | BS EN/EN61000-4-11 | 95% dip 0.5 periods, 30% dip 25 periods, 95% interruptions 250 periods | |||||
| OTHERS | MTBF | 1524.0K hrs min. Telcordia TR/SR-332 (Bellcore) ; 187.7K hrs min. MIL-HDBK-217F (25℃) | |||||
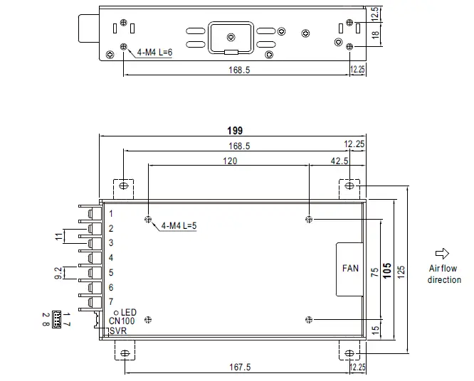
| DIMENSION | 199*105*41mm (L*W*H) | ||||||
| PACKING | 0.9Kg;15pcs/14.5Kg/0.84CUFT | ||||||
|
NOTE |
| ||||||
Block Diagram
PWM fosc:70KHz

Derating Curve

Output Derating VS Input Voltage

Function Manual
- Peak Power


- Pav: Average output power (W)
- Ppk: Peak output power (W)
- Pnpk: Non-peak output power (W)
- Prated: Rated output power (WN)
- t:Peak power width (sec)
- T: Period (sec)
For example (24V model) :
- Remote Sense
The remote sensing compensates voltage drop on the load wiring up to 0.5V.
- DC-OK Signal
DC-OK signal is a TTL level signal. High when PSU turns on.Between DC-OK(pin3) and GND(pin5) Output Status 3.3 ~ 5.6V ON 0 ~ 1V OFF 
Mechanical Specification


Terminal Pin No. Assignment
| Pin No. | Assignment | Pin No. | Assignment | ||
| 1 | AC/L | 4,5 | DC OUTPUT -V | ||
| 2 | AC/N | 6,7 | DC OUTPUT +V | ||
| 3 | FG | ![]() | |||
Connector Pin No. Assignment (CN100) : HRS DF11-08DP-2DS or equivalent
| Pin No. | Assignment | Mating Housing | Terminal |
| 1,2,4,6 | NC | HRS DF11-8DS or equivalent | HRS DF11-**SC or equivalent |
| 3 | DC-OK | ||
| 5 | GND | ||
| 7 | +S | ||
| 8 | -S |
Installation Manual
Please refer to : http://www.meanwell.com/manual.html



For example (24V model) :






















