MEAN WELL RPS-160 Series 160W Reliable Green Medical Power Supply
Features

- 5″x 3″ compact size
- Medical safety approved (2 x MOPP) according to ANSI/AAMI ES60601-1 and IEC/BS EN/EN60601-1
- Suitable for BF application with appropriate system consideration
- 110W convention, 160W force air
- EMI class B for class Ⅰ configuration
- No load power consumption under 0.5W by PS-ON control (G model)
- 5Vdc standby output, Power Good, Power Fail ; Remote sense for 5~15V
- Protections: Short circuit / Overload / Over voltage / Over temperature
- Operating altitude up to 3000 meters
- 3 years warranty
Applications

- Oral irrigator
- Hemodialysis machine
- Medical monitors
- Sleep apnea devices
- Pumps machine
GTIN CODE
MW Search: https://www.meanwell.com/serviceGTIN.aspx
Description
RPS-160 is a 160W highly reliable green PCB type medical power supply with a high power density on a 5” by 3” footprint. It accepts 90~264VAC input and offers various models with the output voltages between 5V and 48V. The working efficiency is up to 88% and the extremely low no load power consumption is down below 0.5W. RPS-160 is able to be used for ClassⅠ(with FG) system design. The extremely low leakage current is less than 160μA. In addition, it conforms to the international medical regulations (2*MOPP) and EMC BS EN/EN55011, perfectly fitting all kinds of BF rated “patient contact” medical system equipment.
Model Encoding

| Type | Description | Note |
| Blank | Without 5Vsb | In stock |
| G | With 5Vsb & No load power consumption <0.5W | In stock |
SPECIFICATION
| MODEL | RPS□-160-5 | RPS□-160-12 | RPS□-160-15 | RPS□-160-24 | RPS□-160-48 | ||||||
| OUTPUT | DC VOLTAGE | 5V | 12V | 15V | 24V | 48V | |||||
| RATED CURRENT (20.5CFM) | 30A | 12.9A | 10.3A | 6.5A | 3.25A | ||||||
| CURRENT | Convection | 0 ~ 20A | 0 ~ 9.1A | 0 ~ 7.3A | 0 ~ 4.6A | 0 ~ 2.3A | |||||
| 20.5CFM | 0 ~ 30A | 0 ~ 12.9A | 0 ~ 10.3A | 0 ~ 6.5A | 0 ~ 3.25A | ||||||
| RATED POWER | Convection Note.2 | 103W | 112.2W | 112.5W | 113.4W | 113.4W | |||||
| 20.5CFM | Note.3 | 155W | 159.8W | 159.5W | 161W | 161W | |||||
| RIPPLE & NOISE (max.) Note.4 | 80mVp-p | 80mVp-p | 120mVp-p | 120mVp-p | 150mVp-p | ||||||
| VOLTAGE ADJ. RANGE(main output) | 4.5 ~ 5.5V | 10.8 ~ 13.2V | 13.5 ~ 16.5V | 22 ~ 27V | 43.2 ~ 52.8V | ||||||
| VOLTAGE TOLERANCE Note.5 | ±4.0% | ±3.0% | ±3.0% | ±2.0% | ±2.0% | ||||||
| LINE REGULATION | ±0.5% | ±0.5% | ±0.5% | ±0.5% | ±0.5% | ||||||
| LOAD REGULATION | ±1.0% | ±1.0% | ±1.0% | ±1.0% | ±1.0% | ||||||
| SETUP, RISE TIME | 1800ms, 30ms/230VAC 3500ms, 30ms/115VAC at full load | ||||||||||
| HOLD UP TIME (Typ.) | 20ms/115VAC 25ms/230VAC at full load | ||||||||||
| INPUT | VOLTAGE RANGE | Note.6 | 90 ~ 264VAC 127 ~ 370VDC | ||||||||
| FREQUENCY RANGE | 47 ~ 63Hz | ||||||||||
| POWER FACTOR (Typ.) | PF>0.93/230VAC PF>0.98/115VAC at full load | ||||||||||
| EFFICIENCY (Typ.) | 86% | 87% | 87% | 87% | 88% | ||||||
| AC CURRENT (Typ.) | 2A/115VAC 1.1A/230VAC | ||||||||||
| INRUSH CURRENT (Typ.) | COLD START 35A/115VAC 70A/230VAC | ||||||||||
| LEAKAGE CURRENT Note.7 | Earth leakage current < 160μA/264VAC , Touch current < 100μA/264VAC | ||||||||||
| PROTECTION | OVERLOAD | 105 ~ 135% rated output power | |||||||||
| Protection type : Hiccup mode, recovers automatically after fault condition is removed | |||||||||||
| OVER VOLTAGE | 5.7 ~ 6.8V | 13.8 ~ 16.2V | 17.2 ~ 20.3V | 27.6 ~ 32.4V | 55.2 ~ 64.8V | ||||||
| Protection type : Shut down o/p voltage, re-power on to recover | |||||||||||
| OVER TEMPERATURE | TSW1: Shut down o/p voltage, recovers automatically after temperature goes down | ||||||||||
| TSW2: Shut down o/p voltage, re-power on to recover | |||||||||||
| FUNCTION | 5V STANDBY (G model) | 5Vsb : [email protected] without fan, 0.8A with fan 20.5CFM ; Tolerance ± 2%, ripple : 50mVp-p(max.) | |||||||||
| PS-ON INPUT SIGNAL (G model) | Power on: PS-ON = “Hi” or ” > 2 ~ 5V” ; Power off: PS-ON = “Low” or ” < 0 ~ 0.5V” | ||||||||||
| POWER GOOD / POWER FAIL | 500ms>PG>10ms PF>1ms | ||||||||||
| REMOTE SENSE | 5 ~ 15V | ||||||||||
| ENVIRONMENT | WORKING TEMP. | -20 ~ +70℃ (Refer to “Derating Curve”) | |||||||||
| WORKING HUMIDITY | 20 ~ 90% RH non-condensing | ||||||||||
| STORAGE TEMP., HUMIDITY | -40 ~ +85℃, 10 ~ 95% RH non-condensing | ||||||||||
| TEMP. COEFFICIENT | ±0.03%/℃ (0 ~ 50℃) | ||||||||||
| VIBRATION | 10 ~ 500Hz, 2G 10min./1cycle, 60min. each along X, Y, Z axes | ||||||||||
| OPERATING ALTITUDE Note.8 | 3000 meters | ||||||||||
| SAFETY & EMC (Note 10) | SAFETY STANDARDS | IEC60601-1, EAC TP TC 004,ANSI/AAMI ES60601-1, CAN/CSA-C22.2 No. 60601-1:14 – Edition 3 approved, TUV BS EN/EN60601-1 approved ; Design refer to BS EN/EN60335-1 | |||||||||
| ISOLATION LEVEL | Primary-Secondary: 2xMOPP, Primary-Earth:1xMOPP, Secondary-Earth:1xMOPP | ||||||||||
| WITHSTAND VOLTAGE | I/P-O/P:4KVAC I/P-FG:2KVAC O/P-FG:1.5KVAC | ||||||||||
| ISOLATION RESISTANCE | I/P-O/P, I/P-FG, O/P-FG:100M Ohms / 500VDC / 25℃/ 70% RH | ||||||||||
| EMC EMISSION | Parameter | Standard | Test Level / Note | ||||||||
| Conducted emission | BS EN/EN55011 (CISPR11) | Class B | |||||||||
| Radiated emission | BS EN/EN55011 (CISPR11) | Class B | |||||||||
| Harmonic current | BS EN/EN61000-3-2 | Class A | |||||||||
| Voltage flicker | BS EN/EN61000-3-3 | —– | |||||||||
| EMC IMMUNITY | BS EN/EN55035, BS EN/EN60601-1-2 | ||||||||||
| Parameter | Standard | Test Level / Note | |||||||||
| ESD | BS EN/EN61000-4-2 | Level 4, 15KV air ; Level 4, 8KV contact | |||||||||
| RF field susceptibility | BS EN/EN61000-4-3 | Level 3, 10V/m( 80MHz~2.7GHz ) Table 9, 9~28V/m( 385MHz~5.78GHz ) | |||||||||
| EFT bursts | BS EN/EN61000-4-4 | Level 3, 2KV | |||||||||
| Surge susceptibility | BS EN/EN61000-4-5 | Level 4, 4KV/Line-FG ; 2KV/Line-Line | |||||||||
| Conducted susceptibility | BS EN/EN61000-4-6 | Level 3, 10V | |||||||||
| Magnetic field immunity | BS EN/EN61000-4-8 | Level 4, 30A/m | |||||||||
| Voltage dip, interruption | BS EN/EN61000-4-11 | 100% dip 1 periods, 30% dip 25 periods, 100% interruptions 250 periods | |||||||||
| OTHERS | MTBF | 2082.3K hrs min. Telcordia SR-332 (Bellcore) ; 234.5K hrs min. | MIL-HDBK-217F (25℃) | ||||||||
| DIMENSION (L*W*H) | 127*76.2*34.6mm or 5″ * 3″ *1.36″ inch | ||||||||||
| PACKING | 0.33Kg; 36pcs/12.9Kg/0.96CUFT | ||||||||||
| NOTE | 1. All parameters NOT specially mentioned are measured at 230VAC input, rated load and 25℃ of ambient temperature. 2. The rated power includes 5Vsb @ 0.6A. 3. The rated power includes 5Vsb @ 0.8A. 4. Ripple & noise are measured at 20MHz of bandwidth by using a 12″ twisted pair-wire terminated with a 0.1μf & 47μf parallel capacitor. 5. Tolerance : includes set up tolerance, line regulation and load regulation. 6. Derating may be needed under low input voltages. Please check the derating curve for more details. 7. Touch current was measured from primary input to DC output. 8. The ambient temperature derating of 3.5℃/1000m with fanless models and of 5℃/1000m with fan models for operating altitude higher than 2000m(6500ft). 9. HS1,HS2 & HS3 can not be shorted. 10. The power supply is considered a component which will be installed into a final equipment. All the EMC tests are been executed by mounting the unit on a 360mm*360mm metal plate with 1mm of thickness. The final equipment must be re-confirmed that it still meets EMC directives. For guidance on how to perform these EMC tests, please refer to “EMI testing of component power supplies.” (as available on http://www.meanwell.com) ※ Product Liability Disclaimer:For detailed information, please refer to https://www.meanwell.com/serviceDisclaimer.aspx | ||||||||||
Block Diagram

Derating Curve

Output Derating VS Input Voltage

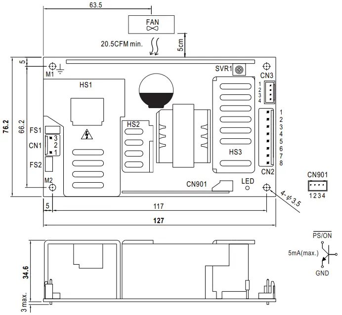
Mechanical Specification

AC Input Connector (CN1) : JST B3P-VH or equivalent
| Pin No. | Assignment | Mating Housing | Terminal |
| 1 | AC/N | JST VHR or equivalent | JST SVH-21T-P1.1 or equivalent |
| 2 | No Pin | ||
| 3 | AC/L |
Power Good Connector(CN3):JST B4B-XH or equivalent
| Pin No. | Status | Mating Housing | Terminal |
| 1 | PG | JST XHP or equivalent | JST SXH-001T-P0.6 or equivalent |
| 2 | GND | ||
| 3 | -S | ||
| 4 | +S |
DC Output Connector (CN2) : JST B8P-VH or equivalent
| Pin No. | Assignment | Mating Housing | Terminal |
| 1,2,3,4 | +V | JST VHR or equivalent | JST SVH-21T-P1.1 or equivalent |
| 5,6,7,8 | -V |
5VSB Connector(CN901) : JST B-XH or equivalent
| Pin No. | Assignment | Mating Housing | Terminal |
| 1 | PS/ON | JST XHP or equivalent | JST SXH-001T or equivalent |
| 2,4 | GND | ||
| 3 | 5VSB |
: Grounding Required
1.HS1,HS2,HS3 cannot be shorted.
2.M1 is safety ground. For better EMC performance, Please secure an electrical connection between M1,M2, and chassis grounding.
Installation Manual
Please refer to : http://www.meanwell.com/manual.html




















