MEAN WELL RS-25 Series 25W Single Output Switching Power Supply Owner’s Manual


Features
- Universal AC input / Full range
- Protections: Short circuit / Overload / Over voltage
- Cooling by free air convection
- LED indicator for power on
- 100% full load burn-in test
- All using 105C long life electrolytic capacitors
- Withstand 300VAC surge input for 5 second
- High operating temperature up to 70°C
- Withstand 5G vibration test
- No load power consumption<0.5W
- High efficiency, long life and high reliability
- 3 years warranty
Specification


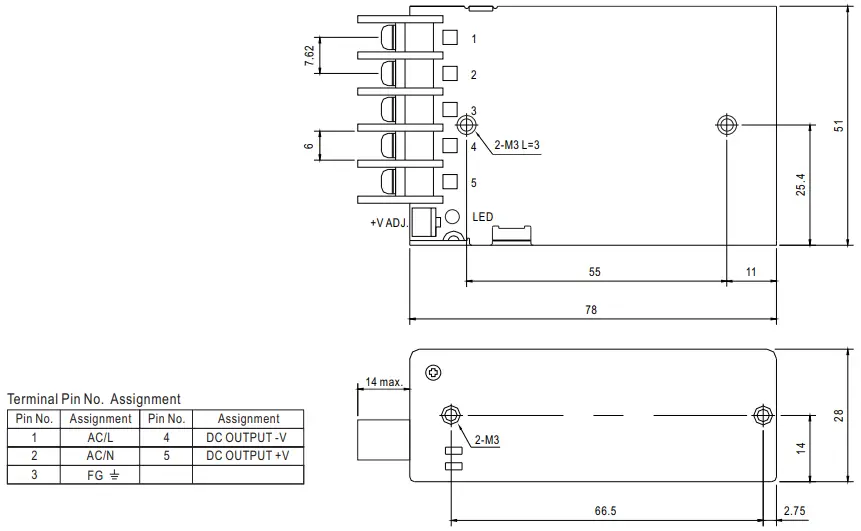
Mechanical Specification
Case No.931A Unit:mm

Block Diagram
fosc : 60KHz

Derating Curve

Output Derating VS Input Voltage


















