MW RS-50 Series 50W Single Output Switching Power Supply

Features
- Universal AC input/ Full range
- Protections: Short circuit/ Overload I Over voltage
- Cooling by free air convection
- LED indicator for power on
- 100% full load burn-in test
- All using 105°C long life electrolytic capacitors
- Withstand 300VAC surge input for 5 second
- High operating temperature up to 70°C
- Withstand 5G vibration test
- No load power consumption<0.5W
- High efficiency, long life and high reliability
- 3 years warranty
SPECIFICATION
| MODEL | RS-50-3.3 | RS-50-5 | RS-50-12 | RS-50-15 | RS-50-24 | RS-50-48 | |
| OUTPUT | DC VOLTAGE | 3.3V | 5V | 12V | 15V | 24V | 48V |
| RATED CURRENT | 10A | 10A | 4.2A | 3.4A | 2.2A | 1.1A | |
| CURRENT RANGE | 0-10A | 0-10A | 0- 4.2A | 0-3.4A | 0- 2.2A | 0-1.1A | |
| RATED POWER | 33W | 50W | 50.4W | 51W | 52.8W | 52.8W | |
| RIPPLE & NOISE (max.) Note.2 | 80mVp-p | 80mVp-p | 120mVp-p | 120mVp-p | 120mVp-p | 200mVp-p | |
| VOLTAGE ADJ. RANGE | 3V- 3.6V | 4.75- 5.5V | 10.8-13.2V | 13.5-16.5V | 22- 27.2V | 42- 54V | |
| VOLTAGE TOLERANCE Note.3 | ±3.0% | ±2.0% | ±1.0% | ±1.0% | ±1.0% | ±1.0% | |
| LINE REGULATION Note.4 | ±0.5% | ±0.5% | ±0.5% | ±0.5% | ±0.5% | ±0.5% | |
| LOAD REGULATION Note.5 | ±2.0% | ±1.0% | ±0.5% | ±0.5% | ±0.5% | ±0.5% | |
| SETUP, RISE TIME | 500ms, 30ms/230VAC 1200ms, 30ms/115VAC at full load | ||||||
| HOLD UP TIME (Typ.) | 60ms/230VAC 14ms/115VAC at full load | ||||||
| INPUT | VOLTAGE RANGE | 88- 264VAC 125- 373VDC (Withstand 300VAC surge for 5sec. Without damage) | |||||
| FREQUENCY RANGE | 47- 63Hz | ||||||
| EFFICIENCY(Typ.) | 78% | 83% | 84.5% | 86% | 88% | 89% | |
| AC CURRENT (Typ.) | 1.3A/115VAC 0.8A/230VAC | ||||||
| INRUSH CURRENT (Typ.) | COLD START 33A/230VAC | ||||||
| LEAKAGE CURRENT | <2mA/ 240VAC | ||||||
| PROTECTION | OVERLOAD | 110 – 150% rated output power | |||||
| Protection type : Hiccup mode, recovers automatically after fault condition is removed | |||||||
| OVER VOLTAGE | 3.8-4.45V | 5.75- 6.75V | 13.8-16.2V | 17.25- 20.25V | 27.6-32.4V | 55.2 – 64.8V | |
| Protection type: Hiccup mode, recovers automatically after fault condition is removed | |||||||
| ENVIRONMENT | WORKING TEMP. | -25 – +70°C (Refer to “Derating Curve”) | |||||
| WORKING HUMIDITY | 20 – 90% RH non-condensing | ||||||
| STORAGE TEMP., HUMIDITY | -40 – +85°C, 10 – 95% RH | ||||||
| TEMP. COEFFICIENT | ±0.03%/°C (0- 50°C) | ||||||
| VIBRATION | 10 – 500Hz, 5G 1Omin./1cycle, period for 60min. each along X, Y, Z axes | ||||||
| SAFETY & EMC (Note 6) | SAFETY STANDARDS | UL62368-1, TUV BS EN/EN62368-1 , AS/NZS 62368.1 , EAC TP TC 004, CCC GB4943.1 approved | |||||
| WITHSTAND VOLTAGE | I/P-O/P:3KVAC I/P-FG:2KVAC O/P-FG:0.5KVAC | ||||||
| ISOLATION RESISTANCE | I/P-0/P, 1/P-FG, 0/P-FG 100M Ohms/ 500VDC / 25°C/ 70% RH | ||||||
| EMC EMISSION | Compliance to BS EN/EN55032 (CISPR32) Class B, BS EN/EN61000-3-2,-3,GB9254 class B,GB17625.1, EAC TP TC 020 | ||||||
| EMC IMMUNITY | Compliance to BS EN/EN61000-4-2,3,4,5,6,8,11; BS EN/EN55035, BS EN/EN61000-6-2 (BS EN/EN50082-2), heavy industry level, EAC TP TC 020 | ||||||
| OTHERS | MTBF | 2956.7K hrs min. Telcordia SR-332 (Bellcore); 575.2K hrs min. MIL-HDBK-217F (25°C) | |||||
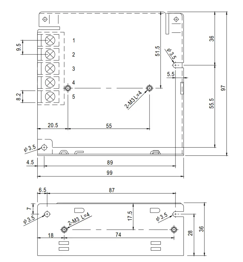
| DIMENSION | 99*97’36mm (L’W’H) | ||||||
| PACKING | 0.41Kg; 45pcs/19.5Kg/0.94CUFT | ||||||
| NOTE |
| ||||||
Mechanical Specification

Terminal Pin No. Assignment
| Pin No . | Ass ignment | Pin No. | Assignment |
| 1 | AC/L | 4 | DC OUTPUT-V |
| 2 | AC/N | 5 | DC OUTPUT +V |
| 3 | FG-½ |
Block Diagram

Derating Curve

Output Derating VS Input Voltage

CUSTOMER SUPPORT

Downloaded from Arrow.com.




















