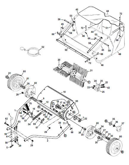
Agri 45-03201 42 Inch Tow Lawn Sweeper

INSTRUCTION

| ref | part no. | qty | description | ref | part no. | qty | description |
| 1 | 40614 | 1 | Hitch Tube, R.H. | 38 | 44961 | 2 | Bolt, Hex 3/8-24 x 3-1/4″ Lg. |
| 2 | 40615 | 1 | Hitch Tube, L.H. | 39 | 23400 | 3 | Bushing, Pivot |
| 3 | 23353 | 1 | Pin, Hitch | 40 | 48652 | 1 | Pinion Gear RH (not shown) |
| 4 | 23368 | 2 | Tube, Hitch Spacer | 41 | 48651 | 1 | Pinion Gear LH |
| 5 | 43343 | 1 | Hairpin Cotter, 1/8″ #4 | 42 | 43661 | 4 | Bolt, Hex 1/4-20 x 1″ Lg. |
| 7 | C-9M5732 | 8 | Rivet, Pop | 43 | 64559 | 2 | Dust Cover |
| 9 | 43182 | 4 | Bolt, Hex 5/16-18 x 3/4″ | 44 | 48587 | 2 | Tube, Rear Hopper |
| 10 | 66137 | 1 | Sweeper Housing | 45 | 48466 | 2 | Tube, Upper Hopper |
| 11 | 23336 | 2 | Washer, Special | 46 | 48726 | 2 | Tube, Lower Hopper |
| 12 | 66070 | 1 | Height Adjustment Tube | 48 | 48388 | 1 | Hopper Bag |
| 13 | 43063 | 2 | Bolt, Hex 5/16-18 x 1″ | 49 | 48366 | 2 | Clevis Pin, 3/8″ x 1/2″ |
| 14 | 25408 | 1 | Bushing, Spacer | 50 | 24949 | 1 | Strap, Bag Frame |
| 15 | 43840 | 1 | Bolt, Hex 5/16-18 x 1-1/4″ | 51 | 43926 | 2 | Rod, Hopper Support |
| 16 | 44732 | 1 | Washer, Star | 52 | 43737 | 1 | Hopper Rope |
| 17 | R19212113 | 2 | Washer, 5/8″ SAE | 53 | 44481 | 2 | Cap, Vinyl |
| 18 | 1629-56 | 2 | Retainer, Dust Cover | 54 | 24979 | 1 | Strap, Height Adjustment |
| 19 | 44910 | 2 | Bushing, Brush Shaft | 55 | 23687 | 1 | Bracket, Hitch |
| 20 | 25850 | 1 | Brush Shaft | 56 | 24192 | 1 | Bracket, Hitch (Straight) |
| 21 | 48557 | 4 | Brush | 57 | 26243 | 1 | Handle, Height Adjustment |
| 22 | 43012 | 8 | Bolt, Hex 1/4-20 x 3/4″ Lg. | 58 | 40621 | 2 | Tube, Bag Arm |
| 23 | 47189 | 12 | Nut, Nylock 1/4-20 | 59 | HA23636 | 2 | Pin, Clevis 3/8″ x 2.25″ |
| 24 | 23580 | 4 | Retainer, Brush (Double) | 60 | 44985 | 2 | Wheel with bearings |
| 25 | 23581 | 8 | Retainer, Brush (Single) | 61 | 45088 | 4 | Wheel Bearing |
| 26 | 44008 | 2 | Washer, 3/4″ | 62 | 44292 | 2 | Bolt, Hex 5/16-18 x 2-1/2″ Lg. |
| 27 | 47046 | 2 | Dowel Pin (Drive) | 63 | 44180 | 2 | Bolt, Hex 5/16-18 x 2″ Lg. |
| 29 | 47810 | 15 | Nut, Nylock 5/16-18 | 65 | 43681 | 4 | Bolt, Carriage 5/16-18 x 1-1/2″ |
| 30 | 44911 | 2 | Spacer, .39” I.D. | 66 | 43055 | 12 | Hairpin Cotter, 3/32″ #3 |
| 31 | 42093 | 2 | Washer, .750″ I.D. | 67 | 43720 | 1 | Knob, Wing 5/16-18 Thread |
| 32 | 46219 | 2 | Spacer, .78 I.D”. x 1-1/4″ O.D. x .5″ | 68 | 44326 | 1 | Bolt, Carriage 5/16-18 x 1″ |
| 33 | 1650-21 | 2 | Ring, Retaining .594″ | 69 | 43081 | 4 | Washer, Flat 5/16″ Std. Wrt. |
| 34 | 40001 | 6 | Washer, Shim 1-1/8″ x .594″ x .025″ | 70 | 43943 | 1 | Grip, Height Adjust |
| 35 | 141 | 4 | Washer, Flat 1-1/2″ x .375″ x .062″ | 71 | 46867 | 2 | Clevis Pin, 1/4″ x 1-3/4″ Lg. |
| 36 | 1038 | 2 | Nut, Nylock Jam 3/8-24 Thread | 72 | 48365 | 6 | Clevis Pin, 1/4″ x 1-1/8″ |
| 37 | 2674-32 | 2 | Hub Cap | 42601 | 1 | Owners Manual |
SPEED E PART the fastest way to purchase parts www.speedepart.com


















