EQUIPMENT SW42T Tow Behind Lawn Sweeper
Instruction Manual
FOR MODELS: SW42T
PURCHASE DATE: —————-
MODEL NO.: ———————–
SERIAL NUMBER: —————
DEALER: —————————
GENERAL WARNINGS
READ and UNDERSTAND this manual completely before using the Lawn Sweeper.
Operator must read and understand all safety and warning information, operating instructions, maintenance and storage instructions before operating this equipment. Failure to properly operate and maintain the lawn sweeper could result in serious injury to the operator or bystanders.
OPERATION WARNINGS
- Do not at any time carry passengers, sit or stand on the lawn sweeper.
- Do not allow children to play on, stand upon or climb on the lawn sweeper.
- Always inspect the sweeper before using to assure it is in good working condition.
- Replace or repair damaged or worn parts immediately.
- Always check and tighten hardware and assembled parts before operation.
- Never attach the hopper rope to any part of your body or clothing.
- Never hold onto the rope while towing the sweeper.
- Only attach the rope to the tow vehicle to keep it away from the wheels and moving parts.
- Avoid large holes and ditches when operating the equipment.
- Be careful when operating the sweeper on steep grades (hill).
- Always operate up and down the slope never across the face of the slope.
- Always operate at reduce speed in rough terrain, along creeks, ditches and on hillsides.
- Do not operate close to creeks, ditches and public highways.
- To avoid personal injury and/or equipment damage. DO NOT EXCEED 5MPH.
- Always use caution when loading and unloading the hopper.
- Only towing with recommended vehicles (Lawn/Garden Tractors and ATVs).
- Always refer to the vehicle owner’s manual for proper towing.
- Sweeper is not designed to be used with zero-turn mowers.
- Always secure and lock sweeper to the vehicle hitch before operating.
Crush & Cut Hazards
- Always keep hands and feet clear away from moving parts while operating the equipment.
- Always clear and keep work area clean when operating.
- Always wear safety gear, eye protection, gloves and work boots when operating the sweeper.
WARNING
The warnings, cautions and instructions outlined in this instruction manual cannot cover all possible conditions or situations that may occur. It must be understood by the operator that common sense and caution are factors which cannot be built into this product and must be supplied by the operator.
PROP 65 WARNING
This product contains chemicals known to the state of California to cause cancer, birth defects or other reproductive harm.
ASSEMBLY REQUIRED
This product requires assembly before use. See “Assembly” section for instructions. Because of the weight and/or size of the lawn sweeper, it is recommended that another adult be present to assist with the assembly.
INSPECT ALL COMPONENTS closely upon receipt to make sure no components are missing or damaged.
HAZARD SIGNAL WORD DEFINITION
This is the safety alert symbol. It is used to alert you to potential personal injury hazards. Obey all safety messages that follow this symbol to avoid possible injury or death.
DANGER
This indicates an imminently hazardous situation which, if not avoided, will result in death or serious injury.
WARNING
This indicates a potentially hazardous situation which, if not avoided, could result in death or serious injury.
CAUTION
This indicates a potentially hazardous situation which, if not avoided, may result in minor or moderate injury.
CAUTION
Used without the safety alert symbol indicates a potentially hazardous situation which, If not avoided, may result in property damage.
ABOUT YOUR TOW-BEHIND LAWN SWEEPER
This heavy duty tow-behind lawn sweeper makes yard work a breeze. The steel and nylon construction are durable and lightweight making it easy to tow, rust resistant and easy to clean. The extra large sweeping span makes the job easy and saves time when cleaning different types of debris such as grass clippings, twigs, paper, leaves and much more!
The tow-behind sweeper features a one-handed lever to adjust the brush height. It can be stored in a shed or garage with minimal space. The large hopper makes loading and unloading fast and convenient.
Technical specifications on the lawn sweeper are provided in the “Specifications” section of this manual.
CONTROLS & FEATURES IDENTIFICATION

- Hand Lever – Adjust the Brush Height.
- Nylon Hopper – Holds all types of Debris.
- Tires/Wheel – Semi pneumatic all terrain tires
- Hitch – Pin-type design used only with approved vehicles.
CAUTION
Read and follow all instructions for assembly and operation. Failure to properly assemble this equipment could result in serious injury to the user or bystanders, or cause equipment damage.
LAWN SWEEPER COMPONENT PARTS AND ASSEMBLY
Take all parts out of the shipping crate and inspect components to ensure there are no missing pieces before starting to assemble the sweeper follow steps 1 through 8.
TOOLS REQUIRED
- 10mm, 13 mm & 14 mm Wrenches
- Pliers
COMPONENTS & HARDWARE PARTS

| REF | DESCRIPTION | QTY | REF | DESCRIPTION | QTY |
| A | Hex Bolt – M8 x 65 | 2 | K | Angle Bracket | 1 |
| B | Hex Bolt – M8 x 50 | 2 | L | Adjustable Pole Spacer | 1 |
| C | Hex Bolt – M8 x 40 | 2 | M | Hitch Spacer | 2 |
| D | Hex Bolt – M6 x 40 | 4 | N | R Pin Ø3 | 5 |
| E | Hex Bolt – M8 x 20 | 1 | O | R Pin Ø4 | 4 |
| F | Hex Bolt – M8 x 16 | 1 | P | Clevis Pin Ø9.5 x 25 | 2 |
| G | Nylon Lock Nut – M8 | 8 | Q | Clevis Pin Ø x 37 | 4 |
| H | Nylon Lock Nut – M6 | 6 | R | Clevis Pin Ø8 x 59.5 | 2 |
| I | Hex Bolt – M6 x 12 | 2 | Y | Hitch | 1 |
| J | Big Flat Washer – Ø8 | 1 | Z | Plastic Plug | 4 |

| REF | DESCRIPTION | QTY | REF | DESCRIPTION | QTY |
| 1 | Hex Bolt – M8x65 | 2 | 9 | Bag Frame Strap | 1 |
| 2 | Hex Bolt – M8x50 | 2 | 10 | Hopper Support Rod | 2 |
| 3 | Hex Bolt – M8x40 | 2 | 11 | Lower hopper Side Tube | 2 |
| 4 | Hex Bolt – M6x40 | 4 | 12 | Rear Hopper Tube | 2 |
| 5 | Hex Bolt – M8x20 | 1 | 13 | Upper Hopper Side Tube | 2 |
| 6 | Hex Bolt – M8x16 | 1 | 14 | Rope | 1 |
| 7 | Nylon Lock Nut – M8 | 8 | 15 | Hex Bolt – M6x12 | 2 |
| 8 | Nylon Lock Nut – M6 | 6 |
ASSEMBLY INSTRUCTIONS
Step 1: Attach the Angle Bracket to Sweeper Housing
Assemble the angle bracket to the sweeper housing using M8x16 hex bolt and M8 hex lock nut.
Note: Make sure the bracket is turned as shown and aligned straight with the housing and tighten.

Note: Right Hand (RH) and Left Hand (LH) are determined from the operator’s position while seated on the vehicle.
Step 2:
- Assemble the RH hitch tube to the sweeper housing using M6 x 40 hex bolt and M6 lock nut. Only loosely tighten.
- Repeat for the LH hitch tube. Loosely tighten.

Step 3: Fasten Hitch Tubes Together
Fasten both hitch tubes together using two M8 x 65 hex bolts and M8 lock nuts. Loosely tighten.

Step 4: Attach Hitch Bracket to the Hitch Tubes
- Attach the hitch bracket to the hitch tubes using two M8 x 50 hex bolts and M8 hex lock nuts. The bolts should straddle the front hitch tube bolt. Loosely tighten.
- Tighten the four bolts fastening the hitch tubes to the sweeper housing.
- Next tighten the two bolts fastening the ends of the hitch tubes together.
- Then tighten the two bolts holding the hitch brackets to the hitch tubes.
- Put the hitch pin, spacers and the hair cotter pin through the hitch brackets.
- Before moving to the next step make sure all hardware is tightened.
NOTE: if your vehicles hitch has 11 in. to 13 in. ground clearance use the other bracket (figure A). If your vehicles hitch has 8 in. to 11 in ground clearance use the other hitch bracket (figure B).

Step 5: Assemble the Handle Assembly
- Attach the height adjustable handle to the height adjustment tube using two M8 x 40 hex bolts and M8 lock nut.
Loosely tighten.
2. Insert a M8 x 20 hex bolt through the angle bracket. In the following order put the spacer bushing, height adjustment strap, Ø8 big flat washer and M8 lock nut and tighten.
Step 6: Attach Connecting Rod
Attach the connecting rod to the sweeper housing using two sets of M6 x 12 hex bolts and M6 lock nut.

Step 7: Assemble Hopper Bag
- Position the rear hopper so the brace holes are in the middle and the tube is facing down.
- Slide the tube through the two sewn in loops at the top of the rear seam inside the bag.

- Insert the two upper hopper side tubes through the stitched flaps on each side of the bag.
- Insert the ends of the rear hopper tube onto the ends of the upper hopper side tubes.
Fasten together using the plastic plug.
- Turn the second rear hopper tube so that brace holes are in the middle and the tube faces up.
- Attach the ends of the rear hopper tube into the ends of the lower hopper side tubes. Fasten together using plastic plugs.

- Place the lower hopper tube assembly in the bottom of the bag.
- Attach the ends of the lower side tubes inside the upper side tubes using two Ø9.5 x 25 clevis pins.
- From the inside of the bag insert the two hair cotter pins Ø3.

- Insert the bag frame strap into the stitched sleeve along the front edge of the bag bottom.
- Attach the bag frame strap to the lower hopper side tubes using two Ø6 x 37 clevis pins and two hair cotter pins Ø2.

- Secure the bag corners around the lower hopper side tubes by snapping the bag flaps to the bag bottom on both sides.

CAUTION
Do not over bend the support rods during the next steps. Over bending will cause the steel rods to lose supporting tension. - Tip the hopper on its back to insert the two hopper support rods.
- Place the ends of each rod into the upper and lower rear hopper tubes bending the rod just enough to fit into the holes in the tubes.

- Feel along the stitched flap on the hopper bag to locate the lower hole in each upper hopper side tube. Place a hole through both sides of the stitched flaps in alignment with the lower hole.

- Insert a Ø8 x 59.5 clevis pin through the lower hole in each of the upper hopper side tubes.
- Attach a bag arm tube onto each clevis pin and secure it with a hair cotter pin Ø3.

- Secure the rope to the top center of the hopper bag frame.

STEP 8: Attach Hopper Bag to Sweeper
- Slide the ends of the bag arm tubes of the sweeper’s hitch tubes and secure using two Ø6 x 37 clevis pins and hair cotter pins Ø2.
- Tighten all hardware before using the sweeper.

OPERATION INSTRUCTIONS
WARNING
Before operating or using the sweeper, review the instructions below and safety information.
Failure to follow these instructions may result in property damage or injury to the operator or bystanders.
ATTACH SWEEPER TO TOW VEHICLE
- Make sure the tow vehicle and sweeper are on a level surface.
- Set the sweeper height adjustment handle to the middle position.
- Attach the sweeper to the vehicle hitch using the spacers to make the bottom of the sweeper bag as level as possible with the ground.

Note: For the best performance the bottom of the sweeper bag needs to be level with the ground with at least a 5” clearance.

USING YOUR SWEEPER
- Adjust the brush height of the sweeper. The best brush setting is 1/2” down in the grass. Always mow the grass to and even height before sweeping.
- For best results when sweeping do not exceed 5 MPH. In some cases it may be better to operate at less than 5 MPH.
- Always secure and lock the sweeper to the vehicle hitch before operating.
- When dumping the sweeper pull the rope forward to dump the hopper. Always empty the hopper after each use.
CAUTION
Never attach the hopper rope to any part of your body or clothing.
Never hold onto the rope while towing the sweeper.
Only attach the rope to the tow vehicle to keep it away from the wheels and rotating parts.
Keep sweeper away from fire or excessive heat to prevent damage to the brushes and bag.
MAINTENANCE AND STORAGE
WARNING
Improper maintenance and storage of the sweeper may void your warranty.
MAINTENANCE
- After each use clean material out of hopper.
- Rinse/dry inside and outside of the sweeper after each use.
- Remove any material which has wrapped around the brushes.
- Periodically check all fasteners for tightness.
- Twice a year apply a few drops of light multipurpose oil to the brush shaft bearings.
- Annually clean and lightly lubricate all moving parts.
- Every two years remove and clean gears and apply an even coat of light synthetic grease.
- Use a glossy enamel spray paint to touch up scratched or worn painted metal surfaces.
- Never exceed the hopper load capacity rating it will damage the bag.
- Rinse/dry inside and outside of the sweeper after each use.
- Regularly grease axle and wheel bearing area or when needed.
- Periodically check all fasteners for tightness.
LUBRICATION
The bearings in the sweeper have been pre-lubricated at the factory; however, it is recommended that a few drops of light multipurpose oil should be added to the brush shaft bearing twice a year. Also, the wheels should be removed too clean gears every two years. After cleaning apply an even coat of light synthetic grease.

Note: To remove wheel, use a screwdriver to pop o hub cap, remove the lock nut and washer.
WHEEL GEARS/PAWL SERVICE
DO NOT remove both wheels at the same time. Remove one wheel at a time to prevent use the wrong parts for the opposite side (left and right sides are die rent). When removing gears make notes on position of all washers and other parts.

BRUSH REPLACEMENT
- Remove the hopper bag from lawn sweeper.
- Only replace one brush at a time.
- Tip the sweeper forward on housing. Do not remove the hex bolts from double brush out of retainers.
- Loosen hex bolts and hex lock nuts from single brush retainers. Slide brush out of retainers, making note of over-lap bristles position.
- Install new brush, make sure the over-lap bristles are in the positioned as before.

IMPORTANT:
If a part needs replacement, only use parts that meet the manufacturer’s specifications. Replacement parts that do not meet specifications may result in a safety hazard or poor operations.
WARNING
Before storing the sweeper always empty the hopper bag to avoid spontaneous combustion.
STORAGE:
- Empty hopper bag before storing the sweeper.
- Clean the sweeper and hopper thoroughly to help prevent rust and mildew.
- Before storing make sure the sweeper is clean and dry for years of trouble-free service.
- Collapse the hopper bag for storage, remove the two support rods from the rear of the hopper.
- Lightly lubricate all sweeper surfaces and moving and moving parts to prevent rust.
- Store indoors or protected area during severe weather and winter months.
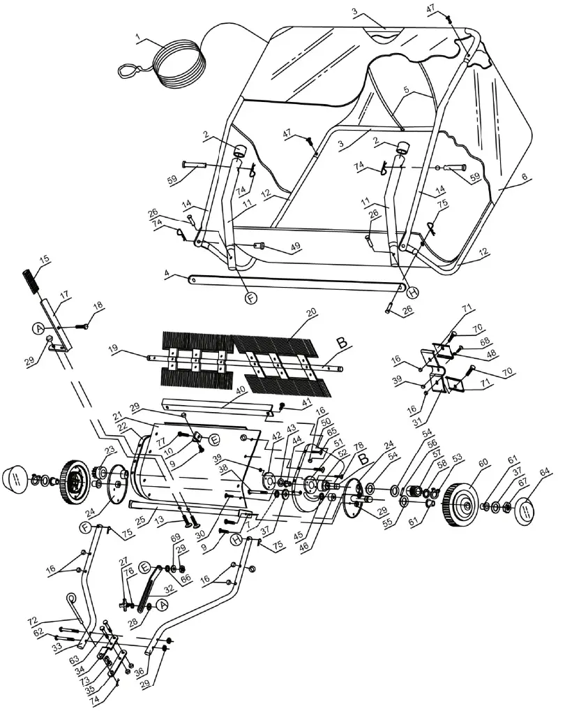
PARTS BREAKDOWN

| SPECIFICATIONS | SP31105 | SP3108 |
| Frame Construction | Steel | |
| Hopper Construction | Nylon Mesh | |
| Hitch Type | Pin Style | |
| Wheel Type | Semi-Pneumatic | |
| Working Width | 38” | 42” |
| Wheel Size | 10” | 10.5” |
| REF | DESCRIPTION | QTY | REF | DESCRIPTION | QTY |
| 1 | Hopper Rope | 1 | 40 | Connecting Rod | 1 |
| 2 | Vinyl Cap | 2 | 41 | Hex Bolt M6 x 12 | 2 |
| 3 | Hopper Frame Tube (Rear) | 2 | 42 | Dust Cover Retainer | 2 |
| 4 | Bag Frame Strap | 1 | 43 | Inside Star Washer | 2 |
| 5 | Hopper Support Rod | 2 | 44 | Brush Shaft Bushing | 2 |
| 6 | Hopper Bag | 1 | 45 | Spacer Bushing | 2 |
| 7 | Lock Washer Ø10 | 2 | 46 | Spacer Axle | 2 |
| 9 | Hex Bolt M8 x 16 | 5 | 47 | Plastic Bolt | 4 |
| 10 | Angle Bracket | 1 | 48 | Star Washer Ø5 | 6 |
| 11 | Bag Arm Tube | 2 | 49 | Clevis Pin C | 2 |
| 12 | Lower | 2 | 50 | End Plate (L.H.) | 1 |
| 13 | Hex Bolt M8 x 40 | 2 | 51 | Special Washer | 2 |
| 14 | Upper Hopper Frame Tube | 2 | 52 | Bushing | 2 |
| 15 | Height Adjust Grip | 1 | 53 | Retainer Ring Ø15 | 2 |
| 16 | Lock Nut M6 | 18 | 54 | Adj. Washer A | 4 |
| 17 | Height Adjustment Handle | 1 | 55 | Adj. Washer C | 2 |
| 18 | Carriage Bolt M8 x 30 | 1 | 56 | Dowel Pin (Drive) | 2 |
| 19 | Brush Shaft | 1 | 57 | Pinion Gear (L.H.) | 1 |
| 20 | Brush | 4 | 58 | Adj. Washer B | 2 |
| 21 | Wrapper | 1 | 59 | Clevs Pin D | 2 |
| 22 | End Plate (R.H.) | 1 | 60 | Wheel & Tire Assembly | 2 |
| 23 | Pinion Gear (R.H.) | 1 | 61 | Wheel Bushing | 4 |
| 24 | Dust Cover Assembly | 2 | 62 | Hex Bolt M8 x 65 | 2 |
| 25 | Height | 1 | 63 | Hex Bolt M8 x 50 | 2 |
| 26 | Clevis Pin Ø6 x 37 | 4 | 64 | Hub Cap | 2 |
| 27 | Wing Knob | 1 | 65 | Hex Bolt M6 x 40 | 4 |
| 28 | External Teeth Washer | 1 | 66 | Spacer Bushing (Adjust Height) | 1 |
| 29 | Hex Lock Nut M8 | 12 | 67 | Nylon Lock Nut M10 | 2 |
| 30 | Slotted Pan Head Screw M5 x 12 | 6 | 68 | Hex Bolt M5 x 25 | 6 |
| 31 | Retainer Brush | 6 | 69 | Big Flat Washer Ø8 | 1 |
| 32 | Height Adjustment Strap | 1 | 70 | Hex Bolt M6 x 20 | 12 |
| 33 | Hitch Tube (R.H.) | 1 | 71 | Retainer Brush | 12 |
| 34 | Hitch Bracket | 1 | 72 | Hitch Pin | 1 |
| 35 | Hitch Bracket (Straight) | 1 | 73 | Cotter Bearing | 2 |
| 36 | Hitch Tube (L.H.) | 1 | 74 | R Pin Ø3 | 5 |
| 37 | Big Flat Washer (Ø10) | 4 | 75 | R Pin Ø2 | 4 |
| 38 | Hex Bolt M10 x 85 | 2 | 76 | Big Flat Washer | 1 |
| 39 | Nylon Lock Nut M5 | 20 | 77 | Hex Bolt M8 x 20 | 1 |
| 78 | Slotted Pan Head Screw M5 x 16 | 8 |
BRABEREQ.COM
[email protected]
PHONE: 604-850-7770
FAX: 604-850-7774
TOLL FREE PHONE: 1-877-588-3311
TOLL FREE FAX: 1-800-665-7334































