Swisher FC11544BS Finish Cut Tow-behind Trail Mower

LIMITED WARRANTY
The manufacturer’s warranty to the original consumer purchaser is: This product is free from defects in materials and workmanship for a period of one (1) year from the date of purchase by the original consumer purchaser.
We will repair or replace, at our discretion, parts found to be defective due to materials or workmanship. This warranty is subject to the following limitations and exclusions:
- Engine Warranty All engines utilized on our products has a separate warranty extended to them by the individual engine manufacturer. Any engine service difficulty is the responsibility of the engine manufacturer and in no way is Swisher or its agents responsible for the engine warranty. The Briggs & Stratton Engine Service Hot Line is 1-800-233-3723.
- Commercial Use This product is not intended for commercial use and carries no commercial warranty.
- Limitations This warranty applies only to products, which have been properly assembled, adjusted, and operated in accordance with the instructions contained within this manual. This warranty does not apply to any product of Swisher that has been subject to alteration, misuse, abuse, improper assembly or installation, shipping damage, or to normal wear of the product.
- Exclusions Excluded from this warranty are normal wear, normal adjustments, and normal maintenance.
In the event you have a claim under this warranty, you must return the product to an authorized service dealer. All transportation charges, damage, or loss incurred during transportation of parts submitted for replacement or repair under this warranty shall be borne by the purchaser. Should you have any questions concerning this warranty, please contact us toll-free at 1-800-222-8183. The model number, serial number, date of purchase, and the name of the authorized Swisher dealer from whom you purchased the mower will be needed before any warranty claim can be processed.
THIS WARRANTY DOES NOT APPLY TO ANY INCIDENTAL OR CONSEQUENTIAL DAMAGES AND ANY IMPLIED WARRANTIES ARE LIMITED TO THE SAME TIME PERIODS STATED HEREIN FOR ALL EXPRESSED WARRANTIES. Some states do not allow the limitation of consequential damages or limitations on how long an implied warranty may last, so the above limitations or exclusions may not apply to you. This warranty gives you specific legal rights and you may have other rights, which vary from state-to-state. This is a limited warranty as defined by the Magnuson-Moss Act of 1975.
SAFETY PRECAUTIONS
This Safety Alert Symbol indicates important messages in this manual. When you see this symbol, carefully read the message that follows and be alert to the possibility of personal injury.
Read this manual completely. This machine can amputate hands, feet, and throw objects. Failure to observe the following safety instructions could result in serious injury or death.
- Read the manual. Learn to operate this machine safely.
- Always disconnect the spark plug wire and place the wire where it cannot contact the spark plug, to prevent accidental starting of the engine when setting up, transporting, adjusting or making repairs.
- Keep all shields and guards in place.
- Understand the speed, steering and stability of this machine. Know the positions and operations of all controls before you operate this machine. Check all of the controls in a safe area before starting to work with this machine.
- Clear the area of objects such as rocks, toys, wire, etc. that can be picked up and thrown by the blade.
- Allow only responsible adults who are familiar with these instructions to operate this machine. Never allow children to operate this machine.
- Be sure the area is clear of other people before mowing. Be aware of the mower discharge direction and do not point at anyone. Stop the machine if anyone enters the mowing area. Children are often attracted to the machine and the mowing activity. Never assume that children will remain where you last saw them. Keep children under the watchful care of another responsible adult.
- No riders!
- Do not put hands or feet near or under rotating parts. Keep clear of the discharge opening at all times.
- Do not mow in reverse. Always look down and behind before and while backing.
- Turn off the blades when not mowing. Before leaving the machine, turn off the blades and stop the engine.
- Watch for traffic when operating near or crossing roadways.
- Do not operate the mower if the mower has been dropped or damaged in any manner or if it vibrates excessively. Excessive vibration is an indication of damage. Repair mower as necessary.
- Dress properly. Do not operate the mower when barefoot or wearing open sandals. Wear only solid shoes with good traction when mowing.
- Do not operate the machine while under the influence of alcohol or drugs.
- Operate self-propelled machines up and down slopes. There is significant risk of overturns when operating across slopes. Operate walkbehind machines across slopes. There is a significant risk of slipping under a walk-behind machine when operating up and down slopes. Do not operate on slopes greater than 15 degrees.
- Never tamper with safety devices. Check their proper operation regularly.
- Stop and inspect the equipment if you strike an object. Repair, if necessary, before restarting.
- Never make adjustments or repairs with the engine running.
- Mower blades are sharp and can cut. Wrap the blades or wear gloves, and use extra caution when servicing them.
SAFETY DECALS
Replace decal immediately if damaged. Order by part number from Swisher.

OPERATING YOUR TRAIL MOWER
The operation of any mower can produce foreign objects to be thrown into the eyes, resulting in severe eye damage. Always wear certified safety glasses or wide-vision safety goggles over spectacles before staring any cutting machine and while operating such a machine.
The operation of any cutter produces sound waves that are damaging to the human ear. Ear protection is recommended.
CAUTION!
Tragic accidents can occur if the operator is not alert to the presence of children. Children are often attracted to the machine and the mowing activity. Never assume that children will remain where you last saw them.
INTENDED USE
The 44” Trail Mower is designed to produce a quality finish cut on lawns, golf courses, etc. It is not intended to clear brush or cut saplings. Your Trail Mower should be towed behind an ATV, golf cart, lawn tractor, or other approved vehicle. It is not designed for speeds exceeding 5 MPH. WARNING: To avoid serious injury, operate your mower up and down the face of slopes, NEVER across the face. DO NOT MOW SLOPES GREATER THAN 15 DEGREES! (See attached guide for sighting slopes.)
ATTACHING TRAIL MOWER TO TOW VEHICLE
- Back vehicle up to desired towing position.
- Offset the Trail Mower to the side opposite the tow vehicle discharge (if any). This prevents the tow vehicle from throwing grass into Trail Mower engine.
- If tow vehicle has a ball hitch, the ball must be removed before hitch can be fastened.
- Attach hitch to the tow vehicle with hitch pin (H11). Make certain the hitch pin goes completely through and is clipped to prevent accidental separation.
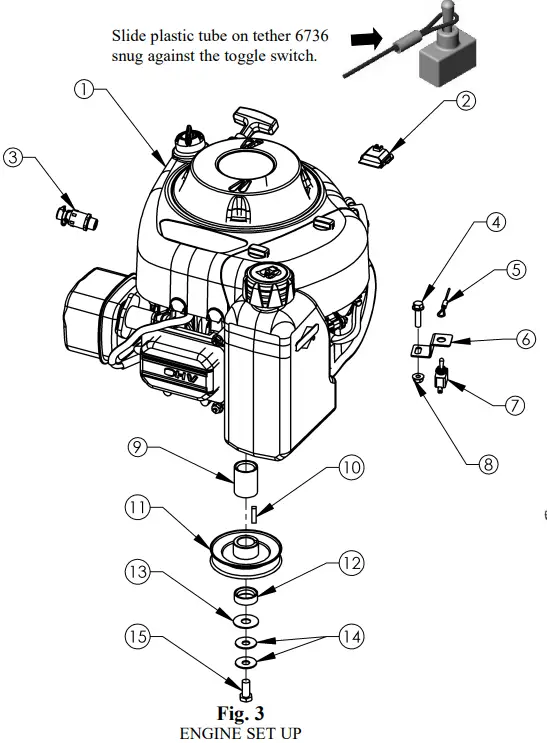
- Securely attach safety tether (6736) to tow vehicle and to the Trail Mower toggle switch located on right side of the engine. The safety tether will stop the Trail Mower engine either manually or if the two should become separated. It is very important that the safety tether is securely attached to both the toggle switch and to the tow vehicle. See Fig 3, pg 15.
TRANSPORTING MOWER
- Stop Trail Mower.
- Place Trail Mower deck in its highest position.
- When transporting without the use of a tow vehicle, remove spark plug wire and place it where it cannot contact the spark plug.
ENGAGING BLADES
The Trail Mower will not start if the blade lever is in the “ENGAGED” position.
- Engage blades by rotating blade lever into the “ENGAGED” position.
- Rotate blade lever in opposite direction to disengage blade.
- The dual braking system is applied when the blades become disengaged. It is designed to bring the blades to quick stop (approximately 7 seconds). Each
- Trail Mower brake system has been tested and calibrated. For safety, the consumer should not alter the braking system.
STARTING THE ENGINE
See engine manufacturer’s recommendations for the type and amount of oil and fuel used. Trail Mowers equipped with an electric start engine will need a battery (sold separately). Swisher recommends using a standard “12N12A” battery.
- Make sure the tow vehicle parking brake is set, mower is level, and blades are disengaged. Engine must be level to accurately check and fill oil. Do not overfill. Check spark plug wire, oil, and fuel. Check all electrical connections for buildup or debris.
- (For All Models) Make sure toggle switch is not turned “OFF” and safety tether is attached.
- Set engine throttle to “RUN” position.
- Move the choke lever to the “ON” position (cold engine only).
- (12 v START ONLY) -With feet clear of mower deck, turn key switch to the “START” position; release when engine begins to run.
- (RECOIL ONLY MODELS) To use pull-rope, Turn the key switch to the “ON” position, Pull the rope with a single fluid motion.
- Set engine throttle at maximum RPM. Return the choke lever to “Off”
- Allow engine to run a few moments before engaging blades.
IMPORTANT: This engine is not equipped with a spark arrester muffler. It is a violation of California Public Resource Code Section 4442 to use or operate the engine on any forest-covered, brushcovered, or grass-covered land. Other states or federal areas may have similar laws.
BREAKING IN YOUR MOWER
- Set vehicle parking brake or chock wheels to prevent accidental rolling.
- Start engine properly.
- Slowly engage blade control.
- In a safe environment, i.e. no children, allow blades to rotate and engine to idle for 5 minutes. This breaks in the belts and the engine.
- Stop mower properly.
CAUTION!
SHUT OFF MOWER ENGINE AND REMOVE SPARK PLUG WIRE FROM SPARK PLUG BEFORE MAKING ANY ADJUSTMENTS TO THE MOWER.
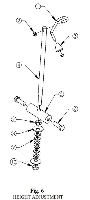
MOWER HEIGHT ADJUSTMENT
- Make adjustments while Trail Mower is not running.
- There is approximately 1 ½” to 4 ½” of height adjustment.
- Rotate height adjust crank handle in a clockwise direction to lower the mower deck. A counter-clockwise direction is used to lift the mower deck.
- Graduated scales are for reference only, not the actual cutter height.
FRONT TO BACK ADJUSTMENT
For best cutting results, the mowing deck should be raised to ½” to ¾” higher in the rear.
- Make adjustments while Trail Mower is not running.
- Remove hairpins NB127 from clevis pins 18842 so L-hitch 18829 can be repositioned.
- Raise or lower hitch section to obtain proper front to back adjustment.
- Insert clevis pins in the desired hitch position and secure with hairpins.
TOW HITCH OFFSET
This Trail Mower has been designed to operate offset from the center of the tow vehicle or consecutively with another Trail Mower, providing additional cutting width. When offsetting the mower do so to the side opposite the discharge of the tow vehicle
- Swisher recommends if the tow vehicle is equipped with a mid-mount mower to overlap the cut approximately 6”. This may vary depending on mowing terrain, obstacles, and/or tow vehicle. Always keep SAFETY the first priority.
- If the tow vehicle is not equipped with a mid-mount mower, we still recommend offsetting the mower so that the tow vehicle does not crush the grass.
STARTING TO MOW
- Adjust the cutting height.
- Double check vehicle to mower attachment.
- Start mower engine and set throttle to “FAST” for best cutting performance.
- Slowly engage blade clutch lever.
- Carefully mount vehicle and start mowing at a slow travel speed.
STOPPING THE MOWING SESSION
- Bring the tow vehicle to a complete stop, shut off the engine, and set the parking brake.
- Disengage the blades.
- Manually switch the toggle switch and/or key switch to their “OFF” positions.
- Always remember to remove keys to avoid irresponsible usage.
SUGGESTED MOWING PRACTICES
- Operate mower engine at full throttle to assure the best cutting performance and maximum material discharge.
- Allow wet grass to dry. Wet grass will clump and collect under the mowing deck.
- Mowing should be started with tow vehicle in low gear and increased only as safe mowing conditions permit. Mowing speed should not exceed 5 MPH.
- The average lawn should be cut to approximately 2.5” during the cool season and to over 3” during the hot months.
- For a healthier lawn and better aesthetics, your lawn should be mowed often and after moderate growth.
- When cutting high or dense grass areas go slowly. Some areas may need to be mowed twice. The second cut should be at 90 degrees to the first, if possible.
- Mowing thick or high grass: Raise rear of deck to ½” to ¾” above front of the deck. See “FRONT TO BACK ADJUSTMENT”. When mowing thick or high grass, it is recommended to cut area twice. The first at a higher setting and the second at the desired lawn height.
- Creating a manicured lawn: Never cut more than 1/3 of the grass height in one cutting.
GENERAL TROUBLE SHOOTING
The mower is not cutting level.
- Check air pressure of all tires; make sure they are equal. See tires for maximum inflation.
- Make certain blades are installed identically, without the engine running.
The engine will not start.
- Disengage blades, turn toggle switch to “OFF” position, check battery and all other electrical connections, and inspect spark plug and wire.
- Contact engine manufacturer or qualified mechanic.
Engine runs poorly.
- See engine manual.
- Check the throttle adjuster.
- Replace fuel, clean fuel filter and fuel line.
- Check spark plug and gap.
Mower bounces excessively while towing.
- Decrease tire pressure.
- Tow at a slower speed.
IF PROBLEMS PERSIST HAVE A QUALIFIED MECHANIC SERVICE THE MOWER. NEVER ATTEMPT TO MAKE AN ADJUSTMENT THAT YOU ARE NOT SURE IS CORRECT. DOING SO CAN CAUSE OTHER PROBLEMS.
MOWER MAINTENANCE
GENERAL RECOMMENDATIONS
The warranty on this Trail Mower does not cover items that have been subjected to operator abuse or negligence. To receive full value from the warranty, operator must maintain unit as instructed in this manual. Some adjustments will need to be made periodically to maintain your unit properly. All adjustments in this manual should be checked at least once each season.
BEFORE EACH USE
- Check engine oil level on a level surface. Check twice to ensure an accurate reading.
- heck condition of air filter; clean and replace as necessary.
- Check blade operation; keep blades in good condition.
- Check for loose fasteners and tighten them as needed.
AFTER EACH USE
- Keep blades sharp.
- Remove fresh grass clippings with garden hose.
- Hardened grass clippings on underside should be scraped out with a putty knife.
- Keep fluids at proper levels.
- Cover unit to prevent rain or other debris buildup. Definitely cover the engine.
BEFORE AND/OR AFTER EACH SEASON
- Replace the spark plug.
- Clean or replace the air filter.
- A new spark plug and clean air filter assure proper air-fuel mixture and help your engine run better and last longer.
- Check blades and belts for wear. Replace as necessary.
- Change the oil.
- See engine manufacturer’s recommendations for servicing.
STORAGE RECOMMENDATIONS
CAUTION! Do not store engine indoors or other poorly ventilated area. Keep engine away from gas appliances and water heaters where fumes could contact open flame, pilot lights, or sparks.
If engine is to be stored for 30 or more days, prepare unit as follows:
- Drain fuel outside into an approved container.
- Start engine properly and run until unit is out of fuel.
- Let engine cool.
- Remove remaining gasoline from carburetor and fuel tank to prevent gum
- deposits from forming within the engine. Gum deposits can cause malfunction in the engine.
- Store mower with blades disengaged to prevent belts from being permanently stretched.
BLADE CARE AND SERVICE
For best results mower blades must be kept sharp. The blades can be sharpened with a few strokes of a file or grinding wheel. Do not attempt to sharpen blades while they are on the mower. Disconnect spark plug wire before servicing unit. Important: Replace blades that have been damaged or deeply nicked. Important: Check blade and spindle hardware on a regular basis to make sure nuts are tight.
Only a qualified mechanic should make any adjustments, disassembly or other kind of repairs.
REPAIR PARTS
Your 44” Trail Mower has been produced with components designed specific to this machine. Although standard V-belts, springs, bearings, blades, pulleys, hardware, etc. look similar to parts used on other machinery, they may in some cases be made of a different construction and/or materials.
Fig. 1
WIRING CONFIGURATIONS
FC44 RECOIL START
| DESCRIPTION | PART # |
| RECOIL START MODELS | |
| Harness – Wiring, Recoil | 10638 |
| Module | MOD1 |

| DESCRIPTION | PART # |
| RECOIL START MODELS | |
| Harness – Wiring, Recoil | 23215 |

Fig. 1 Cont.
WIRING CONFIGURATIONS
FC44 12 VOLT START

PARTS NOT SHOWN
| DESCRIPTION | PART # |
| 12 VOLT START MODELS | |
| Harness – Wiring, 12V | 19206 |
| Solenoid – 3 Pole | 1002004 |
| Cable – Battery, 10″ Red; Positive | BCSR |
| Cable – Battery, 10″ Black; Negative | BCS |
| Box – Battery | 10231* |
| Pad – Battery | BATPAD |
| Cable – Battery 19.5″, Red | BCL |
| Boot – Battery | BCBT |
| Battery – Hold Down | BHOLD |
| BATTERY (12N12A) RECOMMENDED** | N/A |
When ordering replacement parts
* = USE PAINT CODE: GT=GREY TC=RED TK=BLACK
Fig. 2
PARTS BREAKDOWN

| ITEM # | DESCRIPTION | PART # |
| 1 | Cover – Belt | 10599* |
| 2 | Bolt – 1/4-20 X 1/2 | NB114 |
| 3 | Base – Motor | 4517* |
| 4 | Hitch – Weldment | 4525* |
| 5 | Bolt – Serrated Flange 5/16-18 X 3/4 | NB596 |
| 6 | Nut – Serrated Flange 5/16-18 | NB170 |
| 7 | Bracket – Roller Right | 4016* |
| 8 | Bolt – 3/8-16 X 5 1/2 | NB575 |
| 9 | Bracket – Anti Scalp Roller | 10634* |
| 10 | Roller – Anti-Scalp 3/8 ID | AS001 |
| 11 | Screw – .312-18 X .75 | 26X249 |
| 12 | Axle – Assembly Weldment | 10596* |
| 13 | Plate – Front Skirt | 4518* |
| 14 | Plate – Back Skirt | 4519* |
| 15 | Nut – Nyloc 3/8-16 | NB182 |
| 16 | Nut – Nyloc 1/2-13 | NB281 |
| 17 | Bolt – 1/2-13 X 2 1/2 | NB588 |
| 18 | Bracket – Roller, Left | 4015* |
| 19 | Roller – Anti-Scalp 1/2 ID | AS003 |
| 20 | Nut – Jam Lock, 1/2-13 2-Way | NB121 |
| 21 | Tire/Wheel – 3/4 Bearing 15 X 6 X 6 | F44157LVK |
| 22 | Pin – Cotter, 1/8 X 1 | NB126 |
| 23 | Chute – Discharge Weldment | 10598* |
| 24 | Spring – Torsion | 166X34 |
| 25 | Nut – Lock, 5/16-18 ZY 2 Way | NB558 |
| 26 | Mount – Grass Chute | 6030* |
| 27 | Bolt – 5/16-18 X 8 3/4 | NB136 |
| 28 | Bearing – OI Lite 1/2″ | 021008 |
Blade Driver Assembly
(Includes shaft, housing and bearings)
Part # 9018
Fig. 3
ENGINE SET UP

| ITEM # | DESCRIPTION | PART # | QTY |
| 1 | Engine – 11.5HP | N/A | 1 |
| 1 | Engine – 11.5HP 12V | N/A | 1 |
| 2 | Module – Engine | MOD1** | 1 |
| 3 | Valve – Oil Drain | 16000 | 1 |
| 4 | Bolt – Serr Flange, 5/16-18 X1 1/4 | NB253 | 4 |
| 5 | Tether – Assembly | 6736 | 1 |
| 6 | Bracket – Switch | 4483Z | 1 |
| 7 | Switch – Toggle | 685SP | 1 |
| Switch – Toggle, 12V Engine | 21374 | 1 | |
| 8 | Nut – Serr Flange 5/16-18 | NB170 | 4 |
| 9 | Spacer – Engine Pulley | BB105S | 1 |
| 10 | Key Stock – 1/4 X 1 | 9031 | 1 |
| 11 | Pulley – Engine, 4.25″ | BB105 | 1 |
| 12 | Spacer – Lower Engine Pulley | BB105SL | 1 |
| 13 | Washer – .531ID X 1 1/2 OD X .062 | TR150W | 1 |
| 14 | Washer – Belleville 7/16 X 1 1/4 | 699 | 2 |
| 15 | Bolt – 7/16-20 X 1, Nylock | NB452N | 1 |
Fig. 4
BLADE SET UP

| ITEM # | DESCRIPTION | PART # | QTY |
| 1 | Nut – Jam 3/4-16 | NB175 | 1 |
| 2 | Pulley – Blade 4 1/2″ | B4104 | 1 |
| 3 | Bearing – Blade | B98 | 2 |
| 4 | Bolt – Serr Flange 1/4-20 X 3/4 | NB690 | 2 |
| 5 | Housing – Bearing | 9057* | 1 |
| 6 | Bolt – Serr Flange 1/4-20X2 1/2 | NB208 | 1 |
| 7 | Washer – 3/4 X 1 3/4 | B98W | 1 |
| 8 | Nut – Lock, Two Way 3/8-24 | NB216 | 2 |
| 9 | Blade – G6 Gator 22″ | 20188 | 1 |
| 10 | Washer – Belleville .413 X .945 | NB607 | 1 |
| 11 | Bolt – 3/8-24 X 1 1/4 HCC GR5 ZY | NB166 | 2 |
| 12 | Bolt – 3/8-24 X 1, Nylock | NB238N | 1 |
| 13 | Washer – Belleville .760 X 1.5 | AS155 | 1 |
| 14 | Washer – 3/4 X 1 1/4 | NB179 | 3 |
| 15 | Shaft – Blade 4.25″ | 9076 | 1 |
| 16 | Nut – Serr Flange, 1/4-20 | NB524 | 4 |
| 17 | Bolt – Serr Flange 1/4-20 X 1 1/4 | 15359 | 1 |
| 18 | Plate – Blade Mount | 9008 | 1 |
Fig. 5
STANDARD ENGAGE

| ITEM # | DESCRIPTION | PART # | QTY |
| 1 | Bolt – 1/2-13 X 5 | NB155 | 1 |
| 2 | Bolt – Spade, 5/16-18 X 10.5 | NB260 | 1 |
| 3 | Nut – Nyloc 5/16-18 | NB181 | 1 |
| 4 | Pivot – Engage | 4578* | 1 |
| 5 | Nut – 5/16-18 | NB210Z | 2 |
| 6 | Knob – Shift | B19BLACK | 1 |
| 7 | Pivot – Engagement | 4548* | 1 |
| 8 | Nut – Serr Flange 5/16-18 | NB170 | 1 |
| 9 | Nut – Jam Lock, 1/2-13 | NB121 | 2 |
| 10 | Bolt – 5/16-18 X 1 | NB501 | 1 |
| 11 | Nut – Serr Flange, 1/4-20 | NB524 | 2 |
| 12 | Bolt – Serr Flange, 1/4-20 X 3/4 | NB690 | 2 |
| 13 | Engagement – Standoff | 4547* | 1 |
Fig. 6
HEIGHT ADJUSTMENT

| ITEM # | DESCRIPTION | PART # | QTY |
| 1 | Rod – Crank | ES214 | 1 |
| 2 | Nut – Push, 5/16 | NB117 | 2 |
| 3 | Knob – Height Adjustment | H7K | 1 |
| 4 | Rod – Height Adj 5/8-11 X 13-1/16 | 4006 | 1 |
| 5 | Block – Single Point Pivot | 4007* | 1 |
| 6 | Bolt – 1/2-13 X 1 1/2 | 10046 | 2 |
| 7 | Nut – Jam, 1/2-13 | NB118 | 1 |
| 8 | Washer – Belleville .515 X1.50 X.115 | 10635 | 2 |
| 9 | Washer – Mach 1/2 | NB177 | 6 |
| 10 | Nut – Jam Lock, 1/2-13 2-Way | NB121 | 1 |
Fig. 7 Tension Assembly

| ITEM # | DESCRIPTION | PART # |
| 1 | Nut – 2 Way Lock 3/8-16 | NB280 |
| 2 | Washer – 3/8 | NB272 |
| 3 | Pulley – Idler | B527 |
| 4 | Bolt – 1/4-20 X 2 | NB218 |
| 5 | Bolt – 3/8-16 X 1 1/4 | NB618 |
| 6 | Washer – Idler | 6040Z |
| 7 | Nut – Nyloc 1/4-20 | NB180 |
| 8 | Brake – Link | 4532 |
| 9 | Nut – Serrated Flange 1/4-20 | NB524 |
| 10 | Eyebolt – 1/4-20 X 3/4 | V139EB |
| 11 | Arm – Idler | 4530* |
| 12 | Bushing – Idler | 6037 |
| 13 | Nut – Nyloc 3/8-16 | NB182 |
| 14 | Nut – Nyloc 5/16-18 | NB181 |
| 15 | Spring – Idler Tension | 4422 |
| 16 | Nut – Serrated Flange 5/16-18 | NB170 |
| 17 | Bolt – Serrated Flange 5/16-18 X1 1/4 | NB253 |
| 18 | Bolt – Spade, 5/16-18 X 10.5 | NB260 |
| 19 | Nut – 5/16-18 | NB210Z |
| 20 | Bolt – 3/8-16 X 1 1/2 | NB107 |
Fig.8 Belt / Brake Configuration

| ITEM # | DESCRIPTION | PART # |
| 1 | Belt – 74″ | 4220 |
| 2 | Spring | T2SM |
| 3 | Bracket – Spring Tension | 4593* |
| 4 | Brake – Arm Sub-Assembly, Left | 10591 |
| 5 | Brake – Arm Sub Assembly, Right | 10590 |
| 6 | Switch – Return to Neutral | 3695 |
| 7 | Bracket – Switch | 4301* |
| 8 | Bolt – Serr Flange 5/16-18 X 3/4 | NB596 |
| 8 | Nut – Serr Flange 5/16-18 | NB170 |
Fig. 9 BRAKE ARM CONFIGURATIONS

| Item # | Description | Part # | Qty |
| 1 | Arm – Brake | 10589* | 1 |
| 2 | Eyebolt – 1/4-20 X 3/4 | V139EB | 1 |
| 3 | Nut – Nylock 1/4-20 | NB180 | 1 |
| 4 | Nut – Serr Flange 1/4-20 | NB524 | 2 |
| 5 | Bolt – HTC 1/4-20 X 1 1/2 | NB162 | 2 |
| 6 | Nut – Kep 10-24 | NB172 | 1 |
| 7 | Pad – Brake | 9039 | 1 |
| 8 | Screw – 10-24 X 1 1/2 | NB710 | 1 |
LEFT ASSEMBLY PART # 10591

| Item # | Description | Part # | Qty |
| 1 | Arm – Brake | 10589* | 1 |
| 2 | Nut – Serr Flange 1/4-20 | NB524 | 2 |
| 3 | Bolt – 1/4-20 X 2 | NB218 | 1 |
| 4 | Nut – Kep 10-24 | NB172 | 1 |
| 5 | Pad – Brake | 9039 | 1 |
| 6 | Screw – 10-24 X 1 1/2 | NB710 | 1 |
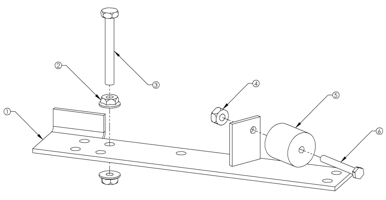
Fig. 10 HITCH ASSEMBLY

| ITEM # | DESCRIPTION | PART # | QTY. |
| 1 | Weldment – “L” Hitch | 18829* | 1 |
| 2 | Tube – Hitch | 18832* | 1 |
| 3 | Tube – Hitch Elbow | 18833* | 1 |
| 4 | Washer – SAE Flat 3/8 | NB272 | 8 |
| 5 | Bolt – 3/8-16×2 1/2 HCC GR5 | NB221 | 2 |
| 6 | Nut – Nyloc 3/8-16 | NB182 | 4 |
| 7 | Plug – 1.75×10-14ga SQ Tube | 18834 | 2 |
| 8 | Pin – Clevis, 3/8×2.5; ZY | 18842 | 1 |
| 9 | Pin – Hair, #39 | NB127 | 3 |
| 10 | Pin – Clevis, 3/8×3.75; ZY | 18843 | 2 |
| 11 | Pin – Hitch, 3/8 X 3 w/ Hair Pin | 20268 | 1 |
| 12 | Bolt – 3/8-16×3 HCC GR5 ZY | NB150 | 2 |
| 13 | Spacer – Straight Hitch | 18974* | 1 |
When ordering replacement parts
* = USE PAINT CODE: GT=GREY TC=RED TK=BLACK
RECOMMENDED HITCH CONFIGURATIONS AND POSITIONS


44” FAST FINISH TRAIL MOWER
HOW TO ORDER REPAIR PARTS:
Each Trail Mower has its own serial number. Each engine has its own serial number. The serial number for the Trail Mower will be found on the right hand side of the drive belt housing. The serial number for the engine will be found on the top of the blower fan housing.
All Trail Mower parts listed herein may be ordered directly
from Swisher, your nearest Swisher dealer, or from our website. www.swisherinc.com
All engine parts may be ordered from the nearest dealer of the engine supplied with your mower.
WHEN ORDERING PARTS, PLEASE HAVE THE
FOLLOWING INFORMATION AVAILABLE:
* PRODUCT – FC44 FAST FINISH TRAIL MOWER
* SERIAL NUMBER – _______________
* MODEL NUMBER – _______________
* ENGINE MODEL NUMBER – _______________
TYPE – _______________
* PART NUMBER
* PART DESCRIPTION
CUSTOMER SUPPORT
www.swisherinc.com
TELEPHONE – 1-800-222-8183
FAX – 1-660-747-8650
SWISHER ACQUISITION INC.
1602 CORPORATE DRIVE
WARRENSBURG, MO 64093




















