
Illustrated Parts Manual
STARTING SERIAL # L116-001001
Model #: ZTR66FC
Description: 66″ Finish Cut Attachment
SWISHER ACQUISITION INC.
1602 Corporate Drive, Warrensburg Missouri 64093
Phone: 660-747-8183 FAX: 660-747-8650 Toll Free: 1-800-222-8183
Electrical Schematic
20333 – Wire Harness – Front Mount, ZTR66FC
ITEM NO. | MFG. PART NO. | DESCRIPTION | QTY. |
| 1 | N/A | Green, 16 AWG | 2 @ 36″ |
| 2 | N/A | Red, 16 AWG | 2 @ 38″ |
| 3 | 19002-0028 | MOLEX 3/16″ Female, Straight | 2 |
| 4 | 19006-0015 | MOLEX 3/16″ Female, 90° Flag | 2 |
| 5 | 50-84-1020 | MOLEX 2-Pin Plug; Male | 1 |
| 6 | 02-08-2004 | Male Pin Terminal, | 2 |
| 7 | 50-84-2020 | MOLEX 2-Pin Plug; Female | 1 |
| 8 | 02-08-1002 | Female Pin Terminal | 2 |
| 9 | N/A | Ø3/8″ Conduit, Split; Black | 1 @ 35″ |

Main Deck Diagram

Main Deck Parts List
ITEM NO. | PART NUMBER | DESCRIPTION |
| 1 | 20303* | Weldment – 66″ x 3/16″, Front Mount |
| 2 | 19254 | Pillow Block – Half, UHMW |
| 3 | 19316* | Plate – Pillow Block Cover |
| 4 | NB150 | Bolt – 3/8-16 X 3 HCC GR5 ZY |
| 5 | NB280 | Nut – 2 Way Lock 3/8-16 ZY & Wax Gr A |
| 6 | NB207 | Nut – Jam, Nyloc 3/8-16 ZY |
| 7 | 19263* | Weldment – Anti-Scalp Bracket, Left |
| 8 | 19265* | Bracket – Center Anti-Scalp Wheel |
| 9 | 19264* | Weldment – Anti-Scalp Bracket, Right |
| 10 | 19728* | Bracket – Chain Mount, Right |
| 11 | 19727* | Bracket – Chain Mount, Left |
| 12 | 19297* | Bracket – Grass Chute Mount |
| 13 | 10216 | Bolt – Carriage 5/16-18X3/4 GR5 ZY |
| 14 | 26X249 | Screw – .312-18 X .75 Black Zinc |
| 15 | 3511 | Gauge – Wheel |
| 16 | NB108 | Bolt – 1/2-13 X 7 HCS GR5 ZY |
| 17 | NB132 | Bolt -1/2-13 X 4 HCC GR5 ZY |
| 18 | NB121 | Nut – Jam Lock, 1/2-13 2-Way Gr A |
| 19 | 19692 | Bolt – Hex, 5/16-18 x 3 1/2; ZP |
| 20 | NB275 | Washer – SAE Flat 5/16 ZY |
| 21 | NB558 | Nut – Lock, 5/16-18 ZY 2 Way Grade A |
| 22 | NB272 | Washer – SAE Flat 3/8 ZY Carbon Steel |
| 23 | AS001 | Roller – Anti-Scalp 3/8 ID |
| 24 | NB199 | Bolt – 3/8-16 X 5 HCC GR5 ZP |
| 25 | NB107 | Bolt – 3/8-16 X 1 1/2 HCC GR5 ZY |
| 26 | 19369 | Shaft – PTO Quick Disconnect 1-15 Spline |
| 27 | NB170 | Nut – Serr Flange 5/16-18 ZY Case Hrd |
| 28 | NB509 | Bolt – 1/2-13 X 2 HCC GR5 ZY |
| 29 | 20317Z | Weldment – Female, Deck Adjustment; ZP |
| 30 | 20324 | Pin – Ø1/2 x 1.5, Ball Lock; ZP |
| 31 | 19451 | Switch – Micro Lever, NC/NO |
| 32 | 15355 | Fitting – Grease Zerk 1952 |
| 33 | 19601 | Screw – 4-40 X 5/8, Pan Head |
| 34 | 19602 | Nut – Kep, 4-40 |
When Ordering Replacement Parts:
* = USE PAINT CODE: TK=BLACK, TC=RED
Deck Components Diagram
Blade Driver Assembly
(Includes Shaft, Housing & Bearings)
Part # 21008
Deck Components Parts List
ITEM NO. | PART NUMBER | DESCRIPTION |
| 1 | 20303* | Weldment – 66″ x 3/16″, Front Mount |
| 2 | NB280 | Nut – 2 Way Lock 3/8-16 ZY & Wax Gr A |
| 3 | NB182 | Nut – Nyloc 3/8-16 ZY |
| 4 | NB207 | Nut – Jam, Nyloc 3/8-16 ZY |
| 5 | NB170 | Nut – Serr Flange 5/16-18 ZY Case Hrd |
| 6 | 10216 | Bolt – Carriage 5/16-18X3/4 GR5 ZY |
| 7 | NB275 | Washer – SAE Flat 5/16 ZY |
| 8 | NB558 | Nut – Lock, 5/16-18 ZY 2 Way Grade A |
| 9 | NB272 | Washer – SAE Flat 3/8 ZY Carbon Steel |
| 10 | 19038 | Cage Nut – 1/4-20, 11GA |
| 11 | 19286* | Bracket – Gearbox Mount, Output |
| 12 | 19329 | Gearbox – 90°-1:1, CW Input/CW Ouput |
| 13 | NB638 | Key – Woodruff, 3/16 X 3/4 #9 |
| 14 | 19337 | Adapter – Ø7/8 to Ø1-15 Spline |
| 15 | NB618 | Bolt – 3/8-16 X 1 1/4 GR5 ZY |
| 16 | NB596 | Bolt – Serr Flange, 5/16-18 X 3/4 Gr 5 |
| 17 | 19283 | Pulley – Deck Drive, 5.5″ |
| 18 | 19814 | Washer – Belleville 5/8 X 13/4 X .098 ZP |
| 19 | 19370 | Nut – Hex Jam, 5/8-18 ZY |
| 20 | 19339* | Bracket – Pulley Cover Support |
| 21 | 6040Z | Washer – Idler, ZP |
| 22 | 7509 | Pulley – Idler OD-2.75″, ID-3/8″ |
| 23 | 19313 | Bolt – Carriage, 3/8-16X2 1/2 GR5 ZClear |
| 24 | 19300* | Weldment – Deck Idler |
| 25 | 18607 | Pulley – Backside Idler, 5″ |
| 26 | 18874 | Washer – Plastic 2″ OD X 3/8″ ID X .188 |
| 27 | 18875 | Washer – Plastic 7/8 SQ X 3/8″ ID X .250 |
| 28 | 10177 | Washer – Fender 3/8 X 1.5, Crbn Stl GR 2 |
| 29 | 4422 | Spring – Idler Tension, Bent Leg |
| 30 | 19318 | Bolt – Spade, 5/16-18 X 8.5 ZY |
| 31 | NB181 | Nut – Nyloc 5/16-18 ZY |
| 32 | 10501 | Bolt – Carriage 3/8-16 X 1 1/4 GR5 ZY |
| 33 | 19439* | Housing – Cast Iron Blade Driver, Long |
| 34 | B98 | Bearing – Blade |
| 35 | 9008 | Plate – Blade Mount |
| 36 | NB179 | Washer – 3/4 ID X 1 1/4 OD 18 GA ZY |
| 37 | 19247 | Shaft – Blade, 6″; Long Shoulder |
| 38 | AS155 | Washer – Belleville .760 X 1.5 X .098 |
| 39 | NB175 | Nut – Jam 3/4-16 Gr 2 |
| 40 | 20651 | Pulley – Blade, 5″ |
| 41 | 20115 | Blade – G6 Gator, 22.5″ |
| 42 | NB166 | Bolt – 3/8-24 X 1 1/4 HCS GR5 ZP |
| 43 | NB238N | Bolt – HHC 3/8-24 X 1 GR 5 Nyloc |
| 44 | NB607 | Washer – SP Bellvl. PLN .413 X.945 X.118 |
| 45 | NB216 | Nut – Lock, Two Way 3/8-24 ZY Gr A |
| 46 | 10197 | Bolt – Carriage 5/16-18 X 1 GR5 |
| 47 | 19422 | Belt – 146″, A-Section; Deck |
| 48 | 19260* | Cover – Belt, Left |
| 49 | 19259* | Cover – Belt, Right |
| 50 | NB690 | Bolt – Serr Flange, 1/4-20 X 3/4 GR5 ZY |
When Ordering Replacement Parts:
* = USE PAINT CODE: TK=BLACK, TC=RED
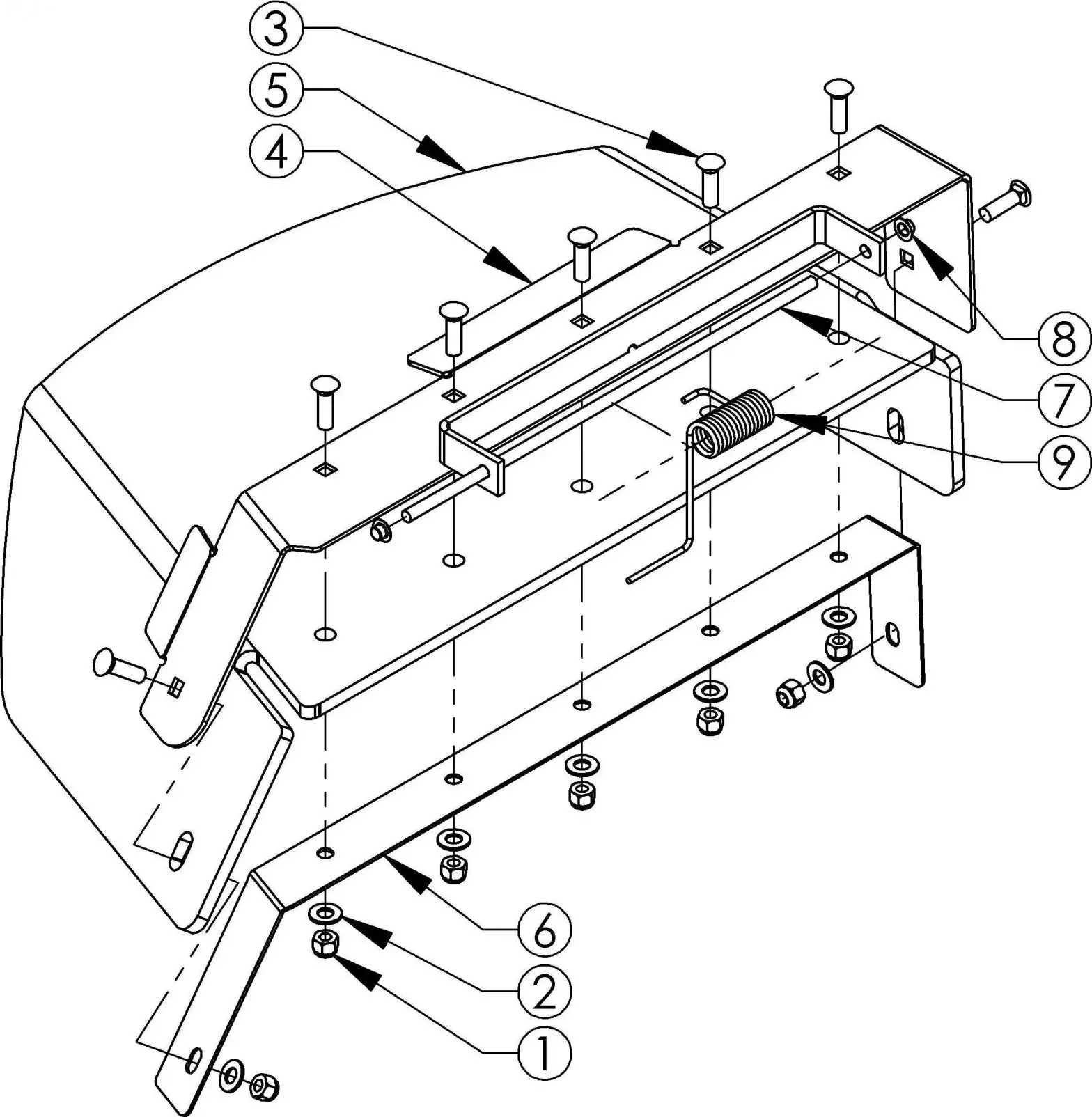
Rocker Shaft Diagram
Rocker Shaft Parts List
ITEM NO. | PART NUMBER | DESCRIPTION |
| 1 | 20312* | Weldment – Rocker Shaft |
| 2 | 19269* | Weldment – Quick Disconnect Deck |
| 3 | 20321Z | Weldment – Male Tube, Deck Adjustment ZP |
| 4 | 20322Z | Plate – Pin Stop; ZP |
| 5 | 20323 | Pin – Ø1/2 x 5; ZP |
| 6 | NB177 | Washer – Mach 1/2 NR 14 GA |
| 7 | NB595 | Nut – Lock Jam, 5/8-11 2 Way Grade A |
| 8 | NB509 | Bolt – 1/2-13 X 2 HCC GR5 ZY |
| 9 | NB280 | Nut – 2 Way Lock 3/8-16 ZY & Wax Gr A |
| 10 | NB127 | Pin – Hair, #39 (A155H) ZY Std |
| 11 | 19734Z | Washer – 3/4″ID X 2″OD X 1/4″; ZP |
| 12 | 13997 | Nut – 3/4-10; 2 Way Locking |
| 13 | 19371 | Washer – Ø5/8″ X 3/16″; ZP |
| 14 | NB121 | Nut – Jam Lock, 1/2-13 2-Way Gr A |
| 15 | NB272 | Washer – SAE Flat 3/8 ZY Carbon Steel |
| 16 | 10177 | Washer – Fender 3/8 X 1.5, Crbn Stl GR 2 |
| 17 | 19678* | Plate – Deck Height Indicator |
| 18 | NB107 | Bolt – 3/8-16 X 1 1/2 HCC GR5 ZY |
| 19 | 19372 | Turnbuckle – 5/16-18, RHT & LHT |
| 20 | NB173 | Nut – Jam 5/16-18 ZY |
| 21 | 19432 | Nut – Jam, 5/16-18, LHT; ZY |
| 22 | NB781 | Connector – Chain, 3/16″ |
| 23 | 19452 | Bungee – Ø5 1/2″ Ring, Ø5/16 Cord |
| 24 | 19364 | Chain – Deck Lift, 13 Links |
| 25 | 19425 | Cover – Fabric Chain Wrap |
| 26 | 19858 | Button – Plastic, Male |
| 27 | 19859 | Spring – Torsion, Deck Height |
| 28 | 19857 | Button – Plastic, Female |
| 29 | 20310* | Plate – Slide Mount Support, 14 GA |
| 30 | 20309* | Plate – Slide Mount Support, 1/4″ |
| 31 | NB622 | Bolt – Serr Flange, 5/16-18X2 1/4 GR5 ZY |
| 32 | NB170 | Nut – Serr Flange 5/16-18 ZY Case Hrd |
When Ordering Replacement Parts:
* = USE PAINT CODE: TK=BLACK, TC=RED
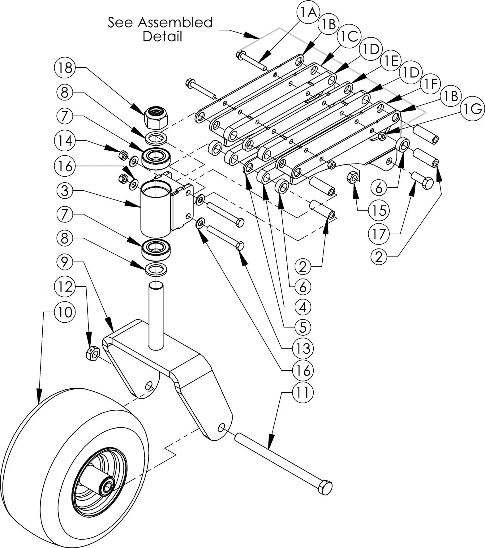
Radius Arm Diagram & Parts List

Assembled Detail
ITEM NO. | PART NUMBER | DESCRIPTION |
| 1 | 19720* | Assembly – Top Radius Arm; Txt Blk |
| 1A | NB622 | Bolt – Serr Flange, 5/16-18X2 1/4 GR5 ZY |
| 1B | 19708 | Plate – Radius Arm, 1/8″ |
| 1C | 19246 | Plate – Linkage Control, Right |
| 1D | 19710 | Plate – Radius Arm, 1/2″ |
| 1E | 19709 | Plate – Radius Arm, 1/4″ |
| 1F | 19280 | Plate – Linkage Control, Left |
| 1G | NB558 | Nut – Lock, 5/16-18 ZY 2 Way Grade A |
| 2 | 19282 | Bushing – Front Radius Arm |
| 3 | 19261* | Weldment – Housing, Front Caster |
| 4 | 19710* | Plate – Radius Arm, 1/2″ |
| 5 | 19708* | Plate – Radius Arm, 1/8″ |
| 6 | 19711 | Spacer – 5/8″ ID x 1″ OD x 3/8″ |
| 7 | 4845 | Bearing – Blade |
| 8 | NB614HT | Washer – 1 X 1 1/2 10GA Hardened |
| 9 | 19332* | Weldment – Caster, HD; Front Mount |
| 10 | 19290 | Tire/Wheel – 11 X 6.00-5, Smooth |
| 11 | 18953 | Bolt – 5/8-11 X 8 1/2, GR8; ZY |
| 12 | NB595 | Nut – Lock Jam, 5/8-11 2 Way Grade A |
| 13 | NB150 | Bolt – 3/8-16 X 3 HCC GR5 ZY |
| 14 | NB280 | Nut – 2 Way Lock 3/8-16 ZY & Wax Gr A |
| 15 | NB121 | Nut – Jam Lock, 1/2-13 2-Way Gr A |
| 16 | NB272 | Washer – SAE Flat 3/8 ZY Carbon Steel |
| 17 | NB647 | Bolt – 1/2-13 X 1 1/4 HTC GR5 ZY |
| 18 | NB612 | Nut – Nyloc 1″-8 ZY |
When Ordering Replacement Parts:
* = USE PAINT CODE: TK=BLACK, TC=RED
Grass Chute Diagram & Parts List

ITEM NO. | PART NUMBER | DESCRIPTION |
| 1 | NB182 | Nut – Nyloc 3/8-16 ZY |
| 2 | NB272 | Washer – SAE Flat 3/8 ZY Carbon Steel |
| 3 | 10501 | Bolt – Carriage 3/8-16 X 1 1/4 GR5 ZY |
| 4 | 19298* | Weldment – Grass Chute Mount |
| 5 | 19295 | Chute – Rubber, Front Mount |
| 6 | 19296* | Plate – Grass Chute, Bottom |
| 7 | 18595 | Rod – Deck, Grass Chute; ZP |
| 8 | NB117 | Nut – Push, 5/16; ZP |
| 9 | 166X34 | Spring – Torsion |
When Ordering Replacement Parts:
* = USE PAINT CODE: TK=BLACK, TC=RED
Notes
Rocker Shaft Parts List
















