SWISHER 60″ Fast Finish Trail Mower Owner’s Manual
LIMITED WARRANTY
The manufacturer’s warranty to the original consumer purchaser is: This product is free from defects in materials and workmanship for the period’s shown below beginning from the date of purchase by the original consumer purchaser. We will repair or replace, at our discretion, parts found to be defective due to materials or workmanship. This warranty is subject to the
following limitations and exclusions:
As required by CFR § 1060.120, the fuel system related components, which have been certified to this equipment by SAI are to be free of defects in material and workmanship for a period of two (2) years from the date of purchase by the original consumer purchaser.
- Engine Warranty
All engines utilized on our products have a separate warranty extended to them by the individual engine manufacturer. Any engine service warranty is the responsibility of the engine manufacturer and in no way is Swisher or its agents responsible for the engine warranty. The Kawasaki Engine Service Hotline is 1-877-364-6404 or email [email protected] - Commercial Use
This product has a 1yr Limited Commercial – 2 Year Limited Consumer on All Non-Engine Parts from the date of purchase. - Limitations
This warranty applies only to products, which have been properly assembled, adjusted, and operated in accordance with the instructions contained within this manual. This warranty does not apply to any product of Swisher that has been subject to alteration, misuse, abuse, improper assembly or installation, shipping damage, or to normal wear of the product. - Exclusions
Excluded from this warranty are normal wear, normal adjustments, and normal maintenance.
In the event you have a claim under this warranty, you must return the product to an authorized service dealer. All transportation charges, damage, or loss incurred during transportation of parts submitted for replacement or repair under this warranty shall be borne by the purchaser. Should you have any questions concerning this warranty, please contact us toll-free at 1-800-222-8183. The model number, serial number, date of purchase, and the name of the authorized Swisher dealer from whom you purchased the mower will be needed
before any warranty claim can be processed.
THIS WARRANTY DOES NOT APPLY TO ANY INCIDENTAL OR CONSEQUENTIAL DAMAGES AND ANY IMPLIED WARRANTIES ARE LIMITED TO THE SAME TIME PERIODS STATED HEREIN FOR ALL EXPRESSED WARRANTIES. Some states do not allow the limitation of consequential damages or limitations on how long an implied warranty
may last, so the above limitations or exclusions may not apply to you. This warranty gives you specific legal rights and you may have other rights, which vary from state-to-state. This is a limited warranty as defined by the Magnuson-Moss Act of 1975.
SAFETY PRECAUTIONS
This Safety Alert Symbol indicates important messages in this manual. When you see this symbol, carefully read the message that follows and be alert to the possibility of personal injury.
Read this manual completely. This machine can amputate hands, feet, and throw objects. Failure to observe the following safety instructions could result in serious injury or death.
- Read the manual. Learn to operate this machine safely.
- Always disconnect the spark plug wire and place the wire where it cannot contact the spark plug, to prevent accidental starting the engine when setting up, transporting, adjusting or making repairs.
- Keep all shields and guards in place.
- Understand the speed, steering and stability of this machine. Know the positions and operations of all controls before you operate this machine. Check all of the controls in a safe area before starting to work with this machine.
- Allow only responsible adults who are familiar with these instructions to operate this machine. Never allow children to operate this machine.
- Clear the area of objects such as rocks, toys, wire, etc. that can be picked up and thrown by the blade.
- Be sure the area is clear of other people before mowing. Be aware of the mower discharge direction and do not point at anyone. Stop the machine if anyone enters the mowing area. Children are often attracted to the machine and the mowing activity. Never assume that children will remain where you last saw them. Keep children under the watchful care of another responsible adult.
- No riders!
- Do not put hands or feet near or under rotating parts. Keep clear of the discharge opening at all times.
- Do not mow in reverse. Always look down and behind before and while backing.
- Turn off the blades when not mowing. Before leaving the machine, turn off the blades and stop the engine
- Watch for traffic when operating near or crossing roadways.
- Do not operate the mower if it has been dropped or damaged in any manner or if the mower vibrates excessively. Excessive vibration is an indication of damage. Repair mower as necessary.
- Dress properly. Do not operate the mower when barefoot or wearing open sandals. Wear only solid shoes with good traction when mowing.
- Do not operate the machine while under the influence of alcohol or drugs.
- Do not operate on slopes greater than 15 degrees. Never tamper with safety devices. Check their proper operation regularly.
- Stop and inspect the equipment if you strike an object. Repair, if necessary, before restarting.
- Never make adjustments or repairs with the engine running.
SAFETY DECALS
Replace decals immediately if damaged. Order by part number from Swisher.
- OD45- Warning Decal AVOID SERIOUS INJURY OR DEATH

- Read and follow owner’s manual.
- Keep hands and feet away from discharge area and blades.
- Avoid sudden turns, sudden changes in direction, sudden changes in speed.
- Go up and down slopes, not across.
- If machine stops going uphill, stop blade and back slowly down.
- Look down and behind before and while moving backwards.
- Do not operate when children or others are around.
- Never carry children or others as passengers.
- Keep safety devices, such as guards and deflectors, in place and operating.
- Remove objects that could be thrown by the blade.
- Know safe operating instructions before starting engine.
- OD55- Triangle Danger Decal

- Keep Hands and Feet away.
- OD11- No step Decal

Caution Unstable Surface No step - OD43- Flying Debris Decal
- WARNING

- FLYING DEBRIS EYE INJURY AND/OR CUTS POSSIBLE.
- KEEP PEOPLE CLEAR OF AREA WHEN MOWING.
- USE CHUTE GUARD/COVER OR COMPLETE GRASS CATCHER WHEN MOWING.
- DEBRIS MAY CAUSE INJURY
- OD33- Speed Decal

- Caution Do not exceed 5 MPH.
- OD29- Danger Decal

- Danger Spinning Blades
- Keep clear
- Contact can injure
REQUIRED ASSEMBLY
FRONT WHEEL CASTER ASSEMBL
- Remove single nut and washers from caster shaft.
- Place one washer (NB195) on the shaft of the caster/wheel subassembly.
- Slide same shaft through the bearing/frame with wheel towards the ground.
- Place the other washer (NB195) on the shaft; it should be resting on the top bearing.
- Add thin washer (17×195).
- Thread nyloc jam nut onto shaft.
- Tighten nut snuggly, making sure shaft threads enter the nyloc of the nut. Over-tightening of this nut will bind caster.
- Repeat process for other front side.
- Push on plastic dust covers over nut and thin washer until it snaps into place.
REAR WHEEL ASSEMBLY
- Remove cotter pin from axle and remove thin washer (NB149) from axle. Leave two NB178 washers on axle.
- If necessary (to take up space) slide extra washer (NB178) over axle, then wheel (with valve stem out).
- Slide on washer (NB149) and replace cotter pin in end of axle.
- Bend cotter pin so it will not fall out.
- Repeat process for other wheel.
OFFSET & CENTER TOW HITCH BAR ASSEMBLY

- Lay out parts according to the diagram.
- Insert part 661A into part 662 and pin with the hitch pin (H11).
- Insert part 20954 into part 661A. Choose from the 3 holes to set the desired hitch length.
Pin with a hitch pin (H11). - Part 662 slides into the front tube of the frame. Again, choose from the 3 holes to arrange desired offset. Pin with a hitch pin (H11).
- Eliminate step 2 for hitching from the center bracket. Only one method can be used at a time
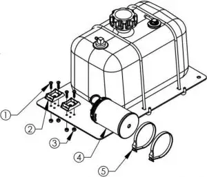
A U1 battery is required (not included). Position battery hold down bracket as shown. Tighten nuts so battery will not shift position.
Battery Mounting Detail
A U1 battery is required (not included). Position battery hold down bracket as shown. Tighten nuts so battery will not shift position.
*Battery cover not shown
OPERATING YOUR TRAIL MOWER
The operation of any mower can produce foreign objects to be thrown into the eyes, resulting in severe eye damage. Always wear certified safety glasses or wide vision safety goggles over spectacles before starting any cutting machine and while operating such a machine.
The operation of any cutter produces sound waves that are damaging to the human ear. Ear protection is recommended.
CAUTION!
Tragic accidents can occur if the operator is not alert to the presence of children. Children are often attracted to the machine and the mowing activity. Never assume that children will remain where you last saw them.
INTENDED USE
This Trail Mower is designed to produce a quality finish cut on lawns, golf courses, etc. It is not designed to clear brush or cut saplings. Your Trail Mower should be towed behind an ATV, a golf cart, lawn tractor, or similar approved vehicle. It is not meant for speeds exceeding 5 mph
ATTACHING TRAIL MOWER TO TOW VEHICLE
- Place mower behind vehicle and back vehicle up to desired attaching position.
- When offsetting Trail Mower do so to side opposite the discharge of the tow vehicle.
- Attach tow hitch (661) to the swivel hitch with hitch pin (H11). Make certain hitch pin goes completely through each piece and is clipped to prevent accidental separation.
- Attach red safety tether (6736) to both the towing vehicle and to the Trail Mower toggle switch (685SP), located on the left battery side cover (17614). Its purpose is to manually stop mower engine or to stop mower engine in case the two machines become separated. (See Motor Base Detail page 14).
- It is extremely important the safety tether is secured properly to both the toggle switch and the towing vehicle.
STARTING THE ENGINE
See engine manufacturer’s instructions for the type and amount of oil and fuel used. Trail Mowers with electric start engines will need a battery (sold separately). Swisher recommends using a standard “U 1 R” lawn & garden battery.
IMPORTANT: This engine is not equipped with a spark arrester muffler. It is a violation of California Public Resource Code Section 4442 to use or operate the engine on any forest-covered, brush-covered, or grass-covered land. Other states or federal areas may have similar laws.
- Engine must be level to accurately check and fill oil. Do not overfill.
- Make sure the tow vehicle parking brake is set, mower is level, and blades are disengaged.
- Check spark plug wire, oil, and fuel.
- Check all electrical connections (See Schematics).
- Make sure toggle switch is turned “ON” and the red tether is properly attached.
- Set engine idle to “CHOKE” position.
- With feet clear of mower deck, turn key switch to the “START” position and release when engine begins to run.
- Set engine idle at desired RPM.
BREAKING IN YOUR MOWER
- Set vehicle parking brake or chock wheels to prevent accidental rolling.
- Start engine properly.
- Slowly, engage blade control.
- In a safe environment, i.e. no children, allow blades to rotate and engine to idle for 5 minutes. This breaks in the belts and the engine.
- Stop mower properly.
CAUTION!
SHUT OFF MOWER ENGINE AND REMOVE SPARK PLUG WIRE FROM SPARK PLUG BEFORE MAKING ANY ADJUSTMENTS TO THE MOWER.
MOWER HEIGHT ADJUSTMENT
- Adjust while mower is not running.
- The cutting range is approximately 1” to 5.5”. The height should be measured from the ground to the blade tip without the engine running.
- Rotate height adjust crank handles (H7N) in a clockwise direction to lift the mower deck. A counter-clockwise direction is used to lower the mower deck.
- Make sure the height adjustment is the same at side crank handles. For best results, see “SUGGESTED PRACTICE” section. Graduated scales are for reference only, not the actual cutter height.
- Place crank handle in a retracted position to maintain height adjustment.
STARTING TO MOW
- Adjust the cutting height.
- Double check vehicle to mower attachment.
- Start mower engine properly.
- Slowly, activate the blade engage lever (21929) by rotating it forward and left until the lever locks into place.
- Carefully mount tow vehicle and start mowing slowly.
STOPPING THE MOWING SESSION
- Pull safety tether to shut toggle switch “OFF”. If the engine fails to stop or if the safety tether has become inoperable, then use Alternative Stopping Method.
ALTERNATIVE STOPPING METHOD
- Bring vehicle to complete stop, shut off engine, and set parking brake.
- Disengage blade engage lever (21929).
- Manually shut toggle and key switches to their “OFF” positions.
- Always remember to remove keys to avoid irresponsible usage.
TRANSPORTING MOWER
- Stop mower properly.
- Place mower deck in its highest position.
- If transporting without the use of a tow vehicle, then remove spark plug wire and place where it cannot contact the spark plug.
SUGGESTED MOWING PRACTICES
- Operate mower engine at full throttle to assure the best cutting performance and maximum material discharge.
- Allow wet grass to dry. Clumps of wet grass will collect under the mowing deck.
- Mowing should be started with tow vehicle in low gear and increased only as safe mowing conditions permit. This speed should not exceed 5 mph.
- The average lawn should be cut to approximately 2.5” during the cool season and to over 3” during the hot months.
- For a healthier lawn and better aesthetics, your lawn should be mowed often and after moderate growth.
- When cutting high or dense grass areas go slowly. Some areas may need to be mowed twice. The second cut should be at 90 degrees to the first, if possible.
- Mowing thick or high grass. Raise rear height crank handles to .5”-.75” above the other two handles.
- Creating a manicured lawn. Lower rear height crank handle to .25”-.5” below front of deck. This allows grass blades to be cut twice. It also continually cuts clippings to produce a mulching effect.
GENERAL TROUBLE SHOOTING
- The mower is not cutting level.
- Level deck, making sure the side crank-handles are equal.
- Check air pressure of all tires; make sure they are equal, and to manufactures specifications.
o Examine blades for damage, while mower engine is not running.
- The engine will not start.
- Disengage blades, turn toggle switch to “ON” position, check battery and all other electrical connections, and inspect spark plug and wire.
- Check for fuel in the engine.
- Engine runs poorly.
- See engine manual.
- Check throttle adjuster.
- Replace fuel, clean fuel filter and fuel line.
IF PROBLEMS PERSIST HAVE A QUALIFIED MECHANIC SERVICE THE MOWER. NEVER ATTEMPT TO MAKE AN ADJUSTMENT THAT YOU ARE NOT SURE IS CORRECT. DOING SO CAN CAUSE OTHER PROBLEMS.
MOWER MAINTENANCE
GENERAL RECOMMENDATIONS
The warranty on this Trail Mower does not cover items that have been subjected to operator abuse or negligence.
To receive full value from the warranty, operator must maintain unit as instructed in this manual.
Some adjustments will need to be made periodically to maintain your unit properly.
All adjustments in this manual should be checked at least once each season.
Periodically inspect and clean excessive debris inside the battery cover (17340) and belt covers (18391). Disconnect spark plug wire before cleaning.
BEFORE EACH USE
- Check engine oil level on a level surface. Check twice to insure an accurate reading.
- Check condition of air filter; clean and replace as necessary.
- Check blade operation; keep blades in good condition.
- Check for loose fasteners and tighten them as needed.
AFTER EACH USE
- Keep blades sharp.
- Remove fresh grass clippings with garden hose.
- Grass clippings hardened to the underside should be scraped out with a putty knife.
- Keep fluids at proper levels.
- Cover unit to prevent rain or other debris buildup. Definitely cover the engine.
BEFORE AND/OR AFTER EACH SEASON
- Replace the spark plug.
- Clean or replace the air filter.
- A new spark plug and clean air filter assure proper air-fuel mixture and help your engine run better and last longer.
- Check blades and belts for wear. Replace as necessary.
STORAGE RECOMMENDATIONS
CAUTION! Do not store engine indoors or other poorly ventilated area. Keep engine away from gas appliances where fumes could contact open flame, pilot lights, or sparks
If engine is to be stored for 30 or more days, prepare unit as follows:
- Drain fuel outside into an approved container.
- Start engine properly and run until unit is out of fuel.
- Let engine cool.
- Remove remaining gasoline from carburetor and fuel tank to prevent gum deposits from forming within the engine. Gum deposits can cause malfunction in the engine.
- Store mower with blades disengaged to prevent belts from being permanently stretched.
BLADE CARE AND SERVICE
For best results cutter blades must be kept sharp. The blades can be sharpened with a few strokes of a file or grinding wheel. Do not attempt to sharpen blades while they are on the mower. Disconnect spark plug wire before
servicing unit.
Important: Replace blades that have been damaged or deeply nicked.
Important: Check blade and spindle hardware on a regular basis to make sure nuts are tight.
Only a qualified mechanic should be used for any adjustments, disassembly or other kind of repairs.
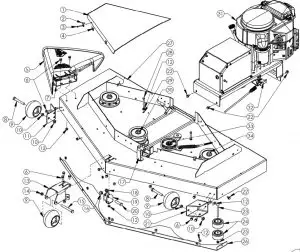
Frame Assembly
| ITEM # | QTY. | PART NO. | DESCRIPTION | ITEM # | QTY. | PART NO. | DESCRIPTION |
| 1 | 1 | 662* | Weldment – Tongue Offset Extension | 10 | 3 | 10579 | Bushing -Stepped Height Adjust |
| 2 | 1 | 661A* | Weldment – Solid Stock Hitch | 11 | 6 | NB126 | Pin – 1/8″ X 1″ Cotter |
| 3 | 4 | H11 | Pin – Safety Hitch | 12 | 4 | T2PB | Bushing – Plastic |
| 4 | 2 | NB622 | Bolt – Serr Flange, 5/16-18X2 1/4 | 13 | 3 | 10038 | Bolt – Eye |
| 5 | 1 | 21152* | Plate – Clevis, Top | 14 | 1 | 3665 | Bar – Left Sway |
| 6 | 1 | 20953* | Tube – Tow Hitch | 15 | 1 | 17600* | Weldment – T60 Frame |
| 7 | 1 | 21153* | Plate – Clevis, Bottom | 16 | 4 | NB178 | Washer – 5/8 ID X 1 OD 10 GA |
| 8 | 2 | NB170 | Nut – Serr Flange 5/16-18 | 17 | 2 | F4157WK | Wheel/Tire |
| 9 | 1 | 3664 | Bar – Right Sway | 18 | 2 | NB149 | Washer – 5/8 ID X 1 OD 14 GA |
ITEMS 4-8 ARE PART OF ASSEMBLY 20954


Gas Tank Assembly Detail
| Parts Not Shown | |
| Part # | Description |
| 11782 | Line – Fuel, Bulk, 1/4″ Low Perm |
| 18232 | Line – Fuel, Bulk, 3/16″ Low Perm |
| 18223 | Clamp – Fuel |
| AS021 | Tie, Black 5 1/2″ |
| Item # | Qty | Description | Part # |
| 1 | 4 | Nut – Nyloc 3/8-16 ZY | NB182 |
| 2 | 1 | Mount – For EPA/CARB Gas Tank | 18331* |
| 3 | 2 | Ubolt – SQ , 3/8-16X2.437 X 3 Lg GR 5 ZY | 12447 |
| 4 | 1 | Cap, Fuel – 2.50 Gallon, Carb Sealed | 18221 |
| 5 | 1 | Bracket – Fuel Tank | 18225 |
| 6 | 2 | Bolt – Serr Flange 1/4-20 X 1 3/4 GR5 ZY | 18236 |
| 7 | 1 | Fuel Tank – 2.5 Gallon, Carb | 18214 |
| 8 | 2 | Washer – SAE Flat 1/4 ZY | NB274 |
| 9 | 2 | Nut – Nylock 1/4-20 | NB180 |
ONLY INCLUDED ON “CA” MODELS (CALIFORNIA COMPLIANT)
| Item # | Qty | Description | Part # |
| 1 | 4 | Screw – 10-24 X 3/4 Phil Truss Head ZP | 024203 |
| 2 | 2 | Bracket – Carbon Canister, ZT | 17127 |
| 3 | 4 | Nut – 10-24 Nylon Lock | 024900 |
| 4 | 1 | Carbon Canister – 2.50 Gallon, 3/16 Line | 18224 |
| 5 | 2 | Cable Tie – Carbon Canister | 18219 |
CENTER BLADE DRIVER DETAIL

| Item # | Qty. | Description | Part # |
| 1 | 4 | Nut – Serr Flange, 1/4-20 | NB524 |
| 2 | 2 | Bearing – Blade | B98 |
| 3 | 1 | Pulley – Blade, 5″ A | 20651 |
| 4 | 2 | Washer – Belleville .773ID X 1.50OD | AS155 |
| 5 | 3 | Washer – 3/4 ID X 1 1/4 OD | NB179 |
| 6 | 1 | Spacer – 3/4ID X 1 1/2 | 6065PM |
| 7 | 1 | Blade – G6 Gator, 20.5″ | 20186 |
| 8 | 1 | Nut – Jam 3/4-16 | NB175 |
| 9 | 1 | Plate – Blade Mount | 9008 |
| 10 | 2 | Nut – Lock, Two Way 3/8-24 | NB216 |
| 11 | 2 | Bolt – 3/8-24 X 1 1/4 | NB166 |
| 12 | 1 | Washer – Belleville .413IDX .945OD | NB607 |
| 13 | 1 | Bolt – HHC 3/8-24 X 1 | NB238N |
| 14 | 1 | Washer – Flat 3/4 ID X 1 3/4 OD | B98W |
| 15 | 1 | Housing – Cast Iron Blade Driver | 19924 |
| 16 | 4 | Bolt – Serr Flange, 1/4-20 X 1 | 13182 |
| 17 | 1 | Shaft – Blade, 6.563 | 20656 |
| 18 | 1 | Pulley – Blade, 5.5″ A/B | 21893 |
| Recommended Torque Specifications | |
| Part No. | Torque (ft-lbs) |
| NB175 | 90 |
| NB238N | 35 |
| NB524 | 20 |
| NB216 | 35 |
OUTER BLADE DRIVER DETAIL

| Item # | Qty. | Description | Part# |
| 1 | 4 | Nut – Serr Flange, 1/4-20 | NB524 |
| 2 | 2 | Bearing – Blade | B98 |
| 3 | 1 | Pulley – Blade, 5″ A | 20651 |
| 4 | 1 | Nut – Jam 3/4-16 | NB175 |
| 5 | 1 | Washer – Belleville .773ID X 1.50OD | AS155 |
| 6 | 3 | Washer – 3/4 ID X 1 1/4 OD | NB179 |
| 7 | 1 | Blade – G6 Gator, 20.5″ | 20186 |
| 8 | 1 | Plate – Blade Mount | 9008 |
| 9 | 2 | Nut – Lock, Two Way 3/8-24 | NB216 |
| 10 | 2 | Bolt – 3/8-24 X 1 1/4 | NB166 |
| 11 | 1 | Washer – Belleville .413IDX .945OD | NB607 |
| 12 | 1 | Bolt – HHC 3/8-24 X 1 | NB238N |
| 13 | 1 | Washer – Flat 3/4 ID X 1 3/4 OD | B98W |
| 14 | 1 | Housing – Cast Iron Blade Driver | 19924 |
| 15 | 1 | Shaft – Blade 5″ | 9077 |
| 16 | 4 | Bolt – Serr Flange, 1/4-20 X 1 | 13182 |
MOWER DECK DETAIL
| ITEM # | QTY | PART NO | DESCRIPTION |
| 1 | 2 | 18391 | Cover – Belt, Black Composite |
| 2 | 8 | 18531 | Washer – Bent .25″ ID X 18GA |
| 3 | 8 | NB703 | Screw – MSC, 10-24 X 1 1/4 |
| 4 | 8 | 18532 | Nut – Clip, 10-24 |
| 5 | 1 | — | See Grass Chute & Spring Detail |
| 6 | 11 | NB596 | Bolt – Serr Flange 5/16-18 X 3/4 |
| 7 | 1 | 092104* | Bracket – Deflector |
| 8 | 2 | NB577 | Bolt -1/2-13 X 3 1/2 |
| 9 | 3 | 3511 | Wheel – Gauge |
| 10 | 4 | NB121 | Nut – Jam Lock 1/2-13 2-Way |
| 11 | 1 | 15780* | Bracket – Wheel Right |
| 12 | 19 | NB170 | Nut – Serr Flange 5/16-18 Z |
| 13 | 1 | 18383* | Bracket – Middle Roller |
| 14 | 1 | NB688 | Nut – Nyloc Jam, 1/2-13 ZY |
| 15 | 1 | NB132 | Bolt -1/2-13 X 4 HCC |
| 16 | 1 | NB281 | Nut – Nyloc 1/2-13 ZY |
| 17 | 1 | — | See Engage Lever Detail |
| 18 | 2 | T2PB | Bushing – Plastic |
| 19 | 1 | 18384* | Bracket – Deck Hanger |
| 20 | 1 | NB509 | Bolt – 1/2-13 X 2 HCC |
| 21 | 1 | 15779* | Bracket – Left Wheel |
| 22 | 11 | 26X249 | Screw – .312-18X.75 |
| 23 | 1 | NB707 | Bolt – Carriage 3/8-16X4 |
| 24 | 2 | AS001 | Roller – Anti-Scalp 3/8 ID |
| 25 | 1 | NB207 | Nut – Nyloc 3/8-16 |
| 26 | 1 | 21096* | Shield – Debris |
| 27 | 1 | 18382* | Weldment – Deck |
| 28 | 2 | NB106 | Bolt – 5/16-18 X 2 3/4 HCC |
| 29 | 2 | NB181 | Nut – Nyloc 5/16-18 |
| 30 | 1 | — | See Center Blade Driver Detail |
| 31 | 1 | — | See Motor Base Detail |
| 32 | 1 | — | See Safety Switch Bracket Detail |
| 33 | 1 | — | See Idler Detail |
| 34 | 2 | — | See Outer Blade Driver Detail |
GRASS CHUTE & SPRING DETAIL
ITEM # | QTY. | PART NO. | DESCRIPTION |
1 | 1 | 166X34 | Spring – Torsion |
| 2 | 1 | NB182 | Nut – Nyloc 3/8-16 zy |
3 | 1 | NB784 | Bolt – HCC 3/8-16 x 7 |
| 4 | 1 | 092100 | Chute – Discharge |
CASTER / WHEEL ASSEMBLY DETAIL
ITEM # | QTY. | PART NO. | DESCRIPTION |
| 1 | 2 | B98 | Bearing |
2 | 1 | 17X195 | Washer – Flat |
| 3 | 1 | 094618 | Cap |
4 | 2 | NB195 | Washer – 13/16 ID X 1 1/4 OD X 1/8 |
| 5 | 1 | 663L | Spacer |
6 | 1 | NB595 | Nut – Locking Jam, 2 Way 5/8-11 |
| 7 | 2 | NB178 | Washer – 5/8 ID X 1 OD 10 GA |
8 | 1 | 665* | Weldment – Caster |
| 9 | 1 | F4157WK | Tire/Wheel – 5/8 Bearing 13x5x6 NHS, Blk |
10 | 1 | NB122 | Nut – Nyloc Jam 3/4-16 |
| 11 | 1 | NB624 | Bolt – 5/8″-16 X 7″ HCC ZY Grade 5 |
MOTOR BASE DETAIL
PARTS NOT SHOWN | |
20899 | Harness – Wiring |
| BCSR | Cable – Battery (10″ Red) |
BCLB | Cable – Batt ery (19 1/2″or 20″ Black) |
| KSK | Keys – For Key Switch (set of t wo) |
BCBT | Boot – Rubber, Small, Battery Cable |
ITEM # | QTY. | PART NO. | DESCRIPTION |
1 | 10 | 024206 | Screw – 12 X 1/2 Hex Self Tap |
| 2 | 1 | 17840* | Cover – Battery Top |
3 | 1 | 17616* | Cover – Battery Right |
| 4 | 2 | 26X263 | Screw – TCS 1/4-20 X 5/8 |
5 | 1 | 4226K | Knob – T, For Throttle Cable |
| 6 | 1 | 20916 | Cable – Throttle |
7 | 1 | 17614* | Cover – Battery Top Front |
| 8 | 1 | 9087 | Nut – Key Switch |
9 | 1 | 9088 | Washer – Lock, Key Switch |
| 10 | 1 | 685SP | Switch – Toggle, Single Pole |
11 | 6 | NB161 | Screw – HX Tek 1/4 X 3/4 ZP |
12 | 1 | 3623 | Switch – Key |
| 13 | 2 | NB180 | Nut – Nylock 1/4-20 |
14 | 1 | 17794* | Bracket – Battery Hold Down |
| 15 | 1 | 17615* | Cover – Battery Left |
16 | 2 | 17760 | Bolt-L |
17 | 3 | NB524 | Nut – Serr Flange, 1/4-20 Grade 5 |
| 18 | 1 | 14869 | Guide – Belt; T60 |
19 | 3 | NB275 | Washer – SAE Flat 5/16 |
| 20 | 3 | NB250 | Bolt – 1/4-20 X 3/4 GR5 |
21 | 1 | 16000 | Valve – Oil Drain |
| 22 | 1 | 18810 | Adapter – Oil Drain, Kawasaki |
23 | 1 | N/A | Engine (Reference Model Shown) |
| 24 | 1 | 1002004 | Solenoid – 3 Pole |
25 | 2 | NB114 | Bolt – TCS 1/4-20 X 1/2 |
| 26 | 1 | 20935 | Guide – Belt, FC |
27 | 4 | NB711 | Washer – Split Lock, 3/8 ZY, Medium |
ITEM # | QTY. | PART NO. | DESCRIPTION |
| 28 | 4 | NB618 | Bolt – 3/8-16 X 1 1/4 GR5 ZY |
29 | 1 | NB210Z | Nut – 5/16-18 HNC |
| 30 | 2 | NB181 | Nut – Nyloc 5/16-18 |
31 | 1 | NB280 | Nut – 2 Way Lock 3/8-16 Wax Gr A |
| 32 | 1 | 6009* | Idler – Engage Weldment |
33 | 1 | B527 | Pulley – Idler, OD3.25″ ID3/8″ |
34 | 1 | NB272 | Washer – SAE Flat 3/8 |
| 35 | 1 | NB107 | Bolt – 3/8-16 X 1 1/2 HCC GR5 |
36 | 1 | 10636YZ | Bolt – Spade, 5/16-18 X12 |
| 37 | 1 | 20919 | Muffler – Kawasaki |
38 | 1 | 689L | Spacer – Long, Engine Pulley, 1.5″ |
| 39 | 1 | 9031 | Key Stock – 1/4 X 1 Undr Size |
40 | 1 | 688 | Pulley – Engine, 5.5″ |
| 41 | 1 | 689S | Spacer – Short, Engine Pulley, .687 |
42 | 1 | TR150W | Washer – .531IDX1 1/2ODX.062(Ht Trtd) |
| 43 | 2 | 699 | Washer – Belleville 7/16 X 1 1/4 |
44 | 1 | NB452N | Bolt – 7/16-20 X 1 HCF GR5 Nylock |
| 45 | 1 | NB182 | Nut – Nyloc 3/8-16 |
46 | 1 | 20904* | Motor Base – Weldment |
| 47 | 1 | — | See Saftey Switch Detail |
48 | 1 | NB172 | Nut – Kep 10-24 ZY |
| 49 | 1 | 21894 | Eyebolt – 10-24 X 1 3/8, w/ Nut |
50 | 1 | BRS6 | Spring |
| 51 | 1 | NB596 | Bolt – Serr Flange, 5/16-18 X 3/4 |
52 | 1 | 4422 | Spring – Idler Tension, Bent Leg |
| 53 | 1 | NB220 | Bolt – Shoulder 3/8-16X3/4 1/2X1-9/16 |
54 | 1 | 6736 | Tether – Safety, Coiled |
Engage Lever Detail | Height Adjust Handle Detail | Safety Switch & Bracket Detail | |||||||||
| ITEM # | QTY. | PART # | DESCRIPTION | ITEM # | QTY. | PART # | DESCRIPTION | ITEM # | QTY. | PART # | DESCRIPTION |
1 | 1 | NB155 | Bolt – 1/2-13 X 5 HCC GR5 ZP | 1 | 1 | H7N1TK** | Tube – Height Adjust | 1 | 1 | 18390* | Mount – Switch Safety |
| 2 | 1 | 21929* | Lever – Engage | 2 | 1 | ES214** | Rod – Crank, For H7N | 2 | 1 | 3695 | Switch – Normally Closed |
3 | 2 | NB121 | Nut – 2 Way Lock 1/2-13 ZY | 3 | 1 | H7K** | Knob – Height Adjustment | 3 | 2 | NB197 | Screw – Phillips Truss 8-32 X 1/2 |
| 4 | 2 | NB555 | Washer – 1/2 | 4 | 2 | NB117** | Nut – Push, 5/16 | 4 | 2 | NB201 | Nut – Kep 8-32 |
5 | 1 | NB253 | Bolt – Serr Flng,5/16-18 X1 1/4 | 5 | 1 | OD41** | Decal – Ruler |
| |||
6 | 1 | 2077 | Pivot – Handle Grip | **Parts Included in Service Part # H7N
| |||||||
| 7 | 1 | NB170 | Nut – Serr Flng 5/16-18 | ||||||||
8 | 1 | 11158 | Nut – Jam, 2-Wy Lck, 5/16-18 | ||||||||
| 9 | 1 | 4578* | Pivot – Engage | ||||||||
10 | 1 | NB181 | Nut – Nyloc 5/16-18 | ||||||||
20946 Idler Detail



ITEM # | QTY. | PART # | DESCRIPTION |
1 | 1 | NB618 | Bolt – 3/8-16 X 1 1/4 GR5 |
| 2 | 1 | 6040Z | Washer – Idler |
3 | 1 | 6054* | Idler – Bottom |
| 4 | 1 | 6037 | Bushing – Idler |
5 | 2 | NB182 | Nut – Nyloc 3/8-16 |
| 6 | 1 | NB280 | Nut – 2 Way Lock 3/8-16 Gr A |
7 | 1 | NB272 | Washer – SAE Flat 3/8 |
| 8 | 1 | 20183 | Pulley – Idler, 1″ X 4″ X 3/8″ ID |
9 | 1 | 21288 | Bolt – Spade, 3/8-16 X 6.5 |
| 10 | 1 | NB181 | Nut – Nyloc 5/16-18 |
11 | 1 | 21425 | Spring – Extension |
| 12 | 1 | NB170 | Nut – Serr Flange 5/16-18 |
13 | 1 | NB501 | Bolt – 5/16-18 X 1 GR5 |
| 14 | 1 | NB107 | Bolt – 3/8-16 X 1 1/2 GR5 |
Belt Configuration
When ordering replacement part When ordering replacement part code: GT =Gray TK=Black
HOW TO ORDERREPAIR PARTS: 60” FAST FINISH TRAIL MOWER COMMERCIAL PRO
Each mower has its own model number. Each engine has its own model number. The model number for the mower will be found at the left rear of the unit on the belt cover skirt.
The model number for the engine will be found on the top of the blower fan housing.
All mower parts listed herein may be ordered directly from
Swisher or your nearest Swisher dealer.
All engine parts may be ordered from the nearest dealer of the engine supplied with your mower.
Color cannot be guaranteed on service parts.
WHEN ORDERING PARTS, PLEASE HAVE THE FOLLOWING INFORMATION AVAILABLE:
* PRODUCT – FC60 FAST FINISH TRAIL MOWER
* SERIAL NUMBER – _______________
* MODEL NUMBER – _______________
* ENGINE MODEL NUMBER – _______________
TYPE – _______________
* PART NUMBER
* PART DESCRIPTION
TELEPHONE – 1-800-222-8183
FAX – 1-660-747-8650
SWISHER ACQUISITION INC.
1602 CORPORATE DRIVE
WARRENSBURG, MO 64093

























