TOW-BEHIND LAWN SWEEPER
Instruction & Assembly
SAVE THESE INSTRUCTIONS FOR FUTURE REFERENCE
GENERAL WARNINGS
READ and UNDERSTAND this manual completely before using the Lawn Sweeper.
The operator must read and understand all safety and warning information, operating instructions, maintenance, and storage instructions before operating this equipment. Failure to properly operate and maintain the lawn sweeper could result in serious injury to the operator or bystanders.
Operation Warnings
- Do not at any time carry passengers, sit or stand on the lawn sweeper.
- Do not allow children to play on, stand upon, or climb on the lawn sweeper.
- Always inspect the sweeper before use to assure that it is in good working condition.
- Replace or repair damaged or worn parts immediately.
- Always check and tighten hardware and assembled parts before operation.
- Never attach the hopper rope to any part of your body or clothing.
- Never hold onto the rope while towing the sweeper.
- Only attach the rope to the tow vehicle to keep it away from the wheels and moving parts.
- Avoid large holes and ditches when operating the equipment.
- Be careful when operating the sweeper on steep grades (hills).
- Always operate up and down the slope never across the face of the slope
- Always operate at reduced speed in rough terrain, along creeks, ditches, and on hillsides.
- Do not operate close to creeks, ditches, or public highways.
- To avoid personal injury and/or equipment damage DO NOT EXCEED 5MPH.
- Always use caution when loading and unloading the hopper.
- Only tow with recommended vehicles (Lawn/Garden Tractors and ATVs).
- Always refer to the vehicle owner’s manual for proper towing.
- The sweeper is not designed to be used with zero-turn mowers.
- Always secure and lock the sweeper to the vehicle hitch before operating.
Crush and Cut Hazards
- Always keep hands and feet clear from moving parts while operating the equipment.
- Always clear and keep the work area clean when operating.
- Always wear safety gear, eye protection, gloves, and work boots when operating the sweeper.
WARNING
The warnings cautions and instructions outlined in this instruction manual cannot cover all possible conditions or situations that may occur. It must be understood by the operator that common sense and caution are factors that cannot be built into this product and must be supplied by the operator.
PROP 65 WARNING
This product can expose you to chemicals including lead and lead compounds which are known to the State of California to cause cancer and birth defects or other reproductive harm. For more information, go to www.P65Warnings.ca.gov.
Assembly Is Required
This product requires assembly before use. See the “Assembly” section for instructions. Because of the weight and/or size of the lawn sweeper, it is recommended that another adult be present to assist with the assembly. INSPECT ALL COMPONENTS closely upon receipt to make sure no components are missing or damaged.
Hazard Signal Word Definitions
![]() | This is the safety alert symbol. It is used to alert you to potential personal injury hazards. Obey all safety messages that follow this symbol to avoid possible injury or death. |
| DANGER indicates an imminently hazardous situation that, if not avoided, will result in death or serious injury. | |
| WARNING indicates a potentially hazardous situation that, if not avoided, could result in death or serious injury. | |
| CAUTION indicates a potentially hazardous situation that, if not avoided, may result in minor or moderate injury. | |
| CAUTION used without the safety alert symbol indicates a potentially hazardous situation that, if not avoided, may result in property damage. |
ABOUT YOUR TOW-BEHIND LAWN SWEEPER
This heavy-duty tow-behind lawn sweeper makes yard work a breeze. The steel and nylon construction is durable and lightweight, making it wear- and rust-resistant, easy to tow, and easy to clean. The extra large sweeping span makes the job easy and saves time when cleaning different types of debris from grass clippings, twigs, and leaves, to paper and much more. The tow-behind sweeper features a one-handed lever to adjust the brush height. It can be stored in a shed or garage with minimal space. The large hopper makes loading and unloading fast and convenient.
Technical specifications on the lawn sweeper are provided in the “Specifications” section of this manual.
Controls and Features Identification
Read this owner’s manual before operating the equipment. Familiarize yourself with the location and function of the controls and features. Save this manual for future reference.

- Hand Lever – Adjust the Brush Height.
- Nylon Hopper – Holds all types of Debris.
- Tires / Wheels – Semi-pneumatic all-terrain tires.
- Hitch–Pin–type design; use only with approved vehicles.
CAUTION
Read and follow all instructions for assembly and operation. Failure to properly assemble this equipment could result in serious injury to the user or bystanders, or cause equipment damage.
LAWN SWEEPER COMPONENT PARTS AND ASSEMBLY
Take all parts out of the shipping crate and inspect components to ensure there are no missing pieces before starting to assemble the sweeper. Follow steps 1 through 8.
TOOLS REQUIRED
- 10, 13 & 14mm Wrenches
- Pliers
Component and Hardware Parts

| REF. | QTY. | DESCRIPTION | REF. | QTY. | DESCRIPTION |
| A | 2 | Hex Bolt M8x65 | K | 1 | Angle Bracket |
| B | 2 | Hex Bolt M8x50 | L | 1 | Adjustable Pole Spacer |
| C | 2 | Hex Bolt M8x40 | M | 2 | Hitch Spacer |
| D | 4 | Hex Bolt M6x40 | N | 5 | R Pin Ø3 |
| E | 1 | Hex Bolt M8x20 | O | 4 | R Pin Ø2 |
| F | 1 | Hex Bolt M8x16 | P | 2 | Clevis Pin Ø9.5×25 |
| G | 8 | Nylon Lock Nut M8 | Q | 4 | Clevis Pin Ø6×37 |
| H | 6 | Nylon Lock Nut M6 | R | 2 | Clevis Pin Ø8×59.5 |
| I | 2 | Hex Bolt M6x12 | Y | 1 | Hitch Pin |
| J | 1 | Big Flat Washer Ø8 |
Component and Hardware Parts

| REF. | QTY. | DESCRIPTION | REF. | QTY. | DESCRIPTION |
| 1 | 1 | Hitch Tube (RH) | 10 | 1 | Bag Frame Strap |
| 2 | 1 | Hitch Tube (LH) | 11 | 2 | Hopper Support Rod |
| 3 | 1 | Handle Assembly | 12 | 2 | Lower Hopper Side Tube |
| 4 | 1 | Hitch Bracket (Straight) | 13 | 2 | Rear Hopper Tube |
| 5 | 1 | Hitch Bracket | 14 | 2 | Upper Hopper Side Tube |
| 6 | 1 | Hopper Bag | 15 | 1 | Rope |
| 7 | 1 | Sweeper Housing Assembly | |||
| 8 | 2 | Bag Arm Tube |
Assembly Instructions
Step 1: Mount Angle Bracket
Attach the (K) angle bracket to the sweeper housing using an F hex bolt (M8x16) and a G nut (M8). Tighten securely.
NOTE: Before tightening, make sure the angle bracket is aligned straight with the sweeper housing, as shown in the diagram.

NOTE: Right Hand (RH) and Left Hand (LH) refer to the drivers’ orientation when operating the vehicle.
STEP 2: Attach Hitch Tubes
Attach the right-hand (RH) and left-hand (LH) hitch tubes to the sweeper housing assembly using D hex bolts (M6x40) and H nuts (M6). Tighten loosely.

STEP 3: Secure Hitch Tubes Together
Once the Hitch tubes are attached, pass two A hex bolts (M8x65) through the hitch-end (away from the sweeper body) of the tubes to connect them together with two G nuts (M8). Tighten loosely.

STEP 4: Mount Hitch Assembly to Hitch Tubes
Attach the Hitch assembly in the following order: (see figure A)
A) Mount the angled hitch bracket on top of the hitch tubes, with the straight hitch bracket on the bottom.
B) Pass two B hex bolts (M8x50) through the angled hitch bracket, premade notches in the hitch tubes, straight hitch bracket, and tighten loosely with two G nuts (M8).
C) Finally, pass the Y hitch pin through an angled hitch bracket, (M) hitch spacer, and straight hitch bracket, and fasten with N R pin (Ø3)
NOTE: If your vehicle’s tow hitch is between 8” and 10”, mount the angled hitch bracket on the bottom of the hitch tubes for best performance (figure B). For vehicles 11” and higher, see figure A.

STEP 6: Attach Height Adjustment Handle
A) Mount the height adjustment handle onto the height adjustment bar. (The height adjustment bar is located outside of the sweeper housing assembly, spanning the wheels.) Use two C hex bolts (M8x40), and G nuts (M8) to firmly attach the handle assembly to the bar.
B) Attach the height adjustment strap to the angle bracket (mounted in Step 1). Align the round hole in the height adjustment strap with the angle bracket. In the following order, pass the E hex bolt (M8x20) through the angle bracket, the L adjustable pole spacer, the height adjustment strap, and the J big flat washer (Ø8). Tighten securely with a G nut (M8).

STEP 8: Assemble Hopper Bag
A) Unroll the hopper bag and place it on the ground so that the nylon fabric is on the top and the heavy-duty nylon floor is on the bottom.
B) Inspect the first rear hopper tube (#15) and locate the brace holes. Pass the tube through the sewn-in bag loops at the top of the inside of the hopper bag so that the brace holes face downward.
C) Pass the upper hopper side tubes through the stitched sleeves on either side of the nylon fabric. On each side, insert the upper hopper side tube into the rear hopper tube, orient downwards, and fasten plastic plugs (Z).

D) Place the second rear hopper tube on the heavy-duty nylon floor of the hopper, with the brace holes facing upward.
E) On each side, insert the lower hopper side tubes, oriented upwards, into the (lower) rear hopper tube and insert the clevis clip and R clip.

F) On either side, align the ends of the upper and lower hopper side tubes and fasten these together with P clevis pins (Ø9.5×25). Secure with N R Pins (Ø3).

G) Locate the stitched sleeve at the front edge of the bag floor. Insert the bag frame strap into the sleeve. (In some models, the bag frame strap is already inserted into the sleeve.)
H) Once inserted, mount the bag frame strap onto the lower hopper side tubes using Q clevis pins (Ø6X37). Secure with O R Pins (Ø2).

I) Locate the snap buttons on the nylon fabric. Snap them into the rivets on the heavy-duty nylon floor of the hopper.

CAUTION
Do not over-stress (bend) the support rods while installing. Over-stressing causes the rods to bend and lose supporting tension.
J) Insert the two hopper support rods into the brace holes in the upper and lower rear hopper tubes (#15). The hopper assembly is now complete.

STEP 9: Attach Hopper Bag to Sweeper
A) In each of the upper hopper side tubes there are two holes in the bar. Locate the lower hole, and pierce the nylon fabric at the location of the lower hole. Note: some models have rivets in the fabric and do not require piercing the fabric.
B) On each side, mount a bag arm tube onto the upper hopper side tube using an R clevis pin (Ø8X59.5). Secure with N R Pin (Ø3). Note the orientation of the bag arm tube: cap upward, male end facing down.
C) Tie the rope to the upper hopper tube at the center of the bag frame.

D) Insert the male ends of the bag arm tubes into the hitch tubes at the back of the sweeper housing assembly (away from the hitch). Secure using Q clevis pins (Ø6X37) and O R Pin (Ø2).

E) Remove brush protection boards from inside of sweeper housing assembly.
F) Perform a check to see that all bolts are tightened adequately and all pins are mounted securely. You are now ready to use your sweeper.
Operation Instructions
WARNING
Before operating or using the sweeper, review the instructions below and safety information.
Failure to follow these instructions may result in property damage or injury to the operator or bystanders.
Attach the Sweeper to the Towing Vehicle
On a level surface, line up the towing vehicle with a sweeper. Use the hitch pin and spacers to adjust the height of the tow hitch, as shown in the diagram. Once adjusted, insert the cotter pin (R Pin Ø2) to secure the hitch pin. For best results, the hopper should be level with the ground at a minimum clearance of 5”. Secure the rope to the tow vehicle.

Adjust the Height of the Brushes
Use the height adjustment handle to set the height of the brushes. For optimal results, the brush height should be ½” below the tips of the grass. For sweeping other materials, you may need to adjust the height of the brushes.
Towing the Sweeper
Your sweeper is designed to work at speeds of 5mph and lower. You may damage the device or experience sub-optimal results if exceeding 5mph. Your sweeper will work best on flat, smooth surfaces. If operating on a slope, always tow the sweeper up or down the surface of the hill, not sideways along the slope.
Dumping the Hopper
When dumping the hopper, use the rope to pull the basket forward. Dump the hopper regularly for the best performance.
CAUTION
Never attach the hopper rope to any part of your body or clothing.
Never hold onto the rope while towing the sweeper.
Only attach the rope to the tow vehicle to keep it away from the wheels and rotating parts.
Keeping the sweeper away from fire or excessive heat will cause damage to the brushes and bag.
Maintenance and Storage
WARNING
Improper maintenance and storage of the sweeper may void your warranty.
MAINTENANCE
- After each use clean material out of the hopper.
- Rinse/dry inside and outside of the sweeper after each use.
- Remove any material which has wrapped around the brushes.
- Periodically check all fasteners for tightness.
- Twice a year apply a few drops of light multipurpose oil to the brush shaft bearings.
- Annually clean and lightly lubricate all moving parts.
- Every two years remove and clean gears and apply an even coat of light synthetic grease.
- Use glossy enamel spray paint to touch up scratched or worn painted metal surfaces.
- Never exceed the hopper load capacity rating it will damage the bag.
- Rinse/dry inside and outside of the sweeper after each use.
- Regularly grease axle and wheel bearing area or when needed.
- Periodically check all fasteners for tightness.
LUBRICATION
The bearings in the sweeper have been pre-lubricated at the factory; however, it is recommended that a few drops of light multipurpose oil should be added to the brush shaft bearings twice a year. Also, the wheels should be removed to clean the gears every two years. After cleaning apply an even coat of light synthetic grease.

NOTE: To remove the wheel, use a screwdriver to pop off the hub cap, and remove the lock nut and washer.
WHEEL GEARS/PAWL SERVICE
DO NOT remove both wheels at the same time. Remove one wheel at a time to prevent the use of the wrong parts for the opposite side (left and right sides are different). When removing gears make notes on the position of all washers and other parts.

BRUSH REPLACEMENT
- Remove the hopper bag from the lawn sweeper.
- Only replace one brush at a time.
- Tip the sweeper forward on housing. Do not remove the hex bolts from double brush retainers.
- Loosen hex bolts and hex lock nuts from single brush retainers. Slide brush out of retainers, making note of over-lap bristles position.
- Install new brush, and make sure the over-lap bristles are in position as before

IMPORTANT:
If a part needs replacement, only use parts that meet the manufacturer’s specifications. Replacement parts that do not meet specifications may result in a safety hazard or poor operations.
WARNING
Before storing the sweeper always empty the hopper bag to avoid spontaneous combustion.
STORAGE
- Empty the hopper bag before storing the sweeper.
- Clean the sweeper and hopper thoroughly to help prevent rust and mildew.
- Before storing make sure the sweeper is clean and dry for years of trouble-free service.
- Collapse the hopper bag for storage, and remove the two support rods from the rear of the hopper.
- Lightly lubricate all sweeper surfaces and moving parts to prevent rust.
- Store indoors or protected areas during severe weather and winter months.
Specifications
Frame Construction…………………………………………………………..Steel
Hopper Construction……………………………………………….…Nylon Mesh
Hitch Type…………………………………………………………………Pin Style
Wheel Type………………………………………………………Semi-Pneumatic
38” Lawn Sweeper Wheel Size…………………….………………………….10”
42” Lawn Sweeper Wheel Size……………………………….……………..10.5”
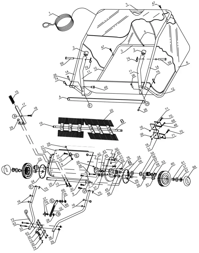
Parts Drawing & Parts List

| Ref# | Drawing No. | Description | Qty |
| 1 | N280-00038 | Hopper Rope | 1 |
| 2 | N280-00009 | Vinyl Cap | 2 |
| 3 | N280-00001-CD | Hopper Frame Tube (Rear) | 2 |
| 4 | N280-00015 | Bag Frame Strap | 1 |
| 5 | N280-00005-DX | Hopper Support Rod | 2 |
| 6 | N280-00039 | Hopper Bag | 1 |
| 7 | GB93/10/DX | Lock Washer 010 | 2 |
| 9 | GB5781/M8 x 16/DX | Hex Bolt M8x16 | 5 |
| 10 | N280-00014-DX | Angle Bracket | 1 |
| 11 | N280-00011 | Bag Arm Tube | 2 |
| 12 | N280-00006-CD | Lower Hopper Frame Tube | 2 |
| 13 | GB5781/M8x40/DX | Hex Bolt M8x40 | 2 |
| 14 | N280-00008-CD | Upper Hopper Frame Tube | 2 |
| 15 | N280-00004 | Height Adjust Gripe | 1 |
| 16 | GB889/M6/DX | Nylon Lock Nut M6 | 16 |
| 17 | N280-00020 | Height Adjustment Handle | 1 |
| 18 | GB794/M8x30/DX | Carriage Bolt M8x30 | 1 |
| 19 | N280-00027-DX | Brush Shaft | 1 |
| 20 | N280-31000 | Brush | 4 |
| 21 | N280-00013 | Wrapper | 1 |
| 22 | N280-10004 | End Plate (R.H.) | 1 |
| 23 | N280-00012 | Pinion Gear (R.H.) | 1 |
| 24 | N280-50000 | Dust Cover Assembly | 2 |
| 25 | N280-40000 | Height Adjustment Tube Assy | 1 |
| 26 | N280-00010-DX | Clevis Pin 06×37 | 4 |
| 27 | N280-70000 | Wing Knob | 1 |
| 28 | N28B-00003-DX | External teeth Washer | 1 |
| 29 | GB889/M8/DX | Nylon Lock Nut M8 | 12 |
| 30 | GB818/M5x 12/DX | Slotted Pan Head Screw M5x12 | 6 |
| 31 | N280-30001-DX | Retainer Brush | 6 |
| 32 | N280-00019-DX | Height Adjustment Strap | 1 |
| 33 | N280-00023 | Hitch Tube (R.H) | 1 |
| 34 | N100-00014 | Hitch Bracket | 1 |
| 35 | N280-00025 | Hitch Bracket (Straight) | 1 |
| 36 | N280-00022 | Hitch Tube (L.H.) | 1 |
| 37 | GB96/10/DX | Big Flat Washer 010 | 4 |
| 38 | GB5781/M10x85/DX | Hex Bolt M10x85 | 2 |
| 39 | GB889/M5/DX | Nylon Lock Nut M5 | 20 |
| 42 | N280-10001-DX | Dust Cover Retainer | 2 |
| 43 | N280-00033-DX | Inside Star Washer | 2 |
| 44 | N280-10002 | Brush Shaft Bushing | 2 |
| 45 | N280-00036-DX | Spacer Bushing | 2 |
| 46 | N280-00035-DX | Spacer for Axle | 2 |
| 47 | N280-00002 | Plastic Bolt | 4 |
| 48 | GB862.1/5/FH | Star Washer 05 | 6 |
| 49 | N280-00016-DX | Clevis Pin C | 2 |
| 50 | N280-60001 | End Plate (L.H.) | 1 |
| 51 | N280-10003-DX | Special Washer | 2 |
| 52 | N280-00028-DX | Bushing | 2 |
| 53 | GB894/15/FH | Retaining Ring 015 | 2 |
| 54 | N280-00029-FH | Adj. Washer A | 4 |
| 55 | N260-00043-FH | Adj. Washer C | 2 |
| 56 | 9401-06020 | Dowel Pin (Drive) | 2 |
| 57 | N280-00030 | Pinion Gear (L.H.) | 1 |
| 58 | N280-00037-FH | Adj. Washer B | 2 |
| 59 | N280-00017-DX | Clevis Pin D | 2 |
| 60 | N280-20000 | Wheel & Tire Assembly | 2 |
| 61 | N280-00034 | Wheel Bushing | 4 |
| 62 | 9101-08065-DX | Hex Bolt M8x65 | 2 |
| 63 | 9101-08050-DX | Hex Bolt M8x50 | 2 |
| 64 | N280-00032 | Hub Cap | 2 |
| 65 | 9101-06040-DX | Hex Bolt M6x40 | 4 |
| 66 | N28B-00001-DX | Spacer Bushing (Adjust Height) | 1 |
| 67 | 9206-10000-DX | Nylon Lock Nut M10 | 2 |
| 68 | 9101-05025-DX | Hex Bolt M5x25 | 6 |
| 69 | 9302-08000-OX | Big Flat Washer 08 | 1 |
| 70 | 9101-06020-DX | Hex Bolt M6x20 | 12 |
| 71 | N280-30002-DX | Retainer Brush | 12 |
| 72 | NO21-00003-DX | Hitch Pin | 1 |
| 73 | N280-00026-DX | Cotter Bushing | 2 |
| 74 | N280-00047-DX | R Pin 03 | 5 |
| 75 | N280-00041-DX | R Pin 02 | 4 |
| 76 | N280-00046-DX | Big Flat Washer | 1 |
| 77 | 9101-08020-DX | Hex Bolt M8x20 | 1 |
| 78 | GB818/M5x 16/D X | Slotted Pan Head Screw M5x16 | 8 |
REV071418 N280&N282

















