Agri-Fab 45-04923 44 Inch Tow Lawn Sweeper

Instruction











Safety
Read and understand the vehicle manual and these instructions before using this sweeper. Always instruct other users before they operate the sweeper.
Symbols
Oil
Grease
Operation
Risk of Injury
- Never allow children to handle the sweeper
- Never allow anyone to ride on the sweeper.
- Always wear footwear when working with the sweeper.
- Never operate the sweeper if foreign matter is stuck in the brushes. Turn off the vehicle engine, remove the foreign matter and check for damage. If the sweeper is damaged, repair before continuing to operate.
Risk of Overturning
- Check the loading capacity of the towing vehicle and only sweep appropriate amounts of grass and leaves into the grass bag.
- On starting off, make sure that the sweeper retains its balance and does not overturn.
- Do not work on slopes greater than 10°.
- Do not exceed 6 mph (10 km/h).
- Drive slowly and carefully, especially when turning and on uneven ground.
Note: The driving and braking characteristics depend on the towed load.
Risk of Fire
- Always keep the sweeper away from fire. Excessive heat can damage the brushes and grass bag and could cause the bag to burn.
- Always empty the grass bag before storing the sweeper; spontaneous combustion may occur.
Attaching the Sweeper to Tow Vehicle (See Figure 17)
- Park the tow vehicle and sweeper on flat level ground.
- Attach the sweeper to the tractor hitch.
- Make sure draw bar is level to ground.
Setting the Brush Height (See Figure 18)
- Best results are achieved if the brushes penetrate the grass to a depth of 1/2″ (1.5 cm).
Emptying the Grass Bag
- Stop the towing vehicle and turn off the engine.
- Empty the grass bag by pulling on the dump handle.
Using the Offset Hitch
- Loosen the two knobs on the drawbar bracket.
- Slide the drawbar to the left or right end of the sweeper housing.
- Tighten the two knobs on the drawbar bracket.
Using the Transport Feature
- Use the transport feature when moving across pavement or areas you do not want to sweep.
- Empty grass bag of all debris (see Emptying the Grass Bag above).
- Pull out on the height adjustment knob and set to the “T” position.
- Do not exceed 6 mph (10 km/h).
Maintenance
Lubricate the wheel bearings once during the season. Remove hub cap and apply a few drops of light oil.
Lubricate the brush axle at the beginning and end of the season.
Clean and grease drive gears every two years (See Figure 19). Remove hub cap (1), bolt (2), washer (3), wheel (4), step spacer (8), and nut (9).
Service
Replace the Brushes (See Figure 19)
- Remove grass bag. Only loosen bolt and nut on the single brush retainers (1). Do not loosen double brush retainer (2).
- Note which side of brush the bristles overlap (3). Slide brush out.
- Install new brush with bristles overlap (3) as before.
Wheel Gear and Pawl (See Figure 20)
Do not remove both wheels at the same time; parts are not interchangeable.
- Remove hub cap (1), bolt (2), washer (3), wheel (4), step spacer (8), and nut (9).
- Remove snap ring (5), ratchet gear (6), and drive pin (7). Clean shaft and gear.
- Install ratchet gear (6) and drive pin (7). Pin must move freely in shaft.
- Lightly grease shaft and fill ratchet gear (6) with grease.
- Lightly grease brush axle and gear teeth on wheel.
- Install hub cap (1), bolt (2), washer (3), wheel (4), step spacer (8), and nut (9).
Note: Brushes should only move during forward rotation. If brushes rotate in both directions, drive pin is jamming the ratchet gear. Disassemble and make sure drive pin moves freely.

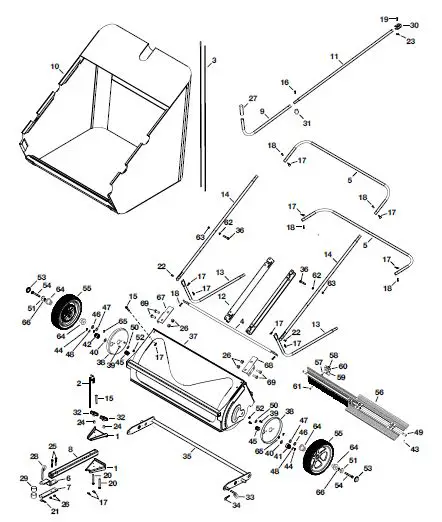
REF QTY PART NO DESCRIPTION
- 2 27425BL3 Drawbar Bracket
- 1 42661 Handle Holder
- 2 42646 Hopper Support Rod
- 1 42020 Bag Frame Tube
- 2 42649 Rear Hopper Tube
- 1 23014BL1 Hitch Bracket
- 1 24192BL1 Hitch Bracket (Straight)
- 1 28617BL3 Drawbar
- 1 42648 Lower Handle Tube
- 1 42904 Hopper Bag
- 1 42647 Upper Handle Tube
- 2 2-119BL1 Bag Arm
- 2 40897 Lower Hopper Tube
- 2 42539 Upper Hopper Tube
- 5 HA23636 Clevis Pin, 3/8 x 2-1/4″
- 1 43978 Bolt, 1/4-20 x 1″
- 14 43055 Hair Pin, 3/32 x 1.8″
- 6 48365 Clevis Pin, 1/4 x 1.11″
- 1 43259 Clevis Pin, 5/16 x 1-1/4″
- 2 44217 Carriage Bolt, 5/16-18 x 3″
- 1 43343 Hair Cotter Pin, 3/32 x 2-5/16″
- 2 48366 Clevis Pin, 3/8 x 1/2″
- 1 HA3090 Hair Cotter Pin, .08 x 1-1/8″
- 2 42659 Spacer, 3/4″
- 2 44292 Bolt, Hex 5/16-18 x 2-1/2″
- 6 47810 Nut, Nylock 5/16-18
- 1 7071 Handle Grip
- 1 23353 Hitch Pin
- 2 48130 Spacer
- 1 23878BL1 U-Clamp
- 1 42651 Knob
- 2 43720 Wing Knob
- 1 43038 Pivot Lock Pin 3/8″
- 1 48934 Hairpin Agitator
- 1 69668BL3 Height Adjustment Tube
- 2 43432 Hex Bolt, 3/8-16 x 2-1/2″
- 1 69687OR1 Sweeper Housing
- 2 41035 Dust Cover
- 4 C-9M5732 Pop Rivet
- 2 40001 Shim Washer
- 1 48651 Pinion Gear (LH)
- 1 48652 Pinion Gear (RH)
- 2 47046 Dowel Pin, 1/4 x 3/4″
- 2 1650-21 Retaining Ring
- 2 67407 Bearing Assembly
- 2 44008 Washer, 1-1/8″
- 2 1540-31 Washer, 1-1/4″
- 2 42093 Washer, .598″
- 1 2-198 Brush Shaft
- 2 26538 Step Spacer
- 2 141 Washer, 1-1/4″
- 2 1038 Nylock Jam Nut, 3/8″
- 2 41017 Hub Cap
- 2 44961 Hex Bolt, 3/8-24 x 3-1/4″
- 2 40987 Wheel
- 4 46780 Brush
- 8 43012 Hex Bolt, 1/4-20 x 3/4″
- 12 47189 Nylock Nut, 1/4″
- 4 23580 Brush Retainer (Double)
- 8 23581 Brush Retainer (SIngle)
- 4 43661 Hex Bolt, 1/4-20 x 1″
- 2 712-3008 Jam Nut, 3/8″
- 2 42210 Nylock Jam Nut, 3/8″
- 4 45088 Wheel Bearing
- 4 43910 Washer, .219 X .5
- 2 R19131316 Washer, .406 X .812
- 1 27418 Bracket, Angle RH Bag Arm MT
- 1 27417 Bracket, Angle LH Bag Arm MT
- 4 43182 Hex Bolt, 5/16-18 x 1″ 1 3-93 Owner’s Manual
SPEED E PART the fastest way to purchase parts www.speedepart.com
REPAIR PARTS
Agri-Fab, Inc.
809 South Hamilton
Sullivan, IL. 61951
217-728-8388
www.agri-fab.com


















