Agri-Fab 45-0597 48 Inch Lawn Dethatcher for Zero Turns

SAFETY RULES
Remember, any equipment can cause injury if operated improperly or if the user does not understand how to operate the equipment. Exercise caution at all times when using this equipment.
- LOOK FOR THIS SYMBOL TO POINT OUT IMPORTANT SAFETY PRECAUTIONS. IT MEANS – ATTENTION! BECOME ALERT! YOUR SAFETY IS INVOLVED.
- CAUTION: VEHICLE BRAKING AND STABILITY MAY BE AFFECTED BY THE ADDITION OF AN ACCESSORY OR AN ATTACHMENT. BE AWARE OF CHANGING CONDITIONS ON SLOPES.
Exercise caution at all times when using power equipment.
- Read this owner’s manual carefully for operating and service instructions before attempting to assemble or operate this equipment. Be thoroughly familiar with the proper use of this equipment.
- Read the vehicle owner’s manual and vehicle safety rules, and know how to operate the vehicle before using this equipment.
- Never allow children to operate the tractor or dethatcher attachment, and do not allow adults to operate without proper instructions.
- This dethatcher attachment has sharp tine points. Always handle with care and wear substantial footwear when operating this dethatcher.
- Do not allow anyone to ride or sit on the dethatcher attachment frame or on towing vehicle.
- Keep the area of operation clear of all persons, particularly small children, and also pets.
- Always begin with the transmission in first (low) gear and engine at low speed, and gradually increase speed as conditions permit.
- The vehicle braking and stability may be affected with the attachment of this equipment. Be aware of changing conditions on slopes. Refer to safety rules in the vehicle owner’s manual concerning safe operation on slopes.
STAY OFF OF STEEP SLOPES. - Always operate up and down a slope, never across the face of a slope
- This equipment should be operated at reduced speed on rough terrain, along creeks and ditches and on hillsides, to prevent tipping and loss of control. Do not drive too close to a creek or a ditch.
- Do not tow this equipment on a highway or any other public thoroughfare.
- Follow the maintenance instructions as outlined in this owners manual.
CARTON CONTENTS – PARTS

| reF | QTY | ParT no | DeScrIPTIon | reF | QTY | ParT no | DeScrIPTIon |
| 1 | 2 | 45823BL3 | Push Tube | 10 | 2 | 46853 | Bolt, U Type 3/8″ |
| 2 | 2 | 45814BL3 | Slider Tube | 11 | 2 | 27117BL1 | Mount Bracket |
| 3 | 2 | 45908BL3 | Mounting Bracket | 12 | 2 | 2-701BL3 | Lift Bracket |
| 4 | 2 | 45909 | U-Bolt, 7.0 X 3.5 X 3/8″ | 13 | 1 | 2-700BL3 | Tube, Square 1.5″ X 38″ |
| 5 | 4 | 45816BL3 | Pivot Bracket | 14 | 2 | 2-702BL3 | Tine Mount Bracket |
| 6 | 1 | 69643BL3 | Hitch Mount Ass’y | 15 | 12 | 46761 | Thatcher Spring |
| 7 | 1 | 69642BL3 | Blade Mount Ass’y | 16 | 1 | 2-703BL3 | Wheel Mount Bracket |
| 8 | 1 | 45817BL3 | Pivot Shaft | 17 | 1 | 48098 | Anti-scalp Wheel |
| 9 | 1 | 2-446BL3 | Bulkhead | ||||
CARTON CONTENTS – HARDWARE

| REF | QTY | Part no | Description | REF | QTY | Part no | Description |
| A | 10 | 43182 | Bolt, Hex 5/16-18 X 3/4 GR5 | O | 3 | 41657 | Nut, Hex 1/2-13 Nylock |
| B | 12 | 43012 | Bolt, Hex 1/4-20 X 3/4 GR5 | P | 8 | 43015 | Nut, Hex 3/8-16 |
| C | 2 | 47024 | Bolt, Hex 1/2-13 X 4-1/2 GR5 | Q | 1 | 43019 | Nut, Hex 1/2-13 Jam |
| D | 2 | 47407 | Bolt, Hex 5/16-18 X 4 GR5 | R | 1 | 23625 | Spacer, .380 ID X .620 OD X .27 |
| E | 1 | 45100 | Bolt, Hex 1/2-13 X 4 GR5 FT | S | 12 | 2-718 | Washer, Rubber 5/8 OD X 1/4 ID |
| F | 2 | 43224 | Bolt, Hex 5/16-18 X 2-1/4 GR5 | T | 12 | 736-0142 | Washer, .281 X .625 X .065 |
| G | 6 | 43432 | Bolt, Hex 3/8-16 X 2-1/2 GR5 | U | 8 | 43003 | Washer, Loc 3/8 |
| H | 2 | 43023 | Pin, Clevis 3/8 X 2 | V | 4 | 43081 | Washer, .375 X .875 X .083 |
| I | 1 | HA23636 | Pin, Clevis 3/8 X 2-1/4 | W | 6 | R19171616 | Washer, .531 X 1 X .059 |
| J | 2 | 43055 | Pin, Hair 3/32 X 1.8 | X | 2 | 736-0231 | Washer, .344 X 1.125 X .12 |
| K | 5 | 43343 | Pin, Hair Cotter 3/32 X 2-5/1 | Y | 4 | 43009 | Washer, .785 X 1.57 X .057 |
| L | 12 | 47189 | Nut, Hex 1/4-20 Nylock | Z | 2 | 2-698 | Plug, Square 1.50″ |
| M | 14 | 47810 | Nut, Hex .312-18 Nylock | ZZ | 4 | 2-699 | Plug, Square 1.75″ |
| N | 6 | HA21362 | Nut, Hex 3/8-16 Nylock | ||||
ASSEMBLY INSTRUCTIONS
TOOLS REQUIRED FOR ASSEMBLY
- (1) Adjustable Wrench
- (2) 7/16″ Wrenches
- (2) 1/2″ Wrenches
- (2) 9/16″ Wrenches
Lay out and identify the parts and hardware using the illustrations.
ASSEMBLE THE HITCH MOUNT ASSEMBLY
STEP 1: (SEE FIGURE 1)
- Insert a slider tube (2) into each end of the hitch mount assembly (6).
- Attach the slider tube to the hitch mount assembly using two hex bolts (G), four washers (V), and two Nylock hex nuts (N). Do not tighten.

STEP 2: (SEE FIGURE 2)
- Attach the hitch mount assembly (6) to the tractor frame using two U-bolts (4) secured with two mounting brackets (3), four washers (U), and four Nylock hex nuts (P). Do not tighten.
- If the slider tube does not fully extend into both U-bolts (4), then loosen the appropriate hex bolt (G) and reposition the slider tube (2).
- Center the hitch mount assembly on the tractor frame.
- Tighten all hex bolts and hex nuts.

ASSEMBLE THE BLADE MOUNT ASSEMBLY
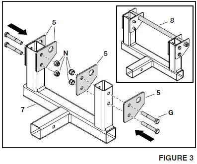
STEP 3: (SEE FIGURE 3)
- Attach four pivot brackets (5) to the blade mount assembly (7) using four hex bolts (G) and Nylock hex nuts (N).
- To help align the pivot brackets (5), temporarily insert the pivot shaft (8) through the holes in the pivot brackets.
- Remove the pivot shaft (8) once the pivot brackets (5) are securely attached to the blade mount assembly (7).

ATTACH THE BLADE MOUNT ASSEMBLY TO THE HITCH MOUNT ASSEMBLY
STEP 4: (SEE FIGURE 4)
- Insert the blade mount assembly (7) into the hitch mount assembly tube (6).
- Secure with a clevis pin (I) and a hair cotter pin (K).
- Insert the square plugs (ZZ) into the blade mount assembly (7).

ATTACH THE BULKHEAD TO THE BLADE MOUNT ASSEMBLY
STEP 5: (SEE FIGURE 5)
- Insert the pivot shaft (8) through the two sets of pivot brackets (5) of the blade mount assembly (7) and the holes in the bulkhead (9).
NOTE: The holes to use in the bulkhead are determined by your tractor height. - Secure each end of the pivot shaft (8) using a washer (Y) and a hair cotter pin (K).

ATTACH PUSH TUBES TO THE BULKHEAD
STEP 6: (SEE FIGURE 6)
- With a push tube (1) level to the hitch mount assembly (6), insert the uncapped end of the push tube into the bulkhead (9) hole at that height.
- Repeat with the second push tube (1).
- Secure each push tube (1) to the bulkhead (9) using a washer (Y) and hair cotter pin (K).

STEP 7: (SEE FIGURE 7)
- Attach the two push tubes (1) together using a clevis pin (H) and a spacer (R) between the push tubes at the end closest to the bulkhead (9).
- Insert a second clevis pin (H) through the opposite side of the push tubes at the end furthest from the bulkhead (9).
- Secure each clevis pin using a hair cotter pin (J).
Note:
We recommend the two hair cotter pins (P) be on opposite sides of the push tubes (1).
ASSEMBLE SQUARE TUBE TO BULKHEAD
STEP 8: (SEE FIGURE 8)
- Attach the square tube (13) to the bulkhead (9) using two hex bolts (F), washers (X) and hex nuts (M).
- Insert the two square plugs (Z) into the square tube.

ATTACH MOUNTING BRACKETS
STEP 9: (SEE FIGURE 9)
- Attach mounting brackets (11) to the square tube (13) using two U-bolts (10).
- Secure the U-bolts with four washers (U) and four hex nuts (P).

ATTACH LIFT BracKETS TO MOUN TING BRACracKETS
STEP 10: (SEE FIGURE 10)
- Attach the two lift brackets (12) to the two mounting brackets (11) with the two bolts (C) above the two bolts (D).
- Secure the two hex bolts (C) with the four washers (W) and two Nylock hex nuts (O).
- Secure the two hex bolts (D) with two Nylock hex nuts (M).

ASSEMBLE THA TCHER SPRINGS TO TINE MOUN T BRACracKET
STEP 11: (SEE FIGURE 11)
- Onto one tine mount bracket (14), attach six thatcher springs (15) using six hex bolts (B), six washers (T), and six rubber washers (S).
- Secure the hex bolts (B) and washers using six Nylock hex nuts (L).
- On the second time mount bracket, attach six thatcher springs (15) in a staggered pattern from the first tine mount bracket using six hex bolts (B), six washers (T), and six rubber washers (S).This will ensure the thatcher springs (15) are not directly in front of the tines on the previous tine mount bracket.
- Secure the hex bolts (B) and washers using six Nylock hex nuts (L).


ATTACH TINE MOUN T BracKET ASSEMBLY TO LIFT BRACracKETS
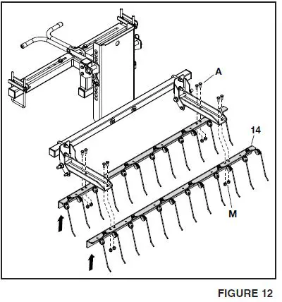
STEP 12: (SEE FIGURE 12)
- Attach one tine mount bracket assembly (14) to the lift brackets (14) with four hex bolts (A).
- Secure the hex bolts with four Nylock nuts (M).
- Repeat for the other tine mount bracket assembly (14).

ASSEMBLE AND ATTACH THE WHEE L STEP 13:
(SEE FIGURE 13)
- Attach the wheel mount bracket (16) to the front tine mount bracket assembly (14) with two hex bolts (A).
- Secure the hex bolts with two Nylock nuts (M).

STEP 14: (SEE FIGURE 14)
- Attach the wheel (17) to the wheel mount bracket (16) using a hex bolt (E), two washers (W), a hex nut (Q), and a Nylock hex nut (O).
- Tighten, but not too tight. The wheel should rotate easily.

OPERATION
CAUTION:
Failure to obey the following cautions could result in personal injury or product damage:
- Securely position your feet on the push tube handles when engaging or disengaging the dethatcher.
- Do NOnoT take your feet off the push tube handles until the dethatcher is either fully locked into the disengage position or fully released to the engage position.
- Do NOnoT allow the dethatcher to fall over when upright.
Take care when operating your dethatcher. Operating your dethatcher according to these instructions will help prevent damage and prolong the life of your dethatcher.
- Refer to the vehicle owners manual for instructions on safe operation on slopes.
- The maximum pushing speed for this dethatcher assembly is 7 m.p.h.
- Watch out for exposed tree roots, as they can cause damage to the dethatcher.
- For best results, always mow the grass to an even height before using the dethatcher.
GAGE THE DETHA TCHER ASSEMBLY
- Sit on the tractor so that your feet can reach the push tube handles.
- When engaging the dethatcher assembly, be prepared for the weight of the dethatcher to push against your feet.
- Use your feet to slightly push and lift the push tube handles until the tines of the dethatcher and the wheel are on the ground.

DISEN GAGE THE DETHA TCHER ASSEMBLY
- Sit on the tractor so that your feet can reach the push tube handles.
- When disengaging the dethatcher, be prepared to push the weight of the dethatcher.
- Use your feet to push the push tube handles until the tines of the dethatcher and the wheel pivots up off the ground and the clevis pin (H) locks into place.

ADJUST THE DETHA TCHER HEIGHT
NOTE:
If using the dethatcher on uneven terrain, raise the dethatcher assembly one hole higher to prevent damage to the unit.
- Engage the dethatcher assembly so that the wheel is on the ground (see “Disengage the Dethatcher Assembly” on page 12).
- Remove the hair cotter pins (K) and washers (Y) securing the push tubes to the bulkhead. Retain for reassembly.
- Remove the hair cotter pins (J), clevis pins (H), and spacer (R) securing the push tubes together. Retain for reassembly.
- Remove and reinsert the push tube into the bulkhead holes to achieve the desired height for your tractor.
- Secure the push tube to the bulkhead using the removed washers (Y) and hair cotter pins (K). (See STEP 6 on page 7 for instructions.)
- Reassemble the push tubes and secure them with the removed spacer (R), clevis pins (H), and hair cotter pins (J). (See STEP 7 on page 8 for instructions.)

STORAGE
To store, remove the dethatcher assembly from the hitch mount assembly.
- Engage the dethatcher so that the wheel is on the ground. (See “Engage the Dethatcher Assembly” on page 12 for instructions.)
- Remove the hair cotter pin (J) and clevis pin (H) from the push tubes at the end furthest from the bulkhead.
- Remove the hair cotter pin (K) and clevis pin (I) that attaches the blade mount assembly (7) to the hitch mount assembly (6).
- Pull the dethatcher assembly to slide the blade mount assembly (7) out of the hitch mount assembly tube (6).
- Hang the dethatcher assembly on the wall to store.

MAINTENANCE
- Always clean the thatcher spring assembly after each use. Damp or wet grass and leaves will cause damage to the thatcher spring assembly if stored for long periods of time.
- Check periodically for loose bolts.
- At the beginning of each season, using a light machine oil, lubricate the pivot points.

REPAIR PARTS FOR 45-0597 Zero Turn Dethatcher

| REF | QTY | Part no | Description | REF | QTY | Part no | Description |
| 1 | 10 | 43182 | Bolt, Hex 5/16-18 X 3/4 GR5 | 24 | 2 | 736-0231 | Washer, .344 X 1.125 X .12 |
| 2 | 12 | 43012 | Bolt, Hex 1/4-20 X 3/4 GR5 | 25 | 4 | 43009 | Washer, .785 X 1.57 X .057 |
| 3 | 2 | 47024 | Bolt, Hex 1/2-13 X 4-1/2 GR5 | 26 | 2 | 2-698 | Plug, Square 1.50″ |
| 4 | 2 | 47407 | Bolt, Hex 5/16-18 X 4 GR5 | 27 | 4 | 2-699 | Plug, Square 1.75″ |
| 5 | 1 | 45100 | Bolt, Hex 1/2-13 X 4 GR5 FT | 28 | — | — | — |
| 6 | 2 | 43224 | Bolt, Hex 5/16-18 X 2-1/4 GR5 | 29 | 2 | 45823BL3 | Push Tube |
| 7 | 6 | 43432 | Bolt, Hex 3/8-16 X 2-1/2 GR5 | 30 | 2 | 45814BL3 | Slider Tube |
| 8 | 2 | 43023 | Pin, Clevis 3/8 X 2 | 31 | 2 | 45908BL3 | Mounting Bracket |
| 9 | 1 | HA23636 | Pin, Clevis 3/8 X 2-1/4 | 32 | 2 | 45909 | U-Bolt, 7.0 X 3.5 X 3/8″ |
| 10 | 2 | 43055 | Pin, Hair 3/32 X 1.8 | 33 | 4 | 45816BL3 | Pivot Bracket |
| 11 | 5 | 43343 | Pin, Hair Cotter 3/32 X 2-5/1 | 34 | 1 | 69643BL3 | Hitch Mount Ass’y |
| 12 | 12 | 47189 | Nut, Hex 1/4-20 Nylock | 35 | 1 | 69642BL3 | Blade Mount Ass’y |
| 13 | 14 | 47810 | Nut, Hex .312-18 Nylock | 36 | 1 | 45817BL3 | Pivot Shaft |
| 14 | 6 | HA21362 | Nut, Hex 3/8-16 Nylock | 37 | 1 | 2-446BL3 | Bulkhead |
| 15 | 3 | 41657 | Nut, Hex 1/2-13 Nylock | 38 | 2 | 46853 | Bolt, U Type 3/8″ |
| 16 | 8 | 43015 | Nut, Hex 3/8-16 | 39 | 2 | 27117BL1 | Mount Bracket |
| 17 | 1 | 43019 | Nut, Hex 1/2-13 Jam | 40 | 2 | 2-701BL3 | Lift Bracket |
| 18 | 1 | 23625 | Spacer, .380 ID X .620 OD X .27 | 41 | 1 | 2-700BL3 | Tube, Square 1.5″ X 38″ |
| 19 | 12 | 2-718 | Washer, Rubber 5/8 OD X 1/4 ID | 42 | 2 | 2-702BL3 | Tine Mount Bracket |
| 20 | 12 | 736-0142 | Washer, .281 X .625 X .065 | 43 | 12 | 46761 | Thatcher Spring |
| 21 | 8 | 43003 | Washer, Loc 3/8 | 44 | 1 | 2-703BL3 | Wheel Mount Bracket |
| 22 | 4 | 43081 | Washer, .375 X .875 X .083 | 45 | 1 | 48098 | Anti-scalp Wheel |
| 23 | 6 | R19171616 | Washer, .531 X 1 X .059 | 46 | 1 | 3-256 | Owners Manual |
REPAIR PARTS
Agri-Fab, Inc.
809 South Hamilton Sullivan, IL. 61951
217-728-8388
www.agri-fab.com.
This document (or manual) is protected under the U.S. Copyright Laws and the copyright laws of foreign countries, pursuant to the Universal Copyright Convention and the Berne convention. No part of this document may be reproduced or transmitted in any form or by an means, electronic or mechanical, including photocopying or recording, or by any information storage or retrieval system, without the express written permission of Agri-Fab, Inc. Unauthorized uses and/or reproductions of this manual will subject a such unauthorized user to civil and criminal penalties as provided by the United States Copyright Laws.
© 2023 Agri-Fab, Inc.





































