MEAN WELL SP-150 Series 150W Single Output with PFC Function

Features
- Universal AC input / Full range
- Built-in active PFC function, PF>0.93
- Protections: Short circuit / Overload / Over voltage / Over temperature
- Built-in constant current limiting circuit
- Remote ON-OFF control(Optional)
- LED indicator for power on
- 100% full load burn-in test
- Fixed switching frequency at PFC:67KHz PWM:134KHz
- 3 years warranty
SPECIFICATION
MODEL | SP-150-3.3 | SP-150-5 | SP-150-7.5 | SP-150-12 | SP-150-13.5 | SP-150-15 | SP-150-24 | SP-150-27 | SP-150-48 | |
| OUTPUT | DC VOLTAGE | 3.3V | 5V | 7.5V | 12V | 13.5V | 15V | 24V | 27V | 48V |
| RATED CURRENT | 30A | 30A | 20A | 12.5A | 11.2A | 10A | 6.3A | 5.6A | 3.2A | |
| CURRENT RANGE | 0 ~ 30A | 0 ~ 30A | 0 ~ 20A | 0 ~ 12.5A | 0 ~ 11.2A | 0 ~ 10A | 0 ~ 6.3A | 0 ~ 5.6A | 0 ~ 3.2A | |
| RATED POWER | 99W | 150W | 150W | 150W | 151.2W | 150W | 150W | 151.2W | 153.6W | |
| RIPPLE & NOISE (max.) Note.2 | 100mVp-p | 100mVp-p | 100mVp-p | 100mVp-p | 100mVp-p | 100mVp-p | 150mVp-p | 150mVp-p | 250mVp-p | |
| VOLTAGE ADJ. RANGE | 3.14 ~ 3.63V | 4.75 ~ 5.5V | 7.13 ~ 8.25V | 11.4 ~ 13.2V | 12.8 ~ 14.9V | 14.3 ~ 16.5V | 22.8 ~ 26.4V | 25.7 ~ 29.7V | 45.6 ~ 52.8V | |
| VOLTAGE TOLERANCE Note.3 | ±2.0% | ±2.0% | ±2.0% | ±2.0% | ±2.0% | ±2.0% | ±1.0% | ±1.0% | ±1.0% | |
| LINE REGULATION | ±0.5% | ±0.5% | ±0.5% | ±0.5% | ±0.5% | ±0.5% | ±0.5% | ±0.5% | ±0.5% | |
| LOAD REGULATION | ±1.0% | ±1.0% | ±1.0% | ±0.5% | ±0.5% | ±0.5% | ±0.5% | ±0.5% | ±0.5% | |
| SETUP, RISE TIME | 700ms, 40ms at full load | |||||||||
| HOLD UP TIME (Typ.) | 20ms at full load | |||||||||
| INPUT | VOLTAGE RANGE | 85 ~ 264VAC 120 ~ 370VDC | ||||||||
| FREQUENCY RANGE | 47 ~ 63Hz | |||||||||
| POWER FACTOR (Typ.) | PF>0.93/230VAC PF>0.97/115VAC at full load | |||||||||
EFFICIENCY (Typ.) | 73% | 77.5% | 81% | 84% | 84% | 85% | 85% | 85% | 85% | |
| AC CURRENT (Typ.) | 2.5A/115VAC 1.2A/230VAC | |||||||||
| INRUSH CURRENT (Typ.) | COLD START 45A/230VAC | |||||||||
| LEAKAGE CURRENT | <2mA / 240VAC | |||||||||
| PROTECTION | OVERLOAD | 105 ~ 150% rated output power | ||||||||
| Protection type : Constant current limiting, recovers automatically after fault condition is removed | ||||||||||
| OVER VOLTAGE | 3.63 ~ 4.46V | 5.5 ~ 6.75V | 8.25 ~ 10.13V | 13.2 ~ 16.2V | 14.85 ~ 18.2V | 16.5 ~ 20.25V | 26.4 ~ 32.4V | 29.7 ~ 36.45V | 52.8 ~ 64.8V | |
| Protection type : Shut down o/p voltage, re-power on to recover | ||||||||||
| OVER TEMPERATURE | Shut down o/p voltage, recovers automatically after temperature goes down | |||||||||
| FUNCTION | REMOTE CONTROL(OPTION) | CN1:4 ~ 10VDC POWER ON, <0 ~ 0.8VDC POWER OFF | ||||||||
| ENVIRONMENT | WORKING TEMP. | -10 ~ +55℃ (Refer to output load derating curve) | ||||||||
| WORKING HUMIDITY | 20 ~ 90% RH non-condensing | |||||||||
| STORAGE TEMP., HUMIDITY | -20 ~ +85℃, 10 ~ 95% RH | |||||||||
| TEMP. COEFFICIENT | ±0.05%/℃ (0 ~ 50℃) | |||||||||
| VIBRATION | 10 ~ 500Hz, 2G 10min./1cycle, 60min. each along X, Y, Z axes | |||||||||
SAFETY & EMC
| SAFETY STANDARDS | UL60950-1 approved | ||||||||
| WITHSTAND VOLTAGE | I/P-O/P:3KVAC I/P-FG:2KVAC O/P-FG:0.5KVAC | |||||||||
| ISOLATION RESISTANCE | I/P-O/P, I/P-FG, O/P-FG:100M Ohms / 500VDC / 25℃/ 70% RH | |||||||||
| EMC EMISSION | Compliance to EN55032 (CISPR32) Class B,EN61000-3-2,-3 | |||||||||
| EMC IMMUNITY | Compliance to EN61000-4-2,3,4,5,6,8,11; ENV50204, EN55024, light industry level, criteria A | |||||||||
OTHERS | MTBF | 191.2K hrs. min. MIL-HDBK-217F (25℃) | ||||||||
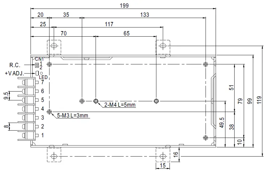
| DIMENSION | 199*99*50mm (L*W*H) | |||||||||
| PACKING | 0.76Kg; 20pcs/16.4Kg/1.21CUFT | |||||||||
| NOTE |
| |||||||||
Mechanical Specification


Terminal Pin No. Assignment
Pin No. | Assignment | Pin No. | Assignment | ||
1 | AC/L | 4,5 | DC OUTPUT -V | ||
| 2 | AC/N | 6,7 | DC OUTPUT +V | ||
3 | FG | ||||
Remote ON/OFF(CN1):JST S2B-XH or equivalent(optional)
| Pin No. | Assignment | Mating Housing | Terminal |
1 | RC+ | JST XHP or equivalent | JST SXH-001T-P0.6 or equivalent |
2 | RC- |
Block Diagram

Derating Curve

Output Derating VS Input Voltage




















