MEAN WELL EPP-200 200W Single Output with PFC Function
Features
- 4″×2″ miniature size
- Universal AC input / Full range
- Built-in active PFC function
- EMI Conduction for Class B Radiation for Class B with FG(Class Ⅰ) and Class A without FG(Class Ⅱ)
- No load power consumption<0.5W
- High efficiency up to 94%
- Protections: Short circuit / Overload / Over voltage / Over temperature
- Cooling by free air convection for 140W and 200W with 10CFM forced air
- Built-in 12V/0.5A FAN supply
- LED indicator for power on
- Operating altitude up to 5000 meters
- 3 years warranty
Applications
- Industrial automation machinery
- Industrial control system
- Mechanical and electrical equipment
- Electronic instruments, equipment’s or apparatus
Description
EPP-200 is a 200W highly reliable green PCB type power supply with a high power density (21.9W/in3) on the 4″ by 2″ footprint. It accepts 80~264VAC input and offers various output voltages between 12V and 48V. The working efficiency is up to 94% and the extremely low no load power consumption is down below 0.5W. EPP-200 is able to be used for both ClassⅠ(with FG) and Class Ⅱ(no FG) system design. EPP-200 is equipped with complete protection functions; it is complied with the international safety regulations such as TUV BS EN/EN62368-1, UL62368-1 and IEC62368-1. EPP-200 series serves as a high price-to-performance power supply solution for various industrial applications.
Model Encoding
Specifications
| MODEL | EPP-200-12 | EPP-200-15 | EPP-200-24 | EPP-200-27 | EPP-200-48 | ||
| OUTPUT | DC VOLTAGE | 12V | 15V | 24V | 27V | 48V | |
| CURRENT | 10CFM | 16.7A | 13.4A | 8.4A | 7.5A | 4.2A | |
| Convection | 11.7A | 9.4A | 5.9A | 5.3A | 3A | ||
| RATED POWER | 10CFM | 200.4W | 201W | 201.6W | 202.5W | 201.6W | |
| Convection | 140.4W | 141W | 141.6W | 143.1W | 144W | ||
| RIPPLE & NOISE (max.) Note.2 | 100mVp-p | 100mVp-p | 150mVp-p | 150mVp-p | 200mVp-p | ||
| VOLTAGE ADJ. RANGE | 11.4~12.6V | 14.3~15.8V | 22.8~25.2V | 25.6 ~ 28.4V | 45.6 ~50.4V | ||
| VOLTAGE TOLERANCE Note.3 | ±2.0% | ±2.5% | ±1.0% | ±1.0% | ±1.0% | ||
| LINE REGULATION | ±0.5% | ±0.5% | ±0.5% | ±0.5% | ±0.5% | ||
| LOAD REGULATION | ±1.0% | ±1.0% | ±1.0% | ±1.0% | ±1.0% | ||
| SETUP, RISE TIME | 500ms, 30ms/230VAC 500ms, 30ms/115VAC at full load | ||||||
| HOLD UP TIME (Typ.) | 12ms/230VAC 12ms/115VAC at full load | ||||||
| INPUT | VOLTAGE RANGE Note.4 | 80 ~ 264VAC 113 ~ 370VDC | |||||
| FREQUENCY RANGE | 47 ~ 63Hz | ||||||
| POWER FACTOR | PF>0.94/230VAC PF>0.98/115VAC at full load | ||||||
| EFFICIENCY (Typ.) | 93% | 93% | 94% | 94% | 94% | ||
| AC CURRENT (Typ.) | 1.8A/115VAC 1A/230VAC | ||||||
| INRUSH CURRENT (Typ.) | COLD START 30A/115VAC 60A/230VAC | ||||||
| LEAKAGE CURRENT | <0.75mA / 240VAC | ||||||
|
PROTECTION | OVERLOAD | 110 ~ 140% rated output power | |||||
| Protection type : Hiccup mode, recovers automatically after fault condition is removed | |||||||
| OVER VOLTAGE | 13.2 ~ 15.6V | 16.5 ~ 19.5V | 26.4 ~ 31.2V | 29.7 ~ 35V | 52.8 ~ 62.4V | ||
| Protection type : Shut down o/p voltage, re-power on to recover | |||||||
| OVER TEMPERATURE | Protection type : Shut down o/p voltage, re-power on to recover | ||||||
| FUNCTION | FAN SUPPLY | [email protected] for driving a fan ; tolerance +15% ~ -15% | |||||
| ENVIRONMENT | WORKING TEMP. | -30 ~ +70℃ (Refer to “Derating Curve”) | |||||
| WORKING HUMIDITY | 20 ~ 90% RH non-condensing | ||||||
| STORAGE TEMP., HUMIDITY | -40 ~ +85℃, 10 ~ 95% RH | ||||||
| TEMP. COEFFICIENT | ±0.03%/℃ (0 ~ 50℃) | ||||||
| OPERATING ALTITUDE Note.6 | 5000 meters | ||||||
| VIBRATION | 10 ~ 500Hz, 2G 10min./1cycle, 60min. each along X, Y, Z axes | ||||||
|
SAFETY & EMC (Note 5) | SAFETY STANDARDS | UL62368-1, TUV BS EN/EN62368-1, IEC62368-1, EAC TP TC 004 approved | |||||
| WITHSTAND VOLTAGE | I/P-O/P:3KVAC I/P-FG:2KVAC O/P-FG:0.5KVAC | ||||||
| ISOLATION RESISTANCE | I/P-O/P, I/P-FG:100M Ohms / 500VDC / 25℃/ 70% RH | ||||||
| EMC EMISSION | Compliance to BS EN/EN55032 (CISPR32) Conduction for Class B Radiation for Class B with FG(ClassⅠ) and Class A without FG(ClassⅡ), BS EN/EN61000-3-2,-3, EAC TP TC 020 | ||||||
| EMC IMMUNITY | Compliance to BS EN/EN61000-4-2,3,4,5,6,8,11, BS EN/EN55024, BS EN/EN61000-6-2, heavy industry level, criteria A, EAC TP TC 020 | ||||||
| OTHERS | MTBF | 500.2Khrs min. MIL-HDBK-217F (25℃) | |||||
| DIMENSION | 101.6*50.8*29mm (L*W*H) | ||||||
| PACKING | 0.19Kg; 72pcs/14.7Kg/0.82CUFT | ||||||
| NOTE |
Product Liability Disclaimer:For detailed information, please refer to https://www.meanwell.com/serviceDisclaimer.aspx | ||||||
Block Diagram
Derating Curve

Output Derating VS Input Voltage

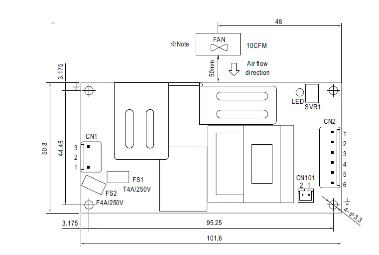
Mechanical Specification


AC Input Connector (CN1) : JST B3P-VH or equivalent
| Pin No. | Assignment | Mating Housing | Terminal |
| 1 | AC/L | JST VHR or equivalent | JST SVH-21T-P1.1 or equivalent |
| 2 | No Pin | ||
| 3 | AC/N |
Grounding required
DC Output Connector (CN2) : JST B6P-VH or equivalent
| Pin No. | Assignment | Mating Housing | Terminal |
| 1,2,3 | +V | JST VHRor equivalent | JST SVH-21T-P1.1 or equivalent |
FAN Connector(CN101) : JST B2B-PH-K-S or equivalent
| Pin No. | Assignment | Mating Housing | Terminal |
| 1 | DC COM | JST PHR-2 or equivalent | JST SPH-002T-P0.5S or equivalent |
| 2 | +12V |
Note :
- The FAN supply is designed to serve as the source of the additive external fan for the cooling of the power supply, enabling the full load delivery and assuring the best life span of the product. Please do not use this FAN supply to drive other devices.
- EMI Conduction for Class B Radiation for Class B with FG(ClassⅠ) and Class A without FG(ClassⅡ).
Installation Manual
Please refer to : http://www.meanwell.com/manual.html





















