MEAN WELL SP-200 Series 200W Single Output with PFC Function Instruction Manual
Features
- Universal AC input / full range
- Built-in active PFC function, PF>0.93
- Protections: Short circuit / Overload / Over voltage / Over temperature
- Built-in cooling fan speed control
- Built-in constant current limiting circuit
- Built-in fan speed control
- Remote ON-OFF control(Optional)
- LED indicator for power on
- 100% full load burn-in test
- Fixed switching frequency at PFC:67KHz PWM:134KHz
- 3 years warranty
SPECIFICATION
| MODEL | SP-200-3.3 | SP-200-5 | SP-200-7.5 | SP-200-12 | SP-200-13.5 | SP-200-15 | SP-200-24 | SP-200-27 | SP-200-48 | |
| OUTPUT | DC VOLTAGE | 3.3V | 5V | 7.5V | 12V | 13.5V | 15V | 24V | 27V | 48V |
| RATED CURRENT | 40A | 40A | 26.7A | 16.7A | 14.9A | 13.4A | 8.4A | 7.5A | 4.2A | |
| CURRENT RANGE | 0 ~ 40A | 0 ~ 40A | 0 ~ 26.7A | 0 ~ 16.7A | 0 ~ 14.9A | 0 ~ 13.4A | 0 ~ 8.4A | 0 ~ 7.5A | 0 ~ 4.2A | |
| RATED POWER | 132W | 200W | 200.2W | 200.4W | 201.1W | 201W | 201.6W | 202.5W | 201.6W | |
| RIPPLE & NOISE (max.) Note.2 | 100mVp-p | 100mVp-p | 100mVp-p | 100mVp-p | 100mVp-p | 100mVp-p | 150mVp-p | 150mVp-p | 250mVp-p | |
| VOLTAGE ADJ. RANGE | 3.14 ~ 3.63V | 4.75 ~ 5.5V | 7.13 ~ 8.25V | 11.4 ~ 13.2V | 12.8 ~ 14.9V | 14.3 ~ 16.5V | 22.8 ~ 26.4V | 25.7 ~ 29.7V | 45.6 ~ 52.8V | |
| VOLTAGE TOLERANCE Note.3 | ±2.0% | ±2.0% | ±2.0% | ±2.0% | ±2.0% | ±2.0% | ±1.0% | ±1.0% | ±1.0% | |
| LINE REGULATION | ±0.5% | ±0.5% | ±0.5% | ±0.5% | ±0.5% | ±0.5% | ±0.5% | ±0.5% | ±0.5% | |
| LOAD REGULATION | ±1.0% | ±1.0% | ±1.0% | ±0.5% | ±0.5% | ±0.5% | ±0.5% | ±0.5% | ±0.5% | |
| SETUP, RISE TIME | 600ms, 40ms at full load | |||||||||
| HOLD UP TIME (Typ.) | 20ms at full load | |||||||||
| INPUT | VOLTAGE RANGE | 85 ~ 264VAC 120 ~ 370VDC | ||||||||
| FREQUENCY RANGE | 47 ~ 63Hz | |||||||||
| POWER FACTOR (Typ.) | PF>0.93/230VAC PF>0.97/115VAC at full load | |||||||||
| EFFICIENCY (Typ.) | 69% | 76% | 78.5% | 84% | 84% | 84% | 85% | 85% | 85% | |
| AC CURRENT (Typ.) | 3.5A/115VAC 1.7A/230VAC | |||||||||
| INRUSH CURRENT (Typ.) | COLD START 50A/230VAC | |||||||||
| LEAKAGE CURRENT | <2mA / 240VAC | |||||||||
| PROTECTION | OVERLOAD | 105 ~ 150% rated output power | ||||||||
| Protection type : Constant current limiting, recovers automatically after fault condition is removed | ||||||||||
| OVER VOLTAGE | 3.63 ~ 4.46V | 5.5 ~ 6.75V | 8.25 ~ 10.13V | 13.2 ~ 16.2V | 14.85 ~ 18.2V | 16.5 ~ 20.25V | 26.4 ~ 32.4V | 29.7 ~ 36.45V | 52.8 ~ 64.8V | |
| Protection type : Shut down o/p voltage, re-power on to recover | ||||||||||
| OVER TEMPERATURE | Shut down o/p voltage, recovers automatically after temperature goes down | |||||||||
| FUNCTION | REMOTE CONTROL(OPTION) | CN1:4 ~ 10VDC POWER ON, <0 ~ 0.8VDC POWER OFF | ||||||||
| ENVIRONMENT | WORKING TEMP. | -10 ~ +60℃ (Refer to output load derating curve) | ||||||||
| WORKING HUMIDITY | 20 ~ 90% RH non-condensing | |||||||||
| STORAGE TEMP., HUMIDITY | -20 ~ +85℃, 10 ~ 95% RH | |||||||||
| TEMP. COEFFICIENT | ±0.05%/℃ (0 ~ 50℃) | |||||||||
| VIBRATION | 10 ~ 500Hz, 2G 10min./1cycle, 60min. each along X, Y, Z axes | |||||||||
| SAFETY & EMC (Note 4) | SAFETY STANDARDS | UL60950-1, CCC GB4943 approved | ||||||||
| WITHSTAND VOLTAGE | I/P-O/P:3KVAC I/P-FG:2KVAC O/P-FG:0.5KVAC | |||||||||
| ISOLATION RESISTANCE | I/P-O/P, I/P-FG, O/P-FG:100M Ohms / 500VDC / 25℃/70% RH | |||||||||
| EMC EMISSION | Compliance to EN55032 (CISPR32) Class B,EN61000-3-2,-3 | |||||||||
| EMC IMMUNITY | Compliance to EN61000-4-2,3,4,5,6,8,11; ENV50204, EN55024, light industry level, criteria A | |||||||||
| OTHERS | MTBF | 183.8K hrs min. MIL-HDBK-217F (25℃) | ||||||||
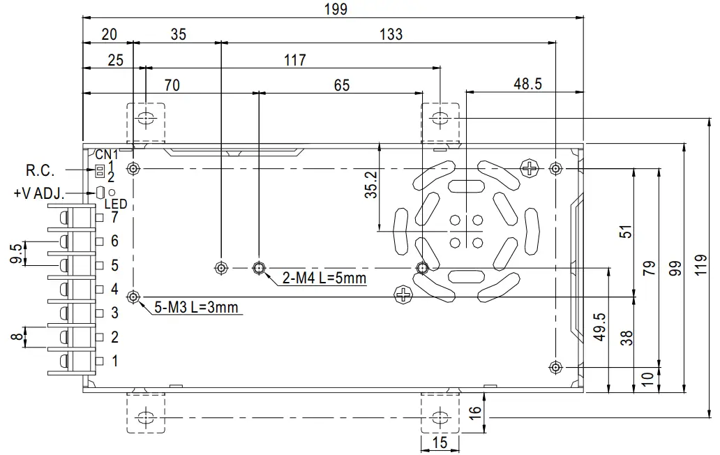
| DIMENSION | 199*99*50mm (L*W*H) | |||||||||
| PACKING | 0.85Kg; 20pcs/17.9Kg/1.21CUFT | |||||||||
| NOTE |
※ Product Liability Disclaimer:For detailed information, please refer to https://www.meanwell.com/serviceDisclaimer.aspx | |||||||||
Mechanical Specification
Terminal Pin No. Assignment
| Pin No. | Assignment | Pin No. | Assignment |
| 1 | AC/L | 4,5 | DC OUTPUT -V |
| 2 | AC/N | 6,7 | DC OUTPUT +V |
| 3 | FG |
Remote ON/OFF(CN1):JST S2B-XH or equivalent(optional)
| Pin No. | Assignment | Mating Housing | Terminal |
| 1 | RC+ | JST XHP or equivalent | JST SXH-001T-P0.6 or equivalent |
| 2 | RC- |
Block Diagram

Derating Curve

Output Derating VS Input Voltage




















