MEAN WELL PSPA-1000 Series 1000W with PFC and Parallel Function

Product Information
The PSPA-1000 series is a 1000W power supply with PFC (Power Factor Correction) and Parallel Function. It is available in four different models with DC voltages of 12V, 15V, 24V, and 48V. The power supply has a high efficiency of up to 94% and has various protection features such as OVP (Over Voltage Protection), OTP (Over Temperature Protection), and OCP (Over Current Protection). It also has Remote Sense and Remote ON-OFF Control functions.
Specifications
- DC Voltage: 12V, 15V, 24V, 48V
- Rated Current: 80A, 64A, 42A, 21A
- Ripple & Noise: 150mVp-p (max.)
- Efficiency: 92%-94%
- Input Voltage Range: 90-264VAC
- Frequency Range: 47-63Hz
- Power Factor: 0.95/230VAC, 0.99/115VAC at full load
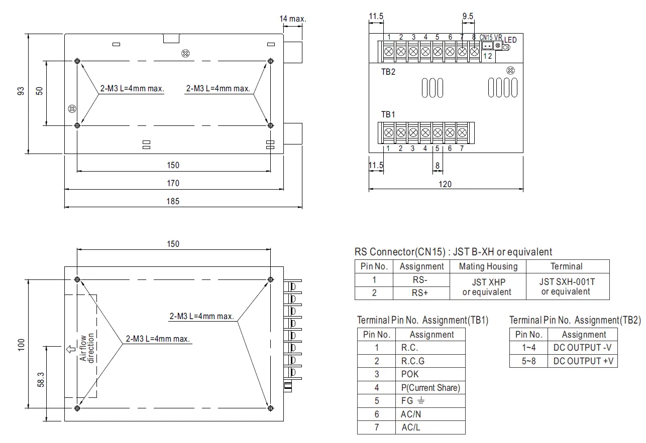
- Dimension: 170*120*93mm (L*W*H)
Product Usage Instructions
Before using the PSPA-1000 series power supply, please read the user manual carefully and follow the instructions provided. Here are some general usage instructions:
Remote Sense
If you are using the Remote Sense function, make sure to connect the RS+ and RS- terminals to your load. The sense lines should be twisted in pairs to minimize noise pick-up. The minimum load when using Remote Sense function is 5%.
Remote ON-OFF Control
The PSPA-1000 series power supply can be turned ON-OFF individually or along with other units by using the Remote ON-OFF function. To turn ON the power supply, switch the RC and RCG terminals to short. To turn OFF the power supply, switch the RC and RCG terminals to open.
POK Signal
The POK signal indicates the output status of the power supply. It can operate in two ways: sinking current from an external TTL signal or sending out a TTL voltage signal. The maximum sink current is 10mA and the maximum external voltage is 5.6V. Please refer to the user manual for more information on how to use the POK signal.
Parallel Operation
The PSPA-1000 series power supply has Parallel Functionality, which means that multiple units can be connected in parallel for higher output power. When connecting multiple units in parallel, make sure to use the same model and connect the RC, RCG, and FG terminals together. However, please note that the current shared among units may not be fully balanced.
Features
- Universal AC input / Full range Built-in active PFC function
- Protections: Short circuit / Overload / Over voltage. Over temperature
- Forced air cooling by built-in DC fan Current sharing up to 4000W(3+1) With DC OK Signal output Built-in remote ON-OFF control
- Built-in remote sense function 5 years warranty
Applications
- Factory control or automation apparatus
- Test and measurement instrument Laser-related machine Burn-in facility
- RF application
GTIN CODE
MW Search: https://www.meanwell.com/serviceGTIN.aspx
Description
PSPA-1 000 series is a 1KW single output enclosed type AC/DC power supply. This series operates from 90-264VAC input voltage and offers models with different rated voltage ranging between 12V and 48V. Thanks to high efficiency up to 94% and built-in fan, the entire series is able to work for -20°C~ +70°C ambient temperature. PSPA-1000 is equipped with various built-in functions, such as current sharing, remote ON-OFF control and remote sense, providing great design flexibility for different types of applications.
Model Encoding

SPECIFICATION


Block Diagram

Derating Curve

Output Derating VS Input Voltage

Function Manua
- Remote Sense
- The Remote Sense compensates voltage drop on the load wiring up to 0.5V.
- The minimum load is 5% when Remote Sense functions.

- Remote ON-OFF Control
- The power supply can be turned ON-OFF individually or along with other units by using the “Remote ON-OFF” function

- The power supply can be turned ON-OFF individually or along with other units by using the “Remote ON-OFF” function
- POK signal
- POK signal indicates the output status of the power supply. It can operate in two ways : One is sinking current from external TTL signal ; the other is
sending out a TTL voltage signal. - Sinking current from external TTL signal: The maximum sink current is 10mA and the maximum external voltage is 5.6V.

- POK signal indicates the output status of the power supply. It can operate in two ways : One is sinking current from external TTL signal ; the other is
- Current Sharing with Remote Sense
PSPA-1000 has the built-in active current sharing function and can be connected in parallel, up to 4 units, to provide higher output power as exhibited below : - The power supplies should be paralleled using short and large diameter wiring and then connected to the load.
- Difference of output voltages among parallel units should be less than 0.2V.
- The total output current must not exceed the value determined by the following equation:
Maximum output current at parallel operation=(Rated current per unit) X (Number of unit) X0.9
% When the total output current is less than 5% of the total rated current, or say (5% of Rated current per unít) X (Number of unit) the current shared among units may not be fully balanced.
For Remote Sense, please refer to “Remote Sense” section.
Mechanical Specification

Mounting Instruction


QR SCAN
INSTALLATION MANUAL
Please refer to: http://www.meanwell.com/manual.html
























