Mean Well RSP-500 Series 500W Single Output with PFC Function

Product Information
The RSP-500 series is a 500W single output power supply with PFC (Power Factor Correction) function. It is compliant with various safety standards such as AS/NZS62368-1, UL62368-1, CNS14336-1, BS EN/EN62368-1, and IEC62368-1. The product is also certified by TUV.
The RSP-500 series is available in different models with varying DC voltages and power ratings:
- RSP-500-3.3: 3.3V, 297W
- RSP-500-4: 4V, 360W
- RSP-500-5: 5V, 450W
- RSP-500-12: 12V, 500.4W
- RSP-500-15: 15V, 501W
- RSP-500-24: 24V, 504W
- RSP-500-27: 27V, 502.2W
The power supply has a wide input voltage range of 85 ~ 264VAC and 120 ~ 370VDC. It operates at a frequency range of 47 ~ 63Hz and has a power factor of over 0.95/230VAC or 0.98/115VAC at full load.
The typical input efficiency ranges from 81% to 89.5% depending on the model.
The RSP-500 series features adjustable output voltage ranges, line regulation, load regulation, setup time, rise time, and hold-up time. It also has low ripple and noise levels.
Product Usage Instructions
To use the RSP-500 series power supply, follow these instructions:
- Ensure that the input voltage is within the specified range of 85 ~ 264VAC or 120 ~ 370VDC.
- Connect the power supply to the appropriate electrical outlet or power source.
- Adjust the output voltage according to your requirements using the provided adjustment range for each model.
- Connect the load to the output terminals of the power supply.
- Ensure that the load does not exceed the rated current and power for the selected model.
- Check the line and load regulation values to ensure stable and accurate output voltage.
- Allow sufficient setup time for the power supply to stabilize after turning it on.
- In case of power interruption, the hold-up time specifies how long the power supply can maintain its output voltage without input power. Take this into consideration for your application’s requirements.
Refer to the user’s manual for more detailed instructions and safety precautions.
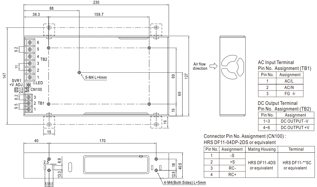
Dimension
Features
- Universal AC input / Full range
- Built-in active PFC function
- High efficiency up to 90.5%
- Forced air cooling by built-in DC fan (Note.5)
- Built-in remote ON-OFF control / remote sense / DC OK signal
- Protections: Short circuit / Overload / Over voltage/ Over temperature
- 3 years warranty
Applications
- Factory control or automation apparatus
- Test and measurement instrument
- Laser related machine
- Burn-in facility
- RF application
GTIN CODE
MW Search: https://www.meanwell.com/serviceGTIN.aspx
Description
RSP-500 is a 500W single output enclosed type AC/DC power supply. This series operates for 85~264VAC input voltage and offers the models with the DC output mostly demanded from the industry. Each model is cooled by the built-in fan with fan speed control, working for the temperature up to 70°C. Moreover, RSP-500 provides vast design flexibility by equipping various built-in functions such as remote ON-OFF control, remote sense, DC OK signal, etc.
Model Encoding / Order Information

SPECIFICATION
| MODEL | RSP-500-3.3 | RSP-500-4 | RSP-500-5 | RSP-500-12 | RSP-500-15 | RSP-500-24 | RSP-500-27 | RSP-500-48 | |
|
OUTPUT | DC VOLTAGE | 3.3V | 4V | 5V | 12V | 15V | 24V | 27V | 48V |
| RATED CURRENT | 90A | 90A | 90A | 41.7A | 33.4A | 21A | 18.6A | 10.5A | |
| CURRENT RANGE | 0 ~ 90A | 0 ~ 90A | 0 ~ 90A | 0 ~ 41.7A | 0 ~ 33.4A | 0 ~ 21A | 0 ~ 18.6A | 0 ~ 10.5A | |
| RATED POWER | 297W | 360W | 450W | 500.4W | 501W | 504W | 502.2W | 504W | |
| RIPPLE & NOISE (max.) Note.2 | 120mVp-p | 120mVp-p | 150mVp-p | 150mVp-p | 150mVp-p | 150mVp-p | 150mVp-p | 150mVp-p | |
| VOLTAGE ADJ. RANGE | 2.8 ~ 3.6V | 3.6 ~ 4.3V | 4.5 ~ 5.5V | 10 ~ 13.2V | 13.5 ~ 18V | 20 ~ 26.4V | 26 ~ 30V | 41 ~ 56V | |
| VOLTAGE TOLERANCE Note.3 | ±2.0% | ±2.0% | ±2.0% | ±1.0% | ±1.0% | ±1.0% | ±1.0% | ±1.0% | |
| LINE REGULATION | ±0.5% | ±0.5% | ±0.5% | ±0.3% | ±0.3% | ±0.2% | ±0.2% | ±0.2% | |
| LOAD REGULATION | ±1.0% | ±1.0% | ±1.0% | ±0.5% | ±0.5% | ±0.5% | ±0.5% | ±0.5% | |
| SETUP, RISE TIME | 1500ms, 80ms/230VAC 3000ms, 80ms/115VAC at full load | ||||||||
| HOLD UP TIME (Typ.) | 18ms/230VAC 14ms/115VAC at full load | ||||||||
|
INPUT | VOLTAGE RANGE Note.4 | 85 ~ 264VAC 120 ~ 370VDC | |||||||
| FREQUENCY RANGE | 47 ~ 63Hz | ||||||||
| POWER FACTOR (Typ.) | PF>0.95/230VAC PF>0.98/115VAC at full load | ||||||||
| EFFICIENCY (Typ.) | 81% | 83% | 84% | 88% | 88% | 89% | 89.5% | 90.5% | |
| AC CURRENT (Typ.) | 4.2A/115VAC 2.1 A/230VAC | 5.3A/115VAC 2.65 A/230VAC | |||||||
| INRUSH CURRENT (Typ.) | 20A/115VAC 40A/230VAC | ||||||||
| LEAKAGE CURRENT | <2mA / 240VAC | ||||||||
|
PROTECTION | OVERLOAD | 105 ~ 130% rated output power | |||||||
| Protection type : Constant current limiting, recovers automatically after fault condition is removed | |||||||||
| OVER VOLTAGE | 3.8 ~ 4.5V | 4.5 ~ 5.3V | 5.75 ~ 6.75V | 13.8 ~ 16.2V | 18.8 ~ 21.8V | 27.6 ~ 32.4V | 32.9 ~ 38.3V | 58.4 ~ 68V | |
| Protection type : Shut down o/p voltage, re-power on to recover | |||||||||
| OVER TEMPERATURE | Shut down o/p voltage, recovers automatically after temperature goes down | ||||||||
|
FUNCTION | REMOTE CONTROL | POWER ON:open or 0~0.8VDC between RC+(Pin 4)&RC-(Pin3) on CN100 POWER OFF: 4~10VDC between RC+(Pin 4)&RC-(Pin3) on CN100 | |||||||
| REMOTE SENSE | Compensate voltage drop on the load wiring up to 0.3V | ||||||||
| FAN CONTROL (Typ.) | RTH2≧50℃±10℃ Fan on ; RTH2≦40℃±10℃ Fan off (Fan always on for 3.3~5V,Fan ON/OFF control for 12~48V) | ||||||||
|
ENVIRONMENT | WORKING TEMP. | -30 ~ +70℃ (Refer to “Derating Curve”) | |||||||
| WORKING HUMIDITY | 20 ~ 90% RH non-condensing | ||||||||
| STORAGE TEMP., HUMIDITY | -40 ~ +85℃, 10 ~ 95% RH | ||||||||
| TEMP. COEFFICIENT | ±0.03%/℃ (0 ~ 50℃) | ||||||||
| VIBRATION | 10 ~ 500Hz, 2G 10min./1cycle, 60min. each along X, Y, Z axes | ||||||||
| SAFETY & EMC (Note.4) | SAFETY STANDARDS | UL62368-1, TUV BS EN/EN62368-1, AS/NZS 62368.1, EAC TP TC 004 , CCC GB4943.1 , BSMI CNS14336-1approved | |||||||
| WITHSTAND VOLTAGE | I/P-O/P:3KVAC I/P-FG:2KVAC O/P-FG:0.5KVAC | ||||||||
| ISOLATION RESISTANCE | I/P-O/P, I/P-FG, O/P-FG:100M Ohms / 500VDC / 25℃ / 70% RH | ||||||||
| EMC EMISSION | Compliance to BS EN/EN55032 (CISPR32) Class B, BS EN/EN61000-3-2,-3, EAC TP TC 020,GB/T 9254, CNS13438 Class B | ||||||||
| EMC IMMUNITY | Compliance to BS EN/EN61000-4-2,3,4,5,6,8,11, BS EN/EN55035, BS EN/EN61000-6-2, EAC TP TC 020 | ||||||||
| OTHERS | MTBF | 1372.4K hrs min. Telcordia SR-332 (Bellcore) ; 187.9K hrs min. MIL-HDBK-217F (25℃) | |||||||
| DIMENSION | 230*127*40.5mm (L*W*H) | ||||||||
| PACKING | 1.3Kg; 9pcs/12.7Kg/0.7CUFT | ||||||||
| NOTE | 1. All parameters NOT specially mentioned are measured at 230VAC input, rated load and 25°C of ambient temperature. 2. Ripple & noise are measured at 20MHz of bandwidth by using a 12″ twisted pair-wire terminated with a 0.1uf & 47uf parallel capacitor. 3. Tolerance: includes set up tolerance, line regulation and load regulation. 4. Derating may be needed under low input voltages. Please check the derating curve for more details. 5. Fan always on for 3.3~5V,Fan ON/OFF control for 12~48V. 6. The power supply is considered a component which will be installed into a final equipment. The final equipment must be re-confirmed that it still meets EMC directives. For guidance on how to perform these MC tests, please refer to “EMI testing of component power supplies.” (as available on http://www.meanwell.com) 7. The ambient temperature derating of 3.5°C/1000m with fanless models and of 5°C/1000m with fan models for operating altitude higher than 2000m(6500ft). ⅚ Product Liability Disclaimer : For detailed information, please refer to https://www.meanwell.com/serviceDisclaimer.aspx | ||||||||
Mechanical Specification

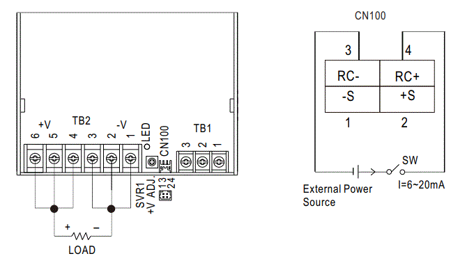
Block Diagram

Function Description of CN100
| Pin No. | Function | Description |
| 1 | -S | Negative sensing. The -S signal should be connected to the negative terminal of the load. The -S and +S leads should be twisted in pair to minimize noise pick-up effect. The maximum line drop compensation is 0.3V. |
| 2 | +S | Positive sensing. The +S signal should be connected to the positive terminal of the load. The +S and -S leads should be twisted in pair to minimize noise pick-up effect. The maximum line drop compensation is 0.3V. |
| 3 | RC- | Return for RC+ signal input. |
| 4 | RC+ | Turns the output on and off by electrical or dry contact between pin 4 ( RC+) and pin 3 (RC-). 0~0.8VDC or open: Power ON, 4~10VDC: Power OFF. |
Function Manual
- Remote Control
The PSU can be turned ON/OFF by using the “Remote Control” function.Between RC-(pin3) and RC+(pin4) on CN100 PSU Status SW OFF (0 ~ 0.8VDC) or open ON SW ON (4 ~ 10V) OFF 
- Remote Sense
The remote sensing compensates voltage drop on the load wiring up to 0.3V
File Name:RSP-500-SPEC 2022-09-20






















