systemair 36095 RVK 250E2-L SILEO 1PH Circular Duct Fan

Description
- Speed-controllable
- Integral thermal contacts acc. EN 60335-2-80
- Can be installed in any position
- Inclusive mounting bracket
- Maintenance-free and reliable
Technical parameters
| Nominal data | ||
| Voltage | 230 | V |
| Frequency | 50 | Hz |
| Phase | 1 | ~ |
| Input power (P1) | 159 | W |
| Current | 0,691 | A |
| Max. airflow | 0,3 | m³/s |
| R.p.m. | 2531 | r.p.m. |
| Capacitor | 4 | µF |
| Weight | 3,9 | kg |
| Temperature data | ||
| Max. temperature of transported air | 70 | °C |
| Max. temperature of transported air when speed-controlled | 70 | °C |
| Sound data | ||
| Sound pressure level at 3 m | 41,9 | dB(A) |
Energy class label
Energy class, basic unit

Energy class, unit with local demand control

EPS diagrams
Diagrams

Max efficiency
| Hydraulic data | ||||||||||
| Working air flow | 0,165 | m³/s | ||||||||
| Working static pressure | 319 | Pa | ||||||||
| Power | 156 | W | ||||||||
| Speed | 2550 | r.p.m. | ||||||||
| Current | 0,677 | A | ||||||||
| SFP | 0,942 | W/(l/s) | ||||||||
| Voltage | 230 | V | ||||||||
| Sound power level | 63 | 125 | 250 | 500 | 1k | 2k | 4k | 8k | Tot | |
| Inlet | dB(A) | 46 | 58 | 69 | 60 | 65 | 58 | 54 | 47 | 71 |
| Outlet | dB(A) | 49 | 57 | 57 | 59 | 64 | 59 | 54 | 45 | 67 |
| Surrounding | dB(A) | 16 | 30 | 43 | 40 | 46 | 39 | 30 | 21 | 49 |
Dimensions

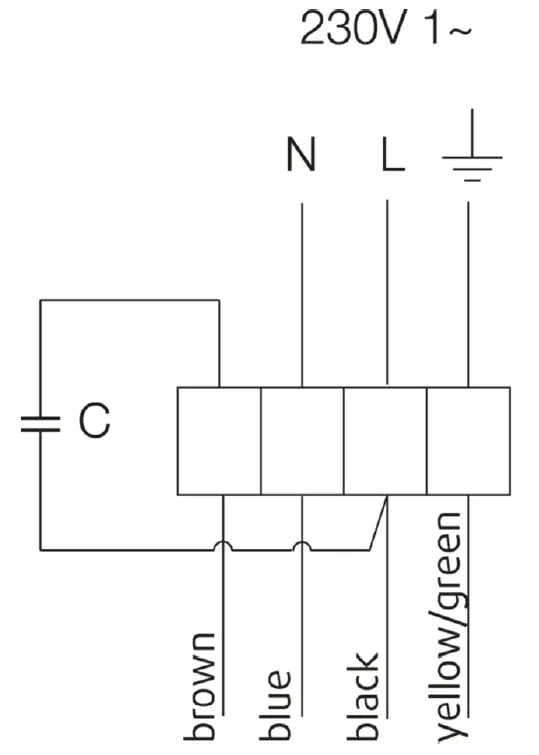
Wiring

Accessories
Electric accessories
- RE 1,5 Speed control (5000)
- REU 1.5 Speed control (5004)
- REE 1 Speed control (5314)
- STL 1.5 Speed controller (84251)
- REV-3POL/03 ON/OFF (33978)
- FRQS-E-6A (37419)
- FRQ5S-E-6A (37421)
Accessories
- CB 250-9,0 400V/3 Duct heater (5373)
- CB 250-3,0 230V/1 Duct heater (5385)
- VBF 250 Water heating battery (1733)
- CWK 250-3-2,5 Duct cooler,circ (30024)
- VBC 250-2 Water heating batt (5460)
- LDC 250-900 Silencer (5196)
- FFR 250 Filter cassette (1776)
- FGR 250 Filter cassette (1815)
- FK 250 Fast clamp (1612)
- VKK-250 Back draft damper (1627)
- RSK-250 Back draft damper (5603)
- SG 250 Protection guard (5610)
- VK-25 Louvre shutter (5640)
- CBM 250-6,0 400V/2 Duct heater (9089)
- VBC 250-3 Water heating batt (9843)
- CB 250-6,0 400V/2 Duct heater (5372)
Documentation
- manual_rvk_en_002.pdf (3,32MB)
- PP compound (30% glass fibre content).pdf (133,21kB)
- eu declaration of conformity_rvk_en_001.pdf (47,90kB)
- rvk250_kpl.dxf (816,23kB
Specification text
RVK 250E2-XL Circular duct fan made of plastic. DN 250, 230V/50Hz, 1~, plastic casing Circular duct fan for easy and direct installation in ducts. The
casing is manufactured from polyamide with 10% glass fibre content. Circular connection spigot, length 25mm, acc. to EN1506:1997 Free-running,
backward curved centrifugal impeller made of plastic. Balancing made to G 6.3, motor compl. with impeller statically and dynamically balanced in
two planes acc. to DIN ISO 1940 T.1. Voltage controllable external rotor motor, maintenance-free, the motor is placed inside the air flow for cooling.
Integral thermal contacts with manual reset acc. to EN 60335-2-80, speed-controlled via a 5-step transformer or a stepless thyristor. Silent, long-life
ball bearings. Terminal box on the casing Mounting bracket included in delivery (unmounted). For indoor installation. Installation in any mounting
position. PRODUCT: SYSTEMAIR TYPE: RVK 250E2-XL Item no. 30901
Get In Touch
- Call: 0845 6880112
- Email: [email protected]



















