
systemair 36094 RVK 200E2-L SILEO 1PH Circular Duct Fan product

Description
- Speed-controllable
- Integral thermal contacts acc. EN 60335-2-80
- Can be installed in any position
- Inclusive mounting bracket
- Maintenance-free and reliable
The RVK sileo series is designed for installation in ducts. The casing is manufactured from PP fiberglass reinforced plastic which gives the fan a less leckage casing. Duct connected wet room applications of the fan are possible due to the air tight casing and the IP 44 rated terminal box. We recommend a period of continued ventilation with dry air for wet room applications.The fans have high effective backward-curved blades (* BAT with special geometry) and external rotor motors. The FK mounting clamp facilitates easy installation and removal, and prevents the transfer of vibration to the duct. The fans can be speed-controlled via a steeples thyristor or a 5-step transformer. To protect the motor from overheating the models have integrated thermal contacts with manual reset.
Technical parameters
Nominal data | ||
| Voltage | 230 | V |
| Frequency | 50 | Hz |
| Phase | 1 | ~ |
| Input power (P1) | 153 | W |
| Current | 0,672 | A |
| Max. airflow | 0,28 | m³/s |
| R.p.m. | 2533 | r.p.m. |
| Capacitor | 4 | µF |
| Weight | 3,9 | kg |
| Temperature data | ||
| Max. temperature of transported air | 70 | °C |
| Max. temperature of transported air when speed-controlled | 55 | °C |
| Sound data | ||
| Sound pressure level at 3 m | 44,9 | dB(A) |

Energy class label
Energy class, basic unit

Energy class, unit with local demand control

EPS diagrams
Diagrams


Max efficiency


Dimensions


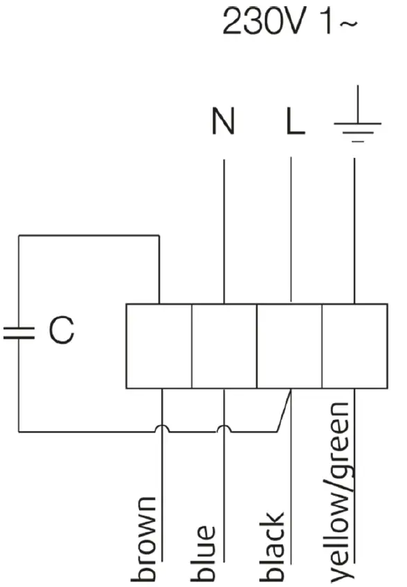
Wiring

Accessories
Electric accessories
- RE 1,5 Speed control (5000)
- REU 1.5 Speed control (5004)
- REE 1 Speed control (5314)
- STL 1.5 Speed controller (84251)
- REV-3POL/03 ON/OFF (33978)
- FRQS-E-6A (37419)
- FRQ5S-E-6A (37421)
Accessories
- CB 200-3,0 230V/1 Duct heater (5370)
- CB 200-2,1 230V/1 Duct heater (5384)
- CBM 200-5,0 400V/2 Duct heater (5483)
- VBF 200 Water heating battery (1732)
- CWK 200-3-2,5 Duct cooler,circ (30023)
- VBC 200-2 Water heating batt (5459)
- LDC 200-600 Silencer (5194)
- LDC 200-900 Silencer (5195)
- FFR 200 Filter cassette (1773)
- FGR 200 Filter cassette (1812)
- FK 200 Fast clamp (1611)
- VKK-200 Back draft damper (1626)
- IGK-200 Wall Grid (1633)
- RSK-200 Back draft damper (5602)
- SG 200 Protection guard (5609)
- VK-20 Louvre shutter (5639)
- VBC 200-3 Water heating batt (9841)
- CB 200/S1/3,0KW 400V/2Duct hea (5294)
- CB 200-5,0 400V/2 Duct heater (5371)
Documentation
- manual_rvk_en_002.pdf (3,32MB)
- PP compound (30% glass fibre content).pdf (133,21kB)
- rvk200_kpl.dxf (793,52kB)
Specification text
RVK 250E2-XL Circular duct fan made of plastic. DN 250, 230V/50Hz, 1~, plastic casing Circular duct fan for easy and direct installation in ducts. The casing is manufactured from polyamide with 10% glass fibre content. Circular connection spigot, length 25mm, acc. to EN1506:1997 Free-running, backward curved centrifugal impeller made of plastic. Balancing made to G 6.3, motor comply. with impeller statically and dynamically balanced in two planes acc. to DIN ISO 1940 T.1. Voltage controllable external rotor motor, maintenance-free, the motor is placed inside the air flow for cooling. Integral thermal contacts with manual reset acc. to EN 60335-2-80, speed-controlled via a 5-step transformer or a steeples thyristor. Silent, long-life ball bearings. Terminal box on the casing Mounting bracket included in delivery (unmounted). For indoor installation. Installation in any mounting position. PRODUCT: SYSTEMAIR TYPE: RVK 250E2-XL Item no. 30901
Puravent, Adremit Limited, Unit 5a, Commercial Yard, Settle, North Yorkshire, BD24 9RH
Call: 0845 6880112
Email: [email protected]



















