
1-10V Dimmer
Model: E610

![]()
Mounting & Dismounting Instructions

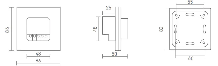
Product Size
Unit: mm

Technical Specs
E610 1-10V Dimmer
| Anti Surge: | ≤50A / 0.1S |
| Working Temp.: | -10 ~55 °C °C |
| Dimensions(L×W×H): | 106×106×60(mm) |
| Package Size(L×W×H): | 106×106×60(mm) |
| Weight(G.W.): | 220g |
Key Functions

※Turn the knob clockwise, the brightness increases.
※Turn the knob counterclockwise, the brightness decreases. Turn the knob counterclockwise to the end, the dimmer will be turned off(A click can be heard).
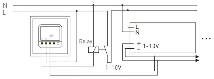
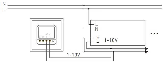
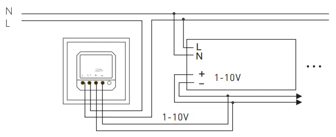
Terminals

Wiring Diagram
- Dimming

- Built-in power switch

※An external high-power relay switch is needed when the total load current of the dimmer switch is more than 5A or the inrush current is more than 50A/0.1S. The damaged dimmer switch resulting from the overload current is not recovered by warranty. - External Relay Switch Connection

※This manual is subject to changes without further notice. Product functions depend on the goods. Please feel free to contact our official distributors if you have any questions.
www.ltech-led.com
Update Time: 28/08/2020_A2
E610 1-10V Dimmer




















