LTECH E610P-RF 0-10V Wireless Dimmer

System diagram

Product features
- Active 0-10V signal output dimming controller.
- 100-240Vac power supply, simple connection, convenient control.
- 0-10V output dimming signals can be controlled either by a knob panel or a wireless RF remote.
- Work with L-BUS gateway to control the panel to dim remotely.
- The built-in relay switch can be used to cut off the power line and is also suitable for occasions, where lights can not be turned off completely.
Note: This model of the controller only receives RF wireless signal control and has no RF transmission function.
Technical specs

Key functions

Terminals

Turn the knob clockwise, the brightness increases. Turn the knob counterclockwise, the brightness decreases. Turn the knob counterclockwise to
the end, the dimmer will be turned off(A click can be heard).
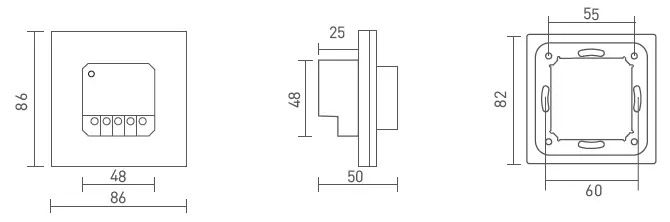
Product size Unit: mm

Mounting & Dismounting Instructions

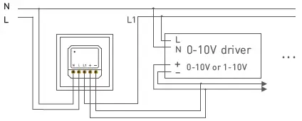
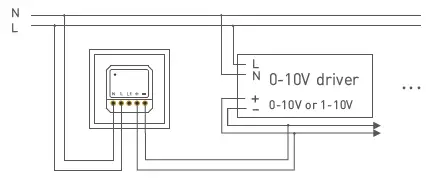
Application composition

Wiring diagram
Dimming
Built-in power switch

An external high-power relay switch is needed when total load current of the dimmer switch is more than 5A or inrush current is more than 50A/0.1S. The damaged dimmer switch resulting from overload current is not recovered by warranty.
External Relay Switch Connection

Match code between panel & remote

- Automatically exit pairing mode after 15s.
- One E610P-RF can be paired up with max 10 remotes.
Match code between panel & gateway

Clear code

Warranty Agreement
Thanks for your purchase. Our products offer a 5-year warranty and you can enjoy free maintenance services within 5 years from the date of receiving products. Please contact your suppliers before sending products back to repair.
Warranty exclusions below
- Any failure or damage of products caused by improper installation, operation, maintenance, and storage, results from failing to follow manuals.
- Beyond warranty periods.
- Alter or tear up product bar codes without authorization.
- Change configuration files of products or dismantle products for repair without authorization.
- Artificial damage of products, such as Improper voltage, high temperature, water damage, mechanical damage, smash, serious oxidation, and rust.
- Failures or damage of products caused by force majeure, such as earthquake, fire disaster, flood, and electric shock.
- Failures or damage of products are not caused by product designs, technology, manufacturing, or quality.
This manual is subject to changes without further notice. Product functions depend on the goods. Please feel free to contact our official distributors if you have any questions.



















