Powering Business Worldwide
RF9643-N – Z-Wave Plus™ Wireless Universal Dimmer – For dimmable LED/CFL/ INC/ MLV/ ELV/HAL/FLR
RF9642-Z – Z-Wave Plus™ Accessory Dimmer – For multi-locations (when used with RF9643-N)
WARNINGS AND CAUTIONS:

- Turn the circuit breaker to the OFF position or remove the fuse(s) and test that power is OFF before the installation process.
- Never wire any electrical device with the power turned ON. Wiring dimmer HOT may cause permanent damage to dimmer and void warranty.
- If you are not sure about any part of these instructions, please contact a licensed electrician.
IMPORTANT: Z-Wave Plus Wireless Universal Dimmer will not work or will become damaged if
wired incorrectly and the warranty will be voided. Refer to wiring instructions provided. - Use only with 120V/AC 60 Hz.
- Do not exceed the maximum rating of dimmer as indicated on the device.
- Must be installed and used in accordance with all national and local electrical codes.
- If a bare copper or green ground connection is not available in the wall box, contact a licensed electrician for installation.
- Use only #14 or #12 copper wire rated for at least 75º C with these devices.
DO NOT USE WITH ALUMINUM WIRE.
NOTES:
- The Z-Wave Plus Wireless Universal Dimmer is wired directly to the light fixture.
- For Multi-location applications refer to the wiring diagrams.
- The Z-Wave Plus Accessory Dimmer communicates via RF signals to control the light from more than one location.
- For multi-location control use Z-Wave Plus Wireless Universal Dimmer (RF9643-N) direct-wired to the light along with Z-Wave Plus Accessory Dimmer (RF9642-Z) or regular 3-way switch. The Z-Wave Plus Accessory Dimmer does not require a direct connection to the light.
- This product can be operated in any Z-Wave™ network with other Z-Wave certified devices from other manufacturers. All mains operated nodes within the network will act as repeaters regardless of vendor to increase the reliability of the network.
- SmartStart enabled products can be added into a Z-Wave network by scanning the Z-Wave QR Code present on the product with a controller providing SmartStart inclusion. No further action is required and the SmartStart product will be added automatically within 10 minutes of being switched on in the network vicinity.
- The Z-Wave Plus Device Specific Key (DSK) is required when adding the Z-Wave Plus Universal Dimmer RF9643-N to a Z-Wave network with a controller supporting Security 2 (S2). The DSK can be located on the card insert in the box.
NOTE: In order to create the wireless 3-way with the Z-Wave Plus Accessory Dimmer (RF9642-Z), the Z-Wave hub/controller must support Associations.
Z-WAVE DEVICE NETWORK INSTRUCTIONS:
- This product may be added to a new or existing Z-Wave network. An Eaton Wiring Devices Z-Wave device has a blue LED, which will blink when the device is not included in a Z-Wave network. The LED stops blinking when the device is in a network.
- This product works with other Z-Wave products from different vendors and product categories as part of the same network.
- This product is a listening node and it will act as a repeater in the Z-Wave network. It will perform the repeater function with
Z-Wave products from Eaton and from other Z-Wave vendors. - This secure Z-Wave Plus device will only associate with other security devices based on the Z-Wave controller it’s being used with.
Please refer to the instructions provided with the controller for more details.
Adding Z-Wave Plus Wireless Universal Dimmer to a Z-Wave Network:
- To include this device in a Z-Wave network, select the command on your Z-Wave controller for inclusion (Install, Add Device, Add Node, Include Device, etc.). Then press the device ON/OFF switch one time to include it in the network.
- Based on the controller, the controller may ask you to scan the QR code on the device or manually enter 5 digit code under the QR code to install the device as a secured device. You may find this QR code on the device or include it in device packaging.
- After the Device is added to the network, the LED will stop blinking. This indicates the device is installed in the Z-Wave network.
Removing Z-Wave Plus Wireless Universal Dimmer from a Z-Wave Network:
- To exclude this device from a Z-Wave network, select the setting on your Z-Wave controller for exclusion (Uninstall, Remove Device, Remove Node, Exclude Device, etc.).
- Once your controller is in exclusion mode, press the device ON/OFF switch one time to exclude it from the network. The LED will start blinking.
Operating Instructions:
- Press the ON/OFF button once to turn the lights ON at the previously selected level.
- Press the ON/OFF button again to turn the lights OFF.
- When lights are OFF, press and hold the ON/OFF button for 2 seconds for full brightness of overhead light.
- Delayed OFF: When overhead lights are ON, press and hold ON/OFF button for 2 seconds until the blue LED blinks. After the preset delay, the lights will begin fading to OFF (Default present delay is 10 seconds; you can configure this through a compatible Z-Wave controller for up to 2 minutes).
Please refer to the configuration parameters table. - Amber ON/OFF LED indicates that dimmer is turned ON (Default).
Dimming Level Adjustment (RF9643-N only)
For maximum compatibility with different load types, RF9643-N allows the user to set the minimum dim level or low-end trim.
Also to save on power consumption RF9643-N allows the user to set the maximum dim level or high-end trim.
- After adding the dimmer to a network, press the ON/OFF button to turn ON the overhead light.
- Press and hold the ON/OFF button for five seconds until the blue indicator LEDs begin to cycle rapidly (Notice – After two seconds blue indicator LEDs will start to flash indicating activation of the ‘delayed OFF’ feature. Continue to hold the ON/OFF button for three additional seconds until the blue indicator LEDs begin to cycle rapidly.)
- Once the indicator LEDs start cycling, release the ON/OFF button. Dimmer will set the light to the previously saved minimum level. During the initial setup, the light will be set to the factory minimum default.
- Press either the BRIGHTEN or DIM buttons to change the minimum level until the light output is acceptable.
- Once the light output is acceptable, press the ON/OFF button once. Blue indicator LEDs will start to cycle rapidly again and the dimmer light will go to the previously saved maximum level.
- Press either the BRIGHTEN or DIM buttons to change the maximum level until the light output is acceptable.
- Press the ON/OFF button once, LED will flash indicating completion of programming.
Note – The user could ignore setting max or min while programming by pressing the ON/OFF button without changing the light level.
Rapid start feature (RF9643-N only):
This feature ensures that LED/CFL lights turn on when the dimmer preset level is low. With this setting enabled, the lights may momentarily come ON brighter than the preset level (less than one second) and then dim down to the preset level. Depending on the type of light used, this feature may not be needed. To enable/disable the feature, turn the lights ON. Press and hold the ON/OFF button for 10 seconds until the blue indicator LEDs flash for the third time, then release the button. This feature is disabled by default.
Changing LED Indicator brightness: (RF9643-N & RF9642-Z):
This feature allows the change of the brightness of the blue LED indicators on the device. There are 5 levels (including fully OFF and full brightness) to change the LED indicator brightness level either while the device is in an ON or OFF state.
Changing the LED indicator brightness when the device is in an ON state:
- Turn the overhead light ON.
- Press and hold the ON/OFF button for 15 seconds till the LED indicator flashes for the fourth time. (second time for RF9642-Z)
- Release the ON/OFF button.
- Use the BRIGHTEN or DIM button to change the LED indicator level (it will cycle between the five levels).
- Once the brightness level is selected, double-tap on the ON/OFF button and this value will be saved.
Changing the LED indicator brightness when the device is in an OFF state: - Turn the overhead light OFF.
- Press and hold the ON/OFF button for 15 seconds till the LED indicator flashes for the second time.
- Release the ON/OFF button.
- Use the BRIGHTEN or DIM button to change the LED indicator level (it will cycle between the five levels).
- Once the brightness level is selected, double-tap on the ON/OFF button and this value will be saved.
Local Reset (RF9643-N & RF9642-Z) (Please use this procedure only when the network primary controller is missing or otherwise inoperable). The device could be reset locally. This will cause the device to be excluded from its network and restored to factory default.
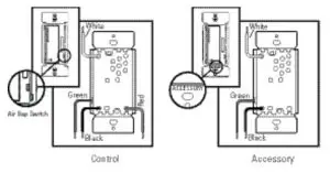
Switch Identification
Single Location Control Installation (requires one Dimmer)
Two Location Control Installation
(One Dimmer and One Accessory Dimmer)

Note: Please use a compatible Z-Wave controller which supports the association
Two Location Control Installation (One Dimmer and 3-way switch using Hotwire)
Two Location Control Installation
(One Dimmer and 3-way switch using Neutral wire)

Before leaving the network the dimmer will send a notification to the controller indicating its departure from the Z-Wave network.
- Turn the device ON.
- Press and hold the ON/OFF button for 20 seconds till the LED flashes for the fifth time. (third time for RF9642-Z)
- Release the ON/OFF button.
- LED will start flashing rapidly. Once the LED starts blinking slowly, that indicates the device is not part of the network.
Configuration parameters:
| RF9643-N | ||
Parameter | Description | Value |
| 1 | Delayed OFF Time | 0 to 127 secs |
| 2 | Panic ON Time | 0 to 127 secs |
| 3 | Panic OFF Time | 0 to 127 secs |
| 4 | Not Used | N/A |
| 5 | Power Up State | 1=OFF 2= ON 3 = Last State |
| 6 | Panic Mode Enable | 0=OFF 1=ON |
| 7 | Dimmer Ramp Time | 0 to 127 secs |
| 8 | Kickstart Enable/Disable | 0 Disables 1 Enables |
| 9 | Reset Max/Min Levels to factory default | 0 |
| 10 | Not Used | N/A |
| 11 | Set Minimum Dimming Level | 1 to 99 |
| 12 | Set Maximum Dimming Level | 1 to 99 |
| 13 | BLUE LED Brightness Level while the dimmer is ON | 0-4 |
| 14 | BLUE LED Brightness Level while the dimmer is OFF | 0-4 |
| 15 | Amber LED Brightness Level while the dimmer is ON | 0-4 |
| 16 | Amber LED Brightness Level while the dimmer is OFF | 0-4 |
Wattage Ratings
| Load Type | Single Gang | 2-Gang | 3-Gang | |
| RF9643-N | INC/ELV/FLR/HAL/MLV | 600W | 550W | 500W |
| CFL/LED | 300W | 300W | 300W |
| RF9642-Z | ||
Parameter | Description | Value |
| 1 | Delayed OFF Time | 0 to 127 secs |
| 2 | Panic ON Time | 0 to 127 secs |
| 3 | Panic OFF Time | 0 to 127 secs |
| 4 | N/A | N/A |
| 5 | Power Up State | 1=OFF 2= ON 3 = Last State |
| 6 | Panic Mode Enable | 0=OFF 1=ON |
| 7 | Dimmer Ramp Time | 0 to 127 secs |
| 8-12 | Not Used | N/A |
| 13 | BLUE LED Brightness Level while the dimmer is ON | 0-4 |
| 14 | BLUE LED Brightness Level while the dimmer is OFF | 0-4 |
| 15 | Amber LED Brightness Level while the dimmer is ON | 0-4 |
| 16 | Amber LED Brightness Level while the dimmer is OFF | 0-4 |
| Association groups supported: | |
| Group 1 (lifeline) | 5 node maximum |
| Group 2 (ON/OFF) | 5 node maximum |
| Group 3 (DIM Up/ DIM Down) | 5 node maximum |
| Troubleshooting Guide | ||
Symptoms | Possible Cause | Solution |
| The device doesn’t function. All LEDs are OFF | A) Circuit breaker is Open or tripped B) Air Gap switch on the dimmer is pulled out to the OFF position C) Improper wiring D) Defective dimmer | A) Turn ON/Close the circuit breaker B) Push in the air gap switch on the dimmer C) Check and correct wiring D) Replace dimmer |
| Erratic operation or flickering LEDs | A) Loose wiring connections B) Low dim setting (RF9643-N) | A) Check wiring and follow instructions provided with the device B) Set minimum brightness to a higher level (RF9643-N) |
| Lights turn ON after a long delay | A) Rapid start feature is disabled (RF9643-N) B) Low dim setting (RF9643-N) | A) Enable rapid start feature (RF9643-N) B) Set minimum brightness to a higher level (RF9643-N) |
| The device functions normally using the dimmer push buttons but not from the Z-Wave controller and one of the blue LEDs blink ON and OFF about once per second | Dimmer is not included in the Z-Wave network | Include dimmer in a Z-Wave network using a Z-Wave controller. Refer to the Z-Wave controller user manual for installation instructions |
| The device function normally but can’t add device to the Z-Wave network and LED is blinking | A) The device is far from the controller B) Not following the instructions of how to add a device to a network | A) Start the installation process with the devices closer to the controller first B) Refer to the controller manual |
| The device functions normally using the dimmer push buttons but not from the Z-Wave controller and no LEDs are blinking | The controller can’t communicate with the device | Go through the Local Reset procedure and re-add the device to the network |
| The device functions normally both locally and from a Z- Wave controller but can’t be controlled from a dimmer accessory switch (RF9642-Z) or another Z-Wave device | The dimmer accessory or other Z-Wave device is not associated with the dimmer you wish to control | Create an association between the dimmer accessory or other device and the dimmer. Refer to your Z-Wave controller user manual for details |
| Dimmer is warm to touch after a period of time | This is normal | No action required |
FCC STATEMENT
This device complies with Part 15 of the FCC Rules. Operation is subject to the following two conditions:
1: This device may not cause harmful interference, and
2: This device must accept any interference received, including interference that may cause undesired operation.
NOTE: This equipment has been tested and found to comply with the limits for a Class B digital device, pursuant to Part 15 of the FCC Rules. These limits are designed to provide reasonable protection against harmful interference in a residential installation. This equipment generates, uses, and can radiate radio frequency energy and, if not installed and used in accordance with the instructions, may cause harmful interference to radio communications. However, there is no guarantee that interference will not occur in a particular installation. If this equipment does cause harmful interference to radio or television reception, which can be determined by turning the equipment off and on, the user is encouraged to try to correct the interference by one or more of the following measures:
- Reorient or relocate the receiving antenna.
- Increase the separation between the equipment and receiver.
- Connect the equipment into an outlet on a circuit different from that to which the receiver is connected.
- Consult the dealer or an experienced radio/TV technician for help.
FCC CAUTION:
Any changes or modifications not expressly approved by Eaton Wiring Devices could void the user’s authority to operate the equipment This device complies with Industry Canada’s license-exempt RSS. Operation is subject to the following two conditions:
(1) This device may not cause interference; and
(2) This device must accept any interference, including interference that may cause undesired operation of the device.
EATON WIRING DEVICES LIMITED 2 YEAR WARRANTY
Eaton Wiring Devices warrants its Dimmer to be free of defects in materials and workmanship in normal use and service for a period of two years from the date of original purchase. THIS TWO (2) YEAR LIMITED WARRANTY IS IN LIEU OF ALL OTHER WARRANTIES, OBLIGATIONS, OR LIABILITIES, EXPRESSED OR IMPLIED (INCLUDING ANY IMPLIED WARRANTY OF MERCHANTABILITY OR FITNESS FOR A PARTICULAR PURPOSE THAT IS IN DURATION IN EXCESS OF TWO YEARS FROM THE DATE OF ORIGINAL CONSUMER PURCHASE). NO AGENT, REPRESENTATIVE, OR EMPLOYEE OF EATON HAS THE AUTHORITY TO INCREASE OR ALTER THE OBLIGATIONS OF EATON UNDER THIS WARRANTY. To obtain warranty service for any properly installed Eaton Dimmer that proves defective in normal use send the defective Dimmer prepaid and insured to Quality Control Dept., Eaton Wiring Devices, 203 Cooper Circle, Peachtree City, GA 30269; in Canada: Eaton Wiring
Devices, 5925 McLaughlin Road, Mississauga, Ontario L5R 1B8. Eaton will repair or replace the defective unit, at its option. Eaton will not be responsible under this warranty if the examination shows that the defective condition of the unit was caused by misuse, abuse, improper installation, alteration, improper maintenance, or repair of damage in shipment to Eaton. EATON SHALL HAVE NO RESPONSIBILITY FOR INSTALLATION OF THE DIMMER, OR FOR ANY PERSONAL INJURY, PROPERTY DAMAGE, OR ANY SPECIAL, INCIDENTAL, CONTINGENT, OR CONSEQUENTIAL DAMAGES OF ANY KIND, RESULTING FROM DEFECTS IN THE DIMMER OR FOR BREACH OF ANY EXPRESS OR IMPLIED WARRANTY ON THIS PRODUCT. THE EXCLUSIVE REMEDY FOR BREACH OF THE LIMITED WARRANTY CONTAINED HEREIN IS THE REPAIR OR REPLACEMENT OF THE DEFECTIVE PRODUCT AT EATON’S OPTION. IMPLIED WARRANTIES (IF ANY) INCLUDING, BUT NOT LIMITED TO IMPLIED WARRANTIES OF FITNESS FOR A PARTICULAR PURPOSE AND MERCHANTABILITY, ARE LIMITED IN DURATION TO A PERIOD ENDING TWO YEARS FROM THE DATE OF ORIGINAL CONSUMER PURCHASE. IN NO CASE SHALL EATON’S LIABILITY UNDER ANY OTHER REMEDY PRESCRIBED BY LAW EXCEED THE PURCHASE PRICE. Some states do not allow the exclusion or limitation of incidental or consequential damages or allow disclaimers or modifications of or limitations on how long an implied warranty lasts, so the above limitations may not apply to you. Some Canadian provinces do not allow exclusion or variance of Implied warranties so
that some or all of the above limitations may not apply to you. This warranty gives you specific legal rights and you may also have other rights which vary from state to state and province to province.
Read the enclosed instructions carefully. If you have any questions concerning the use or care of this product, please write Consumer Service Division, Eaton Wiring Devices, 203 Cooper Circle, Peachtree City, GA 30269.
www.eaton.com
www.eaton.com/wiringdevices
EIS-0240-EFS (REV.B)

















