NICE IS0843A00EN Dimmer Control

WARNINGS AND GENERAL PRECAUTIONS
- CAUTION! – This manual contains important instructions and warnings for personal safety. Carefully read all parts of this manual. If in doubt, suspend installation immediately and contact Nice Technical Assistance.
- CAUTION! – Important instructions: keep this manual in a safe place to enable future product maintenance and disposal pro-cedures.
- CAUTION! – All installation and connection operations must be performed exclusively by suitably qualified and skilled person-nel with the unit disconnected from the mains power supply.
- CAUTION! – Any use other than that specified herein or in environmental conditions other than those stated in this manual is to be considered improper and is strictly forbidden!
- The product’s packaging materials must be disposed of in full compliance with local regulations.
- Never apply modifications to any part of the device. Operations other than those specified may only cause malfunctions. The manufacturer declines all liability for damage caused by makeshift modifications to the product.
- Never place the device near to sources of heat and never expose to naked flames. These actions may damage the product and cause malfunctions.
- This product is not intended for use by people (including children) with reduced physical, sensory or mental capabilities or who lack experience and knowledge, unless they have been given supervision or instruction concerning the use of the product by a person responsible for their safety.
- Make sure that children do not play with the product.
- The device is designed to operate in electrical home installation. Faulty connection or use may result in fire or electric shock.
- Even when the device is turned off, voltage may be present at its terminals. Any maintenance introducing changes into the configuration of connections or the load must be always performed with disabled fuse.
PRODUCT DESCRIPTION
Remotely controlled light dimming module is designed to work with various types of light sources. It may be connected to two-wire or three-wire configuration so it can operate with or without neutral lead. Dimmer-Control can switch or dim connected light source either through radio waves or through the wall switch connected directly to it.
New Dimmer-Control is equipped with an algorithm of smart light source detection which makes configuration easier and ensures high com-patibility of the device. It may be used as a switch with non-dimmable light sources (in 3-wire connection).
Main features of Dimmer-Control:
- Compatible with any Z-Wave™ or Z-Wave Plus™ Controller,
- Controlled by Yubii Home Center or any other Z-Wave controller,
- Advanced microprocessor control,
- Implemented algorithm of smart light source detection,
- Auto-adjustment of the appropriate control mode to connected load,
- Active power and energy metering functionality,
- Soft start function,
- Memory of the last lighting level settings,
- Works with various types of switches – momentary, toggle, three-way, etc.
- Active element: semiconductor electronic switch,
- To be installed in wall switch boxes of dimensions allowing for installation, conforming to provisions of applicable regulations,
- Dimmer-Control is an extension unit.
Dimmer-Control is a fully compatible Z-Wave Plus™ device.
This device may be used with all devices certified with the Z-Wave Plus certificate and should be compatible with such devices produced by other manufacturers. All non-battery operated devices within the network will act as repeaters to increase reliability of the network. The device is a Security Enabled Z-Wave Plus product and a Security Enabled Z-Wave Controller must be used in order to fully utilize the product.
SUPPORTED LOADS
As a dimmer it operates under the following loads:
- 230V operated conventional incandescent and halogen light sources
- 12V operated ELV halogen lamps and dimmable LED bulbs (with electronic transformers)
- 12V operated MLV halogen lamps (with ferromagnetic transformers)
- dimmable LED bulbs
- dimmable compact fluorescent CFL tube lamps
- supported dimmable light sources (power factor > 0.5) with minimal power of 5VA using LED Adaptor (depending on the type of load)
Without dimming function, it may work with:
- compact fluorescent CFL tube lamps with electronic ballast
- fluorescent tube lamps with electronic ballast
- LED bulbs (power factor > 0.7)
- supported light sources (power factor > 0.5) with minimal power of 5VA using LED Adaptor (depending on the type of load)
Applied load and Dimmer-Control itself may be damaged if the applied load is inconsistent with the technical specifications!
When connecting Dimmer-Control act in accordance with the following rules:
- Do not connect loads greater or less than those recommended,
- Do not connect different types of light sources simultaneously,
- Do not connect the power supply without a load,
- Do not connect more than one transformer with Dimmer-Control output,
- When using magnetic transformer load it with 50% of its nominal power at minimum,
- Minimize number of electronic transformers in a circuit, noises caused by them in electrical grids may affect Dimmer’s operation.
Caution. Dimmer-Control supports only compact fluorescent tube lamps and fluorescent tube lamps with electronic ballast. Do not connect other types of fluorescent lamps!
Dimmer-Control uses different operating modes to control following types of loads:
- “Trailing edge” for resistive loads (R)
- “Trailing edge” for resistive-capacitive loads (RC)
- “Leading edge” for resistive-inductive loads (RL)
Note. Some types of the LED bulbs and compact fluorescent lamps are designed to work in leading edge operating mode.
| Table A1 – Recommended values of power for supported loads | ||
| Supported load types | 220-240V~ | |
![]() | Resistive loads Conventional incandescent and halogen light sources | 50-250W |
|
| Resistive-capacitive loads Fluorescent tube lamp (com- pact / with electronic ballast), electronic transformer, LED | 50-200VA |
![]() | Resistive-inductive loads Ferromagnetic transformers | 50-220VA |
4 LED ADAPTOR
LED Adaptor is a device designed to work with Dimmer-Control. It should be used in case of connecting LED bulbs or energy saving compact fluorescent lamps. LED Adaptor prevents flickering of the LED lights and glowing of the turned off compact fluorescent lamps.
In the case of 2-wire connection, LED Adaptor allows to reduce minimum power of load required by Dimmer-Control for correct operation. The LED Adaptor provides powering of Dimmer-Control in case of controlling the low loads of minimum power down to 5VA (for cosφ>0.5).
- Dimmer-Control was designed to work only with the LED Adaptor. Connecting other devices may cause damage to Dimmer-Control.
- In the case of 2-wire connection do not connect load below minimal power without the LED Adaptor.
- LED Adaptor works only with Dimmer-Control in trailing edge mode. Do not connect the LED Adaptor to the Dimmer operating in leading edge mode.
- LED Adaptor is sensitive to the frequent changes of the state of Dimmer-Control (alternate switching on and off).Significant changes in brightness should not be performed more than once per second.
Device installation:
- Switch off the mains voltage (disable the fuse).
- Connect the LED Adaptor in accordance with Wiring Diagram 3.
- Follow Dimmer-Control installation.
- Force the calibration procedure with LED Adaptor using RED menu position or through setting parameter 13 to 2.
LED Adaptor specifications:
| Table A2 – LED Adaptor technical details | |
| Power supply | 100-240 V AC, 50/60 Hz |
| Operational temperature | 0-35°C |
| Dimensions (L x W x H) | 31 mm x 22 mm x 13 mm |
| Power consumption | < 1.4 W |
| Load rated current | 0.05–1.1 A |
INSTALLATION
Danger of electrocution!
Dimmer-Control is designed to operate in electrical home installation. Faulty connection or use may result in fire or electric shock.
All works on the device may be performed only by a qualified and licensed electrician. Observe national regulations.
Even when the device is turned off, voltage may be present at its terminals. Any maintenance introducing changes into the configuration of connections or the load must be always performed with disabled fuse
Connecting the Dimmer-Control in a manner inconsistent with manual may cause risk to health, life or material damage.
When connecting Dimmer-Control act in accordance with the following rules:
- Connect only in accordance with one of the diagrams,
- Dimmer-Control should be installed in a wall switch box compliant with a relevant national safety standards and with depth no less than 60mm,
- Electrical switches used in installation should be compliant with the relevant safety standards,
- Length of wires used to connect the control switch should not exceed 20m.
Notes for the diagrams:

- L – terminal for live lead
- S1 – terminal for switch no. 1 (has the option of entering the device in learning mode)
- S2 – terminal for switch no. 2
- Sx – terminal for power supply to the switch connected to Dimmer-Control
- N – terminal for neutral lead
– output terminal of Dimmer-Control (controlling connected light source) - B – service button (used to add/remove the device and navigate the menu)
Installation of the Dimmer-Control:
- Switch off the mains voltage (disable the fuse).
- Open the wall switch box.
- Connect with one of following the diagrams.
- After verifying correctness of connection switch on the mains voltage,
- Wait around 30s for the calibration process to end, light may blink during the process,
- After successful calibration the device will be turned off by default,
- Add the device to the Z-Wave network,
- Turn off the mains voltage, then arrange the device and its antenna in a wall switch box,
- Close the wall switch box and turn on the mains voltage.
Note. Switch connected to the S1 terminal is a master switch. It activates the basic functionality of Dimmer-Control (turning the light on/off, dimming) and starts the learning mode (Add/Remove). The switch connected to the S2 terminal is an optional switch and pushing it without changing the configuration parameters will not affect the status of the device. Functionality of the switches can be reversed by adjusting ad-vanced parameter.

Fig. 1. Wiring diagram – 2-wire connection

Fig. 2. Wiring diagram – 3-wire connection

Fig. 3. Wiring diagram – connecting the LED Adaptor

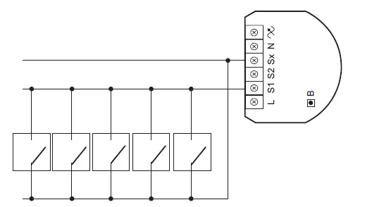
Fig. 4. Wiring diagram – 3-way switch connection
Note. It is not recommended to install different types of wall switches (momentary, toggle, etc.) in a 3-way connection.

Fig. 5. Wiring diagram – momentary wall switches connection
Note. After switching on the mains voltage LED indicator will signal Z-Wave network inclusion state with a colour: GREEN – device added,
RED – device not added,
RED/GREEN ALTERNATELY – Z-Wave error.
ADDING THE DEVICE
- For toggle switches in default configuration perform six position changes.
- In case of problems related to unknown configuration or type of external switch use the B-button to add/remove.
- While adding Dimmer-Control to the network with connected toggle switch, ensure that all switch contact is open (off). Otherwise it will prevent adding/removing the device to/from the network.
- Removing Dimmer-Control from the Z-Wave network restores all the default parameters of the device, but does not reset power metering data.
- Adding/removing is not possible during the calibration procedure.
- Adding in security mode must be performed up to 2 meters from the controller.
Adding (Inclusion) – Z-Wave device learning mode, allowing to add the device to existing Z-Wave network.
To add the device to the Z-Wave network manually:
- Place Dimmer-Control within the direct range of your Z-Wave controller.
- Identify switch no. 1 (turns the light on) or the B-button (located on the device’s housing).
- Set the main controller in (security/non-security) add mode (see the controller’s manual).
- Quickly, three times press switch no. 1 or the B-button.
- Wait for the adding process to end.
- Successful adding will be confirmed by the Z-Wave controller’s message.
7 REMOVING THE DEVICE
Removing (Exclusion) – Z-Wave device learning mode, allowing to remove the device from existing Z-Wave network.
To remove the device from the Z-Wave network:
- Place Dimmer-Control within the direct range of your Z-Wave controller.
- Identify switch no. 1 (turns the light on) or the B-button (located on the device’s housing).
- Set the main controller in remove mode (see the controller’s manual).
- Quickly, three times press switch no. 1 or the B-button.
- Wait for the removing process to end.
- Successful removing will be confirmed by the Z-Wave controller’s message.
- Dimmer-Control will start the calibration process.
Notes:
- Removing the device restores all the default parameters of the device, but does not reset power metering data.
- In case of problems with removing using the S1 switch, use B-button instead (located on the housing).
- If parameter 40 enables scenes for triple S1 click, disable it or use B-button instead to remove the device.
- If parameter 24 is set to 1, use S2 switch instead to remove the device.
OPERATING THE DEVICE
Controlling Dimmer-Control using a switch:
Momentary switch (after releasing the switch a spring automatically pushes back and disconnects the switch):
- Turning the light ON/OFF: change the position of switch no. 1. The Dimmer-Control will be activated always at previously set brightness level,
- Brightening/dimming the light: hold switch no. 1 down. When the switch is held down, Dimmer-Control will always reach the extreme value of 1% or 99%,
- Turning the light ON completely: fast double-click switch no. 1. The Dimmer-Control will set the load at 99%.
Toggle switch (operates as a two-position switch, it has no spring that would set one position of the switch): - Turning the light ON/OFF: toggle switch no. 1. The Dimmer-Control will be activated always at previously set brightness level,
- Turning the light ON completely: toggle twice switch no. 1. The Dimmer-Control will set the load at 99%.
Controlling Dimmer-Control using a command: ALL ON/ALL OFF in non-secure mode:
The Dimmer-Control responds to commands ALL ON/ALL OFF that may be sent by the Z-Wave controller. ALL ON/ALL OFF commands are usually implemented in the remote controllers using Z-Wave protocol, and they are used to issue commands directed to the entire system. By default, both commands ALL ON and ALL OFF are accepted. Settings may be changed by modifying the value of parameter 11 (see chapter 15 – Advanced parameters). In this way the user may determine to which commands the device should respond.
Note. Resetting the device is not the recommended way of removing the device from the Z-Wave network. Use reset procedure only if the primary controller is missing or inoperable.
Resetting Dimmer-Control:
- Disconnect the power supply.
- Remove Dimmer-Control from the wall switch box.
- Connect the power supply.
- Locate the B-button on the housing.
- Press and hold the B-button to enter the menu mode.
- Wait for the visual LED indicator to turn yellow.
- Quickly release and click the B-button again.
- After few seconds the device will be restarted, which is signalled with the red LED indicator colour.
- The device enters the calibration mode.
Controlling Dimmer-Control using the B-button:
Dimmer-Control is equipped with a B-button, which allows to use the MENU mode and additionally perform the following actions:
1x click:
- alarm mode cancellation (flashing alarm)
- exit the error mode
- select the desired MENU option (if MENU mode is active)
3x click: - send the Node Info Z-Wave command frame (adding/removing)
Holding:
- enter the MENU mode (confirmed by the LED indicator)
MENU mode & visual indications:
Dimmer-Control has a MENU with each position indicated by the specified LED indicator colour. In order to enter the menu press the B-button and hold for at least 2 seconds. While the B-button is still pressed, LED indicator colour will change in the following sequence:
- BLUE – initiate the load calibration procedure
- RED – load calibration procedure with LED Adaptor
- WHITE – activate turning the load on/off using the B-button
- GREEN – reset the energy consumption data memory
- VIOLET – initiate the Z-Wave network range test
- YELLOW – reset the Dimmer-Control to factory defaults
Release the B-button to choose the desired function and confirm your choice with the B-button click.
CALIBRATION
- Some types of LED and CF lamps are designed to operate in leading edge mode (with conventional dimmers). Information about proper operation mode of the bulb should be included in its manual. In this case you have to manually force the desired operating mode using parameter 30.
- During the calibration procedure, radio connection is disabled and Dimmer-Control does not respond to any commands. It may cause temporary problems with communication in the Z-Wave network. After completing the calibration, communication with the module will be restored.
Dimmer-Control is equipped with an algorithm of smart light source detection. Depending on the connected type of light source, it automatically adjusts an optimal control mode (leading edge for inductive loads, trailing edge for capacitive or resistive loads). The procedure of learning the light source type is called calibration.
Calibration automatically adjusts maximum and minimum light levels (parameter 1 and 2). However, the installer is obliged to verify the proper operation of the device, according to control modes description. There is a small probability that calibration settings will require a manual correction. In a 2-wire connection for loads other than resistive parameter 1 settings must be adjusted manually.
Calibration procedure is performed always after removing the device from the Z-Wave network. If the device is not included, after each power on/off calibration will occur. For the included device, calibration is performed in accordance with the parameter 35 settings.
Calibration may be forced:
- by setting parameter 13 to 1 or 2 (without/with LED Adaptor)
- by selecting the appropriate MENU option using the B-button (see “Operating the device” on page 12).
By default, calibration is performed without LED Adaptor. In case of connecting the LED Adaptor, it is required to force the appropriate calibra-tion procedure using B-button menu or through parameter 13. The device saves the last calibration enforcement mode (with or without LED Adaptor).
The result of calibration will be confirmed with the LED indicator glowing in one of the following colours:
- GREEN – Light source recognized as dimmable, dimming levels set, brightness may be controlled using the S1 switch.
- YELLOW – Light source recognized as non-dimmable, possibility to turn ON/OFF connected light with default parameters settings.
- RED – Calibration procedure failed. Possible reasons: lack of connected load or connected light source exceeds maximum power, which may be controlled by Dimmer-Control.
- BLINKING RED – Calibration procedure failed. Possible reasons: installation failure or damaged load (causing activation of the overcurrent protection).
POWER AND ENERGY CONSUMPTION
Dimmer-Control allows for the active power and energy consumption monitoring. Data is sent to the main Z-Wave controller, e.g. Home Cen-ter. Measuring is carried out by the most advanced micro-controller technology, assuring maximum accuracy and precision.
Electric active power – power that energy receiver is changing into a work or a heat. The unit of active power is Watt [W].
Electric energy – energy consumed by a device through a time period. Consumers of electricity in households are billed by suppliers on the basis of active power used in given unit of time. Most commonly measured in kilowatt-hour [kWh]. One kilowatt-hour is equal to one kilowatt of power consumed over period of one hour,
1kWh = 1000Wh.
Caution. Dimmer-Control in the 3-wire connection has the power and energy measurement function. In case of the 2-wire connection this function is available only for load of cosφ ≥ 0.99. In other cases power is estimated and can differ from actual power consumed by the device.
Caution. Dimmer-Control stores periodically (every 5 minutes) the consumption data in the device memory. Disconnecting the module from the power supply will not erase the energy consumption data.
Resetting consumption memory:
Dimmer-Control allows to erase stored consumption data in three ways:
- By resetting the device.
- Using functionality of a Z-Wave controller (see the controller’s manual).
- Manually clearing the data using the following procedure:
- Make sure that the device is connected to the power supply.
- Press and hold the B-button for a few seconds, until LED indicator glows GREEN.
- Release the B-button.
- Press the B-button briefly.
- Energy consumption memory has been erased.
| Table A3 – Table of power measurement accuracy | ||||
| Load type | 3-wire connection | 2-wire connection | ||
| Brightness>70% | Brightness<70% | Brightness>70% | Brightness<70% | |
| Resistive load | +/- (0.5 % + 0.2W) | +/- (2 % + 0.2W) | +/- (2 % + 0.2W) | +/- (4 % + 0.2W) |
| Resistive-inductive load | +/- (0.5 % + 0.2W) | +/- (2 % + 0.2W) | Power metering approximate* | Power metering approximate* |
| Resisitve-capacitive load | +/- (0.5 % + 0.2W) | +/- (2 % + 0.2W) | Power metering approximate* | Power metering approximate* |
* Measurements in this case are only illustrative, returned values may differ from the actual measurement. In the case of reporting incorrect values change the values of parameters 58 and 59.
Note. Power measurement in the 2-wire connection does not include mains voltage fluctuations within +/- 10%.
ASSOCIATIONS
Association (linking devices) – direct control of other devices within the Z-Wave system network using the wall switch connect-ed to Dimmer-Control.
The association enables Dimmer-Control to control directly a device included in Z-Wave network e.g. other Dimmer, Relay Switch, Roller Shut-ter or scene (may be controlled only through a Z-Wave controller).
- Association ensures direct transfer of control commands between devices, is performed without participation of the main controller and requires associated device to be in the direct range.
- The Dimmer-Control supports the operation of multichannel devices.
The Dimmer-Control provides the association of five groups:
1st Association Group “Lifeline” reports state of the device. Main Z-Wave Plus network controller should be added to this group. The “Lifeline” group can handle only one device. It is not recommended to modify this group.
2nd Association Group “On/Off (S1)” is assigned to switch no. 1. Sends BASIC command class frame according to the state of the device.
3rd Association Group “Dimmer (S1)” is assigned to switch no. 1. Sends MULTILEVEL SWITCH command class frame. Allows sending dim/brighten command to associated devices.
4th Association Group “On/Off (S2)” is assigned to switch no. 2. Sends BASIC command class frame according to the state of the device.
5th Association Group “Dimmer (S2)” is assigned to switch no. 2. Sends MULTILEVEL SWITCH command class frame. Allows sending dim/brighten command to associated devices.
Dimmer-Control in 2nd to 5th group allows to control 8 regular or multichannel devices per an association group, with the exception of “Life-line” that is reserved solely for the Z-Wave controller and hence only 1 node can be assigned.
It is not recommended to associate more than 10 devices in general, as the response time to control commands depends on the number of associated devices. In extreme cases, system response may be delayed.
Z-WAVE RANGE TEST
The device has a built in Z-Wave network main controller’s range tester.
Note. To make Z-Wave range test possible, the device must be added to the Z-Wave controller. Testing may stress the network, so it is recommended to perform the test only in special cases.
Note. Communication mode of the device may switch between direct and one using routing, especially if the device is on the limit of the direct range.
Follow the below instructions to test the main controller’s range:
- Press and hold the B-button until the visual indicator glows violet.
- Release the B-button.
- Press the B-button again, briefly.
- Visual indicator will indicate the Z-Wave network’s range (range signalling modes described below).
- To exit Z-Wave range test, press the B-button briefly.
Z-Wave range tester signalling modes:
Visual indicator pulsing green – the device attempts to establish a direct communication with the main controller. If a direct communication attempt fails, the device will try to establish a routed communication, through other modules, which will be signalled by visual indicator pulsing yellow.
Visual indicator glowing green – the device communicates with the main controller directly.
Visual indicator pulsing yellow – the device tries to establish a routed communication with the main controller through other modules (re-peaters).
Visual indicator glowing yellow – the device communicates with the main controller through the other modules. After 2 seconds the device will retry to establish a direct communication with the main controller, which will be signalled with visual indicator pulsing green.
Visual indicator pulsing violet – the device does communicate at the maximum distance of the Z-Wave network. If connection proves suc-cessful it will be confirmed with a yellow glow. It’s not recommended to use the device at the range limit.
Visual indicator glowing red – the device is not able to connect to the main controller directly or through another Z-Wave network device
(repeater).
ERROR MODES
This chapter describes error messages of Dimmer-Control.
Events result from installation flaws, faulty light source operation or incorrect manual changes in advanced configuration. The device may stop responding to user’s commands and actions, leaving the light source off. Message with information about the type of error is sent by default (using Z-Wave network).
- Pressing any of the connected switches or changing state of the device using the controller will exit error mode.
- If parameter 35 is set to 3 or 4, the load will be calibrated again after turning on the load or an occurrence of LOAD ERROR, SURGE or OVERCURRENT error.
Error messages:
- OVERTEMPERATURE ERROR
Dimmer-Control features self-temperature measurement function. In case of reaching critical temperature, the load is turned off and the gateway receives an information about exceeding maximum temperature of the module. - LOAD ERROR
Dimmer-Control is equipped with functionality of detecting the burnt out bulb. In case of such situation, Dimmer-Control sends the notifi-cation about load failure. Described function is not available for values of parameter 58 different than 0.
Power variation is detected in accordance with the settings of parameters 15 and 16.
Example:
Parameter 15 set to 30%.
Parameter 16 set to 5 seconds.
Dimmer-Control will detect the change of load at the moment of power variation by 30% compared to standard power consumption
(measured during the calibration) and after 5 seconds from brightness level stabilization.
This function is available only in a control mode compliant with the mode recognized during the calibration (parameter 14 set to 1). Appearing of an error may be the result of not connecting the load. It may suggest burning out all of the loads connected to Dimmer-Control.
Damaged load should be immediately replaced. After connecting the new load, Dimmer-Control will return to normal operation. - SURGE ERROR
Appearing of an error may be the result of electrical surges, incorrect load control (inductive load controlled in trailing edge mode) or con-necting the prohibited type of load. - OVERCURRENT ERROR
Appearing of an error may also be the result of rapid powering on the load. It may also occur if the soft-start functionality is disabled (pa-rameter 34 set to 0) or as a result of the short circuit.
If parameter 37 is set to 1, the device will automatically try to turn on again.
If described error has been caused by the rapid powering on the load, then Dimmer-Control will return to normal operation after reen-abling.
After three unsuccessful automatic tries of turning on the load, Dimmer-Control will stay in OVERCURRENT error mode (module turned off). In such situation, it is required to remove the failure (possible short circuit in the installation.) Otherwise, it is recommended to set the long soft-start (parameter 34 set to 2). - OVERLOAD ERROR
Appearing of an error is a result of connecting receivers with too much power consumption. In this case Dimmer-Control will automatically turn off the lighting.
It is required to reduce power consumption of connected load (e.g. by reducing the number of receivers) and turn on the light source again by the wall switch or a Z-Wave command. - VOLTAGE DROP ERROR
Appearing of an error in a 2-wire connection may be the result of mains voltage drop or a too high brightness level of the light source.
If parameter 37 is set to 1, the device will automatically try to turn on again.
Voltage drop error suggests that parameter 2 value should be reduced until disappearing of the failure. You can also recalibrate the load using parameter 13.
After three unsuccessful automatic tries of turning on the load, Dimmer-Control will stay in VOLTAGE DROP error mode (module turned off). - HARDWARE FAIL ERROR
Appearing of an error may be a result of serious hardware failure of Dimmer-Control. In this case Dimmer-Control sets the maximum brightness level and the LED visual indicator starts blinking in red. All external actions (Z-Wave commands, pressing the switches, menu settings) will be ignored.
We recommend disconnecting the device from the power supply and contacting the customer service or to initiate the guarantee proce-dure.
This error may also appear as a result of enabling Dimmer-Control without load connected to the output in 3-wire connection. It is not a dangerous situation. We recommend disabling the fuse, connecting the load and enabling the fuse again.
ADDITIONAL FUNCTIONALITY
Software update
Dimmer-Control features remote software update (initiated by the main controller). Update status is signalled by the LED indicator with cyan colour:
- slow blinking – transferring data via Z-Wave and saving to the flash memory
- fast blinking – copying data from the external memory to the memory of the microcontroller
Operating alarm data frames
A smart home hub allows user to set response of devices to alarm situations (response to data-frames ALARM_REPORT and SENSOR_ ALARM_REPORT). Dimmer-Control responds to the following types of alarms:
- General Purpose Alarm – GENERAL PURPOSE ALARM
- Smoke Alarm – ALARM CO2, ALARM CO, ALARM SMOKE
- Water Flooding Alarm – ALARM WATER
- Temperature Alarm – ALARM HEAT
Alarm data-frames are sent by devices that are system sensors (e.g., flood sensors, smoke detectors, motion detectors, etc.).
The device may respond in the following manner to received data-frames (settings are configured in configuration parameters, see chapter 15 – Advanced parameters):- 0 – DEACTIVATION – the device does not respond to alarm data frames
- 1 – DIMMER 2 ON – the device turns on after detecting an alarm
- 2 – DIMMER 2 OFF – the device turns off after detecting an alarm
- 3 – ALARM FLASHING – the device periodically changes its status to the opposite when it detects an alarm (lights on/off alternately)
ADVANCED PARAMETERS
Dimmer-Control allows to customize its operation to user’s needs. The settings are available in the NICE interface as simple options that may be chosen by selecting the appropriate box.
| Table A4 – Dimmer-Control – Advanced parameters | ||||||||
| GROUP 0 – The Dimmer-Control behavior – Basic functionalities | ||||||||
| Parameter: | 1. Minimum brightness level | |||||||
| Description: | This parameter is set automatically during the calibration process. The parameter can be changed manually after the calibration. The maximum brightness level (parameter 2) must be greater than the minimum brightness level (parameter 1). | |||||||
| Available settings: | 1-98 – percentage level of brightness | |||||||
| Default setting: | 1 | Parameter size: | 1 [byte] | |||||
| Parameter: | 2. Maximum brightness level | |||||||
| Description: | This parameter is set automatically during the calibration process. The parameter can be changed manually after the calibration. The maximum brightness level (parameter 2) must be greater than the minimum brightness level (parameter 1). | |||||||
| Available settings: | 2-99 – percentage level of brightness | |||||||
| Default setting: | 99 | Parameter size: | 1 [byte] | |||||
| Parameter: | 3. Incandescence level of dimmable compact fluorescent lamps | |||||||
| Description: | Virtual value set as a percentage level between parameters MIN (1%) and MAX. (99%). The Dimmer-Control will set to this value after first switch on. It is required for warming up and switching dimmable compact fluorescent lamps and certain types of light sources. | |||||||
| Available settings: | 1-99 – percentage level of brightness | |||||||
| Default setting: | 1 | Parameter size: | 1 [byte] | |||||
| Parameter: | 4. Incandescence time of dimmable compact fluorescent lamps | |||||||
| Description: | This parameter determines the time required for switching compact fluorescent lamps and certain types of light sources. Setting this parameter to 0 will disable the incandescence functionality. | |||||||
| Available settings: | 0-255 (0-25.5s) | |||||||
| Default setting: | 0 | Parameter size: | 2 [bytes] | |||||
| Parameter: | 5. Automatic control – dimming step size | |||||||
| Description: | This parameter defines the percentage value of dimming step during the automatic control. Automatic control is performed through:
| |||||||
| Available settings: | 1-99 – dimming step percentage value | |||||||
| Default setting: | 1 | Parameter size: | 1 [byte] | |||||
| Parameter: | 6. Automatic control – time of a dimming step | |||||||
| Description: | This parameter defines the time of single dimming step set in parameter 5 during the automatic control. | |||||||
| Available settings: | 0-255 (0-2.55s, in 10ms steps) | |||||||
| Default setting: | 1 (10ms) | Parameter size: | 2 [bytes] | |||||
| Parameter: | 7. Manual control – dimming step size | |||||||
| Description: | This parameter defines the percentage value of dimming step during the manual control. Manual control is per- formed through holding the push-button. | |||||||
| Available settings: | 1-99 – dimming step percentage value | |||||||
| Default setting: | 1 | Parameter size: | 1 [byte] | |||||
| Parameter: | 8. Manual control – time of a dimming step | |||||||
| Description: | This parameter defines the time of single dimming step set in parameter 7 during the manual control. | |||||||
| Available settings: | 0-255 (0-2.55s, in 10ms steps) | |||||||
| Default setting: | 5 (50ms) | Parameter size: | 2 [bytes] | |||||
| Parameter: | 9. State of the device after a power failure | |||||||
| Description: | The Dimmer-Control will return to the last state before power failure. | |||||||
| Available settings: | 0 – Dimmer-Control does not save the state before a power failure, it returns to “off” position 1 – Dimmer-Control restores its state before power failure | |||||||
| Default setting: | 1 | Parameter size: | 1 [byte] | |||||
| Parameter: | 10. Timer functionality (auto – off) | |||||||
| Description: | This parameter allows to automatically switch off the device after specified time from switching on the light source. It may be useful when Dimmer-Control is installed in the stairway. | |||||||
| Available settings: | 0 – Function disabled 1-32767 – time to turn off measured in seconds (1s-9.1h) | |||||||
| Default setting: | 0 | Parameter size: | 2 [bytes] | |||||
| Parameter: | 11. ALL ON/ALL OFF function | |||||||
| Description: | Parameter allows for activation/deactivation of Z-Wave commands enabling/disabling all devices located in direct range of the main controller. | |||||||
| Available settings: | 0 – ALL ON not active, ALL OFF not active 1 – ALL ON not active, ALL OFF active 2 – ALL ON active, ALL OFF not active 255 – ALL ON active, ALL OFF active | |||||||
| Default setting: | 255 | Parameter size: | 2 [bytes] | |||||
| Parameter: | 13. Force auto-calibration | |||||||
| Description: | Changing value of this parameter will force the calibration process. During the calibration parameter is set to 1 or 2 and switched to 0 upon completion. | |||||||
| Available settings: | 0 – readout 1 – force auto-calibration of the load without LED Adaptor 2 – force auto-calibration of the load with LED Adaptor | |||||||
| Default setting: | 0 | Parameter size: | 2 [bytes] | |||||
| Parameter: | 14. Auto-calibration status (read-only parameter) | |||||||
| Description: | This parameter determines operating mode of Dimmer-Control (automatic/manual settings). | |||||||
| Available settings: | 0 – calibration procedure not performed or Dimmer-Control operates on manual settings 1 – Dimmer-Control operates on auto-calibration settings | |||||||
| Default setting: | 0 | Parameter size: | 1 [byte] | |||||
| Parameter: | 15. Burnt out bulb detection | |||||||
| Description: | Function based on the sudden power variation of a specific value, interpreted as a LOAD ERROR. Parameter 15 is relevant only when parameter 58 is set to 0 and the control mode is consistent with the mode set during the calibration process (parameter 30). | |||||||
| Available settings: | 0 – function disabled 1-99 – percentage value of power variation, compared to standard power consumption, measured during the calibration procedure (to be interpreted as load error/burnt out bulb) | |||||||
| Default setting: | 30 | Parameter size: | 1 [byte] | |||||
| Parameter: | 16. Time delay of a burnt out bulb (parameter 15) or overload (parameter 39) detection | |||||||
| Description: | Time of delay (in seconds) for power variation detection, interpreted as a LOAD ERROR or OVERLOAD detection (too much power connected to Dimmer-Control). | |||||||
| Available settings: | 0 – detection of a burnt out bulb disabled 1-255 – delay time in seconds | |||||||
| Default setting: | 5 | Parameter size: | 2 [bytes] | |||||
| Parameter: | 19. Forced switch on brightness level | |||||||
| Description: | If the parameter is active, switching on Dimmer-Control (S1 single click) will always set this brightness level. | |||||||
| Available settings: | 0 – function disabled 1-99 – percentage level of brightness | |||||||
| Default setting: | 0 | Parameter size: | 1 [byte] | |||||
| GROUP 20 – Dimmer-Control operation – Switches | ||||||||
| Parameter: | 20. Switch type | |||||||
| Description: | Choose between momentary, toggle and roller blind switch. | |||||||
| Available settings: | 0 – momentary switch 1 – toggle switch 2 – roller blind switch – two switches operate Dimmer-Control (S1 to brighten, S2 to dim) | |||||||
| Default setting: | 0 | Parameter size: | 1 [byte] | |||||
| Parameter: | 21. The value sent to associated devices on single click | |||||||
| Description: | This parameter defines the value sent to devices associated with Dimmer-Control after its enabling. | |||||||
| Available settings: | 0 – 0xFF value is sent, which will set associated devices to their last saved state 1 – current Dimmer-Control state is sent, which will synchronize brightness level of associated devices (other dim- mers for example) | |||||||
| Default setting: | 0 | Parameter size: | 1 [byte] | |||||
| Parameter: | 22. Assign toggle switch status to the device status | |||||||
| Description: | By default each change of toggle switch position results in action of Dimmer-Control (switch on/off) regardless the physical connection of conntacts. | |||||||
| Available settings: | 0 – device changes status on switch status change 1 – device status is synchronized with switch status | |||||||
| Default setting: | 0 | Parameter size: | 1 [byte] | |||||
| Parameter: | 23. Double click option – set the brightness level to MAX | |||||||
| Available settings: | 0 – double click disabled 1 – double click enabled | |||||||
| Default setting: | 1 | Parameter size: | 1 [byte] | |||||
| Parameter: | 24. Command frames sent in 2nd and 3rd association groups (S1 associations) | |||||||
| Description: | Parameter determines, which actions will not result in sending frames to association groups. Parameter 24 values may be combined, e.g. 1+2=3 means that associations on switching ON or OFF Dimmer-Control (single click) will not be sent. | |||||||
| Available settings: | 0 – all actions send to association groups 1 – do not send when switching ON (single click) 2 – do not send when switching OFF (single click) 4 – do not send when changing dimming level (holding and releasing) 8 – do not send on double click 16 – send 0xFF value on double click | |||||||
| Default setting: | 0 | Parameter size: | 1 [byte] | |||||
| Parameter: | 25. Command frames sent in 4th and 5th association groups (S2 associations) | |||||||
| Description: | Parameter determines, which actions will not result in sending frames to association groups. Parameter 25 values may be combined, e.g. 1+2=3 means that associations on switching ON or OFF Dimmer-Control (single click) will not be sent. | |||||||
| Available settings: | 0 – all actions send to association groups 1 – do not send when switching ON (single click) 2 – do not send when switching OFF (single click) 4 – do not send when changing dimming level (holding and releasing) 8 – do not send on double click 16 – send 0xFF value on double click | |||||||
| Default setting: | 0 | Parameter size: | 1 [byte] | |||||
| Parameter: | 26. The function of 3-way switch | |||||||
| Description: | Switch no. 2 controls Dimmer-Control additionally (in 3-way switch mode). Function disabled for parameter 20 set to 2 (roller blind switch). | |||||||
| Available settings: | 0 – 3-way switch function for S2 disabled 1 – 3-way switch function for S2 enabled | |||||||
| Default setting: | 0 | Parameter size: | 1 [byte] | |||||
| Parameter: | 27. Associations in Z-Wave network security mode | |||||||
| Description: | Parameter 27 values may be combined, e.g. 1+2=3 means that 2nd & 3rd group are sent as secure. | |||||||
| Available settings: | 0 – all groups (II-V) sent as non-secure 1 – 2nd group sent as secure 2 – 3rd group sent as secure 4 – 4th group sent as secure 8 – 5th group sent as secure 15 – all groups (II-V) sent as secure | |||||||
| Default setting: | 15 | Parameter size: | 1 [byte] | |||||
| Parameter: | 28. Scene activation functionality | |||||||
| Description: | SCENE ID depends on the switch type configurations (see Table A5). Enabling scene activation functionality may cause slight delay in response to external switches and sending associations. | |||||||
| Available settings: | 0 – functionality deactivated 1 – functionality activated | |||||||
| Default setting: | 0 | Parameter size: | 1 [byte] | |||||
| Parameter: | 29. Switch functionality of S1 and S2 | |||||||
| Description: | This parameter allows for switching the role of keys connected to S1 and S2 without changes in connection. | |||||||
| Available settings: | 0 – standard mode 1 – S1 operates as S2, S2 operates as S1 | |||||||
| Default setting: | 0 | Parameter size: | 1 [byte] | |||||
| GROUP 30 – Dimmer-Control operation – Advanced functionality | ||||||||
| Parameter: | 30. Load control mode | |||||||
| Description: | This parameter allows to set the desired load control mode. The device automatically adjusts correct control mode, but the installer may force its change using this parameter. Forced auto-calibration will set this parameter’s value to 2. | |||||||
| Available settings: | 0 – forced leading edge control 1 – forced trailing edge control 2 – control mode selected automatically (based on auto-calibration) | |||||||
| Default setting: | 2 | Parameter size: | 1 [byte] | |||||
| Parameter: | 31. Load control mode recognized during auto-calibration (read only) | |||||||
| Description: | 0 – leading edge 1 – trailing edge | |||||||
| Available settings: | ||||||||
| Default setting: | – | Parameter size: | 1 [byte] | |||||
| Parameter: | 32. On/Off mode | |||||||
| Description: | This mode is necessary while connecting non-dimmable light sources. Setting this parameter to 1 automatically ignores brightening/dimming time settings. Forced auto-calibration will set this parameter’s value to 2. | |||||||
| Available settings: | 0 – on/off mode disabled (dimming is possible) 1 – on/off mode enabled (dimming is not possible) 2 – mode selected automatically | |||||||
| Default setting: | 2 | Parameter size: | 1 [byte] | |||||
| Parameter: | 33. Dimmability of the load (read only) | |||||||
| Description: | This parameter contains an information about possibility of dimming the load detected during calibration proce- dure. | |||||||
| Available settings: | 0 – Load recognized as dimmable 1 – Load recognized as non-dimmable | |||||||
| Default setting: | – | Parameter size: | 1 [byte] | |||||
| Parameter: | 34. Soft-Start functionality | |||||||
| Description: | Time required to warm up the filament of halogen bulb. | |||||||
| Available settings: | 0 – no soft-start 1 – short soft-start (0.1s) 2 – long soft-start (0.5s) | |||||||
| Default setting: | 1 | Parameter size: | 1 [byte] | |||||
| Parameter: | 35. Auto-calibration after power on | |||||||
| Description: | This parameter determines the trigger of auto-calibration procedure, e.g. power on, load error, etc. | |||||||
| Available settings: | 0 – No auto-calibration of the load after power on 1 – Auto-calibration performed after first power on 2 – Auto-calibration performed after each power on 3 – Auto-calibration performed after first power on or after each LOAD ERROR alarm (no load, load failure, burnt out bulb), if parameter 37 is set to 1 also after alarms: SURGE (Dimmer-Control output overvoltage) and OVER- CURRENT (Dimmer-Control output overcurrent) 4 – Auto-calibration performed after each power on or after each LOAD ERROR alarm (no load, load failure, burnt out bulb), if parameter 37 is set to 1 also after alarms: SURGE (Dimmer-Control output overvoltage) and OVER- CURRENT (Dimmer-Control output overcurrent) | |||||||
| Default setting: | 1 | Parameter size: | 1 [byte] | |||||
| Parameter: | 37. Behaviour of Dimmer-Control after OVERCURRENT or SURGE | |||||||
| Description: | Occuring of errors related to surge or overcurrent results in turning off the output to prevent possible malfunction. By default the device performs three attempts to turn on the load (useful in case of momentary, short failures of the power supply). | |||||||
| Available settings: | 0 – device permanently disabled until re-enabling by command or external switch 1 – three attempts to turn on the load | |||||||
| Default setting: | 1 | Parameter size: | 1 [byte] | |||||
| Parameter: | 38. Brightness level correction for flickering loads | |||||||
| Description: | Correction reduces spontaneous flickering of some capacitive load (e.g. dimmable LEDs) at certain brightness levels in 2-wire installation. In countries using ripple-control, correction may cause changes in brightness. In this case it is necessary to dis- able correction or adjust time of correction for flickering loads. | |||||||
| Available settings: | 0 – automatic correction disabled 1-254 – duration of correction in seconds 255 – automatic correction always enabled | |||||||
| Default setting: | 255 | Parameter size: | 2 [bytes] | |||||
| Parameter: | 39. Power limit – OVERLOAD | |||||||
| Description: | Reaching the defined value will result in turning off the load. Additional apparent power limit of 350VA is active by default. Parameter 39 is relevant only when parameter 58 is set to 0. | |||||||
| Available settings: | 0 – functionality disabled 1-350 – 1-350W | |||||||
| Default setting: | 250 | Parameter size: | 2 [bytes] | |||||
| GROUP 40 – Dimmer-Control operation – Alarms | ||||||||
| Parameter: | 40. Response to General Purpose Alarm | |||||||
| Available settings: | 0 – No reaction 1 – Turn on the load 2 – Turn off the load 3 – Load blinking | |||||||
| Default setting: | 3 | Parameter size: | 1 [byte] | |||||
| Parameter: | 41. Response to Water Flooding Alarm | |||||||
| Available settings: | 0 – No reaction 1 – Turn on the load 2 – Turn off the load 3 – Load blinking | |||||||
| Default setting: | 2 | Parameter size: | 1 [byte] | |||||
| Parameter: | 42. Response to Smoke, CO or CO2 Alarm | |||||||
| Available settings: | 0 – No reaction 1 – Turn on the load 2 – Turn off the load 3 – Load blinking | |||||||
| Default setting: | 3 | Parameter size: | 1 [byte] | |||||
| Parameter: | 43. Response to Temperature Alarm | |||||||
| Available settings: | 0 – No reaction 1 – Turn on the load 2 – Turn off the load 3 – Load blinking | |||||||
| Default setting: | 1 | Parameter size: | 1 [byte] | |||||
| Parameter: | 44. Time of alarm state | |||||||
| Available settings: | 1-32767 (1-32767 seconds) | |||||||
| Default setting: | 600 (600s) | Parameter size: | 2 [bytes] | |||||
| Alarm settings – reports | ||||||||
| Parameter: | 45. OVERLOAD alarm report (load power consumption too high) | |||||||
| Available settings: | 0 – No reaction 1 – Send an alarm frame | |||||||
| Default setting: | 1 | Parameter size: | 1 [byte] | |||||
| Parameter: | 46. LOAD ERROR alarm report (no load, load failure, burnt out bulb) | |||||||
| Available settings: | 0 – No reaction 1 – Send an alarm frame | |||||||
| Default setting: | 1 | Parameter size: | 1 [byte] | |||||
| Parameter: | 47. OVERCURRENT alarm report (short circuit, burnt out bulb causing overcurrent) | |||||||
| Available settings: | 0 – No reaction 1 – Send an alarm frame | |||||||
| Default setting: | 0 | Parameter size: | 1 [byte] | |||||
| Parameter: | 48. SURGE alarm report (Dimmer-Control output overvoltage) | |||||||
| Available settings: | 0 – No reaction 1 – Send an alarm frame | |||||||
| Default setting: | 1 | Parameter size: | 1 [byte] | |||||
| Parameter: | 49. OVERHEAT (critical temperature) and VOLTAGE DROP (low voltage) alarm report | |||||||
| Available settings: | 0 – No reaction 1 – Send an alarm frame | |||||||
| Default setting: | 1 | Parameter size: | 1 [byte] | |||||
| GROUP 50 – Active power and energy reports | ||||||||
| Parameter: | 50. Active power reports | |||||||
| Description: | The parameter defines the power level change that will result in a new power report being sent. The value is a percentage of the previous report. | |||||||
| Available settings: | 0 – power reports disabled 1-100 (1-100%) – power report threshold | |||||||
| Default setting: | 10 (10%) | Parameter size: | 1 [byte] | |||||
| Parameter: | 52. Periodic active power and energy reports | |||||||
| Description: | Parameter 52 defines a time period between consecutive reports. Timer is reset and counted from zero after each report. | |||||||
| Available settings: | 0 – periodic reports disabled 1-32767 (1-32767 seconds) | |||||||
| Default setting: | 3600 (3600s) | Parameter size: | 2 [bytes] | |||||
| Parameter: | 53. Energy reports | |||||||
| Description: | Energy level change which will result in sending a new energy report. | |||||||
| Available settings: | 0 – energy reports disabled 1-255 (0.01-2.55 kWh) – report triggering threshold | |||||||
| Default setting: | 10 (0.1 kWh) | Parameter size: | 2 [bytes] | |||||
| Parameter: | 54. Self-measurement | |||||||
| Description: | The Dimmer-Control may include active power and energy consumed by itself in reports sent to the main control- ler. | |||||||
| Available settings: | 0 – Self-measurement inactive 1 – Self-measurement active | |||||||
| Default setting: | 0 | Parameter size: | 1 [byte] | |||||
| Parameter: | 58. Method of calculating the active power | |||||||
| Description: | This parameter defines how to calculate active power. It is useful in a case of 2-wire connection with light sources other than resistive. Parameter 58 is set to 0 after forced auto-calibration. | |||||||
| Available settings: | 0 – measurement based on the standard algorithm 1 – approximation based on the calibration data 2 – approximation based on the control angle | |||||||
| Default setting: | 0 | Parameter size: | 1 [byte] | |||||
| Parameter: | 59. Approximated power at the maximum brightness level | |||||||
| Description: | This parameter determines the approximate value of the power that will be reported by the device at its maximum brightness level. Parameter 59 works only when parameter 58 has a value other than 0. | |||||||
| Available settings: | 0-500 (0-500W) – power consumed by the load at the maximum brightness level. | |||||||
| Default setting: | 0 | Parameter size: | 2 [bytes] | |||||
| Table A5 – SCENE ID value sent at specified configuration | |
| Momentary switches | |
| SCENE ID: S1 input | SCENE ID: S2 input |
| 16 : 1 x click 14 : 2 x click – : 3 x click 12 : hold 13 : release | 26 : 1 x click 24 : 2 x click 25 : 3 x click 22 : hold 23 : release |
| Toggle switches | |
| SCENE ID: S1 input | SCENE ID: S2 input |
| 10 : OFF to ON 11 : ON to OFF 14 : 2 x click – : 3 x click | 20 : OFF to ON 21 : ON to OFF 24 : 2 x click 25 : 3 x click |
| Roller blinds switches | |
| SCENE ID: S1 input | SCENE ID: S2 input |
| 10 : turn ON (1 x click) 13 : release 14 : 2 x click – : 3 x click 17 : brightening | 11 : turn OFF (1 x click) 13 : release 14 : 2 x click 15 : 3 x click 18 : dimming |
TECHNICAL SPECIFICATIONS
The product Dimmer-Control is produced by Nice S.p.A. (TV). Warnings: – All technical specifications stated in this section refer to an ambient temperature of 20 °C (± 5 °C) – Nice S.p.A. reserves the right to apply modifications to the product at any time when deemed necessary, while maintaining the same functionalities and intended use.
| Dimmer-Control | |
| Type | in-wall/flush box mounted control unit for remote light control |
| Power supply | 100–240 V AC, 50/60 Hz |
| Power consumption | < 1.3 W |
| Operational temperature | 0-35°C |
| For installation in boxes | Ø ≥ 50mm, depth ≥ 60mm |
| Operational current | 0.25-1.1 A |
| Device temperature protection | 105°C |
| Active element | semiconductor electronic switch ε |
| Device control | remotely – radio waves; directly – external switch |
| Dimensions (L x W x H) | 42.5 x 38.25 x 20.3 mm |
- Occasional flickering of the lighting may be the result of ripple-control signals from the electricity supplier.
- The occurrence and magnitude of this effect depends on the country, region and time of the day.
- The effect is more frequent in 2-wire installation, on low dimming levels and with LED light sources.
- Voltage drops, dips and harmonics may also cause flickering.
| Radio transceiver | |
| Radio protocol | Z-Wave (500 series chip) |
| Frequency band | 868.4 or 869.8 MHz EU 908.4 or 916.0 MHz US 921.4 or 919.8 MHz ANZ 869.0 MHz RU 920.9, 921.7 or 923.1 MHz TW |
| Transceiver range | up to 50m outdoors up to 40m indoors (depending on terrain and building structure) |
| Max. transmit power | EIRP up to 6 dBm |
The transceiver range is strongly influenced by other devices operating at the same frequency with continuous transmission, such as alarms and radio headphones which interfere with the control unit transceiver.
PRODUCT DISPOSAL
This product is an integral part of the automation and therefore must be disposed together with the latter.
As in installation, also at the end of product lifetime, the disassembly and scrapping operations must be performed by qualified personnel. This product is made of various types of material, some of which can be recycled while others must be scrapped. Seek information on the recycling and disposal systems envisaged by the local regulations in your area for this product category.
Caution! – some parts of the product may contain pollutant or hazardous substances which, if disposed of into the environment, may cause serious damage to the environment or physical health.
As indicated by the symbol alongside, disposal of this product in domestic waste is strictly prohibited. Separate the waste into categories for dis-posal, according to the methods envisaged by current legislation in your area, or return the product to the retailer when purchasing a new version.
Caution! – local legislation may envisage serious fines in the event of abusive disposal of this product.
DECLARATION OF CONFORMITY
Hereby, NICE S.p.A., declares that the radio equipment type Dimmer-Control is in compliance with Directive 2014/53/EU.
The full text of the EU declaration of conformity is available at the following internet address: http://www.niceforyou.com/en/support
Nice SpA
Oderzo TV Italia [email protected]
www.niceforyou.com





















