PHILIPS DLE1205 Leading Edge Dimmer Controller

Devices must be installed by a qualified electrician in accordance with all national and local electrical and construction codes and regulations.
WHAT IN THE BOX

TOOLS NOT INCLUDED

DIMENSION


- IEC Pollution Degree II
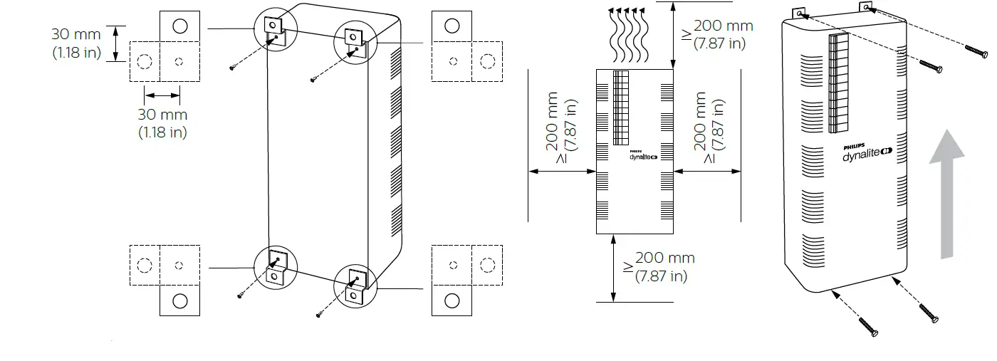
INSTALLATION INSTRUCTIONS





- IEC Overvoltage Category III


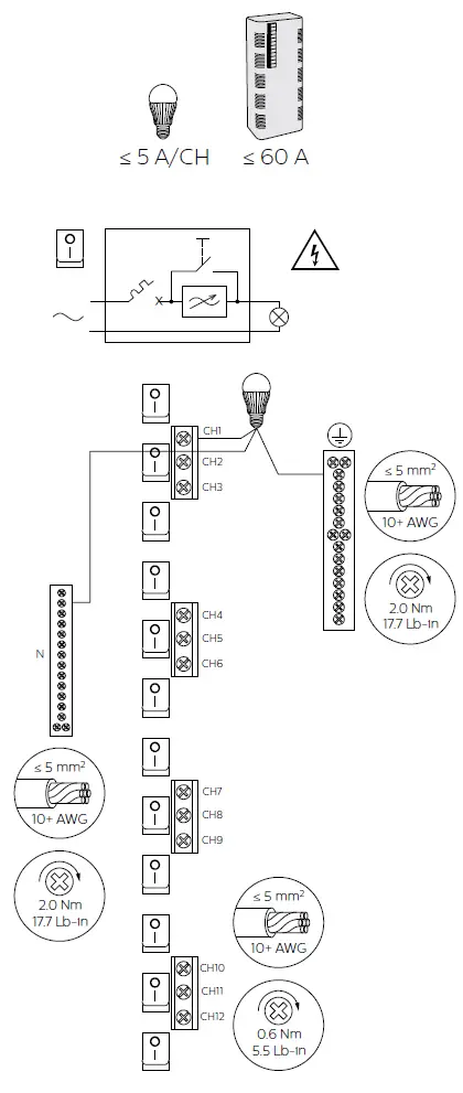
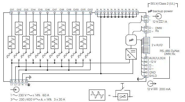
CONNECTION

BARCODE

WARNING
- Apply de-rating for electronic and LED loads.
- The manufacturer is not responsible for dimmable lamp selection. Each lamp/dimmer combination must be tested for compatibility prior to installation.
- Professional dimmers rated > 1000 W are out of scope of EN 61000-3-2.
© 2022 Signify Holding. All rights reserved. Specifications are subject to change without notice. No representation or warranty as to the accuracy or completeness of the information included herein is given and any liability for any action in reliance thereon is disclaimed. Philips and the Philips Shield Emblem are registered trademarks of Koninklijke Philips N.V. All other trademarks are owned by Signify Holding or their respective owners.
AZZ 488 0922 R16



















