PHILIPS DTE1210 Trailing Edge Dimmer Controller

Devices must be installed by a qualified electrician in accordance with all national and local electrical and construction codes and regulations.
WHAT IN BOX
TOOLS REQUIRED
DIMENSION
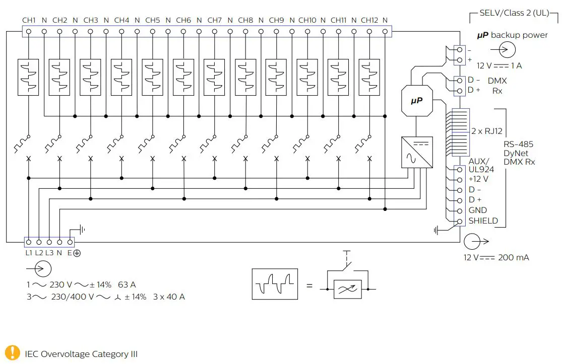
INSTALLATION
CAUTION










- Apply de-rating for electronic and LED loads.
- Not compatible with magnetic transformers.
- The manufacturer is not responsible for dimmable lamp selection. Each lamp/dimmer combination must be tested for compatibility prior to installation.
- Professional dimmers rated > 1000 W are out of scope of EN 61000-3-2.
© 2022 Signify Holding. All rights reserved. Specifications are subject to change without notice. No representation or warranty as to the accuracy or completeness of the information included herein is given and any liability for any action in reliance thereon is disclaimed. Philips and the Philips Shield Emblem are registered trademarks of Koninklijke Philips N.V. All other trademarks are owned by Signify Holding or their respective owners.
























