REPLACEMENT PARTS MANUAL
Wall-Mounted
SASO 2663 Certified
Air Conditioner
Models:
K36L2-N, K48L2-N, K60L2-N
General Notes
- Revised and/or additional pages may be issued from time to time.
- A complete and current manual consists of pages shown in the following contents section.
Important
- Contact the installing and/or local Bard distributor for all parts requirements. Make sure to have the complete model and serial number available from
the unit rating plates.
Bard Manufacturing Company, Inc.
Bryan, Ohio 43506
www.bardhvac.com
Manual: 2110-1420C
Supersedes: 2110-1420B
Date: 8-13-21
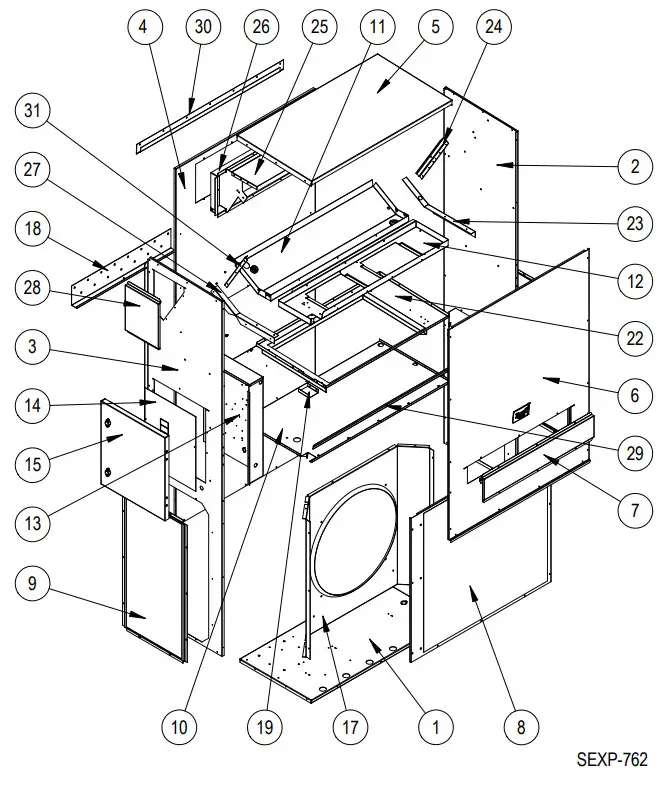
CABINET COMPONENTS – STANDARD EXTREME DUTY DOOR


- Exterior cabinet parts are manufactured with various paint color options. To ensure the proper paint color is received, include the complete model and a serial number of the unit for which cabinet parts are being ordered.
- Exterior cabinet parts are manufactured from stainless steel Code “S”
NS – Not Shown


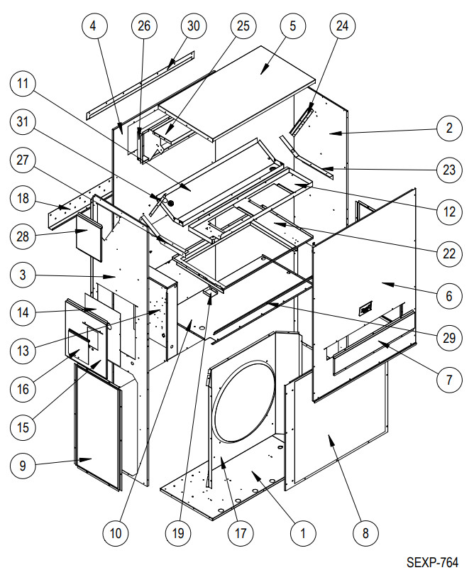
- Exterior cabinet parts are manufactured with various paint color options. To ensure the proper paint color is received, include the complete model and a serial number of the unit for which cabinet parts are being ordered.
- Exterior cabinet parts are manufactured from stainless steel Code “S”
NS – Not Shown
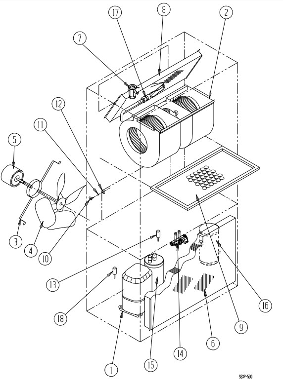
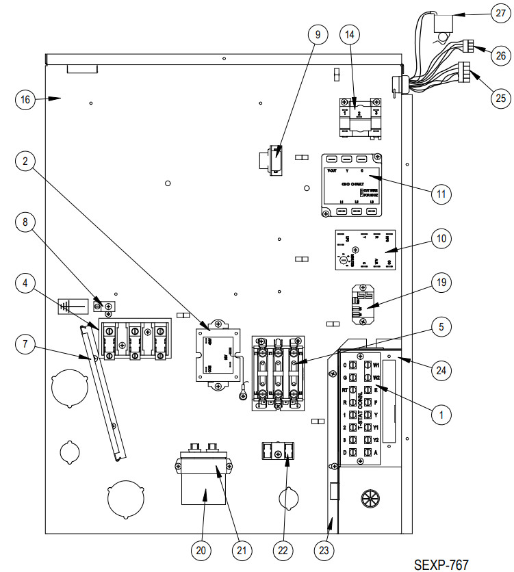
FUNCTIONAL COMPONENTS


CONTROL PANEL

NS – Not Shown
BLOWER ASSEMBLY




















