Bard W18LB-A Wall Mounted Packaged Air Conditioner

General Notes
- Revised and/or additional pages may be issued from time to time.
- A complete and current manual consists of pages shown in the following contents section.
Important
- Contact the installing and/or local Bard distributor for all parts requirements. Make sure you have the complete model and serial number available from the unit rating plates.
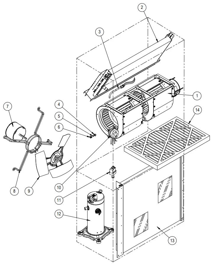
CABINET COMPONENTS

| Dwg No. | Part Number | Description | W1 | W2 | W2 |
| 1 | 113-141-* j | Top Rain Flashing | X | X | X |
| 1 | 113-361 | Top Rain Flashing | X | X | X |
| 1 | 113-141-4 l | Top Rain Flashing | X | X | X |
| 2 | S507-311-* j | Top | X | X | X |
| 2 | S507-317 | Top | X | X | X |
| 2 | S507-318 l | Top | X | X | X |
| 3 | S123-131 | Drain Pan | X | X | X |
| 3 | S123-142 | Drain Pan | X | X | X |
| 4 | S509-445 | Upper Back | X | X | X |
| 4 | S509-449 | Upper Back | X | X | X |
| 4 | S509-447 l | Upper Back | X | X | X |
| 5 | 105-1302 | Grommet Retainer | X | X | X |
| 6 | S501-935-* j | Right Side | X | X | X |
| 6 | S501-998 | Right Side | X | X | X |
| 6 | 501-943 l | Right Side | X | X | X |
| 7 | S543-175-* j | Right Side Cover Plate (Outer) | X | X | X |
| 7 | S543-185 | Right Side Cover Plate (Outer) | X | X | X |
| 7 | S543-184 l | Right Side Cover Plate (Outer) | X | X | X |
| 8 | 113Y480 | Filter Bracket | 2 | 2 | 2 |
| 9 | 137-259 | Fill Plate | X | X | X |
| 10 | S132-104 | Control Panel Cover (Inner) | X | X | X |
| 11 | 113-140 | Bottom Mounting Bracket | X | X | X |
| 12 | S153-218 j | Disconnect Access Door | X | X | X |
| 12 | S153-405 | Disconnect Access Door | X | X | X |
| 12 | S153-387 l | Disconnect Access Door | X | X | X |
| 13 | S533-228-* j | Control Panel Cover (Outer) | X | X | X |
| 13 | S533-235 | Control Panel Cover (Outer) | X | X | X |
| 13 | S533-236 l | Control Panel Cover (Outer) | X | X | X |
| 14 | 118-124-* j | Side Grille | 2 | 2 | 2 |
| 14 | 118-140 | Side Grille | 2 | 2 | 2 |
| 14 | 118-141 l | Side Grille | 2 | 2 | 2 |
| 15 | Control Panel Assembly | See Control Panel Assy. Drawing & Parts List Assy. | X | X | X |
| 17 | S536-176 | Cond. Partition Block Off Plate | X | X | X |
| 17 | S536-878 | Cond. Partition Block Off Plate | X | X | X |
| 18 | 127-468 | Lower Base | X | X | X |
| 18 | 127-537 | Lower Base | X | X | X |
| 19 | 125-080 | Fan Shroud | X | X | X |
| 19 | 125-082 | Fan Shroud | X | X | X |
| 20 | S521Y528 | Condenser Partition | X | X | X |
| 20 | S521-562 | Condenser Partition | X | X | X |
| 21 | FAD-NE2 | Fresh Air Damper Assembly | X | X | X |
| 22 | 118-102-* j | Condenser Grille | X | X | X |
| 22 | 118-107 | Condenser Grille | X | X | X |
| 22 | 118-146 l | Condenser Grille | X | X | X |
| 23 | S553-537-* j | Vent Option Door | X | X | X |
| 23 | S553-547 | Vent Option Door | X | X | X |
| 23 | S553-548 l | Vent Option Door | X | X | X |
| 24 | S553-538-* j | Filter Door | X | X | X |
| 24 | S553-551 | Filter Door | X | X | X |
| 24 | S553-552 l | Filter Door | X | X | X |
| 25 | S514-240-* j | Upper Front | X | X | X |
| 25 | S514-236 | Upper Front | X | X | X |
| 25 | S514-237 l | Upper Front | X | X | X |
| 26 | 121Y480 | Blower Partition | X | X | X |
| 27 | 105Y850 | Side Support | X | X | X |
| 28 | 137-694 | Bottom Evaporator Fill | X | X | X |
| 29 | S501-936-* j | Left Side | X | X | X |
| 29 | S501-999 | Left Side | X | X | X |
| 29 | S501-946 l | Left Side | X | X | X |
| 30 | 147-044 | Evaporator Support | X | X | X |
| 31 | S111Y032 | Outlet Air Frame Assembly | X | X | X |
| 32 | 135Y127 | Heat Shield | X | X | X |
| 33 | 109-444 | Lower Back | X | X | X |
| 33 | 109-448 | Lower Back | X | X | X |
| 33 | 109-446 l | Lower Back | X | X | X |
| NS | 5252-033 | Bard Nameplate | X | X | X |
- Exterior cabinet parts are manufactured with various paint color options. To ensure the proper paint color is received, include the complete model and serial number of the unit for which cabinet parts are being ordered.
- Exterior cabinet parts are manufactured from stainless steel Code “S”
- Exterior cabinet parts are manufactured from aluminum Code “A
FUNCTIONAL COMPONENTS

| Dwg No. | Part Number | Description | W1 | W2 | W2 | W2 |
| 1 | S900-363-002 | Blower Assembly | X | X | X | |
| 1 | S900-363-001 | Blower Assembly | X | |||
| 2 | 917-0381BX | Evaporator Coil with Distributor Assembly | X | |||
| 2 | 917-0382BX | Evaporator Coil – Coated with Distributor Assembly | X | |||
| 2 | 917-0353BX | Evaporator Coil with Distributor Assembly | X | X | X | |
| 2 | 917-0354BX | Evaporator Coil – Coated with Distributor Assembly | X | X | X | |
| 3 | 800-0458 | Distributor Assembly | X | |||
| 3 | 800-0481 | Distributor Assembly | X | X | X | |
| 4 | 1171-023 | 1/4″ Receptacle | X | X | X | X |
| 5 | 1171-024 | 1/4″ Turn Retainer | X | X | X | X |
| 6 | 1171-022 | 1/4″ Turn Fastener | X | X | X | X |
| 7 | 8103-028 | Condenser Motor | X | X | X | X |
| 8 | 8200-001 | Fan Motor Mount | X | X | X | X |
| 8 | 8200-050 j | Stainless Steel Fan Motor Mount | X | X | X | X |
| 9 | 5151-033 | Fan Blade | X | X | X | X |
| 9 | 5151C033 j | Coated Fan Blade | X | X | X | X |
| 10 | CMC-31 | Dirty Filter Switch Kit | X | X | X | X |
| 11 | CMA-37 | Low Ambient Control (Screw On) | X | X | X | |
| 12 | 8000-433 | Compressor | X | |||
| 12 | 8000-434 | Compressor | X | |||
| 12 | 8000-435 | Compressor | X | |||
| 12 | 8000-436 | Compressor | X | |||
| 13 | 5051-205BX | Condenser Coil | X | |||
| 13 | 5054-205BX | Condenser Coil – Coated | X | |||
| 13 | 5051-204BX | Condenser Coil | X | X | X | |
| 13 | 5054-204BX | Condenser Coil – Coated | X | X | X | |
| 14 | 7004-011 | Air Filter 1″ Throw-Away (16x25x1) | X | X | X | X |
| 14 | 7003-032 | Air Filter 1″ Washable (16x25x1) | X | X | X | X |
| 14 | 7004-025 | Air Filter 2″ Pleated (16x25x2) | X | X | X | X |
| 14 | 7004-059 | Air Filter 2″ Pleated – MERV11 (16x25x2) | X | X | X | X |
| 14 | 7004-061 | Air Filter 2″ Pleated – MERV13 (16x25x2) | X | X | X | X |
| NS | 8406-142 | High Pressure Switch (Screw On) | X | X | X | X |
| NS | 8406-140 | Low Pressure Switch (Screw On) | X | X | X | X |
| NS | 5201-021 | Filter Drier | X | X | X | X |
| NS | 5451-024 | Tubing Isolation Grommet | X | X | X | X |
| NS | 6031-009 | Coremax Valve Core | X | X | X | X |
| NS | 1171-028 | Filter Door Clip | 2 | 2 | 2 | 2 |
| NS | 1171-057 | Filter Door Screw | 2 | 2 | 2 | 2 |
| NS | 1171-027 | Filter Door Screw Retainer | 2 | 2 | 2 | 2 |
| NS | CMC-29 | Freeze Thermostat Kit | X | X | X | X |
NS – Not Shown
- Used with stainless steel cabinet option
- Optional on these models
CONTROL PANEL

| Dwg No. | Part Number | Description | W1 | W2 | W2 | W2 |
| 1 | 117Y137 | Control Panel Top | X | X | X | X |
| 2 | 117Y407 | Control Panel | X | X | X | X |
| 3 | 8407-068 | Transformer | X | X | X | X |
| 4 | 8611-006 | Ground Terminal | X | X | X | X |
| 5 5 | 8401-033 8401-035 | Compressor Contactor Compressor Contactor | X | X | X | X |
| 6 | 135-122 | Wire Shield | X | X | X | X |
| 7 | S8201-169 | Compressor Control Module | X | X | X | X |
| 9 | 8607-017 | Terminal Block (Optional) | X | X | X | X |
| 10 10 10 | 8552-047 8552-050 S8552-002 | Compressor Capacitor Compressor Capacitor Outdoor Motor Capacitor | X | X |
X |
X |
| 11 | 8201-130 | Alarm Relay (Optional) | X | X | X | X |
| 12 | 8551-004 | Start Device (PTCR) (Optional) | X | X | X | X |
| 13 | 8607-062 | Low Voltage Terminal Strip | X | X | X | X |
| 14 14 | 8611-140-1400 8611-140-0500 | Cable Duct – 14″ Piece Cable Duct – 5″ Piece | X X | X X | X X | X X |
| 15 | 8201-126 | Phase Monitor | X | X | ||
| 16 | 8607-042 | Blower Speed Terminal | X | X | X | X |
| 17 | 8201-130 | Blower Control Relay | X | X | X | X |
| 18 | 141-188 | Plug Support Bracket | X | X | X | X |
| NS | 3000-1598 | Bower Power Plug | X | X | X | X |
| NS NS | 3000-1607 3000-1599 | Blower Speed Plug Blower Speed Plug | X | X | X | X |
| NS | 3000-1524 | Vent Jumper Plug | X | X | X | X |
| NS | 8615-035 | Circuit Breaker 20A 2 Pole (Opt.) j | X | |||
| NS | 8615-036 | Circuit Breaker 25A 2 Pole (Opt.) j | X | |||
| NS | S8615-067 | Toggle Disconnect (Optional) j | X | |||
| NS | 8615-056 | Circuit Breaker 15A 3 Pole (Opt.) j | X | |||
| NS NS | 8607-013 113-601 | Terminal Block 2 Pole Terminal Block Bracket | X X | |||
| NS | 4095-197 | Wiring Diagram | X | |||
| NS | 4095-196 | Wiring Diagram | X | |||
| NS | 4095-296 | Wiring Diagram | X | |||
| NS | 4095-640 | Wiring Diagram | X | |||
| NS NS | 3000-1224 3000-1231 | Compressor Plug/Harness Compressor Plug/Harness | X | X | X | X |
| NS NS NS NS | 3003-047 3003-048 3003-049 3003-052 | Control Panel Harness Control Panel Harness Control Panel Harness Control Panel Harness |
X | X | X |
X |
| NS | 3000-1608 | Low Voltage Terminal Block Harness | X | X | X | X |
| NS | S910-2048 | Complete Low Voltage Box Assembly (Sheet Metal, LVTS & Wire Harness) | X | X | X | X |
| NS | 8201-074 | Power Switch Relay | X |
BLOWER ASSEMBLY

| Dwg No. | Part Number | Description | S90 | S90 |
| 1 1 1 1 | S8105-064-0147 S8105-064-0148 C8105-064-0147 C8105-064-0148 | Blower Motor & Control (230/208V) Blower Motor & Control (230/208V) Programmed Control Only (230/208V) Programmed Control Only (230/208V) | X O | X O |
| 2 | 151-115 | Housing | 2 | 2 |
| 3 | 144-183 | Cutoff | X | X |
| 4 | 5152-092 | Wheel 9-6 CW | X | X |
| 5 | 5152-093 | Wheel 9-6 CCW | X | X |
| 6 | 105-1061 | Back Brace | X | X |
| 7 | 5451-011 | Grommets | 6 | 6 |
| 8 | 8200-031 | Motor Mount | X | X |
| 9 | 103-435 | Front Brace | X | X |
| 10 | 113-761 | Motor Control Bracket | X | X |


















