
REPLACEMENT PARTS MANUAL
MULTI-TEC ® Wall-Mount
Air Conditioner
Models:
W30LBPA,W30LBPB, W30LBPC, W30LBPF, W36LBPA, W36LBPB, W36LBPC, W36LBPF
Bard Manufacturing Company, Inc.
Bryan, Ohio 43506
Manual: 2110-1459C
Supersedes: 2110-1459B
Date: 4-19-21
www.bardhvac.com
CABINET COMPONENTS

| Dwg No. | Part Number | Description | W30LBPA, B | W30LBPC | W30LBPF | W36LBPA, B | W36LBPC | W36LBPF |
| 1 1 1 | 113-149-* 1 113-360 2 113-149-4 3 | Top Rain Flashing Top Rain Flashing Top Rain Flashing | X X X | X X X | X X X | X X X | X X X | X X X |
| 2 2 2 | S507-308-* 2 S507-319 2 S507-320 3 | Top Top Top | X X X | X X X | X X X | X X X | X X X | X X X |
| 3 3 | S123-130 S123-143 23 | Drain Pan Drain Pan | X X | X X | X X | X X | X X | X X |
| 4 4 4 | S509-451 S509-455 2 S509-453 3 | Upper Back Upper Back Upper Back | X X X | X X X | X X X | X X X | X X X | X X X |
| 5 | 105-1302 | Grommet Retainer | X | X | X | X | X | X |
| 6 6 6 | S501-935-* 1 S501-998 2 S501-943 3 | Right Side Right Side Right Side | X X X | X X X | X X X | X X X | X X X | X X X |
| 7 7 7 | S543-175-* 1 S543-185 2 S543-184 3 | Right Side Cover Plate (Outer) Right Side Cover Plate (Outer) Right Side Cover Plate (Outer) | X X X | X X X | X X X | X X X | X X X | X X X |
| 8 | 113Y480 | Filter Bracket | 2 | 2 | 2 | 2 | 2 | 2 |
| 9 | 137-259 | Fill Plate | X | X | X | X | X | X |
| 10 10 | S132-104 S132-172 | Control Panel Cover (Inner) Control Panel Cover (Inner) | X | X | X | X | X | X |
| 11 | 113-140 | Bottom Mounting Bracket | X | X | X | X | X | X |
| 12 12 12 | S153-218 1 S153-405 2 S153-387 3 | Disconnect Access Door Disconnect Access Door Disconnect Access Door | X X X | X X X | X X X | X X X | X X X | X X X |
| 13 13 13 | S533-228 1 S533-235 2 S533-236 3 | Control Panel Cover (Outer) Control Panel Cover (Outer) Control Panel Cover (Outer) | X X X | X X X | X X X | X X X | X X X | X X X |
| 14 14 14 | 118-124-* 1 118-140 2 118-139 3 | Side Grille Side Grille Side Grille | 2 2 2 | 2 2 2 | 2 2 2 | 2 2 2 | 2 2 2 | 2 2 2 |
| 15 | Control Panel Assembly | See Control Panel Assy. Drawing & Parts List Assy. | X | X | X | X | X | X |
| 17 17 | S536-498 S536-877 2 | Cond. Partition Block Off Plate Cond. Partition Block Off Plate | X X | X X | X X | X X | X X | X X |
| 18 18 | S127-472 S127-533 2 | Lower Base Lower Base | X X | X X | X X | X X | X X | X X |
| 19 19 | 125-081 125-083 2 | Fan Shroud Fan Shroud | X X | X X | X X | X X | X X | X X |
| 20 20 | S521Y527 S521*-561 2 | Condenser Partition Condenser Partition | X X | X X | X X | X X | X X | X X |
| 22 22 22 | 118-104-* 1 118-109 2 118-114 3 | Condenser Grille Condenser Grille Condenser Grille | X X X | X X X | X X X | X X X | X X X | X X X |
| 23 23 23 | S553-523-* 1 S553-549 2 S553-550 3 | Vent Option Door Vent Option Door Vent Option Door | X X X | X X X | X X X | X X X | X X X | X X X |
| 24 24 24 | S553-524-* 1 S553-553 2 S553-554 3 | Filter Door Filter Door Filter Door | X X X | X X X | X X X | X X X | X X X | X X X |
| 25 25 25 | S514-241-* 1 S514-238 2 S514-239 3 | Upper Front Upper Front Upper Front | X X X | X X X | X X X | X X X | X X X | X X X |
| 26 | 121Y467 | Blower Partition | ||||||
| 27 | 105Y850 | Side Support | ||||||
| 28 | 137-685 | Bottom Evaporator Fill | ||||||
| 29 29 29 | S501-936-* 1 S501-999 2 S501-946 3 | Left Side Left Side Left Side | X X X | X X X | X X X | X X X | X X X | X X X |
| 30 | 147-044 | Evaporator Support | X | X | X | X | X | X |
| 31 | S111Y030 | Outlet Air Frame Assembly | X | X | X | X | X | X |
| 32 | 135Y123 | Heat Shield | X | X | X | X | X | X |
| 33 33 33 | 109-450 109-454 2 109-452 3 | Lower Back Lower Back Lower Back | X X X | X X X | X X X | X X X | X X X | X X X |
| NS | 135-329 | Air Baffle | X | X | X | X | X | X |
| NS | BOP-3 | Blank Off Plate | X | X | X | X | X | X |
| NS | 5252-033 | Bard Nameplate | X | X | X | X | X | X |
- Exterior cabinet parts are manufactured with various paint color options. To ensure the proper paint color is received, include the complete model and a serial number of the unit for which cabinet parts are being ordered.
- Exterior cabinet parts are manufactured from stainless steel Code “S”
- Exterior cabinet parts are manufactured from aluminum Code “A”
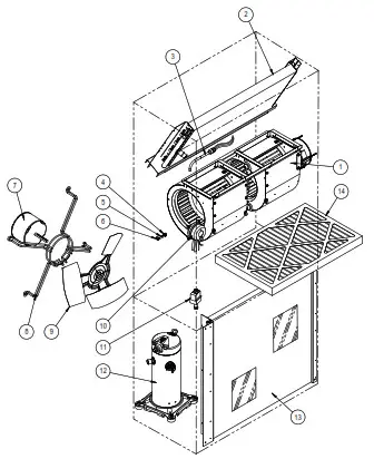
FUNCTIONAL COMPONENTS
SEXP-945
FUNCTIONAL COMPONENTS
NS – Not Shown
- – Used with stainless steel cabinet option
- – Optional on these models
CONTROL PANEL
SEXP-883 A

* Replacement part will have a letter attached to the end of the part number to designate software version (Example: 8301-068-001A). A software upgrade of all PLCs onsite (units and controllers) should accompany any PLC replacement. Latest revisions of software, changelog and instructions are available on the Bard website at http://www.bardhvac.com/software-download/
Circuit breakers listed are for units without electric heat, “0Z” models. Hot gas bypass models not available without electric heat. See heater replacement parts manual for units with electric heat.
NS = Not Shown
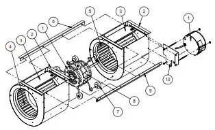
BLOWER ASSEMBLY

FREE COOLING COMPONENTS


FREE COOLING AIR HOOD


- Exterior cabinet parts are manufactured with various paint color options. To ensure the proper paint color is received, reference the following codes: Beige -X Buckeye Gray -4 White -1
- Exterior cabinet parts are manufactured from stainless steel Code “S”
- Exterior cabinet parts are manufactured from aluminum Code “A”
FREE COOLING DAMPER MOTOR





















