Wall Mount Air Conditioner
REPLACEMENT PARTS MANUAL
| Models: | |||
| W42AC-A | W48AC-A | W60AC-A | W72AC-A |
| W42AC-B | W48AC-B | W60AC-B | W72AC-B |
| W42AC-C | W48AC-C | W60AC-C | W72AC-C |
| W42AC-E | W48AC-E | W60AC-E | W72AC-F |
| W42AC-F | W48AC-F | W60AC-F | W72ACDA |
| W42ACDA | W48ACDA | W60ACDA | W72ACDB |
| W42ACDB | W48ACDB | W60ACDB | W72ACDC |
| W42ACDC | W48ACDC | W60ACDC | W72ACRC |
| W42ACRC | W48ACRC | W60ACRC | |
General Notes
- Revised and/or additional pages may be issued from time to time.
- A complete and current manual consists of pages shown in the following contents section.
Important
- Contact the installing and/or local Bard distributor for all parts requirements. Make sure to have the complete model and serial number available from the unit rating plates.
EXTERNAL PARTS – STANDARD & DEHUMIDIFICATION



- Exterior cabinet parts are manufactured with various paint color options. To ensure the proper paint color is received, include the complete model and serial number
of the unit for which cabinet parts are being ordered.
X – Standard Component
O – Optional Component - Exterior cabinet parts are manufactured from aluminum Code “A”. #24 – Top rain flashing not available in aluminum; order 113-150-4 (Buckeye Gray).
- Exterior cabinet parts are manufactured from stainless steel Code “S”


- Exterior cabinet parts are manufactured with various paint color options. To ensure the proper paint color is received, include the complete model and serial number of the unit for which cabinet parts are being ordered.
X – Standard Component
O – Optional Component - Exterior cabinet parts are manufactured from aluminum Code “A”. #24 – Top rain flashing not available in aluminum; order 113-150-4 (Buckeye Gray).
- Exterior cabinet parts are manufactured from stainless steel Code “S”
INTERNAL PARTS – STANDARD & DEHUMIDIFICATION



- Exterior cabinet parts are manufactured from stainless steel Code “S”
- For aluminum units, order 523-162 stainless steel drain pan.
X – Standard Component
O – Optional Component


- Exterior cabinet parts are manufactured from stainless steel Code “S”
- For aluminum units, order 523-162 stainless steel drain pan.
X – Standard Component
O – Optional Component
FUNCTIONAL COMPONENTS – STANDARD & DEHUMIDIFICATION







EEV CONTROLLER ASSEMBLY



CONTROL PANEL – STANDARD & DEHUMIDIFICATION



NS = Not Shown
X – Standard Component
O – Optional Component
- Circuit breakers listed are for units without electric heat, “0Z” models. See heater replacement parts manual for units with electric heat.


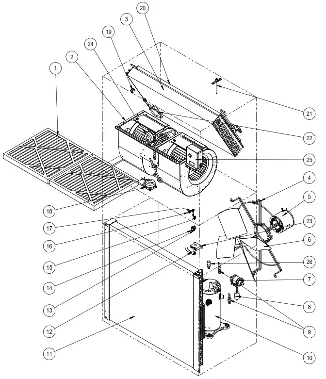
BLOWER ASSEMBLY


Bard Manufacturing Company, Inc.
Bryan, Ohio 43506
www.bardhvac.com


















