WG3S2WG3S2Bard Wall Mounted GasElectric User Manual
WG3S2
REPLACEMENT PARTS MANUAL
Bard
Wall Mounted Gas/Electric | |||||
Models: | |||||
WG3S2-A | WG3S2-A | WG3S2-A | WG3S2CB | WG3S2-C | WG3S2CC |
WG4S2-A | WG4S2-A | WG4S2-B | WG4S2CB | WG4S2-C | WG4S2CC |
WG5S2-A | WG5S2CA | WG5S2-B | WG5S2CB | WG5S2-C | WG5S2CC |
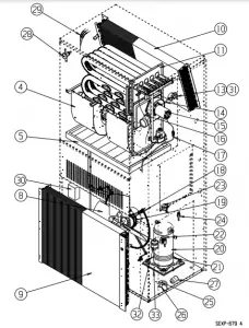
CABINET COMPONENTS

Drawing No. | Part No. | Description | WG3S2 | WG4S2 | WG5S2 |
| 1 1 | S501-570-* S501-500-* | Right Side Assembly Right Side Assembly | X | X | X |
2 | S153-326-* | Vestibule Service Door | X | X | X |
3 | 105X1073 | Right Evaporator Support Angle | X | X | X |
4 | 541-266 | Right Drain Pan Support Assembly | X | X | X |
5 | S523-123 | Drain Pan Assembly | X | X | X |
6 | 105-1080 | Evaporator Coil Fill Angle | X | X | X |
7 | 509-156 | Upper Back | X | X | X |
8 | 111-063 | Supply Air Frame | 2 | 2 | 2 |
9 | 103-439 | Heat Exchanger Support Offset | X | X | X |
10 | Heat Exch Assy | See Burner Components Diagram | |||
11 | 105-1066 | Top Heat Exchanger Deflector | X | X | X |
12 | 135-216 | Inner Air Baffle | X | X | X |
13 | 165-563-* | Top Rain Channel | X | X | X |
14 | 507-246-* | Top Assembly | X | X | X |
15 | 135-184 | Right Heat Exchanger Deflector | X | X | X |
16 | 105Y1073 | Left Evaporator Support Angle | X | X | X |
17 | 105-1076 | Lower Heat Exchanger Deflector | X | X | X |
18 18 | 501-788-* 501-780-* | Left Side Assembly Left Side Assembly | X | X | X |
19 | 543-070-* | Left Access Cover | X | X | X |
20 | 105-1070 | Left Support Angle | X | X | X |
21 | S120-484 | Blower Partition | X | X | X |
23 | S919-0009 | Filter Tray | X | X | X |
24 | 1921-051 | Vent Terminal Gasket | X | X | X |
25 25 | 118-084-* 118-058-* | Side Grille Side Grille | 2 | 2 | 2 |
Continued…… | |||||
* Exterior cabinet parts are manufactured with various paint color options. To ensure the proper paint color is received, reference the following codes: Beige -X, Buckeye Gray -4, Dark Bronze -8
Continued … | |||||
Drawing No. | Part No. | Description | WG3S2 | WG4S2 | WG5S2 |
27 | S553-562-* | Filter Access Panel Assembly | X | X | X |
28 | S553-561-* | Front Door Assembly | X | X | X |
29 | 553-327-* | Vent Option Door Assembly | X | X | X |
30 | 169-119 | Outer Vent Hood | X | X | X |
31 | 169-120 | Inner Vent Hood | X | X | X |
32 | WGBFAD-5 | Barometric Fresh Air Damper | X | X | X |
33 | 118-048-* | Condenser Grille | X | ||
33 | 118-052-* | Condenser Grille | X | X | |
| 34 | 549-131-* | Right Front Corner Assembly | X | X | X |
35 | S135-181-* | Air Intake Hood | X | X | X |
36 | S134-182-* | Air Intake Back | X | X | X |
| 37 | 125-051 | Fan Shroud | X | ||
37 | 125-050 | Fan Shroud | X | X | |
38 | 542-072 | Condenser Partition Blank Off Plate | X | X | X |
39 | 541-398 | Heat Exchanger Support Assembly | X | X | X |
40 | 142-071 | Filter Blank Off Plate | X | X | X |
| 41 | 127-561 | Lower Base | X | X | X |
42 | 103-438 | Lower Base Offset | 3 | 3 | 3 |
43 | Control Panel Assembly | See pages 12 and 13 | |||
| 44 | 521-420 | Condenser Partition Assembly | X | X | X |
45 | 509-157 | Lower Back Assembly | X | ||
45 | 509-205 | Lower Back Assembly | X | X | |
46 | 113-268 | Manifold Bracket | X | X | X |
47 | 113-140 | Bottom Support Bracket | X | X | X |
| 48 | S132-205 | Circuit Breaker Inner Door 230V | X | X | |
48 | S132-350 | Circuit Breaker Inner Door 460V | X | ||
49 | S533-162-* | Control Panel Cover Assembly | X | X | X |
50 | S153-328-* | Disconnect Access Door | X | X | X |
51 | 134-193 | Conduit Access Panel | X | X | X |
| 52 | 156-029 | Conduit Entrance Plate | X | X | X |
| 53 | 553-388-* | Upper Door Assembly | X | X | X |
Exterior cabinet parts are manufactured with various paint color options. To ensure the proper paint color is received, reference the following codes: Beige -X, Buckeye Gray -4, Dark Bronze -8
FUNCTIONAL COMPONENTS

| Drawing No | No. Part No | Description | WG3S2-A | WG3S2-B | WG3S2-C | WG4S2-A | WG4S2-B | WG4S2-C | WG5S2-A | WG5S2-B | WG5S2-C |
4 | Blower Assy | See page 14 | |||||||||
5 5 5 5 | 7004-027 7004-049 7004-064 7003-030 | 20 x 30 x 2 Pleated MERV 8 Filter (Standard) 20 x 30 x 2 Pleated MERV 11 Filter (Optional) 20 x 30 x 2 Pleated MERV 13 Filter (Optional) 20 x 30 x 1 Washable Filter (Optional) | X X X X | X X X X | X X X X | X X X X | X X X X | X X X X | X X X X | X X X X | X X X X |
8 | 5151-060 | Fan Blade | X | X | X | X | X | X | X | X | X |
9 9 | 5051-131BX 5051-129BX | Coil Coil | X | X | X | X | X | X | X | X | X |
10 10 | 5060-106BX 5060-105BX | Coil Coil | X | X | X | X | X | X | X | X | X |
11 | Heat Exchanger | See Burner Components Diagram | |||||||||
13 | 8406-103 | .55″ + .05″ Pressure Switch | X | X | X | X | X | X | X | X | X |
14 | 5452-008 | 6″ Silicone Hose | X | X | X | X | X | X | X | X | X |
15 15 | 8109-014 8109-015 | Induced Draft Blower 230V w/Transition Induced Draft Blower 460V w/Transition | X | X | X | X | X | X | X | X | X |
16 | 8600-011 | Suppression Ignition Cable | X | X | X | X | X | X | X | X | X |
17 | 3000-1255 | Wire Assembly | X | X | X | X | X | X | X | X | X |
18 | 8200-004 | Fan Motor Mount | X | X | X | X | X | X | X | X | X |
19 19 | 8105-068 8105-071 | Motor 230/208V Motor 460V | X | X | X | X | X | X | X | X | X |
20 20 20 20 20 20 20 20 20 | 8000-379 8000-380 8000-381 8000-382 8000-383 8000-384 8000-385 8000-386 8000-387 | Compressor ZPS30K5E-PFV-130 Compressor ZPS30K5E-TF5-130 Compressor ZPS30K5E-TFD-130 Compressor ZPS40K5E-PFV-130 Compressor ZPS40K5E-TF5-130 Compressor ZPS40K5E-TFD-130 Compressor ZPS51K5E-PFV-130 Compressor ZPS51K5E-TF5-130 Compressor ZPS51K5E-TFD-130 | X | X | X | X | X | X | X | X | |
21 21 21 21 | 8605-017 8605-018 8605-019 8605-020 | Compressor Crankcase Heater 230V Compressor Crankcase Heater 460V Compressor Crankcase Heater 230V Compressor Crankcase Heater 460V | X | X | X | X | X | X | X | X | X |
| 22 22 22 22 | 3000-1224 3000-1231 3000-1222 3000-1230 | Compressor Power Plug with Wires Compressor Power Plug with Wires Compressor Power Plug with Wires Compressor Power Plug with Wires | X | X | X | X | X | X | X | X | X |
23 | 3000-1223 | Staging Solenoid Plug with Wires | X | X | X | X | X | X | X | X | X |
24 | 8406-140 | Low Pressure Switch | X | X | X | X | X | X | X | X | X |
25 | 8406-141 | High Pressure Switch | X | X | X | X | X | X | X | X | X |
26 | 8406-112 | Low Ambient Control Switch (Opt.) | X | X | X | X | X | X | X | X | X |
27 27 | 5201-001 5201-002 | Refrigerant Filter Drier Refrigerant Filter Drier | X | X | X | X | X | X | X | X | X |
28 28 28 | 5651-206 5651-207 5651-208 | Refrigerant Expansion Valve Refrigerant Expansion Valve Refrigerant Expansion Valve | X | X | X | X | X | X | X | X | X |
| 29 29 | 5625-008 5625-036 | Refrigerant Distributor Refrigerant Distributor | X | X | X | X | X | X | X | X |
X |
30 30 | 8407-003 8407-004 | Step-Down Transformer Step-Down Transformer | X | X | X | ||||||
31 | 8620-189 | High Altitude Pressure Switch Kit | X | X | X | X | X | X | X | X | X |
32 | 5220-013 | Discharge Muffler | X | X | X | X | X | X | X | X | X |
33 | 5451-018 | Lower Compressor Mounting Grommet | 4 | 4 | 4 | 4 | 4 | 4 | 4 | 4 | 4 |
NS | 8002-012 | Compressor Sound Bag | X | X | X | ||||||
NS | 8002-013 | Compressor Sound Bag | X | X | X | X | X | X | |||
NS | 6031-009 | Coremax Valve Core | X | X | X | X | X | X | X | X | X |
BURNER COMPONENTS

Drawing No. | Part No. | Description | WG3S2-AXA | WG3S2-ANA | WG3S2-BXA | WG3S2-BNA | WG3S2-CXA | WG3S2-CAN | WG3S2-AXB | WG3S2-ANB | WG3S2-BXB | WG3S2-BNB | WG3S2-CXB | WG3S2-CNB | WG3S2-AXC | WG3S2-ANC | WG3S2-BXC | WG3S2-BNC | WG3S2-CXC | WG3S2-CNC | WG3S2-AXD | WG3S2-BXD | WG3S2-CXD |
1 1 1 1 | S171-326 S171-328 S171-330 S171-332 | Heat Exchanger Assembly 50K Heat Exchanger Assembly 75K Heat Exchanger Assembly 100K Heat Exchanger Assembly 125K | X | X | X | X | X | X | X | X | X | X | X | X | X | X | X | X | X | X | X | X | X |
| 2 | 113-268 | Manifold Bracket | X | X | X | X | X | X | X | X | X | X | X | X | X | X | X | X | X | X | X | X | X |
4 4 4 4 | 8402-184 8402-183 8402-179 8402-178 | Limit Switch L300-30 Limit Switch L190-40 Limit Switch L130-30 Limit Switch L120-30 | X | X | X | X | X | X | X | X | X | X | X | X | X | X | X | X | X | X | X | X | X |
| 5 | 9010-083 | NOx Screen | 2 | 2 | 2 | 3 | 3 | 3 | 4 | 4 | 4 | ||||||||||||
| 7 7 7 7 | 168-149
168-126 168-127 168-128 | Collector Box Collector Box Collector Box Collector Box | X | X | X | X | X | X | X | X | X | X | X | X | X | X | X | X | X | X | X | X | X |
| 8 | 1921-044 | Gasket Set | X | X | X | X | X | X | X | X | X | X | X | X | X | X | X | X | X | X | X | X | X |
| 9 | 5809-017 | 3.031″ x 4.625″ Transition | X | X | X | X | X | X | X | X | X | X | X | X | X | X | X | X | X | X | X | X | X |
| 11 11 | 9010-079 9010-082 | Orifice 2.40mm (0.0960 diameter) Orifice 2.30mm (10% derate & .0905 diameter) | 2 2 | 2 | 2 2 | 2 | 2 2 | 2 | 3 3 | 3 | 3 3 | 3 | 3 3 | 3 | 4 4 | 4 | 4 4 | 4 | 4 4 | 4 | 5 5 | 5 5 | 5 5 |
| 12 | 1012-314 | U-Clip Fastener | 4 | 4 | 4 | 4 | 4 | 4 | 4 | 4 | 4 | 4 | 4 | 4 | 4 | 4 | 4 | 4 | 4 | 4 | 4 | 4 | 4 |
| 13 13 13 13 | 163-050 163-049 163-052 163-051 | Burner Box Burner Box Burner Box Burner Box | X | X | X | X | X | X | X | X | X | X | X | X | X | X | X | X | X | X | X | X | X |
| 14 14 14 | 141-493 141-494 141-439 | Flame Rollout Support Flame Rollout Support Flame Rollout Support | X | X | X | X | X | X | X | X | X | X | X | X | X | X | X | X | X | X | X | X | X |
| 15 | 8402-124 | Flame Rollout Switch L270 | X | X | X | X | X | X | X | X | X | X | X | X | X | X | X | X | X | X | X | X | X |
| 16 | 9010-078 | In-Shot Burner 2.5 x 4.5 | 2 | 2 | 2 | 2 | 2 | 2 | 3 | 3 | 3 | 3 | 3 | 3 | 4 | 4 | 4 | 4 | 4 | 4 | 5 | 5 | 5 |
| 17 17 17 17 | 163-048 163-041 163-043 163-045 | Burner Support Burner Support Burner Support Burner Support | X | X | X | X | X | X | X | X | X | X | X | X | X | X | X | X | X | X | X | X | X |
| 18 | 8554-024 | DSI Spark Ignitor | X | X | X | X | X | X | X | X | X | X | X | X | X | X | X | X | X | X | X | X | X |
| 19 | 8554-025 | Flame Sensor | X | X | X | X | X | X | X | X | X | X | X | X | X | X | X | X | X | X | X | X | X |
| 20 20 20 20 | 5818-053 5818-054 5818-055 5818-056 | 2-Hole Gas Manifold 3-Hole Gas Manifold 4-Hole Gas Manifold 5-Hole Gas Manifold | X | X | X | X | X | X | X | X | X | X | X | X | X | X | X | X | X | X | X | X | X |
| 21 | 5651-160 | Natural Gas Valve 1/2″ x 1/2″ | X | X | X | X | X | X | X | X | X | X | X | X | X | X | X | X | X | X | X | X | X |
| 22 22 22 22 | 168-140 168-135 168-134 168-133 | Tube Brace 2-Burner Tube Brace 3-Burner Tube Brace 4-Burner Tube Brace 5-Burner | X | X | X | X | X | X | X | X | X | X | X | X | X | X | X | X | X | X | X | X | X |
| 23 23 | 112-355 113-475 | Limit Bracket Limit Bracket | X | X | X | X | X | X | X | X | X | X | X | X | X | X | X | X | X | X | X | X | X |
| NS NS | WGCK-1 WGCK-3 | Propane Conversion Kit (0-6000’ Altitude) Propane Conversion Kit (6-10000’ Altitude) | X X | X X | X X | X X | X X | X X | X X | X X | X X | X X | X X | X X | X X | X X | X X | X X | X X | X X | X X | X X | X X |
| NS | 4085-154 | Wiring Diagram | X | X | X | X | |||||||||||||||||
| NS | 4085-155 | Ladder Diagram | X | X | X | X | |||||||||||||||||
| NS | 4085-156 | Wiring Diagram | X | X | X | ||||||||||||||||||
| NS | 4085-157 | Ladder Diagram | X | X | X | ||||||||||||||||||
| NS | 4085-254 | Wiring Diagram | X | X | X | X | |||||||||||||||||
| NS | 4085-269 | Ladder Diagram | X | X | X | X | |||||||||||||||||
| NS | 4085-255 | Wiring Diagram | X | X | X | ||||||||||||||||||
| NS | 4085-270 | Ladder Diagram | X | X | X | ||||||||||||||||||
| NS | 4085-377 | Wiring Diagram | X | X | X | X | |||||||||||||||||
| NS | 4085-392 | Ladder Diagram | X | X | X | X | |||||||||||||||||
| NS | 4085-378 |
| X | X | X | ||||||||||||||||||
| NS | 4085-393 |
| X | X | X | ||||||||||||||||||
| NS | 900-285-001 |
| X | X | X | X | X | X | X | X | X | X | X | X | |||||||||
| NS | 900-285-002 |
| X | X | X | X | X | X | X | X | X |
| Drawing No | Part No. | Description | WG4S2-AXA | WG4S2-ANA | WG4S2-BXA | WG4S2-BNA | WG4S2-CXA | WG4S2-CAN | WG4S2-AXB | WG4S2-ANB | WG4S2-BXB | WG4S2-BNB | WG4S2-CXB | WG4S2-CNB | WG4S2-AXC | WG4S2-ANC | WG4S2-BXC | WG4S2-BNC | WG4S2-CXC | WG4S2-CNC | WG4S2-AXD | WG4S2-BXD` | WG4S2-CXD |
| 1 1 1 1 | S171-326 S171-328 S171-330 S171-332 | Heat Exchanger Assembly 50K Heat Exchanger Assembly 75K Heat Exchanger Assembly 100K Heat Exchanger Assembly 125K | X | X | X | X | X | X | X | X | X | X | X | X |
X |
X |
X |
X |
X |
X |
X |
X |
X |
| 2 | 113-268 | Manifold Bracket | X | X | X | X | X | X | X | X | X | X | X | X | X | X | X | X | X | X | X | X | X |
| 4 4 4 4 | 8402-184 8402-183 8402-181 8402-179 | Limit Switch L300-30 Limit Switch L190-40 Limit Switch L150-30 Limit Switch L130-30 | X | X | X | X | X | X | X | X | X | X | X | X |
X |
X |
X |
X |
X |
X |
X |
X |
X |
| 5 | 9010-083 | NOx Screen | 2 | 2 | 2 | 3 | 3 | 3 | 4 | 4 | 4 | ||||||||||||
| 7 7 7 7 | 168-149 168-126 168-127 168-128 | Collector Box Collector Box Collector Box Collector Box | X | X | X | X | X | X | X | X | X | X | X | X |
X |
X |
X |
X |
X |
X |
X |
X |
X |
| 8 | 1921-044 | Gasket Set | X | X | X | X | X | X | X | X | X | X | X | X | X | X | X | X | X | X | X | X | X |
| 9 | 5809-017 | 3.031″ x 4.625″ Transition | X | X | X | X | X | X | X | X | X | X | X | X | X | X | X | X | X | X | X | X | X |
| 11 11 | 9010-079 9010-082 | Orifice 2.40mm (0.0960 diameter) Orifice 2.30mm (10% derate & .0905 diameter) | 2 2 | 2 | 2 2 | 2 | 2 2 | 2 | 3 3 | 3 | 3 3 | 3 | 3 3 | 3 | 4 4 | 4 | 4 4 | 4 | 4 4 | 4 | 5 5 | 5 5 | 5 5 |
| 12 | 1012-314 | U-Clip Fastener | 4 | 4 | 4 | 4 | 4 | 4 | 4 | 4 | 4 | 4 | 4 | 4 | 4 | 4 | 4 | 4 | 4 | 4 | 4 | 4 | 4 |
| 13 13 13 13 | 163-050 163-049 163-052 163-051 | Burner Box Burner Box Burner Box Burner Box | X | X | X | X | X | X | X | X | X | X | X | X |
X |
X |
X |
X |
X |
X |
X |
X |
X |
| 14 14 14 | 141-493 141-494 141-439 | Flame Rollout Support Flame Rollout Support Flame Rollout Support | X | X | X | X | X | X | X | X | X | X | X | X | X | X | X | X | X | X | X | X | X |
| 15 | 8402-124 | Flame Rollout Switch L270 | X | X | X | X | X | X | X | X | X | X | X | X | X | X | X | X | X | X | X | X | X |
| 16 | 9010-078 | In-Shot Burner 2.5 x 4.5 | 2 | 2 | 2 | 2 | 2 | 2 | 3 | 3 | 3 | 3 | 3 | 3 | 4 | 4 | 4 | 4 | 4 | 4 | 5 | 5 | 5 |
| 17 17 17 17 | 163-048 163-041 163-043 163-045 | Burner Support Burner Support Burner Support Burner Support | X | X | X | X | X | X | X | X | X | X | X | X | X | X | X | X | X | X | X | X | X |
| 18 | 8554-024 | DSI Spark Ignitor | X | X | X | X | X | X | X | X | X | X | X | X | X | X | X | X | X | X | X | X | X |
| 19 | 8554-025 | Flame Sensor | X | X | X | X | X | X | X | X | X | X | X | X | X | X | X | X | X | X | X | X | X |
| 20 20 20 20 | 5818-053 5818-054 5818-055 5818-056 | 2-Hole Gas Manifold 3-Hole Gas Manifold 4-Hole Gas Manifold 5-Hole Gas Manifold | X | X | X | X | X | X | X | X | X | X | X | X |
X |
X |
X |
X |
X |
X |
X |
X |
X |
| 21 | 5651-160 | Natural Gas Valve 1/2″ x 1/2″ | X | X | X | X | X | X | X | X | X | X | X | X | X | X | X | X | X | X | X | X | X |
| 22 22 22 22 | 168-140 168-135 168-134 168-133 | Tube Brace 2-Burner Tube Brace 3-Burner Tube Brace 4-Burner Tube Brace 5-Burner | X | X | X | X | X | X | X | X | X | X | X | X | X | X | X | X | X | X | X | X | X |
| 23 23 | 112-355 113-475 | Limit Bracket Limit Bracket | X | X | X | X | X | X | X | X | X | X | X | X | X | X | X | X | X | X | X | X | X |
| NS NS | WGCK-1 WGCK-3 | Propane Conversion Kit (0-6000’ Altitude) Propane Conversion Kit (6-10000’ Altitude) | X X | X X | X X | X X | X X | X X | X X | X X | X X | X X | X X | X X | X X | X X | X X | X X | X X | X X | X X | X X | X X |
| NS | 4085-154 | Wiring Diagram | X | X | X | X | |||||||||||||||||
| NS | 4085-155 | Ladder Diagram | X | X | X | X | |||||||||||||||||
| NS | 4085-156 | Wiring Diagram | X | X | X | ||||||||||||||||||
| NS | 4085-157 | Ladder Diagram | X | X | X | ||||||||||||||||||
| NS | 4085-254 | Wiring Diagram | X | X | X | X | |||||||||||||||||
| NS | 4085-269 | Ladder Diagram | X | X | X | X | |||||||||||||||||
| NS | 4085-255 | Wiring Diagram | X | X | X | ||||||||||||||||||
| NS | 4085-270 | Ladder Diagram | X | X | X | ||||||||||||||||||
| NS | 4085-377 | Wiring Diagram | X | X | X | X | |||||||||||||||||
| NS | 4085-392 | Ladder Diagram | X | X | X | X | |||||||||||||||||
| NS | 4085-378 | Wiring Diagram | X | X | X | ||||||||||||||||||
| NS | 4085-393 | Ladder Diagram | X | X | X | ||||||||||||||||||
| NS | 900-286-001 | Complete Blower Assembly | X | X | X | X | X | X | X | X | X | X | X | X | |||||||||
| NS | 900-286-002 | Complete Blower Assembly | X | X | X | X | X | X | X | X | X |
Drawing No. | Part No. | Description | WG4S2-AXA | WG4S2-ANA | WG4S2-BXA | WG4S2-BNA | WG4S2-CXA | WG4S2-CAN | WG4S2-AXB | WG4S2-ANB | WG4S2-BXB | WG4S2-BNB | WG4S2-CXB | WG4S2-CNB | WG4S2-AXC | WG4S2-ANC | WG4S2-BXC | WG4S2-BNC | WG4S2-CXC | WG4S2-AXD | WG4S2-AXD | WG4S2-BXD | WG4S2-CXD |
| 1 1 1 1 | S171-326 S171-328 S171-330 S171-332 | Heat Exchanger Assembly 50K Heat Exchanger Assembly 75K Heat Exchanger Assembly 100K Heat Exchanger Assembly 125K | X | X | X | X | X | X | X | X | X | X | X | X |
X |
X |
X |
X |
X |
X |
X |
X |
X |
| 2 | 113-268 | Manifold Bracket | X | X | X | X | X | X | X | X | X | X | X | X | X | X | X | X | X | X | X | X | X |
| 4 4 4 4 | 8402-184 8402-183 8402-181 8402-179 | Limit Switch L300-30 Limit Switch L190-40 Limit Switch L150-30 Limit Switch L130-30 | X | X | X | X | X | X | X | X | X | X | X | X |
X |
X |
X |
X |
X |
X |
X |
X |
X |
| 5 | 9010-083 | NOx Screen | 2 | 2 | 2 | 3 | 3 | 3 | 4 | 4 | 4 | ||||||||||||
| 7 7 7 7 | 168-149 168-126 168-127 168-128 | Collector Box Collector Box Collector Box Collector Box | X | X | X | X | X | X | X | X | X | X | X | X |
X |
X |
X |
X |
X |
X |
X |
X |
X |
| 8 | 1921-044 | Gasket Set | X | X | X | X | X | X | X | X | X | X | X | X | X | X | X | X | X | X | X | X | X |
| 9 | 5809-017 | 3.031″ x 4.625″ Transition | X | X | X | X | X | X | X | X | X | X | X | X | X | X | X | X | X | X | X | X | X |
| 11 11 | 9010-079 9010-082 | Orifice 2.40mm (0.0960 diameter) Orifice 2.30mm (10% derate & .0905 diameter) | 2 2 | 2 | 2 2 | 2 | 2 2 | 2 | 3 3 | 3 | 3 3 | 3 | 3 3 | 3 | 4 4 | 4 | 4 4 | 4 | 4 4 | 4 | 5 5 | 5 5 | 5 5 |
| 12 | 1012-314 | U-Clip Fastener | 4 | 4 | 4 | 4 | 4 | 4 | 4 | 4 | 4 | 4 | 4 | 4 | 4 | 4 | 4 | 4 | 4 | 4 | 4 | 4 | 4 |
| 13 13 13 13 | 163-050 163-049 163-052 163-051 | Burner Box Burner Box Burner Box Burner Box | X | X | X | X | X | X | X | X | X | X | X | X |
X |
X |
X |
X |
X |
X |
X |
X |
X |
| 14 14 14 | 141-493 141-494 141-439 | Flame Rollout Support Flame Rollout Support Flame Rollout Support | X | X | X | X | X | X | X | X | X | X | X | X | X | X | X | X | X | X |
X |
X |
X |
| 15 | 8402-124 | Flame Rollout Switch L270 | X | X | X | X | X | X | X | X | X | X | X | X | X | X | X | X | X | X | X | X | X |
| 16 | 9010-078 | In-Shot Burner 2.5 x 4.5 | 2 | 2 | 2 | 2 | 2 | 2 | 3 | 3 | 3 | 3 | 3 | 3 | 4 | 4 | 4 | 4 | 4 | 4 | 5 | 5 | 5 |
| 17 17 17 17 | 163-048 163-041 163-043 163-045 | Burner Support Burner Support Burner Support Burner Support | X | X | X | X | X | X | X | X | X | X | X | X |
X |
X |
X |
X |
X |
X |
X |
X |
X |
| 18 | 8554-024 | DSI Spark Ignitor | X | X | X | X | X | X | X | X | X | X | X | X | X | X | X | X | X | X | X | X | X |
| 19 | 8554-025 | Flame Sensor | X | X | X | X | X | X | X | X | X | X | X | X | X | X | X | X | X | X | X | X | X |
| 20 20 20 20 | 5818-053 5818-054 5818-055 5818-056 | 2-Hole Gas Manifold 3-Hole Gas Manifold 4-Hole Gas Manifold 5-Hole Gas Manifold | X | X | X | X | X | X | X | X | X | X | X | X |
X |
X |
X |
X |
X |
X |
X |
X |
X |
| 21 | 5651-160 | Natural Gas Valve 1/2″ x 1/2″ | X | X | X | X | X | X | X | X | X | X | X | X | X | X | X | X | X | X | X | X | X |
| 22 22 22 22 | 168-140 168-135 168-134 168-133 | Tube Brace 2-Burner Tube Brace 3-Burner Tube Brace 4-Burner Tube Brace 5-Burner | X | X | X | X | X | X | X | X | X | X | X | X |
X |
X |
X |
X |
X |
X |
X |
X |
X |
| 23 23 | 112-355 113-475 | Limit Bracket Limit Bracket | X | X | X | X | X | X | X | X | X | X | X | X | X | X | X | X | X | X | X | X | X |
| NS NS | WGCK-1 WGCK-3 | Propane Conversion Kit (0-6000’ Altitude) Propane Conversion Kit (6-10000’ Altitude) | X X | X X | X X | X X | X X | X X | X X | X X | X X | X X | X X | X X | X X | X X | X X | X X | X X | X X | X X | X X | X X |
| NS | 4085-154 | Wiring Diagram | X | X | X | X | |||||||||||||||||
| NS | 4085-155 | Ladder Diagram | X | X | X | X | |||||||||||||||||
| NS | 4085-156 | Wiring Diagram | X | X | X | ||||||||||||||||||
| NS | 4085-157 | Ladder Diagram | X | X | X | ||||||||||||||||||
| NS | 4085-254 | Wiring Diagram | X | X | X | X | |||||||||||||||||
| NS | 4085-269 | Ladder Diagram | X | X | X | X | |||||||||||||||||
| NS | 4085-255 | Wiring Diagram | X | X | X | ||||||||||||||||||
| NS | 4085-270 | Ladder Diagram | X | X | X | ||||||||||||||||||
| NS | 4085-377 | Wiring Diagram | X | X | X | X | |||||||||||||||||
| NS | 4085-392 | Ladder Diagram | X | X | X | X | |||||||||||||||||
| NS | 4085-378 | Wiring Diagram | X | X | X | ||||||||||||||||||
| NS | 4085-393 | Ladder Diagram | X | X | X | ||||||||||||||||||
| NS | 900-286-003 | Complete Blower Assembly | X | X | X | X | X | X | X | X | X | X | X | X | |||||||||
| NS | 900-286-004 | Complete Blower Assembly | X | X | X | X | X | X | X | X | X |
CONTROL PANEL

| Drawing No. | Part No. | Description | WG3S2-A | WG3S2-B | WG3S2-C | WG4S2-A | WG4S2-B | WG4S2-C | WG5S2-A | WG5S2-B | WG5S2-C |
1 | 517-276 | Control Box Wrapper | X | X | X | X | X | X | X | X | X |
2 | 113-269 | Circuit Breaker Base | X | X | X | X | X | X | |||
2 | 127-590 | Disconnect Base | X | X | X | ||||||
3 | 117-247 | Low Voltage Box | X | X | X | X | X | X | X | X | X |
4 | 117-248 | Low Voltage Partition | X | X | X | X | X | X | X | X | X |
5 | 8607-024 | Low Voltage Terminal Strip | X | X | X | X | X | X | X | X | X |
6 | 135-130 | Wire Shield | X | X | X | X | X | X | X | X | X |
7 | 5651-159 | Integrated Control Board | X | X | X | X | X | X | X | X | X |
8 | 8611-009 | Ground Lug | X | X | X | X | X | X | X | X | X |
9 | S8201-169 | Compressor Control Module | X | X | X | X | X | X | X | X | X |
10 10 | 8407-068 8407-069 | Transformer Transformer | X | X | X | X | X | X | X | X | X |
11 11 | 8201-009 8201-032 | Draft Inducer Motor Relay Draft Inducer Motor Relay | X | X | X | X | X | X | X | X | X |
12 | 8401-027 | Compressor Contactor | X | X | X | X | X | X | X | X | X |
| 14 14 14 14 14 | 8615-055 8615-052 S8615-101 8615-043 8615-040 | Circuit Breaker 40 Amp, 2-Pole Circuit Breaker 30 Amp, 3-Pole Rotary Disconnect Circuit Breaker 40 Amp, 3-Pole Circuit Breaker 50 Amp, 2-Pole | X | X |
X | X |
X |
X |
X |
X |
X |
| 15 15 15 15 15 | 8552-080 8552-005 8552-004 8552-094 8552-055 | Capacitor 40/10 MFD 370V Capacitor 10 MFD 370V Capacitor 7.5 MFD370V Capacitor 30/10 MFD 370V Capacitor 40/10 MFD 440V | X | X |
X |
X | X |
X |
X | X |
X |
| 16 16 16 | 8550-007 8550-003 8550-008 | Capacitor Bracket, 2” Round Capacitor Bracket, 1-1/4” Oval Capacitor Bracket, 2-1/2” Round | X | X | X |
X | X | X |
X | X | X |
| 17 | 8201-085 | Phase Monitor | X | X | X | X | X | X | |||
| 19 | 3000-1265 | Blower Motor Power Wire Harness | X | X | X | X | X | X | X | X | X |
| 20 | 3000-1254 | Blower Motor Control Wire Harness | X | X | X | X | X | X | X | X | X |
| 21 | 8615-041 | Fuse Block | X | X | X | ||||||
| 22 22 | 8614-046 8614-042 | 5 Amp Class CC Fuse 7 Amp Class CC Fuse | 2 | 2 | 2 | ||||||
| 23 | 8607-017 | Terminal Block 240V 2 Terminal | X | X | X | ||||||
| 24 | 3000-1253 | IFC Wire Assembly | X | X | X | X | X | X | X | X | X |
| 25 | 8614-045 | 3 Amp Fuse | X | X | X | X | X | X | X | X | X |
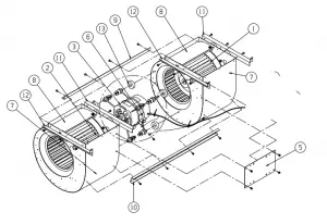
BLOWER ASSEMBLY

Wall-Mount Unit* – Blower Assembly Cross Reference | |
WG3S2 with 50/75K Heat | 900-285-001 |
WG3S2 with 100/125K Heat | 900-285-002 |
WG4S2 with 50/75K Heat | 900-286-001 |
WG4S2 with 100/125K Heat | 900-286-002 |
WG5S2 with 50/75K Heat | 900-286-003 |
| WG5S2 with 100/125K Heat | 900-286-004 |
* Refer to Burner Components on pages 9, 10 and 11 for model numbers.
Drawing No.; | Part No. | Description | 900-285-001
| 900-285-002
| 900-286-001
| 900-286-002
| 900-286-003
| 900-286-004
| |
| 1 | 5152-011 | Blower Wheel 10-8 | X | X | X | X | X | X | |
| 2 | 5152-012 | Blower Wheel 10-8 | X | X | X | X | X | X | |
| 3* | 8106-052-0045 | 1/2 HP Programmed Motor w/Control | X | ||||||
| 3* | 8106-052-0051 | 1/2 HP Programmed Motor w/Control | X | ||||||
| 3* | 8107-017-0046 | 3/4 HP Programmed Motor w/Control | X | ||||||
| 3* | 8107-017-0052 | 3/4 HP Programmed Motor w/Control | X | ||||||
| 3* | 8107-017-0047 | 3/4 HP Programmed Motor w/Control | X | ||||||
| 3* | 8107-017-0053 | 3/4 HP Programmed Motor w/Control | X | ||||||
| 5 | 112-344 | Control Mounting Plate | X | X | X | X | X | X | |
| 6 | 8200-040 | Motor Mount | X | X | X | X | X | X | |
| 7 | 151-101 | Blower Housing | 2 | 2 | 2 | 2 | 2 | 2 | |
| 8 | 144-166 | Diffuser | 2 | 2 | 2 | 2 | 2 | 2 | |
| 9 | 105-881 | Angle – Back | X | X | X | X | X | X | |
| 10 | 165-564 | Channel – Front | X | X | X | X | X | X | |
| 11 | 105X1075 | Angle – Right | 2 | 2 | 2 | 2 | 2 | 2 | |
| 12 | 105Y1075 | Angle – Left | 2 | 2 | 2 | 2 | 2 | 2 | |
| 13 | 5451-011 | Grommets | 6 | 6 | 6 | 6 | 6 | 6 |
*Refer to pages 9, 10 and 11 where both cooling and heating capacities are listed to match proper blower assembly internal parts required for specific application. They are listed at the bottom of the chart as NS (not shown).
General Notes
- Revised and/or additional pages may be issued from time to time.
- A complete and current manual consists of pages shown in the following contents section.
Important
- Contact the installing and/or local Bard distributor for all parts requirements. Make sure to have the complete model and serial number available from the unit rating plates.


Climate Control Solution
Bard Manufacturing Company, Inc. Bryan, Ohio 43506
http://www.bardhvac.com/












