Bard CRVMWH-3 Commercial Room Ventilator with Exhaust

GENERAL
GENERAL INFORMATION
The ventilator should only be installed by a trained heating and air conditioning technician. These instructions serve as a guide to the technician installing the ventilator package. They are not intended as a step by step procedure with which the mechanically inclined owner can install the package.
The ventilator housing is shipped in one carton which contains the electrical harness, miscellaneous hardware and installation instructions.
UNPACKING
Upon receipt of the equipment be sure to compare the model number found on the shipping label with the accessory identification information on the ordering and shipping document to verify that the correct accessory has been shipped.
Inspect the carton housing of each ventilator as it is received, and before signing the freight bill, verify that all items have been received and that there is no visible damage. Note any shortages or damage on all copies of the freight bill. The receiving party must contact the last carrier immediately, preferably in writing, requesting inspection by the carrier’s agent. Concealed damage not discovered until after loading must be reported to the carrier within 15 days of its receipt.
DESCRIPTION
The CRVMWH-3 ventilator is designed to be used with Bard 2 & 2½ ton Wall Mount T Series heat pumps. They are electromechanical vent systems designed to provide fresh air to meet indoor air quality standards.
MODELS:
When installed in the above-listed models, the CRV provides built-in exhaust provisions. When the damper blade opens to bring fresh air in, the damper also opens an exhaust relief. The exhaust air will flow into the condenser section of the unit. The condenser fan will help draw exhaust air out.
INSTALLATION
BASIC INSTALLATION
- Unpack the ventilator assembly which includes the integral ventilator with attached electrical harness and miscellaneous hardware.
WARNING Open and lock unit disconnect switch before installing this accessory to prevent injury or death due to electrical shock or contact with moving parts. Turn thermostat to off.
TABLE 1MODEL
FOR USE WITH FOLLOWING UNITS CRVMWH-3
T24H T24H1D T30H T30H1D T30S T30S1D
- Remove and save the existing exterior blower access and service access panels on the Bard wall mount unit. (See Figure 1.)

- Remove and save existing unit return air filter and left side filter support bracket by removing two (2) screws from front side of unit. Remove and save top four (4) screws from grille. (See Figure 2.)

- Remove and discard the exhaust cover plate.
IMPORTANT: Position front lip of ventilator under front grille and on top of condenser partition. (See Figure 3 inset.) This is important to ensure proper drainage of any water entering damper assembly. - Open control panel to gain access to unit low voltage terminal block.
- Route electrical harness leads through the 7/8″ bushing in control panel (Figure 3) into low voltage box.
IMPORTANT: Position front lip of ventilator on top of front grille and condenser partition. (See Figure 4 inset.) This is important to ensure proper drainage of any water entering damper assembly. - Open control panel to gain access to unit low voltage terminal block.
- Route electrical harness leads through the 7/8″ bushings in control panel (See Figure 4) into low voltage box.

- Install the vent control board in the upper left corner of the control panel. Route the pink, purple and black wires through the grommet in the right side of the low voltage box.
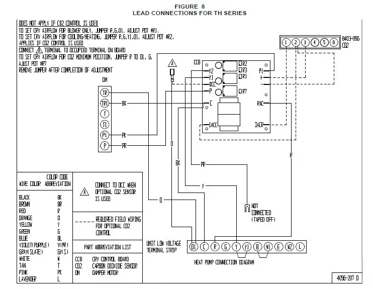
- 10. Connect purple wire from CRVMWH-3 to P terminal on vent control. Connect pink wire from CRVMWH-3 to P1 on vent control. Connect black wire from CRVMWH-3 to C on vent control. Connect orange wire from CRVMWH-3 to 01 terminal on unit low voltage terminal block. Connect black wire from vent control to C terminal on low voltage terminal strip. Connect purple wire from vent control to Y1 terminal on low voltage terminal strip. Connect yellow wire from vent control to Y terminal on low voltage terminal strip. Connect red wire from vent control to R on low voltage terminal strip.
- Close control panel cover
- Replace left filter support, filter and four (4) screws in condenser grille.
- Reinstall the blower access panel at top of unit and secure with sheet metal screws.
- Ventilator Checkout
A. Resupply power to unit.
B. Jumper from 01 to R on the low voltage terminal block.
C. Ventilator should open to the position set by #1 Potentiometer on vent control. Cycle position adjustment thumbwheel to full open through full close. Observe damper blade
operation throughout travel to assure
free,
unobstructed movement.
D. De-energize evaporator blower. Damper blade should close.
E. This completes ventilator checkout. - Replace mist eliminator. Be sure it is installed with the drain holes to the bottom.
- Remove blank off plate or barometric fresh air damper installed on service access door. Plug four (4) mounting holes with the plastic plugs provided with the ventilator.
- Replace service access panel.
- Ventilator is now ready for operation.
- If retrofitting an existing unit, thermostat connection may change. See Manual 2100-507, 2100-516 or 2100-554 for proper thermostat connections to low voltage terminal strip with this CRVMWH.
CO2 CONTROL
For CO2-based control, add a CO2 sensor/controller
(Bard Part #8403-056) to the wall and run additional optional wires as shown in Figures 5 & 6.
The CO2 controller also must be re-configured from the standard default settings as it comes out of the box. See next page for complete details.
CO2 SENSOR DEFAULT & FINAL SETTINGS
CRVMWH-3 SET-UP for FULL DEMAND CONTROL USING 8403-056 CO2 CONTROLLER
Controller Settings–See Fig. 6 Range 500-1500 ppm
SW 1 = “Off’
SW2 = “On”
“Out” set to “0-100%”
Analog Output (AN) set to “Current”
NOTE: Fig. 5 are the default jumper settings. The “OUT” and “AN” must be repositioned as shown in Fig. 6
| Approx. Blade Position (2) | |||
| 4-20mA | AN (ppm) | Damper (1) | |
| 500 | Fully Closed | 0 | |
| — | 550 | Fully Closed | 0 |
| 600 | Fully Closed | 0 | |
| 650 | Fully Closed | 0 | |
| 4 | 700 | Fully Closed | 0 |
| 5 | 750 | 1 | |
| 6 | 800 | 2 | |
| 7 | 850 | 3 | |
| 8 | 900 | 4 | |
| 9 | 950 | 5 | |
| 10 | 1000 | 6 | |
| 11 | 1050 | 7 | |
| 12 | 1100 | 8 | |
| 13 | 1150 | 9 | |
| 14 | 1200 | 10 | |
| 15 | 1250 | 11 | |
| 16 | 1300 | 12 | |
| 17 | 1350 | 14 | |
| 18 | 1400 | 15 | |
| 19 | 1450 | 16 | |
| 20 | 1500 | Fully Open | 17 |
- Damper should be fully closed at 700 ppm, if not Potentiometer R7 can be adjusted clockwise (CW) to close it. If it is fully closed at 700 ppm or lower no adjustments required.
- Blade as referenced to the Blade Position Label.


CO2 SENSOR DEFAULT & FINAL SETTINGS 8403-096 CO2 CONTROLLER

| Settings | Recommended | Default |
| RON | Not Used | |
| ROF | Not Used | |
| DSP | C | CT |
| UNI | US | US |
| COL | 700 | 0 |
| COH | 1500 | 2000 |
| TOL | Not Used | |
| TOH | Not Used | |
| BAR | See Instrution with Controller For High Altitude Installations | |
| CAL | Used for Field Calibration | |
| 4-20mA | AN (ppm) | Damper (1) | Approc. Blade Position (2) |
| 4 | 700 | FULLY CLOSED | 0 |
| 5 | 750 | 1 | |
| 6 | 800 | 2 | |
| 7 | 850 | 3 | |
| 8 | 900 | 4 | |
| 9 | 950 | 5 | |
| 10 | 1000 | 6 | |
| 11 | 1050 | 7 | |
| 12 | 1100 | 8 | |
| 13 | 1150 | 9 | |
| 14 | 1200 | 10 | |
| 15 | 1250 | 11 | |
| 16 | 1300 | 12 | |
| 17 | 1350 | 14 | |
| 18 | 1400 | 15 | |
| 19 | 1450 | 16 | |
| 20 | 1500 | FULLY OPEN | 17 |
- Damper should be fully closed at 700 ppm, if not Potentiometer R7 can be adjusted clockwise (CW) to close it. If it is fully closed at 700 ppm or lower no adjustments required.
- Blade as referenced to the Blade Position Label.


BLADE ADJUSTMENT FOR DESIRED VENTILATOR AIR
The amount of ventilation air supplied by the commercial room ventilator is dependant on four (4) factors.
- Return air duct static pressure drop.
- Supply air duct static pressure drop.
- Indoor blower motor speed.
- Damper blade open position setting.
Refer to the graph below to determine the blade setting necessary to achieve the ventilation air required for each operating mode.
FACTORY DEFAULT SETTINGS ARE:
| TS | TH | |
| Potentiometer R1. | 17 | 17 |
| Potentiometer R2. | 14 | 14 |
| Potentiometer R3. | 12 | NA |
For more accurate adjustment, use a flowhood over the intake opening to measure and adjust the airflow operation.
Potentiometer R1. Adjusts the airflow during blower operation only.
Potentiometer R2. Adjusts the airflow during 1st stage cooling or heating operation.
Potentiometer R3. Adjusts the airflow during 2nd
stage cooling or heating operation.
Energize blower only mode and adjust #1 Potentiometer to desired airflow.
Energize 1st stage cooling mode and adjust #2 Potentiometer to desired airflow.
Energize 2nd stage cooling mode and adjust #3 Potentiometer to desired airflow.
Minimum damper position when using CO2 control damper should be fully closed at 700 ppm or lower, if not Potentiometer R7 can be adjusted clockwise (CW) to close it. If it is fully closed at 700 ppm or lower, no adjustments required.
GRAPH 1 — T30* HIGH SPEED TOTAL AND VENTILATION AIRFLOW
GRAPH 2 —T24H HIGH SPEED TOTAL AND VENTILATION AIRFLOW T30* LOW SPEED TOTAL AND VENTILATION AIRFLOW
COMMERCIAL ROOM VENTILATOR – T SERIES
FEATURES
- One piece construction – easy to install with no mechanical linkage adjustment required.
- Exhaust air damper – built in with positive closed position. Provides exhaust air capability to prevent pressurization of tight buildings.
- Actuator motor – 24 volt, power open, spring return with built in torque limiting switch.
COMMERCIAL ROOM VENTILATOR SEQUENCE OF OPERATION
On a call for blower operation, CRV opens to a position as set by #1 Potentiometer. See Figure 9.
NOTE: These sequence descriptions do not apply if CO2 controller is used. The CRV will control according to observed CO2 levels in the conditioned space.
A call for 1st stage cooling or heating cycles the compressor, and the dampers reposition to the Potentiometer #2 setpoint. A call for 2nd stage cooling or heating energizes compressor solenoid and repositions the damper blade to the Potentiometer #3 position. On loss of blower operation, CRV closes fully. See Figure 10.



IMPORTANT: Position front lip of ventilator on top of front grille and condenser partition. (See Figure 4 inset.) This is important to ensure proper drainage of any water entering damper assembly.





















