Bard ERV-FA5 Wall Mount Energy Recovery Ventilator with Exhaust

INSTALLATION INSTRUCTIONS
Wall Mount Energy Recovery Ventilator with Exhaust
Models: ERV-FA5 ERV-FC5
For Use with Bard Wall Mount Air Conditioner and Heat Pump Models:
- W3SAC, W4SAC, W5SAC
- W42AC, W48AC, W60AC, W72AC
- W42HC, W48HC, W60HC
- C36HY, C42HY, C48HY, C60HY
NOTE: It is highly recommended that this ERV is installed into the unit prior to mounting the unit to the wall for improved access to fasteners.
GENERAL INFORMATION
Energy Recovery Ventilator Model Nomenclature

Unpacking
Upon receipt of the equipment, be sure to compare the model number found on the shipping label with the accessory identification information on the ordering and shipping document to verify that the correct accessory has been shipped. Inspect the carton housing of each ventilator as it is received and, before signing the freight bill, verify that all items have been received and that there is no visible damage. Note any shortages or damage on all copies of the freight bill. The receiving party must contact the last carrier immediately, preferably in writing, requesting inspection by the carrier’s agent. Concealed damage not discovered until after loading must be reported to the carrier within 15 days of its receipt.
Description
The energy recovery ventilator was designed to provide energy efficient, cost effective ventilation to meet IAQ (Indoor Air Quality) requirements while still maintaining good indoor comfort and humidity control for a variety of applications such as schools, classrooms, lounges, conference rooms, beauty salons and others. It provides a constant supply of fresh air for control of airborne pollutants including CO2, smoke, radon, formaldehyde, excess moisture, virus and bacteria. The ventilator incorporates rotary heat exchanger technology to remove both heat and moisture.
It is designed as a single package which can be easily factory or field installed. The package consists of a unique rotary energy recovery cassette that can be easily removed for cleaning or maintenance. The ERV-F*5 has two 13″ diameter heat transfer wheels. The heat transfer wheels use a permanently bonded dry desiccant coating for total heat recovery. Ventilation is accomplished with two blower/motor assemblies each consisting of a drive motor and dual blowers for maximum ventilation at low sound levels. The intake and exhaust blowers can be operated at the same speed (airflow rate) or different speeds to allow flexibility in maintaining desired building pressurization conditions. Factory shipped on medium intake and low exhaust. See Ventilation Airflow on page 18 for information on changing speeds. The rotating energy wheels provide the heat transfer effectively during both summer and winter conditions. Provide required ventilation to meet the requirements of ASHRAE 62.1 standard.
NOTE: During operation below 5°F outdoor temperature, freezing of moisture in the heat transfer wheel can occur. Consult the factory if this possibility exists.
CAUTION
Be sure the correct model and voltage energy recovery ventilator is used with the correct air conditioner or heat pump to ensure correct voltage compatibility.
- Must be wired to unit’s existing step down transformer. Reference unit and vent wiring diagrams.
Electrical Specifications
General
The ventilator should only be installed by a trained heating and air conditioning technician. These instructions serve as a guide to the technician installing the ventilator package. They are not intended as a step-by-step procedure with which the mechanically inclined owner can install the package.
The ERV is shipped in one carton which contains the following:
- ERVF-A5 (230V)
- (1) 920-0454 ERVF upper blower assembly
- (1) 920-0456 ERVF cassette assembly
- (1) 920-0457 ERVF lower blower assembly
- (20) 1012-086 screw type AB HXWHD#10-16X1/2
- (1) 1012-153 screw type AB HXWSHD#10-16X1/2
- (4) 1012-065 screw type AB PZPNHD #8-18×3/8
- (1) 910-2066 ERVF-A5 control board assembly
- (2) 3000-1631 wire assembly
- (1) 3000-1632 wire assembly
- (1) 8611-125-3300 33” of 1/2” split tubing
- (2) 7950-004 cable ties 7” ladder
- (2) 7950-006 nylon cable clamp 1/2”
- (1) 543X224 upper side cover assembly – RH
- (1) 543Y224 upper side cover assembly – LH
- (1) 543X225 lower side cover assembly – RH
- (1) 543Y225 lower side cover assembly – LH
- (1) 121-589 condenser partition ERV insert
- (1) 541-500 rear ERV mounting rail assembly
- (1) 141-501 front ERV mounting rail
- (1) 521-590 cassette support partition assembly
- (1) 7003-083 exhaust bug screen
- (2) 1913-002-0808 foam strips
- (1) 4056A249 wiring diagram
- (1) 2100-699D installation instructions
ERVF-C5 (460V)
Includes all of the above 230V (where applicable) plus:
- (49) 1012-086 screw type AB HXWHD#10-16X1/2
- (2) 1012-153 screw type AB HXWSHD#10-16X1/2
- (1) 910-2068 ERVF-C5 control board assembly
- (1) 3000-1634 wire assembly
- (1) 910-2074 transformer assembly
- (4) 7950-004 cable ties 7” ladder
- (1) 7950-012 push mount cable tie 6-1/8”
- (1) 4056A317 wiring diagram
PERFORMANCE AND APPLICATION DATA – ERV-F*5
Summer Cooling Performance (Indoor Design Conditions 75°DB/62°WB)
Winter Heating Performance (Indoor Design Conditions 70°F DB)
LEGEND:
- VLT = Ventilation Load – Total
- VLS = Ventilation Load – Sensible
- VLL = Ventilation Load – Latent
- HRT = Heat Recovery – Total
- HRS = Heat Recovery – Sensible
- HRL = Heat Recovery – Latent
- WVL = Winter Ventilation Load
- WHR = Winter Heat Recovery
NOTE: All performance data is based on operating intake and exhaust blower on the same speed.
INSTALLATION OF FIELD-INSTALLED ERV-F*5
Basic Installation
NOTE: It is highly recommended that this ERV is installed into the unit prior to mounting the unit to the wall for improved access to fasteners.
WARNING
Electrical shock hazard. Disconnect remote electrical power supply or supplies before servicing. Failure to do so could result in electric shock or death.
WARNING
Exposed moving parts. Disconnect electrical power before servicing. Failure to do so could result in severe injury or amputation.
CAUTION
Cut hazard. Wear gloves to avoid contact with sharp edges. Failure to do so could result in personal injury.
NOTE: Save all screws during the removal process as they will be used for the ERV installation. Disconnect all power to unit at the disconnect access door (see Figure 1).
FIGURE 1 Disconnect Power

IMPORTANT: Sheet metal has sharp edges. The use of personal protective equipment (PPE) is required. Remove four (4) panels: Two (2) side grilles (one per side), one (1) control panel cover and one (1) front grille (see Figure 2).
FIGURE 2 Remove Four Panels

Remove the low voltage control panel (see Figure 3).
FIGURE 3 Remove Low Voltage Control Panel

Remove two (2) blank off covers (one on each side) and discard (see Figure 4).
FIGURE 4 Remove Blank Off Covers

Remove exhaust blank off plate through return or through side intake opening and discard (see Figure 5).
FIGURE 5 Remove Exhaust Blank Off Plate

Remove two (2) screws (one per side) in the condenser section (see Figure 6).
FIGURE 6 Remove Screws from Condenser Section

Remove one (1) screw from condenser partition insert (see Figure 7).
FIGURE 7 Remove Screw from Condenser Partition Insert

Remove screws from condenser partition insert (see Figure 8).
FIGURE 8 Remove Screws from Condenser Partition Insert

Remove two (2) screws (one per side) from the condenser partition insert (see Figure 9).
FIGURE 9 Remove Screws from Sides of Condenser Partition Insert

Remove two (2) screws (one per side) under the control panel in the exhaust (see Figure 10).
FIGURE 10 Remove Screws Under Control Panel in Exhaust

Remove condenser partition insert through condenser section (see Figure 11).
FIGURE 11 Remove Condenser Partition Insert

Once all of the necessary parts are removed, the unit should look as shown in Figure 12. The ERV is now ready to be installed.
FIGURE 12 Unit Ready for ERV Installation

Begin by installing the exhaust blower base with two (2) screws (see Figure 13).
FIGURE 13 Install Exhaust Blower Base

Install the exhaust blower assembly inside of the base using four (4) screws with the electrical at the right side (when looking at the back of the unit). See Figure 14.
FIGURE 14 Install Exhaust Blower Assembly Inside Base

Install the front cassette mounting rail using three (3) screws. Ensure that the small flange is pointing upward when installing (see Figure 15).
FIGURE 15 Install Front Cassette Mounting Rail

Install the center cassette rack using one (1) screw in the center (see Figure 16).
FIGURE 16 Install Center Cassette Rack

Insert two (2) screws (one per side) through the condenser section and into the center cassette rack (see Figure 17).
FIGURE 17 Insert Screws Through Condenser Section into Center Cassette Rack

- Install the exhaust blower 4-pin male plug into the opening in the center cassette rack (see Figure 18).
FIGURE 18 Install Exhaust Blower Male Plug

- Install the 4-pin female plug for the exhaust blower (see Figure 19).
FIGURE 19 Install Exhaust Blower Female Plug

- Bundle these wires with provided zip tie to ensure that they will not get caught in any moving parts (see Figure 20).
FIGURE 20 Bundle Wires with Zip Tie

- Run the harness wires across the unit and fasten them to the existing wires with a provided zip tie (see Figure 21).
FIGURE 21 Run Harness Wires Across Unit and Fasten to Existing Wires

- Run the harness wires through the opening beneath the compressor contactor (see Figure 22).
FIGURE 22 Run HarnessWires Through Opening

- Remove two (2) wire channel covers (see Figure 23).
FIGURE 23 Remove Two Wire Channel Covers

- Install the ERV control board assembly on the left side of the control panel using four (4) of the provided #8 18×3/8 screws. Connect the 12-pin male plug into the low-voltage box (see Figure 24).
FIGURE 24 Install ERV Control Board Assembly

Route the exhaust blower wires through the wire channels and to the ERV control board assembly. Connect each corresponding wire to the wire coming off of the exhaust speed tap (see Figure 25).
FIGURE 25 Route Exhaust Blower Wires to ERV Control Board Assembly

Following the wiring diagram, connect the white wire from the exhaust wire harness to the terminal block. Tuck any excess wire from the harness into the wire channel (see Figure 26).
FIGURE 26 Connect White Wire to Terminal Block

- Insert each plug into the corresponding plug for the desired exhaust and intake speeds (see Figure 27).
FIGURE 27 Insert Plugs into Proper Spots for Desired Speeds

- Install the rear ERV mounting rail using three (3) screws near the return flanges (see Figure 28).
FIGURE 28 Install Rear ERV Mounting Rail

- Install two (2) more screws into the ERV mounting rail (one per side). See Figure 29.
FIGURE 29 Install Additional Screws into Rear ERV Mounting Rail

Insert cassettes by sliding the cassette frame into the front mounting rail and the rear ERV mounting rail (see Figure 30). Verify that the cassette belt wheel is towards the control panel for proper cassette operation. The cassettes should also slide in on the cassette support.
FIGURE 30 Slide Cassette Frame into Mounting Rails

- Figure 31 shows the cassettes installed in the center cassette rack and the cassette mounting rail.
FIGURE 31 Cassettes Installed Properly into Cassette Rack and Cassette Mounting Rail

- Slide in upper blower assembly on the front mounting rail over the cassettes (see Figure 32).
FIGURE 32 Slide Upper Blower Assembly Over Cassettes

- Upper blower assembly should slide over the cassettes without scraping them (as shown in Figure 33).
FIGURE 33 Upper Blower Assembly Over Cassettes

- Figure 34 shows the exhaust blower, cassettes and upper blower assembly installed.
FIGURE 34 Exhaust Blower, Cassettes and Upper Blower Assembly Installed Properly

Install the 4-pin female plug into the cutout in the control panel (see Figure 35). Following the wiring diagram, connect the white wire from the plug to the terminal block.
FIGURE 35 Install 4-Pin Female Plug and Connect White Wire

- Connect the 4-pin male plug from the upper blower assembly into the 4-pin female plug through the back of the control panel (see Figure 36).
FIGURE 36 Connect Male Plug to Female Plug

- Route the red and black wires from the ERV control board through the wire troughs and to the compressor contactor (see Figure 37). Following the wiring diagram, connect the black wire to L2 and the red wire to L1.
FIGURE 37 Route Red and Black Wires to Compressor Contactor

- See Figure 38 and and the following steps for instructions on connecting the cassette wire harnesses.
- Connect both 4-pin male cassette wire harnesses into the 4-pin female plugs. Connect both green ground wires to the sheet metal using a provided screw (see Figure 38).
FIGURE 38 Connect Cassette Wire Harnesses and Ground Wires

- Starting with one of the cassette wire harnesses, feed the wires up into the control panel (using the opening below the compressor contactor) and through the troughs to the ERV control board (see Figure 39). Routing the harnesses separately will help prevent crossing wires between the two motor circuits.
FIGURE 39 Route First Wire Harness Wires Up into Control Panel

- Following the wiring diagram, connect the brown and black wires to one of the capacitors and the black wire to the top of the terminal block (see Figure 40). Repeat this process for the second set of wires. Once completed, re-install the wire trough covers.
FIGURE 40 Connect Wires to Capacitor and Terminal Block

The wiring is now completed. Use the provided wire ties to bundle and secure loose wires.
CAUTION: Do not allow wires to rub on any moving parts. Figure 41 shows the cassette seal adjustment angle.
FIGURE 41 Cassette Seal Adjustment Angle

- The two (2) screws (one per side) can be loosened to allow the pile seal to brush against the cassettes (see Figure 42).
FIGURE 42 Loosen Screws to Adjust Pile Seal

- Install the upper side covers (one per side) using 11 screws each (see Figure 43).
FIGURE 43 Install Upper Side Covers

- Install the lower side covers (one per side) using four (4) screws each (see Figure 44).
FIGURE 44 Install Lower Side Covers

- Install two (2) 1913-002-0808 foam gaskets to sides of cabinet (see Figure 45). Install the 7003-083 exhaust bug screen.
FIGURE 45 Install Bug Screen and Gaskets

- Re-install all front panels and both side grilles. Restore power to unit
Control Wiring
The ERV-F comes from the factory with the low voltage control wires connected to the wall mount low voltage terminal strip. Care must be taken when deciding how to control the operation of the ventilator. When designing the control circuit for the ventilator, the following requirements must be met.
Control Requirements
- Indoor blower motor will automatically run whenever the ERV-F is running.
- Select the correct motor speed tap in the ERV-F. Using Table 1, determine the motor speed needed to get the desired amount of ventilation air needed. For instance, do not use the high speed tap on a ERV-F*5 if only 300 CFM of ventilation air is needed. Use the low speed tap instead (see Ventilation Airflow on page 18 for information on moving the speed taps). Using the high speed tap would serve no useful purpose and significantly affect the overall efficiency of the air conditioning system. System operating cost would also increase.
TABLE 1 Ventilation Air (CFM) - Run the ERV-F only during periods when the conditioned space is occupied. Running the ERV-F during unoccupied periods wastes energy, decreases the expected life of the ERV-F and can result in a large moisture buildup in the structure. The ERV-F removes 60-70% of the moisture in the incoming air, not 100% of it. Running the ERV-F when the structure is unoccupied allows moisture to build up in the structure because there is little or no cooling load. Thus, the air conditioner is not running enough to remove the excess moisture being brought in. Use a control system that in some way can control the system based on occupancy.
IMPORTANT
Operating the ERV-F during unoccupied periods can result in a buildup of moisture in the structure.
Recommended Control Sequences
Several possible control scenarios are listed below:
- Use a programmable electronic thermostat with auxiliary terminal to control the ERV-F based on daily programmed occupancy periods. Bard markets and recommends Bard Part No. 8403-060 programmable electronic thermostat for air conditioner and heat pump applications.
- Use a motion sensor in conjunction with a mechanical thermostat to determine occupancy in the structure. Bard recommends Bard Model CS9B*-**** CompleteStat for this application.
- Use a CO2 control with dry contacts to energize the ERV-F when CO2 levels rise above desired settings.
- Use a DDC control system to control the ERV-F based on a room occupancy schedule to control the ERV-F.
- Tie the operation of the ERV-F into the light switch. The lights in a room are usually on only when occupied.
- Use a manual timer that the occupants turn to energize the ERV-F for a specific number of hours.
- Use a programmable mechanical timer to energize the ERV-F and indoor blower during occupied periods of the day.
Ventilation Airflow
The ERV-FA* and ERV-FC* are equipped with a 3- speed motor to provide the capability of adjusting the ventilation rates to the requirements of the specific application by changing motor speeds (see Table 1).
WARNING
Open disconnect to shut all power OFF before changing motor speeds. Failure to do so could result in injury or death due to electrical shock. The units are set from the factory with the exhaust blower on the low speed and the intake blower on medium speed. Moving the speed taps located in the control panel can change the blower speed of the intake and exhaust (see Figure 46).
FIGURE 46 Speed Tap Label

FIGURE 47 Airflow Diagram

ENERGY RECOVERY VENTILATOR MAINTENANCE
General Information
The ability to clean exposed surfaces within air moving systems is an important design consideration for the maintenance of system performance and air quality. The need for periodic cleaning will be a function of operating schedule, climate and contaminants in the indoor air being exhausted and in the outdoor air being supplied to the building. All components exposed to the airstream, including energy recovery wheels, may require cleaning in most applications. Rotary counterflow heat exchanges (heat wheels) with laminar airflow are “self-cleaning” with respect to dry particles. Smaller particles pass through; larger particles land on the surface and are blown clear as the flow direction is reversed. For this reason, the primary need for cleaning is to remove films of oil-based aerosols that have condensed on energy transfer surfaces. Buildup of material over time may eventually reduce airflow. Most importantly, in the case of desiccant-coated (enthalpy) wheels, such films can close off micron-sized pores at the surface of the desiccant material, reducing the efficiency with which the desiccant can absorb and desorb moisture.
Frequency
In a reasonably clean indoor environment such as a school, office building or home, experience shows that reductions of airflow or loss of sensible (temperature) effectiveness may not occur for 10 or more years. However, experience also shows that measurable changes in latent energy (water vapor) transfer can occur in shorter periods of time in commercial, institutional and residential applications experiencing moderate occupant smoking or with cooking facilities. In applications experiencing unusually high levels of occupant smoking, such as smoking lounges, nightclubs, bars and restaurants, washing of energy transfer surfaces, as frequently as every 6 months, may be necessary to maintain latent transfer efficiency. Similar washing cycles may also be appropriate for industrial applications involving the ventilation of high levels of smoke or oil-based aerosols such as those found in welding or machining operations, for example. In these applications, latent efficiency losses of as much as 40% or more may develop over a period of 1 to 3 years.
Cleanability and Performance
In order to maintain energy recovery ventilation systems, energy transfer surfaces must be accessible for washing to remove oils, grease, tars and dirt that can impede performance or generate odors. Washing of the desiccant surfaces is required to remove contaminate buildups that can reduce absorption of water molecules. The continued ability of an enthalpy wheel to transfer latent energy depends upon the permanence of the bond between the desiccant and the energy transfer surfaces.
Bard wheels feature silica gel desiccant permanently bonded to the heat exchange surface without adhesives; the desiccant will not be lost in the washing process. Proper cleaning of the Bard energy recovery wheel will restore latent effectiveness to near original performance.
Maintenance Procedures
NOTE: Local conditions can vary and affect the required time between routine maintenance procedures; therefore, all sites (or specific units at a site) may not have the same schedule to maintain acceptable performance. The following timetables are recommended and can be altered based on local experience.
Quarterly Maintenance
- Inspect bug screen/prefilter and clean if necessary. This filter is located behind the front condenser grille. This is a nonmetallic filter and can be cleaned with soap and water only.
- Inspect wall mount unit filters and clean or replace as necessary. These filters are located either in the unit, in a return air filter grille assembly or both. If in the unit they can be accessed by removing the front control panel on the front of the unit. If in a return air filter grille, hinge the grille open to gain access.
- Inspect energy recovery ventilator for proper wheel rotation and dirt buildup. This can be done in conjunction with Item 2 above. Energize the energy recovery ventilator after inspecting the filter and observe for proper rotation and/or dirt buildup.
- Recommended energy recovery wheel cleaning procedures follow: Disconnect all power to unit. Remove the front condenser grill and left or right side condenser grille of the wall mount unit to gain access to the energy recovery ventilator.
- Remove the upper and lower side covers. Unplug amp connectors to cassette motors. Slide energy recovery cassette out of ventilator.
- Use a shop vacuum with brush attachment to clean both sides of the energy recovery wheels.
- Reverse shop vacuum to use as a blower and blow out any residual dry debris from the wheel.
NOTE: Discoloration and staining of the wheel does not affect its performance. Only excessive buildup of foreign material needs to be removed. - 8. If any belt chirping or squealing noise is present, apply a small amount of LPS-1 or equivalent dry film lubricant to the belt.
Annual Maintenance
- Inspect and conduct the same procedures as outlined under Quarterly Maintenance.
- To maintain peak latent (moisture) removal capacity, it is recommended that the energy recovery wheels be sprayed with a diluted nonacidbased evaporator coil cleaner or alkaline detergent solution such as 409.
NOTE: Do not use acid-based cleaners, aromatic solvents, temperatures in excess of 170°F or steam. Damage to the wheel may result. Do not disassemble and immerse the entire heat wheel in a soaking solution, as bearing and other damage may result. - Rinse wheel thoroughly after application of the cleaning solution and allow to drain before reinstalling.
- No re-lubrication is required to heat wheel bearings of the drive motor, or to the intake and exhaust blower motors.
- If any belt chirping or squealing noise is present, apply a small amount of LPS-1 or equivalent dry film lubricant to the belt.

FIGURE 49 Hub Assembly with Ball Bearings

FIGURE 50 Wire Routings


FIGURE 51 Transformer Mounting and Wire Routing (ERV-FC5 460V Only)

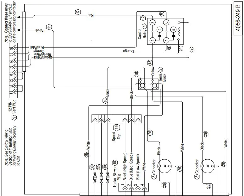
FIGURE 52 ERV-FA5 230V Wiring Diagram


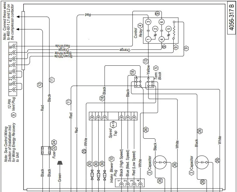
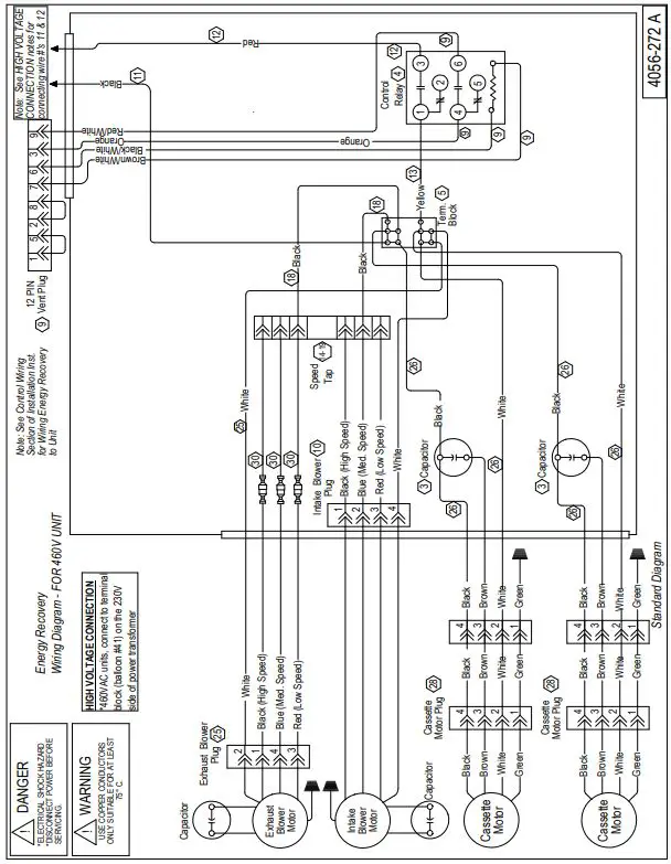
FIGURE 53 ERV-FC5 460V Wiring Diagram


FIGURE 54 C**HY-C Unit with ERV-FA5 460V Wiring Diagram





















