
INSTALLATION AND USER GUIDE FOR
BROAN ERVS100S AND ERVS100S-HW

RESIDENTIAL USE ONLY ![]()
READ AND SAVE THESE INSTRUCTIONS
INSTALLER: LEAVE THIS MANUAL WITH HOMEOWNER
Broan-NuTone LLC, 926 west State Street, Hartford, Wisconsin, USA 800-558-1711 broan-nutone.com
REGISTER YOUR PRODUCT ONLINE AT: www.broan-nutone.com/register
For additional information – visit www.broan-nutone.com

22077 rev. L
ABOUT THIS MANUAL
Please take note that this manual uses the following symbols to emphasize particular information:
| Identifies an instruction which, if not followed, might cause serious personal injuries including possibility of death. |
| CAUTION |
| Identifies an instruction which, if not followed, may severely damage the unit and/or its components. |
NOTE: Indicates supplementary information needed to fully complete an instruction.
ABOUT THESE UNITS
LIMITATION
For residential (domestic) installation only. Installation work and electrical wiring must be done by a qualified person(s) in accordance with all applicable codes and standards, including fire-rated construction codes and standards.
WARNING
TO REDUCE THE RISK OF FIRE, ELECTRIC SHOCK, OR INJURY TO PERSON(S) OBSERVE THE FOLLOWING:
1. Use this unit only in the manner intended by the manufacturer. If you have questions, contact the manufacturer at the address or telephone number listed in the warranty.
2. Before servicing or cleaning the unit, disconnect the power cord from electrical outlet or turn power off at the service panel.
3. This unit is not designed to provide combustion and/or dilution air for fuel-burning appliances.
4. When cutting or drilling into a wall or ceiling, do not damage electrical wiring and other hidden utilities.
5. Do not use this unit with any solid-state speed control device other than following controls:
| AUXILIARY CONTROLS ENERGIZED BY UNIT |
| BROAN VB20W 20-MINUTE LIGHTED PUSH-BUTTON TIMER |
| STANDARD DRY CONTACT STANDBY SWITCH |
6. This unit must be grounded. For the ERVS100S unit only: The power supply cord has a 3-prong grounding plug for your personal safety. It must be plugged into a mating 3-prong grounding receptacle, grounded in accordance with the national electrical code and local codes and ordinances. Do not remove the ground prong. Do not use an extension cord.
7. Do not install in a cooking area or connect directly to any appliances.
8. Do not use to exhaust hazardous or explosive materials and vapors.
9. This unit must be protected from the elements.
10. When performing installation, servicing or cleaning these units, it is recommended to wear safety glasses and gloves.
11. When applicable local regulation comprises more restrictive installation and/or certification requirements, the aforementioned requirements prevail on those of this document and the installer agrees to conform to these at his own expense.
CAUTION
1. Do not use your unit during construction or renovation of your house or when sanding drywall. Certain types of dust and vapors may damage your system.
2. Please read specification label on product for further information and requirements.
3. Be sure to duct air outside – Do not intake/exhaust air into spaces within walls or ceiling or into attics, crawl spaces, or garage. Do not attempt to recover the exhaust air from a dryer or a range hood.
4. Intended for residential installation only in accordance with the requirements of NFPA 90B (for a unit installed in U.S.A.).
5. Do not run any air ducts directly above or within 2 ft of a furnace or its supply plenum, boiler, or other heat producing appliance.
6. The ductwork is intended to be installed in compliance with all applicable local and national codes.
7. When leaving the house for a long period of time (more than two weeks), a responsible person should regularly check if the unit operates adequately.
8. If the ductwork passes through an unconditioned space (e.g.: attic), the unit must operate continuously except when performing maintenance and/or repair. Also, the ambient temperature of the house should never drop below 65°F.
9. At least once a year, the unit mechanical and electronic parts should be inspected by qualified service personnel.
10. Make sure at all times that the outside intake and exhaust hoods are free from any snow during the winter season. It is important to check your unit during a big snow storm, so it doesn’t draw in any snow. If this is the case, please turn the unit OFF for a few hours.
11. Since the electronic control system of the unit uses a microprocessor, it may not operate correctly because of external noise or very short power failure.
If this happens, unplug the unit (or, if hard-wired, turn off power at service panel) and wait approximately 10 seconds. Then, plug the unit in again (or restore power from service panel).
12. Do not make excessive use of fragrance appliances or chemicals since some may damage the unit components material.
13. For installation within a garage, make sure the unit door is always closed except during attended maintenance to reduce the likelihood of exhaust fumes to be introduced within the home.
1 Safe Installation Zone
Installation requirements differ from zones A and B shown within map below, refer to sections 3.1 to 3.3.2 for specific details and cautions for each installation type.

2 Unit Preparation
- Inspect the exterior of the unit for shipping damage.
- Unit should never operate while the building is still in construction.
- Unit is shipped with its door covered with a cardboard for protection during construction. Leave the cardboard on until painting.
2.1 Choose an Appropriate Location for the Unit
- Within an area of the house where the ambient temperature is kept between 50°F and 135°F;
- Away from living areas (dining room, living room, bedroom), if possible to reduce noise level;
- So as to provide easy access to the interior cabinet for maintenance;
- Close to an exterior wall, so as to limit the length of the insulated flexible ducts to and from the unit;
- Away from hot chimneys, electrical panel and other fire hazards;
- Within 28″ of a power source (standard outlet, ERVS100S unit only).
2.2 Electrical Connection Type (Cord Connected or Hardwired)
- According to your needs and applicable codes, make sure you have the appropriate model (ERVS100S: cord connected unit and ERVS100S-HW: hardwired unit).
3 Installation
Unit must be installed in the horizontal orientation as shown in section 3.1.
3.1 Positioning the Unit
- Unit can be installed between 24″ on-center trusses, on top of 24″ on-center trusses in reversed position or under the ceiling, using brackets. A set of 4 brackets is included in the hardware kit, along with the necessary screws.
- The unit shall be connected to a 15-amp electrical circuit. It is recommended to label the circuit to identify this system as the Fresh Air System. If cord connected (ERVS100S unit only), a standard 3-prong electrical outlet has to be available within 28″ of the unit.
- Allow a 12″ clearance for the door, core and filters to be removed for maintenance.
3.1.1 Installation in the ceiling (between 24″ on-center trusses)
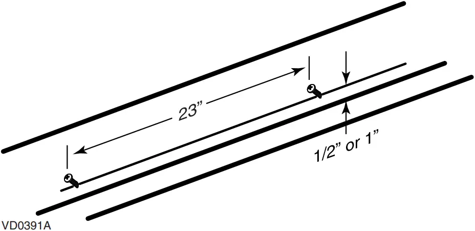
1. Trace a level line on both trusses, at 1/2″ or 1″ from the bottom, for the unit bracket location (1/2″ will allow the unit door perimeter to lay on ceiling material while 1″ will result in flush mount installation; see A and B in next page). On one truss, screw half way on level line two no. 8 x 1½” provided screws, leaving 23″ between each other.

2. Mount the 4 brackets to the unit as illustrated at right, using two no. 10 x 5/8″ screws provided for each bracket.
TIP: Screw half way the screws to allow adjustment between trusses, see insets at right (left shows the minimum distance and right the maximum distance.

3. Hang the lightest side of the unit on the screws mounted on the truss using the larger holes of the brackets.
4. Lift the other side of the unit and secure it to the other truss using one no. 8 x 1½” screw per bracket, inserted through the smaller hole of the brackets.

5. Secure the first brackets installed to the truss using one no. 8 x 1½” screw per bracket, inserted through the smaller hole, then tighten completely the brackets screws to the unit.

ZONE A
| CAUTION |
| When installed in ceiling in the attic of a zone A, insulation must 1/2″ be spread over the unit. Installed unit area ambient temperature must be kept between 50°F and 135°F. |
6. Spread the insulation over and around the unit.

a) INSULATION (OVER AND AROUND THE UNIT)
b)1/2″ CEILING MATERIAL
ZONE B
| CAUTION |
| When installed in the ceiling in an unconditioned space (e.g.: attic), above the unit in zone B, a sealed enclosure must be installed over and around the unit to avoid air leakage, condensation and mold growth risks. Insulation must be spread over and around the enclosure. Ducting must pass through the sealed enclosure and must be sealed to the enclosure. |

a) A clearance of about 1″ is needed over the unit to ensure the unit does not touch the enclosure
b) INSULATION (OVER AND AROUND THE SEALED ENCLOSURE)
c) DOOR FRAME COULD BE MOUNTED FLUSH TO CEILING MATERIAL AS SHOWN IN OPTION 2 ABOVE.
7. Spread the insulation over and around the sealed enclosure.
3.1.2 Zone A only – Installation in the attic over the insulation (unit having its door on top)
- Rotate the backdraft damper 180° (no tool required) so that it falls in closed position and the word “TOP” engraved on the damper is up once the unit is in place.
- Mount the brackets to the unit as illustrated below using two no. 10 x 5/8″ screws provided for each bracket.
- Secure the unit to the trusses using one no. 8 x 1½” screw provided for each bracket.
- IMPORTANT: For unvented attic and without radiant barrier sheathing, insulation material must be added around and over the unit to prevent excess of heat in the unit. Ensure access is kept for product maintenance.

| CAUTION |
| Installed unit area ambient temperature must be kept between 50°F and 135°F, insulation material must be added over the unit if temperature in attic exceeds this limit in summer to protect electronic components from exposure to high temperature. |
Spread the insulation around the unit, then use an insulated ducting plate to cover the unit door to maintain access inside the unit. Make sure to keep 12″ clearance above the unit to remove the door, the core and filters for maintenance purposes.

3.1.3 Installation under the ceiling (in a conditioned space)
NOTE: Validate applicable codes; model ERVS100S-HW might be required for this type of installation.
- Mount the brackets to the unit as illustrated above using two no. 10 x 5/8″ screws provided for each bracket.
- Secure unit to the ceiling using two no. 8 x 1½” screws provided for each bracket, making sure not to secure it into drywall alone.

a) 24″-DEEP CLOSET
b) KEEP 12″ CLEARANCE UNDERNEATH THE UNIT FOR MAINTENANCE
3.2 Combining with an AHU
3.2.1 Recommended configurations
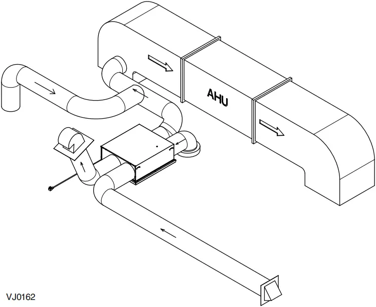
When the distribution of fresh air from the ERV is connected to the return of an AHU (such as in the image below, on the left), the connection should be done as close as possible from one AHU return grille to ensure proper functioning of the built-in fresh air damper.
OPTION 1

a) AHU supply ducting and grille to home
b) Stale air from home
c) Fresh air from outdoors
d) Stale air to outdoors with backdraft damper
e) Distribution of fresh air in AHU
f) Return grille of AHU
OPTION 2

a) Stale air to outdoors with backdraft damper
b) Distribution of fresh air using plastic grille
c) AHU supply ducting and grille to home
d) Stale air from home connected to return ducting of AHU
e) Fresh air from outdoors
OPTION 1 – If AHU return duct static pressure exceeds the -0.15 in w.g. threshold during AHU operation, indirect connection combined with a supplemental return grille or “T” connection with the conditioned space shall be used to ensure proper functioning of the built-in fresh air damper. |
3.2.2 Prohibited configurations
Distribution of fresh air from the ERV in the distribution ducting from the AHU (such as in the image below, on the left) may cause condensation issues during cooling season and must be avoided.
Connecting both distribution of fresh air from the ERV and stale air exhaust in the AHU return ducting (such as in the image below, on the right) must be avoided.

a) Return grille of AHU
b) Stale air from home
c) Fresh air from outdoors
d) Stale air to outdoors with backdraft damper

a) Stale air to outdoors with backdraft damper
b) Distribution of fresh air connected to return ducting of AHU
c) Stale air from home connected to return ducting of AHU
d) AHU supply ducting and grille to home
e) Fresh air from outdoors
3.3 Installing the Registers, Ductwork and Hoods
3.3.1 Registers
| Never install a stale air exhaust register in a closed room where a combustion device operates, such as a gas furnace, a gas water heater or a fireplace. |
Refer to applicable building codes to plan where the stale air exhaust registers and fresh air distribution registers should be installed. Below are some general recommendations.
Stale air exhaust registers:
- Install the stale air exhaust registers where the contaminants are produced: bathroom (up to 2), kitchen, living room, etc. Position the registers as far from the stairway as possible and in such a way that the air circulates in all the lived-in spaces in the house.
- If a register is installed in the kitchen, it must be located at least 4 feet away from the cooking appliances.
- Install the registers on an interior wall, 6 to 12 inches below the ceiling OR in the ceiling.
Fresh air distribution registers (Option 2 in 3.2.1):
- Install the fresh air distribution registers in bedrooms, dining rooms, living rooms and basement, if applicable.
- Keep in mind that the fresh air registers must be located as far as possible from the ERV stale air registers.
- Install the registers on an interior wall, 6 to 12 inches below the ceiling OR in the ceiling.
- If a register must be floor installed, direct the airflow up the wall.
3.3.2 Ductwork
| When performing duct connections, always use approved tools and materials. Respect all corresponding laws and safety regulations. Please refer to your local building code. |
| CAUTION |
| If ducts have to go through an unconditioned space (e.g.: attic), always use insulated ducts to prevent condensation formation inside and outside ducts, which could cause material damage and/or mold growth. Moreover, in zone B, if fresh air to building duct and/or stale air from building duct goes/go through an unconditioned space, these ducts must be buried with a minimum of R20 insulation in order to prevent heat recovery performance reduction and cooling of the distributed fresh air to the living areas during winter operation. Also, the unit must be set to operate continuously in cold conditions (below 50°F) if these ducts have to go through an unconditioned space in zones A and B. Continuous air movement inside ducts will prevent condensation formation. The unit can be stopped temporarily for maintenance and/or repair purposes in such conditions. |
- All units ports should be connected to 6″ ducts, but can be connected to larger ducts using an appropriate transition.
- If you have to connect rigid ducts to the unit, use a short length (approximately 6″) of flexible duct to avoid transmission of vibrations. Use a tie wrap and foil tape to connect the flexible duct to the port and to the rigid duct.
- Never use screws to connect rigid ducting to the ports.
Connecting insulated flexible ducts to the ports:
- Pull back the insulation to expose the flexible duct.
- Attach the flexible duct to the port using a tie wrap; ensure tie wrap is tighten to its maximum strength.
- Pull the insulation over the joint, then pull the vapor barrier (shaded part in illustrations below) over the insulation. Make sure that the vapor barrier does not tear due to manipulation to avoid condensation within the ducts.
- Apply foil tape to the joint, making an airtight seal. Avoid compressing the insulation when pulling the tape tightly around the joint. Compressed insulation loses its R value and causes water dripping in cold climates due to condensation on the exterior surface of the duct.
NOTE: If sealant mastic has to be used over the foil tape as an extra sealing layer, use water based mastic to ensure material compatibility with the port.




a) TIGHTEN TIE WRAP TO ITS MAXIMUM STRENGTH!
3.3.3 Hoods
Refer to applicable building codes to plan where the stale air exhaust hood and fresh air distribution hood should be installed. Below are some general recommendations.
Make sure the intake hood is at least 6 feet away from any of the following:
|
- There must be a minimum distance of 10′ between the hoods to avoid cross-contamination.
- Hoods must be at least 18″ above the ground.
- Exhaust hood must have a backdraft damper.
3.4 Installing a Tandem® Transition* Kit
| CAUTION |
| If using a Tandem Transition, a backdraft damper must be installed on the stale air to outdoors duct. If this causes an interruption in the duct insulation, insulation must be added around the backdraft damper to avoid condensation. |
If desired, a Tandem transition kit can be used instead of 2 exterior hoods.
- An additional backdraft damper (not included) must be installed on the stale air to outdoors duct following common best practice. Should the backdraft damper cause an interruption in the insulation of the stale air to outdoors duct, make sure that insulation is added around the backdraft damper to avoid condensation.
- The joist opening needed to install the Tandem® transition must be 9¾” minimum. The maximum height of the Tandem transition is 8¾”.
- To connect the insulated flexible ducts to the Tandem transition (Exhaust air to outdoors and Fresh air from outdoors), follow the instructions included with the Tandem transition kit (part no. VTYIK1).
*Patented.

Tandem transition kit
3.5 Connecting the Controls (energized by unit, low voltage)
- Controls are not included with this unit.
- Unit may be connected to a dry contact Standby switch if desired. In such case, unit remains powered on, but is put in Standby mode when the switch is turned on.
- This ERV can replace up to 2 bath fans. Where this is the case, unit should be connected to a 20-minute override control in each bathroom.
3.5.1 Connecting unit to a Standby switch
Install the dry contact Standby switch in a convenient place and connect it to unit as follows.
| CAUTION |
| Ensure all unused wires are capped off. |
| Switch position | Unit mode |
| Dry contact opened | Unit will run in the selected mode Refer to 4.1 |
| Dry contact closed | Unit is kept in Standby mode |

R RED
Y YELLOW
B BLACK
G GREEN
3.5.2 Connecting unit to 1 or 2 Broan VB20W 20-minute push-button control(s)
- Install the 20-minute push-button control in the bathroom(s) following instructions included with the control.
- Connect it to unit as follows.

R RED
Y YELLOW
B BLACK
G GREEN
3.5.3 Connecting unit to a Standby switch AND 1 or 2 Broan VB20W 20-minute push-button control(s)
- Install the 20-minute push-button control in the bathroom(s) following instructions included with the control.
- Install the Standby switch in a convenient place.
- Connect both with the unit as follows.
| Switch position | Unit mode |
| Dry contact opened | Unit will run in the selected mode Refer to 4.1 |
| Dry contact closed | Unit is kept in Standby mode |

a) BROAN VB20W
20-MIN.
PUSH-BUTTON CONTROL
b) DRY CONTACT
STANDBY SWITCH
R RED
Y YELLOW
B BLACK
G GREEN
This connection allows the operation of VB20W push-button controls even if the dry contact standby switch is turned off.
3.6 Connecting the Hardwire Connection (ERVS100S-HW unit only)
| Risk of electric shock. Electrical wiring must be done by qualified personnel in accordance with all applicable codes and standards. Before connecting wires, switch power off at service panel and lock service disconnecting means to prevent power from being switched on accidentally. Hardwired connection requires the use of flexible conduit. |
1. Open the unit door.
2. Remove and set aside the electrical compartment cover.

3. Install the cable clamp connector included in the kit and tighten so cable clamp screws are accessible. Insert the end of the flexible conduit inside the unit, through the cable clamp connector.
4. Connect the ground wire from the flexible conduit to the GREEN ground screw inside the electrical compartment. Using included wire nuts, perform the hardwire connection as follows: BLACK wire to BLACK wire, WHITE wire to WHITE wire.

5. Fasten the flexible metal conduit to the provided cable clamp connector by tightening the screws on each side of the cable clamp connector. Do not overtighten such that the flexible metal conduit is damaged.

6. Insert all the wires inside the electrical compartment.
7. Reinstall and secure the electrical compartment cover, taking care not to pinch wires. Reinstall the unit door.
8. Restore power at service panel.
4 Getting the Unit Started
4.1 Unit Settings
- Settings should be changed by the installer after all construction work is over in order to comply to local building codes. Should the user want to change the settings later on, it should be done by an authorized servicer.
- Unit should never run while the building is still under construction.
- All units are factory set to Standby Mode, with the RH Limit set to the N position.
- See section 3.3.2 for specific details regarding winter operation.
4.1.1 Settings description
MODE
| POSITION | MODE | DESCRIPTION |
| Standby | Unit is off. Unit can be activated in high speed by the VB20W 20-minute push-button control, if applicable. | |
| INT | Intermittent | Unit works 20 minutes per hour in low speed. Unit can be activated in high speed by the VB20W 20-minute push-button control, if applicable. |
| 1 | Low Speed | Unit runs at 65 cfm. Unit can be activated in high speed by the VB20W 20-minute push-button control, if applicable. |
| 2 | High Speed | Unit runs at 105 cfm. Unit can be activated in high speed by the VB20W 20-minute push-button control, if unit is deactivated by RH limit. |
RH LIMIT
| POSITION | DESCRIPTION |
| OFF | Relative humidity limit is deactivated. |
| + | Higher relative humidity limit. |
| Factory set relative humidity limit. | |
| – | Lower relative humidity limit. |
Factory settings
| 4.1.2 Mode and RH Adjustable Controls Location |
Remove the door to access the MODE and RH adjustable controls.

4.1.3 Choosing the right settings
Mode:
- Unit is factory set in Standby mode and should be set to the appropriate mode according to local building codes as well as the floor area of the residence, number of inhabitants and local weather conditions.
RH Limit:
- Unit is factory set to “N” and should normally remain in this setting unless local conditions require otherwise.
4.2 Prepare the Unit
- Make sure that the protective cardboard is removed from the door, if applicable.
- Verify damper orientation (see section 3.1.2).
4.3 Booting Sequence
When unit is powered on, it will go through a booting sequence during which it will test its components. The booting sequence will last less than a minute, after which the LED light will blink if there is a problem. If a Broan VB20W 20-minute push-button control is connected to the unit, it will also blink. The speed of the blinking indicates the nature of the issue:
Slow blinking: RH and temperature sensor problem
Fast blinking: motor problem
See the Troubleshooting section of this guide for detailed troubleshooting instructions.
5 Maintenance
| Risk of electric shock. Before performing any maintenance or servicing, always turn power off at service panel or disconnect the unit from the outlet. When cleaning the unit, it is recommended to wear safety glasses and gloves. |
5.1 Quarterly Maintenance
- Disconnect unit or turn power off at service panel.
- Open unit door by following these steps and referring to illustrations below:
A Push on the door retaining tabs to disengage these tabs from the unit frame (see insets).
B Rotate the door and remove it.

| CAUTION |
| Be careful when opening the door; water may be present when outdoor temperature is cold. |
3. While holding the core (1) if unit is installed in or under the ceiling, loosen the wing nut (2) and rotate the core retaining bracket (shaded part in illustration at right). Slide out the core with its filters.

| If the unit is installed in or under the ceiling, always hold the core when rotating the core retaining bracket; failure to do so will cause the core to fall out. |
4. Wash both core filters under lukewarm water with mild soap. Rinse and let dry completely before reinstalling on the core. Refer to the core label for proper location.
5. Slide the core with its cleaned filters in the unit. Refer to filter location indicators embossed inside the unit to position adequately the core. Use the core bracket and wing nut to lock the core in place.
6. Reinstall and close the door, then restore power.
5.2 Annual Maintenance
Perform steps 1 to 5 of the quarterly maintenance, then continue with the following:
6. Using a vacuum cleaner and a soft brush attachment, remove the dust on the recovery core, the sensor and damper (damper must open freely).
| CAUTION |
| Do not soak the recovery core in water! The core can easily be damaged especially if it is soaked. The sensor can be damaged by detergent. Only use a dry cloth to clean the sensor. |
7. Slide the cleaned core with its cleaned filters in the unit. Refer to filter location indicators embossed inside the unit to position adequately the core. Use the core bracket and wing nut to lock the core in place.
8 Reinstall and close the door, then restore power.
9. Clean the exterior hoods.
6 Warranty
This Broan unit is a high quality product, built and packaged with care. Broan warrants to the original purchaser of its product, that such products will be free from defects for the period stated below, from date of original purchase.
For all Broan units, the warranty covers parts only against any operational defect. This is a 5-year warranty.
Subject to perform the core maintenance according to user guide recommendations, the energy recovery core (ERV) has a 5-year warranty.
If any defect should occur, we urge you to read the user guide carefully. If the problem persists, observe the following rules:
RULES TO FOLLOW
If the unit is defective, contact your ventilation contractor (see address on cover page).
The contractor will determine with you the reason for the defect, and if needed, do the replacement or repair.
If ever it is impossible to reach your ventilation contractor, call 1-800-558-1711 (in North America);
the personnel will be pleased to give you the phone number of a distributor or a service center near you.
REPLACEMENT PARTS AND REPAIR
In order to ensure your ventilation unit remains in good working condition, you must use Broan genuine replacement parts only.
Broan genuine replacement parts are specially designed for each unit and are manufactured to comply with all the applicable certification standards and maintain a high standard of safety. Any third party replacement part used may cause serious damage and drastically reduce the performance level of your unit, which will result in premature failing. Broan also recommends to contact a Broan certified service depot for all replacement parts and repair.
BILL OF PURCHASE
No replacement or repair covered by the warranty will be carried out unless the unit is accompanied by a copy of the original bill of purchase. Please retain your original.
MISCELLANEOUS COSTS
In each case, the labor costs for the removal of a defective part and/or installation of a compliant part will not be covered by Broan.
CONDITIONS AND LIMITATIONS
This unit is created for residential use only and must be used in a building as defined below:
Building: All structures zoned and/or erected for the act, process or art of human or animal habitation and/or the storage or warehousing of goods.
Residential use: Dwelling, lodging, suite: Building, or part of a building, intended to act as either the domicile to one or several people which can include general sanitary, food consumption and rest facilities. Buildings of only one room or a group of rooms including those occupied by a tenant or owner; comprise the lodgings, the individual rooms of the motels, hotels, rooming/lodging houses, boarding/half-way/foster homes, dormitories, and suites, as well as the stores and the business establishments constituted by only one room in a dwelling.
Commercial use: Agricultural establishment, commercial establishment for assembly, care, or detention: Building or part of a building that does not contain a dwelling, situated on land dedicated to agriculture or farming and used primarily to shelter animals, or for the production, the storage or the treatment of agricultural or horticultural products or animal food. Building or part of a building, used for the display or retail of goods, professional or personal services, or commodities. Building, or part of a building used by persons gathering for civic activities, religious or political assembly, tourism, educational/vocational training, recreation or the consumption of food or drink. Building, or part of a building used to shelter persons of impaired physical or psychological states, persons requiring palliative care or medical treatments, or persons for reasons out of their control, cannot escape harm or threat of danger autonomously.
Industrial use: Building, or part of a building, used for the assembly, the manufacture, the creation, the treatment, the repair or the storage of products and combustible materials and that contain fuels that when ignited or exploded in sufficient quantity may constitute a risk of fire.
The above warranty applies to all cases where the damage is not a result of poor installation, improper use, mistreatment or negligence, acts of God, or any other circumstances beyond the control of Broan. Furthermore, Broan will not be held responsible for any bodily injury or damage to personal property or real estate, whether caused directly or indirectly by the Broan unit. This warranty supersedes all prior warranties.
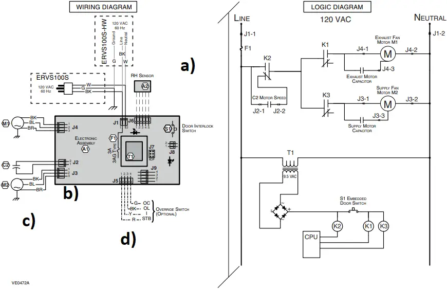
7 Wiring Diagram
|

a)
LINE VOLTAGE FACTORY WIRING
CLASS 2 LOW VOLTAGE FACTORY WIRING
CLASS 2 LOW VOLTAGE FIELD WIRING
b)
Critical characteristic.
c)
NOTES
- Protected against fire with UL listed/CSA Certified line fuse.
- If any of the original wire, as supplied, must be replaced, use the same equivalent wire.
- Field wiring must comply with applicable codes, ordinances and regulations.
- Remote controls (class 2 circuit) available, see instruction manual.
- Furnace fan circuit must be class 2 circuit only.
d) COLOR CODE
BK BLACK R RED
BL BLUE W WHITE
BR BROWN Y YELLOW
G GREEN
8 Service Parts

| REPLACEMENT PARTS AND REPAIR In order to ensure your ventilation unit remains in good working condition, you must use Broan-NuTone LLC genuine replacement parts only. The Broan-NuTone LLC genuine replacement parts are specially designed for each unit and are manufactured to comply with all the applicable certification standards and maintain a high standard of safety. Any third party replacement part used may cause serious damage and drastically reduce the performance level of your unit, which will result in premature failing. Also, Broan-NuTone LLC recommends to contact a Broan-NuTone LLC certified service depot for all replacement parts and repairs. |
| NO. | DESCRIPTION | PART NO. | QTY. |
| 1 | DOOR | SV66548 | 1 |
| 2 | PCB AND SWITCH SPRING (PLASTIC HOLDER NOT INCLUDED) | SV62721 | 1 |
| 3 | BLOWER KIT CE | SV62724 | 1 |
| 4 | BLOWER KIT WS | SV62723 | 1 |
| 5 | 6” ISOLATED METAL PORT KIT | SV62718 | 4 |
| 6 | DAMPER SYSTEM KIT | SV62717 | 1 |
| 7 | RH-TEMP SENSOR | SV62719 | 1 |
| 8 | FILTER KIT (2) | SV21029 | 1 |
| OPTIONAL MERV 8 FILTERS (2) | V21030 | 1 | |
| 9 | ERV CORE | SV61223 | 1 |
| 10 | LOW SPEED CAPACITOR 18 μF | SV62722 | 1 |
| * | CORE LOCKING DEVICE KIT | SV61237 | 1 |
| * | HARDWARE KIT | SV22079 | 1 |
* NOT SHOWN.
9 Troubleshooting
| Risk of electric shocks. Electronic board connections must be checked by qualified personnel only. |
If the unit does not work properly, reset the unit by removing power at service panel or unplugging it for one minute and then restore power at service panel or replug the unit. If it still not working properly, refer to table below.
| PROBLEMS | POSSIBLE CAUSES | YOU SHOULD TRY THIS | |
| 1 | Unit does not start. |
|
|
| 2 | LED blinks rapidly on push button and unit (motor error). |
|
|
| 3 | LED blinks slowly on push button and unit (RH and temperature sensor error). |
|
|
| 4 | The wall control does not work. |
|
|
| 5 | Unit lets too much moisture entering the building during ventilation. |
|
|
| 6 | Unit stops ventilating too often. |
|
|
OPTION 1 – If AHU return duct static pressure exceeds the -0.15 in w.g. threshold during AHU operation, indirect connection combined with a supplemental return grille or “T” connection with the conditioned space shall be used to ensure proper functioning of the built-in fresh air damper.
















