BROAN ERV100S Energy Recovery Ventilator

Product Information
Product Name: BROAN ERV100S Model
Number: VB0198
Manufacturer: Broan-NuTone LLC
Website: www.broan-nutone.com
Customer Service: 800-558-1711
Product Registration: www.broan-nutone.com/register
Revision: 22634 rev.K
About This Manual: This manual provides installation instructions and important safety information for the BROAN ERV100S unit. It includes symbols to emphasize specific instructions and supplementary information to complete each instruction.
About These Units Limitation: The BROAN ERV100S is designed for residential (domestic) installation only. The installation work and electrical wiring must be done by a qualified person(s) following all applicable codes and standards, including fire-rated construction codes and standards.
Product Usage Instructions
To ensure safety and proper operation of the BROAN ERV100S, please follow these instructions: !
WARNING:
- Use the unit only as intended by the manufacturer. If you have any questions, contact the manufacturer using the provided address or telephone number.
- Before servicing or cleaning the unit, disconnect the power cord from the electrical outlet.
- This unit is not designed to provide combustion and/or dilution air for fuel-burning appliances.
- When cutting or drilling into walls or ceilings, be careful not to damage electrical wiring and other hidden utilities.
- Use only the specified controls for solid-state speed control: MAIN CONTROL VT7W, VT4W, or VT6W; AUXILIARY CONTROLS VB20W and VBATHW.
- The unit must be properly grounded. Use the provided 3-prong grounding plug and plug it into a mating 3-prong grounding receptacle, following the national electrical code and local codes and ordinances. Do not remove the ground prong or use an extension cord.
- Do not install the unit in a cooking area or directly connect it to any appliances.
- Do not use the unit to exhaust hazardous or explosive materials and vapors.
- When performing installation, servicing, or cleaning, it is recommended to wear safety glasses and gloves.
- If local regulations have more restrictive installation and/or certification requirements, those requirements prevail over the ones mentioned in this document. The installer agrees to conform to these requirements at their own expense.
CAUTION:
- If connecting a duct to the furnace return plenum, ensure it is connected at least 9′ 10″ away from the furnace plenum connection.
- The ductwork must be installed in compliance with all applicable local and national codes.
- When leaving the house for an extended period (more than two weeks),regularly check if the unit operates adequately.
- Avoid excessive use of fragrance appliances or chemicals as they may damage the unit components.
Table of Contents:
- Typical Installations:
- For House (Page 4)
ABOUT THIS MANUAL
Please take note that this manual uses the following symbols to emphasize particular information:
WARNING
Identifies an instruction which, if not followed, might cause serious personal injuries including possibility of death.
CAUTION
Identifies an instruction which, if not followed, may severely damage the unit and/or its components.
NOTE: Indicates supplementary information needed to fully complete an instruction.
ABOUT THESE UNITS
LIMITATION
For residential (domestic) installation only. Installation work and electrical wiring must be done by a qualified person(s) in accordance with all applicable codes and standards, including fire-rated construction codes and standards.
WARNING
TO REDUCE THE RISK OF FIRE, ELECTRIC SHOCK, OR INJURY TO PERSON(S) OBSERVE THE FOLLOWING:
- Use this unit only in the manner intended by the manufacturer. If you have questions, contact the manufacturer at the address or telephone number listed in the warranty.
- Before servicing or cleaning the unit, disconnect power cord from electrical outlet.
- This unit is not designed to provide combustion and/or dilution air for fuel-burning appliances.
- When cutting or drilling into wall or ceiling, do not damage electrical wiring and other hidden utilities.
- Do not use this unit with any solid-state speed control device other than following controls:
MAIN CONTROL AUXILIARY CONTROLS VT7W, VT4W OR VT6W VB20W AND VBATHW - This unit must be grounded. The power supply cord has a 3-prong grounding plug for your personal safety. It must be plugged into a mating 3-prong grounding receptacle, grounded in accordance with the national electrical code and local codes and ordinances. Do not remove the ground prong. Do not use an extension cord.
- Do not install in a cooking area or connect directly to any appliances.
- Do not use to exhaust hazardous or explosive materials and vapors.
- When performing installation, servicing or cleaning these units, it is recommended to wear safety glasses and gloves.
- When applicable local regulation comprise more restrictive installation and/or certification requirements, the aforementioned requirements prevail on those of this document and the installer agrees to conform to these at his own expenses.
CAUTION
- To avoid prematurity clogged filters, turn OFF the unit during construction or renovation.
- Please read specification label on product for further information and requirements.
- Be sure to duct air outdoor – Do not intake/exhaust air into spaces within walls or ceiling or into attics, crawl spaces, or garage.
- Intended for residential installation only in accordance with the requirements of NFPA 90B.
- Do not run any air ducts directly above or closer than 2 ft to any furnace or its supply plenum, boiler, or other heat producing appliance. If a duct has to be connected to the furnace return plenum, it must be connected not closer than 9’ 10” from this plenum connection to the furnace.
- The ductwork is intended to be installed in compliance with all local and national codes that are applicable.
- When leaving the house for a long period of time (more than two weeks), a responsible person should regularly check if the unit operates adequately.
- If the ductwork passes through an unconditioned space (e.g.: attic), the unit must operate continuously except when performing maintenance and/or repair. Also, the ambient temperature of the house should never drop below 65°F.
- Do not make excessive use of fragrance appliances or chemicals since some may damage the unit components material.
TYPICAL INSTALLATIONS
Use the following illustrations as guidelines to help you decide on how the unit will be installed.
All the units should be hung from the joists or ceiling using brackets (included with the unit). If desired, an optional chains and spring kit (part no. V61239, sold separately) can be used instead of brackets.
If required, bathroom fans and a range hood can be used to exhaust stale air. Also, for homes with more than one level, we recommend one exhaust register at the highest level.
There are 3 installation methods: Fully ducted, Central Draw Point and Simplified Installation.
NOTE: A standard 3-prong electrical outlet has to be available within 3 feet of the unit.
FOR HOUSE
ULLY DUCTED SYSTEM (PRIMARILY FOR HOMES WITH RADIANT HOT WATER OR ELECTRIC BASEBOARD HEATING)
Stale air coming from the registers located at the highest level of the house is exhausted to the outdoors. Fresh air from outdoors is filtered and supplied by the register located in the lowest liveable level. Homes with more than one level require at least one exhaust register at the highest level. See figure at right.
ENTRAL DRAW POINT (CONNECTION TO A FORCED AIR SYSTEM)
Stale air coming from the registers located at the highest level of the house is exhausted to the outdoors. Fresh air from outdoors is filtered and supplied to the return (plenum) or the supply duct of the forced air unit. See figure at right.
For this type of installation, it is not essential that the forced air system blower runs when the unit is in operation, but we recommend it.
NOTE: Home with multiple forced air systems should have one unit on each system.
IMPLIFIED INSTALLATION (CONNECTION TO A FORCED AIR SYSTEM)

Stale air is exhausted to the outdoors. Fresh air from outdoors is filtered and supplied to the return (plenum) or the supply duct of the forced air unit.
See figure at right.
To avoid cross-contamination and achieve the highest efficiencies, the forced air system blower must always be ON.
NOTE: Home with multiple forced air systems should have one unit on each system.
FOR HIGH-RISE DWELLING
ULLY DUCTED SYSTEM (PRIMARILY FOR HOMES WITH RADIANT HOT WATER OR ELECTRIC BASEBOARD HEATING)
Stale air coming from the registers located in bathrooms and kitchen is exhausted to the outdoors. Fresh air from outdoors is filtered and supplied by the registers located in bedrooms and living room.
See figure at right.
ENTRAL DRAW POINT (CONNECTION TO A FAN-COIL SYSTEM)
Stale air coming from the registers located in bathrooms and kitchen is exhausted to the outdoors. Fresh air from outdoors is filtered and supplied to the supply duct of the fan-coil system unit. See figure at right.
For this type of installation, it is not essential that the fan-coil system blower runs when the unit is in operation, but we recommend it.

INSTALLATION
INSPECT THE CONTENTS OF THE BOX
- Inspect the exterior of the unit for shipping damage. Ensure that there is no damage to the door, door hinges, power cord, etc.
- Open the unit door and inspect the interior of the unit for damage. Ensure that energy recovery core, core filters, insulation, dampers, etc. are all intact.
UNIT PREPARATION
All units are equipped with 2 ports having integrated balancing damper (Fresh air to building and Exhaust air to outdoors ports). Before installing the unit, check if these 2 ports are in wide open position. If not, proceed as follow:3
- Loosen the damper lever locking screw.
- Use the damper lever to open the damper.
- Lock the damper in position by tightening the locking screw.

CAUTION
When loosing or tightening the damper lever locking screw, never use an electric screwdriver or drill, use a standard screwdriver.
LOCATING THE UNIT
Choose an appropriate location for the unit.
- Within an area of the house where the ambient temperature is kept between 65°F and 104°F.
- So as to provide easy access to the interior of the unit, for quarterly and annual maintenance.
- Close to an exterior wall, so as to limit the length of the insulated flexible duct to and from the unit.
- Away from hot chimneys and other fire hazards.
- Allow for a power source within 3 feet (standard 3-prong grounding outlet).3
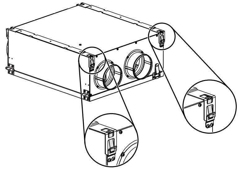
HOW TO HANG THE UNIT
- WARNING
Never handle the unit using its ports; hold the unit by its sides.
Hang the unit using 2 included brackets. See below. - WARNING
To ensure occupants safety, ensure the brackets are mounted to solid surface (e.g.: concrete ceiling, joists). - CAUTION
The included screws are for wood joist only; do not use them to secure brackets to concrete ceiling or metal joists.
- Mount brackets to ceiling or joists. To ease the brackets location, use the template printed on the cardboard filler located in the unit box. See below.
Use at least 2 end screws (A) (or nails) per bracket to secure them to the joists or ceiling; the center one is optional. 
- Bend 90° integrated hooks (2 places).

- Hang the hooks onto the brackets.

- Clip the other side of unit onto the brackets (2 places).


WARNING
Ensure the unit is completely held by the brackets before continuing the installation.
NOTE: The unit can also be hung using 4 hooks (shaded part in illustration at right), chains, springs and screws (kit sold separately, part no. V61239).
CAUTION: Make sure the unit is level.
PLANNING OF THE DUCTWORK
- Keep it simple. Plan for a minimum of bends and joints.
- Keep the length of insulated ducts to a minimum.
- Do not ventilate crawl spaces or cold rooms. Do not attempt to recover the exhaust air from a dryer or a range hood. This would cause clogging of the filters and recovery module.
- If the house has two floors or more, be sure to plan for at least one exhaust register on the highest lived-in level.
INSTALLING THE DUCTWORK AND REGISTERS
WARNING
Never install a stale air exhaust register in a closed room where a combustion device operates, such as a gas furnace, a gas water heater or a fireplace.
FULLY DUCTED SYSTEM (AS ILLUSTRATED IN SECTIONS 1.1.1 AND 1.2.1)
Stale air exhaust ductwork:
- Install the stale air exhaust registers where the contaminants are produced: kitchen, living room, etc. Position the registers as far from the stairway as possible and in such a way that the air circulates in all the lived-in spaces in the house.
- If a register is installed in the kitchen, it must be located at least 4 feet from the range.
- Install the registers 6 to 12 inches from the ceiling on an interior wall OR install them in the ceiling.
Fresh air distribution ductwork: - Install the fresh air distribution registers in bedrooms, dining rooms, living room and basement.
- Keep in mind that the fresh air registers must be located as far as possible from the stale air registers.
- Install the registers in the ceiling OR 6 to 12 inches from the ceiling on an interior wall.
- If a register must be floor installed, direct the airflow up the wall.
CENTRAL DRAW POINT SYSTEM (AS ILLUSTRATED IN SECTIONS 1.1.2 AND 1.2.2)
Stale air exhaust ductwork:
Same as for Fully Ducted System, described on point 2.6.1
Fresh air distribution ductwork:
- WARNING
When performing duct connections, always use approved tools and materials. Respect all corresponding laws and safety regulations. Please refer to your local building code. - CAUTION
When performing duct connections to the furnace supply duct, this duct must be sized to support the additional airflow produced by the ERV. Also, use a steel duct.
There is one method for connecting the unit to the furnace/air handler:
Supply side connection
- Cut an opening into the furnace supply duct at least 18 inches from the furnace/air handler.
- Connect this opening to the Fresh air to building port of the ERV (use steel duct, see figure at right).
- Make sure the ERV duct forms an elbow inside the furnace/air handler ductwork.
- If desired, interlock (synchronize) the furnace/air handler blower operation (see Section 4).
SIMPLIFIED INSTALLATION (AS ILLUSTRATED IN SECTION 1.1.3)
WARNING
When performing duct connections, always use approved tools and materials. Respect all corresponding laws and safety regulations. Please refer to your local building code.

CAUTION
When performing duct connections to the furnace supply duct, this duct must be sized to support the additional airflow produced by the ERV. Also, use a steel duct. For a Return-Return installation, the furnace blower must be in operation when the ERV is in operation.
There is one method for connecting the unit to the furnace/air handler:
Supply-return connection
Stale air intake:
- Cut an opening into the furnace/air handler return duct not less than 10 feet from the furnace/air handler (A+B).
- Connect this opening to the Exhaust air from building port of the ERV.
Fresh air distribution:
- Same instructions as Supply side connection, Section 2.6.2.
NOTE: It is not essential to synchronize the furnace blower operation with the unit operation, but we recommend it.
CONNECTING THE DUCTS TO THE UNIT
NOTE: All units ports were created to be connected to ducts having a minimum of 5” diameter, but if need be, they can be connected to bigger sized ducts by using an appropriate transition (e.g.: 5” diameter to 6” diameter transition).
Insulated flexible ducts:
- CAUTION
Make sure the balancing dampers are set to wide open position before connecting the ducts to the ports. Also, the ductwork connecting Fresh air to building and Exhaust air to outdoors ports with exterior hood(s) must be made of insulated ducts, all way long.
All units have both Fresh air to building and Exhaust air to outdoors ports equipped with integrated balancing damper. Prior to install the insulated flexible ducts on, ensure these both ports have their dampers set to wide open position (See Section 2.2)
CAUTION
If ducts have to go through an unconditioned space (e.g.: attic), always use insulated ducts.
Use the following procedure for connecting the insulated flexible ducts to the port of the unit (Exhaust air to outdoors and Fresh air from outdoors ports).
- Pull back the insulation to expose the flexible duct.
Attach the flexible duct to the port using tie wrap. - Pull the insulation over the joint and tuck in between the inner and outer rings of the double collar, then pull down the vapor barrier (shaded part in illustrations below) over the insulation and tuck in between the inner and outer rings.
- Apply duct tape to the joint (outer ring and vapor barrier) making an airtight seal. Avoid compressing the insulation when pulling the tape tightly around the joint. Compressed insulation loses its R value and causes water dripping due to condensation on the exterior surface of the duct.
CAUTION
Make sure the vapor barrier on the insulated ducts does not tear during installation to avoid condensation within the ducts.

Rigid ducts:
- CAUTION
Do not use screws to connect the rigid ducts to the ports.
Use a small length (6” length) of flexible duct to connect the rigid duct to the ports in order to avoid vibration transmissions. Use tie-wraps to perform connections, then seal with duct tape.
INSTALLING 2 EXTERIOR HOODS
Choose an appropriate location to install the exterior hoods:
- There must be a inimum distance of 10’ between the hoods to avoid cross-contamination.
- There must be a minimum distance of 18” from the ground.

WARNING
Make sure the intake hood is at least 6 feet away from any of the following:
- Dryer exhaust, high efficiency furnace vent, central vacuum vent
- Gas meter exhaust, gas barbecue-grill
- Any exhaust from a combustion source
- Garbage bin and any other source of contamination
Refer to figure at right for connecting insulated ducts to the exterior hoods. An “Anti-gust intake hood” should be installed in regions where a lot of snow is expected to fall.

INSTALLING A TANDEM® TRANSITION* KIT
CAUTION
If using a Tandem Transition, a backdraft damper must be installed on the stale air to outdoors duct. If this causes an interruption in the duct insulation, insulation must be added around the backdraft damper to avoid condensation.
If desired, a Tandem transition kit can be used instead of 2 exterior hoods.
- An additional backdraft damper (not included) must be installed on the stale air to outdoors duct following common best practice. Should the backdraft damper cause an interruption in the insulation of the stale air to outdoors duct, make sure that insulation is added around the backdraft damper to avoid condensation.
- Follow the instructions included with the tandem termination kit.
*Patented.

CONTROLS
The ERV100S unit is equipped with an integrated control. The electronic device is located under the unit, in front of the electrical compartment. Refer to the figure at right for steps 3.1 up to 3.4. Plug the unit. 
BOOTING SEQUENCE
The unit booting sequence is similar to a personnel computer boot sequence. Each time the unit is plugged after being unplugged, or after a power failure, the unit will perform a booting sequence before starting to operate.
During the booting sequence, the integrated control LED (1 in above illustration) will light up and remain GREEN or AMBER for 3 seconds, and will then shut off*; the booting sequence is done.
* or will light up in the color of the previous mode to show the unit resumed to it, if the unit is controlled by its integrated control. NOTE: No command will be taken until the unit is fully booted.
If a problem occurs during the unit operation, or if the unit turns in Protection Mode, its LED (1) will blink. The color and the blinking pattern depend on the type of error detected, or if the unit is in Protection Mode.
Refer to the sticker on the unit and Section 9 Troubleshooting on page 22 for further details.
INTEGRATED CONTROL
Use the push button (2) to control the unit. The LED (1) will then shows on which mode the unit is in. Refer to table at right.
NOTE: When using main control, the integrated control must be turned off.
| LED COLOR | RESULTS |
| AMBER | UNIT IS ON LOW SPEED |
| GREEN | UNIT IS ON HIGH SPEED |
| NO LIGHT | UNIT IS OFF OR CONTROLLED BY A MAIN CONTROL |
SETTING EXTENDED DEFROST
These units are factory set to normal defrost. In cold region (outdoor temperature -17°F and lower), it may be necessary to setup extended defrost. During the first 3 seconds of booting sequence, the integrated control LED shows the current defrost mode (refer to table at right).
| LED COLOR | DEFROST MODE |
| GREEN | NORMAL |
| AMBER | EXTENDED |
Within the first 3 seconds of booting sequence, press on push button until the LED starts to blink, then release the push button; the LED will blink AMBER 5 times. After that, the LED will shut off, then turn RED (the unit returns in its booting sequence).
ELECTRICAL CONNECTION TO WALL CONTROLS
For more convenience, the ERV100S unit can also be controlled using an optional main control.
NOTES:
- The integrated control must be turned OFF to use an optional main control.
- If an optional auxiliary control is used, if activated, this auxiliary control will override the optional main control operation.
WARNING
Always disconnect the unit before making any connections. Failure in disconnecting power could result in electric shock or damage of the wall control or electronic module inside the unit.
CAUTION
Never install more than one main wall control per unit. Make sure that the wires do not short-circuit between themselves or by touching any other components on the wall control. Avoid poor wiring connections. To reduce electrical interference (noise) potential, do not run wall control wiring next to control contactors or near light dimming circuits, electrical motors, dwelling/building power or lighting wiring, or power distribution panel.
Open the unit door. Insert the terminal connector (included in the installation kit) under the unit, on the electrical compartment front face. Use this terminal connector to perform the electrical connection for main and optional wall controls, then secure the cable(s) with a tie wrap (see illustration at right).

Check if all wires are correctly inserted in their corresponding holes in the terminal block. (A wire is correctly inserted when its orange receptacle is lower than another one without wire. On illustration at right, wire A is correctly inserted, but not wire B.) Splice back the end of the cable to access the 4 wires. Strip the end of each wire. Connect each wire to its corresponding terminal: YELLOW wire to “Y’’, RED wire to “R’’, GREEN wire to “G’’ and BLACK wire to “B’’.
Connect the auxiliary control cable, if installed (not shown).

ELECTRICAL CONNECTION TO VT7W MAIN WALL CONTROL

ELECTRICAL CONNECTION TO VT4W MAIN WALL CONTROL

ELECTRICAL CONNECTION TO VT6W MAIN WALL CONTROL

ELECTRICAL CONNECTION TO OPTIONAL AUXILIARY WALL CONTROLS (VBATHW AND VB20W)

NOTE: If an optional auxiliary wall control is activated, this control will override the main wall control commands.
Once the wall control(s) connections have been made and checked, close the unit door.
NOTE: For information about the operation of the wall controls, refer to the Main and auxiliary wall controls user guide.
ELECTRICAL CONNECTION TO THE FURNACE
WARNING
Never connect a 120-volt AC circuit to the terminals of the furnace interlock (standard wiring). Only use the low voltage class 2 circuit of the furnace blower control.
For a furnace connected to a cooling system:
On some older thermostats, energizing the “R” and “G” terminals at the furnace has the effect of energizing “Y” at the thermostat and thereby turning on the cooling system. If you identify this type of thermostat, you must use the ALTERNATE FURNACE INTERLOCK WIRING.
TANDARDS FURNACE INTERLOCK WIRING

LTERNATE FURNAACE INTERLOCK WIRING

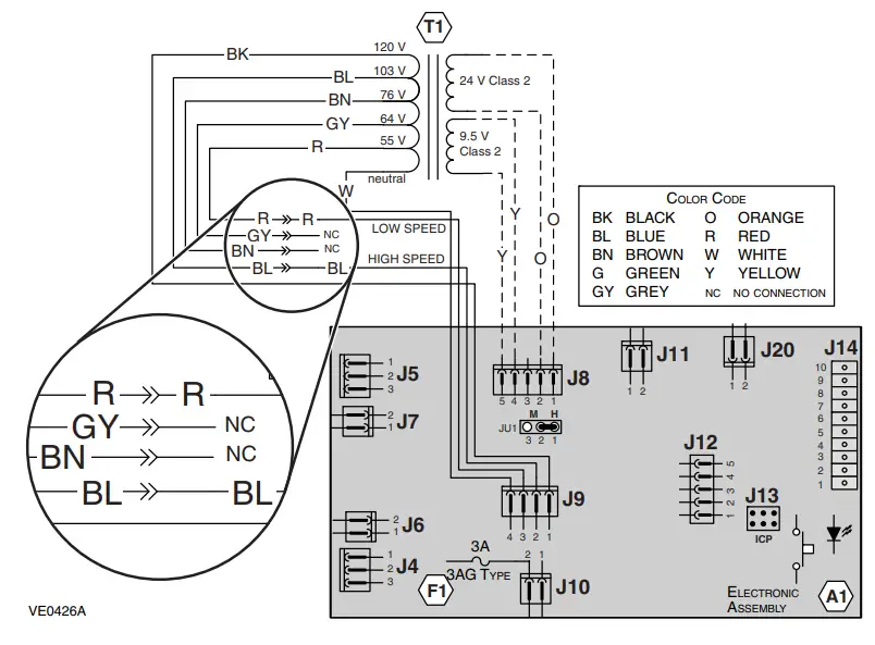
SPEED SELECTION
The factory set high speed value for theses units is 100 CFM, and low speed value is approximately 50 CFM. To change these values, the transformer wire taps connections must be changed (see table and illustration below).
| Speed | Connection | JU1 Jumper | |
| High Speed | 100 CFM | BL-BL | H (1-2) |
| 85 CFM | BN-BL | M (2-3) | |
| Low Speed | 65 CFM | GY-R | |
| 50 CFM | R-R |

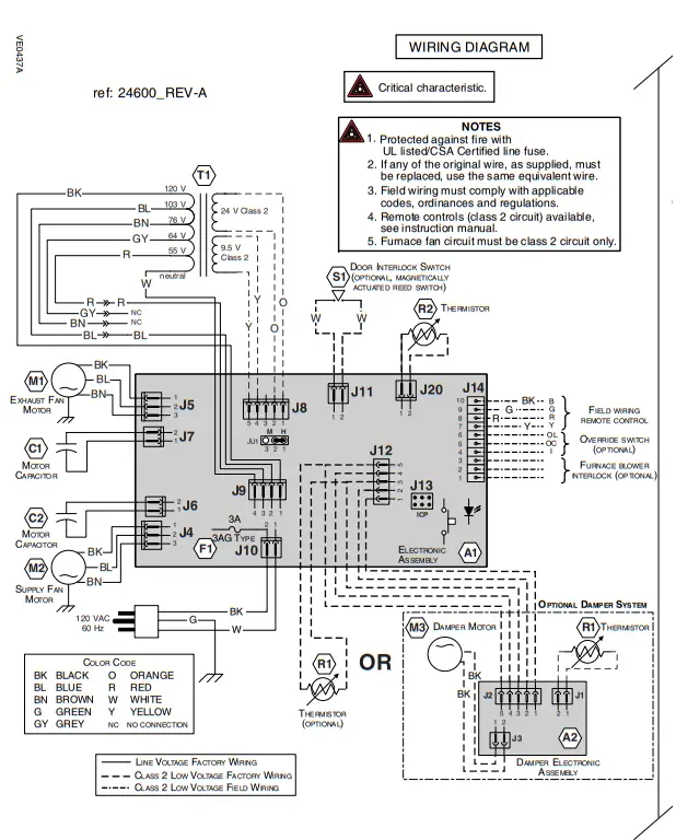
WIRING DIAGRAM
WARNING
- Risk of electric shocks. Before performing any maintenance or servicing, always disconnect the unit from its power source.
- This product is equipped with an overload protection (fuse). A blown fuse indicates an overload or a short-circuit situation. If the fuse blows, unplug the product from the outlet. Discontinue using the unit and contact technical support.


BALANCING THE UNIT
WHAT YOU NEED TO BALANCE THE UNIT
- A magnehelic gauge capable of measuring 0 to 0.5 inch of water (0 to 125 Pa) and 2 plastic tubes.
- The balancing chart located on the unit door.

PRELIMINARY STAGES TO BALANCE THE UNIT
- Seal all the unit ductwork with tape. Close all windows and doors.
- Turn off all exhaust devices such as range hood, dryer and bathroom fans.
- Make sure the integrated balancing dampers are fully open. Both are located on the Exhaust air to outdoor port and on Fresh air from outdoor port (see step 2.2). Ensure that the lever rotation won’t exceed 90° maximum to avoid the damper not closing properly.
- Make sure all filters are clean (if it is not the first time you balance the unit).

Make sure the unit is not running in defrost mode while balancing.
When the outdoor temperature is below 32°F, the defrost mode can be activated. During defrost cycle, it is not possible to balance the unit since there is no flow in one direction.
To cancel the defrost cycle, use the auxiliary control or jump OC-OL on unit terminal block; this will set the unit on high speed ventilation without defrost for the next 20 minutes. Once the 20 minutes of high speed ventilation is completed, the unit will perform an extended defrost. If installed, do not forget to remove the jumper between OL and OC on terminal block.
Another way to avoid the defrost cycle is to wait 10 minutes after plugging the unit in; this procedure ensures that the unit is not in a defrost cycle.
NOTE: Both units start in defrost mode within the first minute of operation.
BALANCING PROCEDURE
- Set the unit to high speed.
Make sure that the furnace/air handler blower is ON if the installation is in any way connected to the ductwork of the cold air return. If not, leave furnace/air handler blower OFF. - Place the magnehelic gauge on a level surface and adjust it to zero.
- Connect tubing from gauge to exhaust air flow pressure taps and fresh airflow pressure taps (see diagram at right).
Be sure to connect the tubes to their appropriate high/low fittings. If the gauge drops below zero, reverse the tubing connections. - Measure both flows; adjust higher flow to equal the lower one, using balancing damper lever.
CAUTION
When loosing or tightening the damper lever locking screw, never use an electric screwdriver or drill, use a standard screwdriver.
CAUTION
Make sure to turn the damper lever to the right direction (opposite to its stopper, see illustration at right). Securing the lever in wrong position may cause freezing into the unit.
- Secure both damper levers in place using their locking screw, then shut all the pressure taps with the small plastic plugs included in the hardware kit.
- Write the required air flow information on a label and stick it near the unit for future reference (date, maximum speed air flows, your name, phone number and business address).
NOTE: The unit is considered balanced even if there is a difference of ±10 cfm between the two air flows.
SERVICE PARTS

| NO. | DESCRIPTION | PART NO. | ERV100S |
| 1 | INSTALLATION BRACKETS KIT (2) | SV61240 | 1 |
| 2 | BALANCING AND BACKDRAFT DAMPER PORT KIT | SV61219 | 1 |
| 3 | 5” METAL PORT KIT FOR COLD SIDE | SV61236 | 2 |
| 4 | ADJUSTABLE PORT KIT | SV61215 | 1 |
| 5 | DOOR METAL KEEPERS AND LATCHES KIT | SV61218 | 1 |
| 6 | COLD SIDE BLOWER KIT (INCL. 1 CAPACITOR) | SV61235 | 1 |
| 7 | WARM SIDE BLOWER KIT (INCL.1 CAPACITOR) | SV61234B | 1 |
| 8 | WARM SIDE THERMISTOR | SV61233 | 1 |
| 9 | TRANSFORMER KIT | SV61232 | 1 |
| 10 | CAPACITORS 5 µF (2) | SV16042 | 1 |
| 11 | ELECTRONIC BOARD KIT | SV61230 | 1 |
| 12 | MAGNET WITH BRACKET KIT | SV61241 | 1 |
| 13 | DOOR ASSEMBLY | SV63498 | 1 |
| 14 | FILTER KIT (2) | SV21029 | 1 |
| OPTIONAL MERV 8 FILTERS (2) | V21030 | 1 | |
| 15 | ERV CORE | SV61223 | 1 |
| 16 | CORE LOCKING DEVICE KIT | SV61237 | 1 |
| 17 | 5” METAL PORT KIT FOR WARM SIDE | SV61217 | 2 |
| 18 | DOOR METAL HINGES KIT (2) | SV61228 | 2 |
| * | TERMINAL CONNECTOR | SV16416 | 1 |
| * | COLD SIDE THERMISTOR KIT | SV61221 | 1 |
| * | OPTIONAL HARDWARE KIT | V61239 | 1 |
* NOT SHOWN.
REPLACEMENT PARTS AND REPAIR
In order to ensure your ventilation unit remains in good working condition, you must use the Broan-NuTone LLC genuine replacement parts only. The Broan-NuTone LLC genuine replacement parts are specially designed for each unit and are manufactured to comply with all the applicable certification standards and maintain a high standard of safety. Any third party replacement part used may cause serious damage and drastically reduce the performance level of your unit, which will result in premature failing. Also, Broan-NuTone LLC recommends to contact a Broan-NuTone LLC certified service depot for all replacement parts and repairs.
TROUBLESHOOTING
If the unit does not work properly, reset the unit by unplugging it for one minute and then replug it. If it still not working properly, refer to table below.
| If the LED of the unit is flashing, this means the unit sensors have detected a problem. See the table below to know where the problem occurs on the unit. | |||
| LED SIGNAL | ERRORTYPE | ACTION | UNIT STATUS |
| LED flashes GREEN (double blink every 2 seconds). | Outdoor thermistor error. |
| Unit works but will defrost frequently. |
| LED flashes GREEN (2 blinks per second; faster blink). | Building side thermistor error. |
| Unit does not work. |
| LED flashes RED (one blink every 2 seconds). | Cold side motor error, open door or magnetic switch bad contact. |
| Unit does not work. |
| LED flashes RED (2 blinks per second; faster blink). | Unit is on protection mode or is in error because it has been in protection mode for an abnormal time. |
| Unit exhaust air without entering fresh air for a 2-hour period, then resume to its previous operation mode and stops flashing RED. If LED continues to flash RED when back to previous mode, the unit is in error. Go to point 9 in next table. |
WARNING
Risk of electric shocks. Electronic board connections must be checked by qualified personnel only.
| PROBLEMS | POSSIBLE CAUSES | YOU SHOULD TRY THIS | |
|
1 | The error code E1 is displayed on VT8W or VT7W wall control screen. |
|
|
| 2 | There is no outdoor temperature displayed on V_T_8W wall control screen . |
|
|
| 3 | VT8W or VT7W wall control screen alternates between normal display and E3. |
|
|
|
4 |
The main wall control does not work. |
|
|
| PROBLEMS | POSSIBLE CAUSES | YOU SHOULD TRY THIS | |
|
5 |
Unit does not work (LED not lit on power up). |
|
|
|
6 |
The auxiliary control does not work. |
|
|
|
7 |
A. The supply motor does not work, but exhaust motor works. |
|
|
| B. The LED flashes RED. |
|
| |
|
8 |
Unit shows protection mode error (different than being in protection mode). |
|
|


















