RenewAire EV SERIES Premium ERV Energy Recovery Ventilator

Safety Instruction
CAUTION
RISK OF ELECTRIC SHOCK OR EQUIPMENT DAMAGE
Whenever electrical wiring is connected, disconnected or changed, the power supply to the ERV and its controls must be disconnected. Lock and tag the disconnect switch or circuit breaker to prevent accidental reconnection of electric power.
CAUTION
RISK OF CONTACT WITH HIGH SPEED MOVING PARTS
This appliance has two high speed fans that can cause injury or be damaged if objects come into contact with the impellers when they are spinning. The fans may be controlled by external controlling devices and switch on at any time. When working in the area of the fans, electric power to the unit must be disconnected.
IMPORTANT
All ductwork is to be designed and installed in accordance with SMACNA guidelines.
IMPORTANT
This ERV is intended for ducted ventilation only. Ducting at least 40 inches [1 meter] in length must be installed on all four airstreams.
CAUTION
RISK OF INJURY FROM FALLING OBJECTS
Installation of this unit requires hoisting hardware overhead and working directly beneath heavy objects during the installation process. Observe all OSHA-approved work practices. Always wear OSHA-approved Personal Protective Equipment (PPE).
IMPORTANT
Only persons who have been properly trained and authorized are to access the ERV electrical box and the controller.
Changes to the controller are to be made only by trained and authorized personnel.
IMPORTANT
This equipment is to be installed by following industry best practices and all applicable codes. Any damage to components, assemblies, subassemblies or the cabinet which is caused by improper installation practices will void the warranty.
OVERVIEW
DESCRIPTION
The EV Premium ERVs are multi-speed air-to-air energy recovery ventilators that are designed
for residential application and have multiple installation options. They can be suspended from
floor joists, or they can be mounted on a wall or other object. Each type of installation can be accomplished by a single person. The EV Premium S, M, and L have an integral line cord, ready to be plugged into a standard 120VAC receptacle. The EV Premium SH, MH, and LH need to be hard-wired by the installer.
The ERV exhausts stale Return Air (RA) while transferring both latent and sensible energy
between an incoming fresh outdoor airstream (OA). Energy recovery is accomplished by a static plate heat exchanger core. Each airstream has a 120V EC fan, which provides airflow from 30 to 130 CFM for the EV Premium S/SH, from 30 to 225 CFM for the EV Premium M/MH, and from 30 to 280 CFM for the EV Premium L/LH.
The airflow rate can be changed from Continuous to Boost at any time, using many different
optional sensors or control devices.
The unit may operate with balanced or unbalanced airflow. However, balanced airflow provides
the best energy recovery. Airflow can be adjusted using the motor potentiometers and the
values read via the door pressure taps.
The hinged door has an opening for viewing and access to the potentiometers. The entire cabinet is lined with foil-backed 1″ thick foam insulation.
NOTE: This unit is an Energy Recovery Ventilator, or ERV.
It is commonly referred to throughout this manual as an ERV.
NOTE: Sensible energy is often referred to as “heat energy.”
NOTE: Latent energy is often referred to as “moisture energy.”
OPERATING MODES
The EV Premium has two different operating modes: Continuous and Boost. Continuous mode should be set to provide the minimum ventilation requirement. Boost mode can be used to supply and exhaust a greater volume of air, up to 130 CFM for the EV Premium S/SH, up to 225 CFM for the EV Premium M/MH, or 280 CFM for the EV Premium L/LH.
The two operating modes are selectable and controlled independently so that different controlling methods can be used to switch back and forth. Example: an IAQ sensor could be used to switch the unit to Boost mode.
UNIT WEIGHTS
The hanging weight of each EV Premium S/SH is approximately 32 pounds.
The hanging weight of each EV Premium M/MH is approximately 36 pounds.
The hanging weight of each EV Premium L/LH is approximately 52 pounds.
The shipping weight of each EV Premium S/SH is approximately 38 pounds.
The shipping weight of each EV Premium M/MH is approximately 48 pounds.
The shipping weight of each EV Premium L/LH is approximately 66 pounds.
COMPONENT DESCRIPTION
CABINET
The cabinet is built of 22 gauge (0.64 mm) galvanized steel and is painted white. It has a hinged, removable door. The exterior of the unit boasts four air pressure test ports, one low voltage terminal strip, an access/viewing port, and locations for four duct connectors, (6″ or 8″, shipped loose).
Removable Door with Interlock Switch
The insulated access door is hinged on one side and has two securing latches on the other side. The hinges are separable to allow for removal of the access door for servicing. The door has an access/viewing port built in to permit adjustment of the fan potentiometers. Directly behind the access door is a pressure-sensitive interlock switch that will shut off power to the unit if the door is opened during operation. Also installed on the door are four air pressure test ports, used for connecting a manometer and taking air pressure measurements.
FANS
The EV Premium has two advanced, high efficiency electronically commutated (EC) 120VDC variable speed fans. One fan is used for intake air (Outdoor Air/Supply Air) and the other fan is for the exhaust airstream (Return Air/Exhaust Air). The speed of each fan is controlled independently by a 0–10VDC signal from the controller.
CONTROLLER
The controller provides the signal to the EC motors using integral potentiometers. Incoming line voltage powers both fans and also a step-down Class II transformer which provides 24VAC to the externally-mounted low-voltage terminal strips. The controller has four potentiometers that are adjusted by the user to establish fan speeds for each operation mode.
Controller Power Supply
Each EV Premium has one terminal strip mounted on the end of the unit. The terminal strip is a 24VAC power supply terminal. The unit control board provides up to 6VA (approximately 0.25A) which can be used to power the various optional control accessories.
DUCTS
IMPORTANT
It is important to understand and use the equipment airstream terminology as it is used in this manual. The airstreams are defined as:
- Outside Air (OA): Air taken from the external atmosphere and, therefore, not previously circulated through the system.
- Supply Air (SA): Air that is downstream of the enthalpic core and is either supplied to the occupied space or to an additional conditioner.
- Conditioned Air (CA): Air that is supplied to an occupied space.
- Return Air (RA): Air that is returned to a heating or cooling appliance from a conditioned space.
- Exhaust Air (EA): Air that is removed from a heating or cooling appliance and discharged.
NOTE: If you wish to install the unit in an attic or other unconditioned space, you must insulate all of the unit’s ductwork that is located in the attic. Use at least R-6 insulation.
EV Premium units are supplied with a set of 4 duct connectors that must be field-installed. The connectors can be used for either 6″ round or 8″ round ducts. It is preferable to keep duct runs short and straight to maximize performance.
For all installations, SMACNA guidelines for duct installation should be followed. The most commonly-used ducting is 6″ diameter flexible due to ease of installation, sound attenuation, and cost, however, rigid ducting is preferred because there is less resistance to airflow, resulting in less power consumption to deliver the same amount of air.
A total of four duct runs will generally be used:
- One duct will provide clean outdoor air (Outside Air) to the EV Premium. This duct will normally be capped by an air inlet cap mounted on the exterior side wall of a residence and equipped with a bird screen.
Wall intakes must be located at least 10′ from any appliance vent or any vent opening from a plumbing drainage system. Wall intakes must also be 10′ from any exhaust fan discharge outlet unless that outlet is 3′ or more above the intake location. (IRC 2006, Section M1602.2) - One duct will be needed to exhaust stale air (Exhaust Air) to the outdoors. This duct will normally end at an exhaust cap located on an exterior wall of a residence.
- One duct will be needed to deliver fresh, conditioned air (Supply Air) from the EV Premium to a desired location in the residence. The Supply Air duct may end in a floor or wall grate with an area of at least 28 square inches. Alternatively, the Supply Air duct may be connected directly into the return air duct or the supply air duct for the main heating and cooling system. When connecting to the main return air duct, it must be at least 3′ from the return plenum to minimize suction from the furnace blower.
- One duct is used to collect indoor air (Return Air), running from return grilles through the energy exchange core in the EV Premium before being exhausted to the outdoors.
If the EV Premium is located in a conditioned space, only the OA and EA ducts need to
be insulated.
If it is installed in an unconditioned space such as an attic or crawl space, the SA, OA, RA, and EA ducts must be insulated.
NOTE: Ducts inside a building that are connected to the outside must be insulated with a sealed vapor barrier on both the inside and the outside of the insulation.
FIGURE 2.4.1 SEPARATE RETURN AIR PICK-UP—SUPPLY AIR TO FURNACE RETURN AIR TRUNK
NOTE: ERV blower may be operated separate from furnace blower.
FIGURE 2.4.2 SEPARATE RETURN AIR AND SUPPLY AIR
NOTE: ERV blower may be operated independently from furnace blower.
Use caution to introduce FA at low velocity and where good mixing will occur to minimize discomfort from drafts
FIGURE 2.4.3 FURNACE RETURN AIR BACK INTO RETURN AIR
NOTE: For the setup in Figure 2.4.3, the furnace blower must be operated any time the ERV is operated. Use furnace fan “on” continuous low speed or optional FM control to cycle furnace fan on ERV.
FIGURE 2.4.4 FURNACE RETURN AIR BACK INTO SUPPLY AIR
NOTE: ERV blower may be operated separate from furnace blower.
ENTHALPIC CORE
Each EV Premium has a static-plate, cross-flow core separates the outgoing, polluted indoor airstream from the incoming supply airstream—while simultaneously transferring total energy (heat and water vapor) between the two. Airstreams do not mix, and pollutants are not transferred across partition plates.
NOTE: The cores used in all ERVs are static plate enthalpic cores. They are commonly referred to in this manual as “cores.”
FILTERS
Each EV Premium is equipped at the factory with mesh-type anti-microbial MERV 8 filters on both the OA and RA sides of the core. If desired, the mesh-type OA filter can be replaced with an optional MERV 13 pleated paper filter accessory, which will ship loose.
CONTROLS TERMINAL STRIP
A single terminal strip is located at the end of each EV Premium, providing a 24VAC connection to Boost mode or to control accessories. For detailed information, see the Low Voltage Wiring Diagrams in Section 4.8 of this manual.
UNIT PLACEMENT
RenewAire recommends installation of the EV Premium by a professional HVAC installer with knowledge of local building codes who is able to properly balance the air streams prior to use. The EV Premium can be installed by one person.
NOTE: If you wish to install the unit in an attic or other unconditioned space, you must insulate all of the unit’s ductwork that is located in the attic. Use at least R-6 insulation.
MOUNTING THE UNIT
- UNIT MAY BE INSTALLED IN ANY ORIENTATION
Orient the unit for the simplest duct layout and connections.
May be installed in any position providing sufficient clearance as shown in the front of this manual. Preferred position is horizontal so that the hinged access door can swing down to allow for easiest filter changes and cleaning of the enthalpic core.
NOTE: The door is equipped with slide off hinges. For the homeowner’s convenience, it is helpful to orient the unit so that the door is easily removed when unlatched. - MOUNTING THE EV PREMIUM ON A CONCRETE FOUNDATION WALL OR STUD WALL
Mount hanging bracket to the wall with appropriate concrete anchors. Use pre-cut foam tape from small parts bag. Remove backing and apply two pieces of foam tape equally spaced along the unit’s mounting flange to be held by the hanging bracket. Apply the other two pieces of foam over two holes that will be used for fastening, on the other flange. The tape should be applied in a “U” shape to cushion both the front and back of the integral flanges.
Lift unit and slide unit flange into the hanging bracket. Using metal flat washers, fasten flange opposite hanging bracket to structure. Safety screws should similarly be installed passing through the hanging bracket and flange. Make sure the screws, which you must supply, are properly selected for the loads and substrate involved, 2″ x #10 pan head screws are recommended.
NOTE: Do not overtighten the screws. Compression of the gasket may result in vibration transfer. - SUSPENDING THE EV PREMIUM FROM FLOOR JOISTS OR TRUSSES
The unit may be screwed directly to joists or trusses using the hanging bracket and integral flange. Mount as described for mounting to concrete foundation wall.
NOTE: Wall brackets must be supported by two wall studs.
If the desired location of the EV Premium does not permit support by two wall studs, the EV Premium must be mounted on a user-supplied 3/4″ thick plywood panel that is anchored on two wall studs.
CAUTION Risk of injury when lifting unit and installing it overhead.
SERVICE CLEARANCES
Primary consideration is sufficient space to open door latches and for the door to be able to swing open at least 90°. See the dimensioned drawing in the front of this manual for required clearances.
AC POWER SOURCE
EV Premium S, M, L
Power requirements: 120VAC, 3.0 amps
The EV Premium S, M, and L have an integral 34″ long power supply cord. The installer must provide a standard, grounded 120VAC outlet in the proximity of the ERV. Check all local codes.
Premium SH, MH, LH
Power requirements: 120 VAC, 3.0 amps
The EV Premium SH, MH, and LH are to be hard-wired by the installer. Check all local codes before wiring. A disconnect switch on the AC supply line may be required.
LOAD BEARING CAPACITY OF SUPPORTS
The EV Premium ERV is to be installed by attachment to building structural members such as joists, bar joists, beams, wall studs, and columns. It is not be supported by attachment to fixtures such as ductwork or air handlers unless the fixtures are permanently installed and capable of providing adequate support. Whenever an ERV is installed on or supported by a fixture, the installation must be approved by a design engineer.
INSTALLATION
CAUTION
RISK OF INJURY FROM FALLING OBJECTS
Installation of this unit requires hoisting hardware overhead and working directly beneath heavy objects during the installation process. Observe all OSHA-approved work practices. Always wear OSHA-approved Personal Protective Equipment (PPE).
USER-SUPPLIED INSTALLATION MATERIALS
RenewAire suggests the use of a duct hoist for hoisting the EV Premium into position. For all installations:
- Medium-strength thread-lock,
- UL-181—rated mastic for duct connections,
- Common hand tools such as pliers, drill, screwdriver bits, stud finder, etc.
FACTORY-RECOMMENDED ELECTRIC SERVICE ENTRY
EV Premium S, M, L
The EV Premium S, M, and L have a factory-installed 34″ line cord that will need to be plugged into a 120V receptacle for operation.
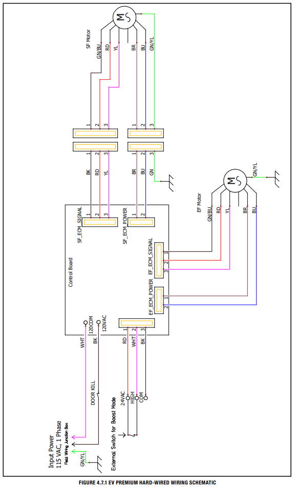
EV Premium SH, MH, LH
The EV Premium SH, MH, and LH are to be hard-wired by the installer. Entry of electric supply wiring is to be through the junction box provided on the unit. The junction box measures 2″ x 2″ and contains 4″ of free length of wire leads. There are 2 knockouts on opposite sides of the junction box that support 1/2” trade size metal conduit. Junction box can be remounted 90 degrees to reposition the knockouts as necessary. It may be easier to mount the unit and connect to the junction box before installing the provided duct collars and ductwork.
FACTORY-RECOMMENDED LOW-VOLTAGE SERVICE ENTRY
All low-voltage connections are made on the exterior of the unit on the low-voltage terminal strip. Field-installed low-voltage wiring does not enter the unit.
ATTACHING DUCTS
Ducts are to be fabricated and installed per SMACNA guidelines. Use a combination of zip ties, UL-181—rated duct mastic and then secure the duct from slipping off by means of a screw, positioned behind one or more ribs in the duct. Observe Industry Best Practices when installing and supporting the ducts.
NOTE: Airflow volumes can be changed at any time by the user as experience dictates. Whenever changing airflow volumes for either Continuous (low speed) or Boost (high speed) modes, the fans should again be balanced.
SELECTING AIRFLOW SETTINGS
For assistance in determining correct airflow settings, go to https://www.renewaire.com/how- tobuy/home-ventilation-solutions/. This site will provide a basic low-speed (Continuous) air volume for a residence based on factors such as square footage and the number of bedrooms that are to be entered by the user. The resulting airflow volume is to be used as a guide and modified as desired.
The need for boost mode varies by situation. For example, boost mode could be tied to bathroom and shower usage. Alternatively, boost mode might be set for specific times of the day when more people will be in the space being ventilated. In all cases, an HVAC professional should be consulted to determine how to best set the airflow volumes to provide maximum benefit to the inhabitants.
Airflow volumes are set by taking pressure readings at the pressure ports in the unit door and then adjusting the potentiometers, first the two low speed ones, then the two high speed ones.
Normally, the low-speed OA and RA potentiometers are set and then the readings are compared to the chart in Section 5.2.1 of this manual. Measuring the pressure drop across the core for each airstream is used to determine the airflow volume.
BALANCING AIRFLOWS
EV Premium ERVs provide the ability to deliver and exhaust completely balanced airflows, or to modify them as desired. While balanced airflow is preferred, many owners will prefer to have a slight imbalance, providing a slight excess of Outdoor Air to reduce air infiltration into a home. Some homes may require an imbalance because a furnace or water heater is not direct-vented. Again, an HVAC professional will be able to advise balance settings that will best address the circumstances in each home.
Balancing an airflow is done by setting the Outdoor Air fan speed and then adjusting the Return Air fan speed to eject the same or somewhat less air to the outdoors.
Equipment required for testing airflows:
- A magnehelic gauge (or manometer) or other device capable of measuring 0–1.0 inches water gauge of differential pressure.
- 2 pieces of natural rubber latex tubing, 1/8″ I.D., 1/16″ wall thickness works best.
Manometers are relatively inexpensive devices that are readily available from online retailers; accuracy within the range of 0–1.0 in. w.g. is the critical measure. Water manometers generally have graduations of 0.1″ that are difficult to accurately determine. For all manometers, there are two plastic tubes that connect at the manometer and then the other ends go to pressure ports on the EV Premium.
Individual differential static pressures (DP) are measured ACROSS the core and filters, using the installed pressure ports located on the removable door.
- Verify the unit has clean filters in place.
- Open the pressure port caps for the OA airstream and then insert the tubing into the openings about 1″.
- Take a differential pressure reading for the OA airstream by installing the “high” pressure side (+) of the measuring device to the OA port and the “low” pressure side (-) to the SA port. Compare the pressure drop to the chart in section 5.2.1 to obtain the CFM. Adjust the fan speed potentiometer (See figure 4.6.1) to obtain the desired CFM. Enter the CFM information in the box in section 5.2.2.
- Take a differential pressure reading for the RA airstream by installing the “high” pressure side (+) of the measuring device to the RA port and the “low” pressure side (-) to the EA port. Compare the pressure drop to the chart in section 5.2.1 to obtain the CFM. Adjust the fan speed potentiometer (See figure 4.6.1) to obtain the desired CFM. Enter the CFM information in the box in section 5.2.2.
- Install a jumper on the low-voltage terminal to force the unit into Boost (high speed) mode. See the wiring diagram in Section 4.7.
- Repeat the process for both airstreams to set both the CFM and balance. Enter the information in the boxes in Section 5.1.
- After adjusting the potentiometers, take additional readings as needed to verify that fan speed settings are correct. See Figure 4.6.1.

NOTE: Adjust low speed fan settings by using the potentiometers marked “L.” Adjust high speed fan settings by using the potentiometers marked with “H.”
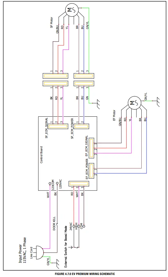
WIRING SCHEMATICS


LOW-VOLTAGE WIRING DIAGRAMS
Single Speed Mode CONTINUOUS
When plugged in, the unit will run constantly at Low Speed. If the unit is to operate constantly at a single airflow, adjust the OA and RA low speed potentiometers to the desired airflow as described in section 4.6. The high speed potentiometers are not needed for this application.
Low Speed CONTINUOUS/High Speed SWITCHED
If the EV Premium is to run constantly at Low Speed (Continuous mode or Off) and then switch periodically to Boost mode in response to a controlling device. The external controlling device, such as a PBT control or an occupancy sensor that is to trigger Boost mode (High Speed), is connected to the 24VAC terminal and to the High Speed terminal.
NOTE: Do not connect either wire from PBT to the COM terminal on the unit.
If multiple controls are desired to operate the unit in Boost mode for different purposes, they may be wired in parallel. The unit control board provides 6 VA so the combined power demand for desired accessories must be lower than this threshold. For example, a PBT controller may be wired to an EV Premium unit and up to 6 PBL controls may be connected to the PBT PB terminals in parallel. For additional information see the installation manuals for the control(s) you select for wiring diagrams and specific instructions.
OPERATION
MANOMETER READINGS AT COMMISSIONING
Return Air Pressure Port
Exhaust Air Pressure Port
Outside Air Pressure Port
Supply Air Pressure Port
AIRFLOW READINGS AT COMMISSIONING
Conversion of Pressure Drop to Airflow
See the tables below.
(Units equipped with clean MERV 8 filters.)
To determine the airflow in CFM, obtain the manometer readings shown above and calculate the differences between them. Then apply the following formula to convert the readings to CFM:
EV Premium S/SH: [Airflow in CFM] = 183 x [Pressure Drop in inches w.g.]
EV Premium M/MH: [Airflow in CFM] = 283 x [Pressure Drop in inches w.g.]
EV Premium L/LH: [Airflow in CFM] = 593 x [Pressure Drop in inches w.g.]
EXAMPLE: 1 In. w.g. of pressure drop corresponds to 283 CFM, 0.5 In. w.g. corresponds to 141.5 CFM, and so on for the EV Premium M.
(Units equipped with a MERV 13 filter in the OA airstream. Formulas below are for OA airstream only.)
EV Premium S/SH: [Airflow in CFM] = 154 x [Core Pressure Drop in inches w.g.]
EV Premium M/MH: [Airflow in CFM] = 235 x [Core Pressure Drop in inches w.g.]
EV Premium L/LH: [Airflow in CFM] = 487 x [Core Pressure Drop in inches w.g.]
EXAMPLE: 1 In. w.g. of pressure drop across the core corresponds to 235 CFM, 0.5 In. w.g.
corresponds to 117.5 CFM, and so on for the EV Premium M.
| EV PREMIUM S/SH | ||
| Pressure Drop (In. W.G.) | Airflow with MERV 8 Filters (CFM) | Airflow with MERV 13 Filters (CFM) |
| 0.1 | 18 | 15 |
| 0.2 | 37 | 31 |
| 0.3 | 55 | 46 |
| 0.4 | 73 | 62 |
| 0.5 | 92 | 77 |
| 0.6 | 110 | 92 |
| 0.7 | 128 | 108 |
| EV PREMIUM M/MH | ||
| Pressure Drop (In. W.G.) | Airflow with MERV 8 Filters (CFM) | Airflow with MERV 13 Filters (CFM) |
| 0.1 | 28 | 24 |
| 0.2 | 57 | 47 |
| 0.3 | 85 | 71 |
| 0.4 | 113 | 94 |
| 0.5 | 142 | 118 |
| 0.6 | 170 | 141 |
| 0.7 | 198 | 165 |
| EV PREMIUM L/LH | ||
| Pressure Drop (In. W.G.) | Airflow with MERV 8 Filters (CFM) | Airflow with MERV 13 Filters (CFM) |
| 0.1 | 59 | 49 |
| 0.2 | 119 | 97 |
| 0.3 | 178 | 146 |
| 0.4 | 237 | 195 |
MAINTENANCE
The primary maintenance requirement is filter replacement. Filters are not to be cleaned, they must be replaced. The standard filter as shipped from the factory is a mesh-type, anti-microbial MERV 8. These standard filters are NOT to be sprayed with filter treatments or dust adhesives.
The standard mesh-type OA MERV 8 filters may be replaced with pleated paper MERV 13 filters post-construction, if desired. Both filters should be replaced every three months, or more frequently, if needed, based on the clenliness of the OA and RA air entering the unit.
The enthalpic core should be vacuumed annually. Remove the hinged access door by sliding it horizontally on its pin hinges and then remove the filters for access to the core. Use a softbristled nozzle on a good vacuum and carefully vacuum the inlet faces of the core.
Ducts should be inspected annually. Ensure all ducts and joints are free from damage, contaminants, or leaks in order for the system to behave properly.
MAINTENANCE AFTER 30 DAYS OPERATION
After 30 days of unit operation, check/tighten all mounting and support hardware. Inspect filters for cleanliness. There is often construction dust collected during initial operation. If filters appear dirty, replace them.
RECALIBRATION OF AIRFLOWS
Whenever there is a reconfiguration of the heating system in a residence, to include changing damper positions, the fan speed potentiometers on the EV Premium should be re-calibrated for optimum performance. If the residence undergoes significant structural changes, such as an
addition to the home, the EV Premium should also be re-calibrated. If optional MERV 13 filters are installed, recalibration is also required.
DOOR REMOVAL
The hinged door is held in place by two separable hinges on one edge and two security latches on the other edge. The separable hinges have a spring-loaded detent to prevent accidental separation. To remove the door, first disconnect power to the unit. Unlatch and open the door and then strike the edge of the door, pushing the door toward the OA/EA side of the unit.
SERVICE PARTS

TROUBLESHOOTING
INDICATION OF PROBLEM
Indications of a problem with the ERV may be the perception that fresh air is not being delivered. The first step in resolving an apparent problem with an EV Premium ERV is to verify that there actually is a problem.
Regardless of the reason for thinking there is a problem with the EV Premium, the first steps in troubleshooting are to check the air filters to make sure they’re clean and properly positioned, and then do a hard restart of the unit. A hard restart involves unplugging the unit for several seconds and then plugging it back in. It takes a few moments for the control board to discharge.
After reapplying power, check to see if resetting the circuit has solved the problem. Because there are many different ways of ducting the Supply Air into a dwelling, it’s often difficult to say with certainty that the fresh air provided by the EV Premium is not reaching its intended destination or if the ERV is simply no longer providing enough fresh air. Determine where and how the fresh air is supposed to be delivered—if it is being carried in a dedicated duct directly to the air outlet, check for airflow at the outlet.
CAUTION
Many of the troubleshooting steps described herein require working with or near live high-voltage.
Take appropriate precautions against electric shock and use Personal Protective Equipment (PPE) as a safeguard. Wear gloves, safety glasses and protective head gear, as necessary
- Verify that dampers are still correctly positioned (open). If the ERV is being ducted into a main air handling system, shut the air handling system down so that airflow at the ducts can be detected.
- Check for airflow at the air openings nearest to the EV Premium, not at the far end of the house. It may be necessary to hold a thin strip of tissue paper in front of a vent to realize whether or not there is airflow.
- Check for airflow in both low speed and high speed settings. It will be easier to detect airflow in the high speed setting.
- Check ducts and duct runs and problems with bends, sagging, etc.
Feel the EV Premium while it is running to see if there is excessive vibration from the fans. Fan noise and vibration can be caused by an imbalance in the rotors or possibly by a bad bearing. Turn off power to the unit and rotate the fan impellers by hand. Make sure impellers rotate freely. Use wet swabs to clean any dust/dirt buildup off the impeller blades. If problem continues, a fan may have a bad bearing.
If it seems that there is no apparent airflow, verify that it has power.
- If it does not have power, trace the power supply back to its source and isolate the problem or symptoms. Look for a switch turned off, a blown fuse or a tripped circuit breaker. If necessary, use a multimeter to trace the power supply and isolate the problem.
- If it has power and the fans will not run, disconnect all power to the unit and check the disconnect switch with an ohmmeter.
- If it has power, check to see if the fans are running by listening for fan noise and feeling the unit for vibration from the fans.
- If it has power and the fans are running, CHECK THE FILTERS TO MAKE SURE THEY ARE CLEAN. Check the entire length of the ducts, all the way from the outdoor vent hoods to the indoor vent openings. Make sure a duct has not fallen off or that a flexible duct has not been pinched. In rare cases, there may be obstructions inside the duct. Look to see if a louver in an outdoor vent cap is stuck or blocked or if an indoor louver has been shut.
- If it has power but only one fan is running, disconnect all power to the unit and check the fan connectors to make sure they are still making contact.
If the unit has power and both fans are running, use a manometer to check the pressure differential across the core. See Section 4.6 Balancing Airflows in this manual. The results of a pressure differential test will provide correct information on how much air the unit is moving and also how the volume of air compares to when the unit was first installed. Check both low speed and high speed settings by changing the jumpers on the low-voltage terminal strip, as shown in section 4.7 in this manual. Check ducts for bends, blockages, or leaks.
The low-speed and high-speed modes operate independently of each other so there can be a failure in just one mode and it does not appear in the second mode. If one mode does not work, the problem can be isolated to either the controlling device or to an internal failure by bypassing the controlling device.
- Remove all wiring from the terminal strip as shown in Section 4.7 of this manual. Mark the wires so they can be reconnected in their proper locations.
- With no jumper present, check for proper operation.
- Install a jumper wire from the 24VAC terminal to the High Speed terminal. Check for proper operation. Remove the jumper wire and reinstall the control device wiring.
NO APPARENT REASON FOR LOW AIRFLOW
The final step in troubleshooting an ERV problem is to reset the fan potentiometers. Use a manometer and follow the instructions in Section 4.6 Balancing Airflows in this manual. Restore the pressure differential settings to their original airflow settings (CFM), as recorded in Section 5.1.
FACTORY ASSISTANCE
In the unlikely event that you need assistance from the factory for a specific issue, make sure that you have the information called for in the Unit Information page in the front of this manual.
The person you speak with at the factory will need that information to properly identify the unit.
To contact RenewAire Customer Service:
Call 800-627-4499
Email: [email protected]
About RenewAire
For over 35 years, RenewAire has been a pioneer in enhancing indoor air quality (IAQ) in commercial and residential buildings of every size. This is achieved while maximizing sustainability through our fifth-generation, static-plate, enthalpic-core Energy Recovery Ventilators (ERVs) that optimize energy efficiency, lower capital costs via load reduction and decrease operational expenses by minimizing equipment needs, resulting in significant energy savings. Our ERVs are competitively priced, simple to install, easy to use and maintain and have a quick payback. They also enjoy the industry’s best warranty with the lowest claims due to long-term reliability derived from innovative design practices, expert workmanship and Quick Response Manufacturing (QRM). As the pioneer of static-plate core technology in North America, RenewAire is the largest ERV producer in the USA. We’re committed to sustainable manufacturing and lessening our environmental footprint, and to that end our Waunakee, WI plant is 100% powered by wind turbines. The facility is also one of the few buildings worldwide to be LEED® Gold and Green Globes certified, as well as having achieved ENERGY STAR Building status. In 2010, RenewAire joined the Soler & Palau (S&P) Ventilation Group in order to provide direct access to the latest in energy-efficient air-moving technologies. For more information, visit: renewaire.com.




















