Bard WGSCRVS-3C Commercial Room Ventilator Instruction Manual

GENERAL INFORMATION
Commercial Room Ventilator Model Nomenclature

General Information
The ventilator should only be installed by a trained heating and air conditioning technician. These instructions serve as a guide to the technician installing the ventilator package. They are not intended as a step- by-step procedure with which the mechanically inclined owner can install the package.
The ventilator housing is shipped in one carton which contains the electrical harness, miscellaneous hardware and installation instructions
Unpacking
Upon receipt of the equipment, be sure to compare the model number found on the shipping label with the accessory identification information on the ordering and shipping document to verify that the correct accessory has been shipped. Inspect the carton housing of each ventilator as it is received. Before signing the freight bill, verify that all items have been received and that there is no visible damage. Note any shortages or damage on all copies of the freight bill. The receiving party must contact the last carrier immediately, preferably in writing, requesting inspection by the carrier’s agent. Concealed damage not discovered until after loading must be reported to the carrier within 15 days of its receipt.
Description
The ventilators are designed to be used with Bard 2 − 5 ton single stage wall mount gas electric units. They are electromechanical vent systems designed to provide fresh air to meet indoor air quality standards with built in exhaust provisions.
Features
- One piece construction: Easy to install with no mechanical linkage adjustment
- Exhaust air damper: Built in with positive closed Provides exhaust air capability to prevent pressurization of tight buildings.
- Actuator motor – 24 volt, power open, spring return with built-in torque limiting
- Solid state control board – can be used for ON/OFF or 2-10VDC Timed pre-purge feature to provide increased ventilation before occupancy. Potentiometers used to set blade position for ON/ OFF ventilation amount.
- Provides up to 75% of outside air.
Sequence of Operation
When no ventilation call is present, ventilation damper remains closed and conditioned air is 100% return air (see Figure 1 on page 4).
On a call for ventilation, commercial room ventilator (CRV) opens to position set by minimum position potentiometer and energizes comfort air blower (see Figure 2 on page 5).


INSTALLATION
Basic Installation
- Unpack the ventilator assembly which includes the integral ventilator with attached electrical harness and miscellaneous
WARNING Open and lock unit disconnect switch before installing this accessory to prevent injury or death due to electrical shock or contact with moving parts. Turn thermostat to off. - Open the front Remove and save vent option panel from wall mount unit (see Figure 3).
- Remove and save existing unit air filter and screw from front center grille (see Figure 5 on page 8 for screw location).
- Remove and discard the exhaust cover
- Replace the exhaust cover plate with screen that is included with the
- Install loose piece wire harness shipped with kit (as shown in Figure 4).


- Open control panel to gain access to unit low voltage terminal block.
- Route electrical harness leads through the 7/8” bushing in control panel (Figure 4) into low voltage control box.
- Connect leads with fork terminal to corresponding points on terminal strip. (See wiring diagrams later in this manual or on ventilator.) Plug connector into corresponding hole in filter rack (see Figure 4).
- Close control panel cover.
- Insert ventilator into the unit (see Figure 5).
IMPORTANT: Position front lip of ventilator on top of front grille and condenser partition (see Figure 5 inset). This is important to ensure proper drainage of any water entering damper assembly. - Plug mating connector from CRV into connector in filter rack (see Figure 5). See page 9 to proceed to ventilator checkout procedure

Ventilator Checkout
Blade Adjustment for Desired Ventilator Air
The amount of ventilation air supplied by the commercial room ventilator is dependent on four factors.
- Return air duct static pressure drop
- Supply air duct static pressure drop
- Indoor blower motor speed
- Damper blade open position setting
To determine the amount of fresh air that will be supplied to the structure, first determine the pressure drops of the supply and return air ducts. For free blow application with return air filter grille and supply grille, assume .05 supply static and .10 return static.
Determine on what speed the evaporator motor is running.
Refer to the graphs found on pages 12-14 to determine the blade setting necessary to achieve the ventilation air required at the supply and return static duct pressure drops that are applicable.
NOTE: The ventilation air shown in the graphs on pages 12-14 is without the condenser fan running.
When the condenser fan is running, the ventilation air will increase slightly.
WGCRVS Model Checkout
- Open blower door and remove filters to gain access to the CRV control board (8201-167) located behind the front fill partition on top of the
- Resupply power to
- Energize the evaporator blower by switching thermostat to the manual fan position with heat/ cool in OFF
- Ventilator should open to the position set by the OCC potentiometer on the CRV control board (see Figure 6 on page 10). Cycle OCC potentiometer to full open through full close. Observe damper blade operation throughout travel to assure free, unobstructed
- Adjust OCC potentiometer until desired blade setting is reached with power applied to See the graphs found on pages 12-14 for required blade setting versus ventilator air for the unit installed.
- De-energize the evaporator Damper blade should close.
- Re-install
WGCRVS Sequence of Operation
This ventilation option includes a control board with blade positioning potentiometers along with an input for a 2-10V input signal (see Figure 6 on page 10).
Adjustable potentiometers:
“PP” Potentiometer setting: This potentiometer can be used to adjust the blade setting for outdoor air intake during a pre-purge cycle. The pre-purge cycle time is based on the setting of the pre-purge timer.
“OCC” Potentiometer setting: This potentiometer can be used to adjust the blade setting for outdoor air intake when the “A” terminal is energized on the low voltage terminal strip indicating occupancy or demand.
“Y1” Potentiometer setting: Not applicable on this model.
“Y2” Potentiometer setting: Not applicable on this model.
Pre-Purge Feature
Pre-purge is used to ventilate a specified CFM amount before occupants enter the room or structure. The control board has a built-in pre-purge timer that can be set to 30, 60 and 90 minute intervals by moving the jumper (see Figure 6 on page 10). This timer will start when the jumper is installed and the A terminal is energized on the low voltage terminal strip. Blade adjustment can be made on the PP potentiometer.
Once the timer has timed out, the board will default to the occupied setting and this blade position can be adjusted on the OCC potentiometer. If the timer is set to 0 (off—shipped position), the occupied setting is instantaneous and the pre-purge setting (PP) is no longer in the sequence.
Occupied Setting
Occupied is used to ventilate a specified CFM amount when occupants enter the room or structure. The control board will energize the occupied setting
after the pre-purge cycle, or if pre-purge is disabled immediately when the A terminal is energized on the low voltage strip. Blade adjustment can be made on the OCC potentiometer.
Y1 Setting
Not applicable on this model
Y2 Setting
Not applicable on this model
2-10V Operation
A CO2 sensor or other device sending a 2-10V signal can be used to control the damper motor. Two control methods are available to control the damper motor:
- Method 1: The control board will accept a
2-10VDC signal with a resistive load greater than 5000 ohms. Bard CO2 sensor part #8403-096 can be used when the 2-10V output is connected to

terminal 4 on the unit low voltage terminal strip. The occupied OCC potentiometer setting must be set to the off position for total modulation. The OCC potentiometer can be used to maintain a minimum blade position when A is energized.
- Method 2: The damper motor will accept a
2-10VDC signal with a resistive load less than 5000 ohms. This method involves bypassing the control board and powering the motor directly from the device providing the 2-10VDC modulating signal. The gray wire connected to CO2 V IN on the control board must be spliced with the white wire ran to the damper motor (V OUT on control board).
During 2-10VDC operation with A energized and pre- purge timed operation active, DC voltage signaling occupancy from a source such as a CO2 sensor will increase ventilation amounts as needed.






IMPORTANT NOTE
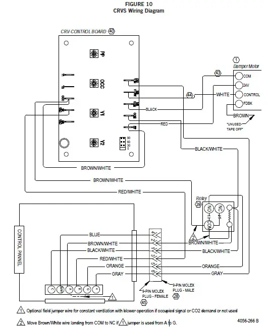
An additional wire change is required if jumper 4 is used which connects “A” to “G” (shown in Figure 9).
The brown/white wire on the blower interlock relay (located on the vent control plate) needs to be moved from the “common” terminal to the “normally closed” terminal. If this change is not made, the relay will latch on once the “A” signal is received and the blower will not turn off. Refer to Figure 10 to see the vent wiring diagram with this change called out.

Optional field jumper wire for constant ventilation with blower operation if occupied signal or CO2 demand or not used
2 Move Brown/White wire landing from COM to NC if jumper is used from A to G.




















